Noise Optimization Design of Frequency-Domain Air-Core Sensor Based on Capacitor Tuning Technology
Abstract
1. Introduction
2. Air-Coil Sensor Model Analysis
2.1. Air-Coil Parameter Design
2.2. Analysis of Frequency Characteristics of Air-Core Coil Sensor
3. Analysis of Low Noise Operational Amplifier Model for Air-core Coil Sensor
4. Air-Coil Sensor Noise Analysis
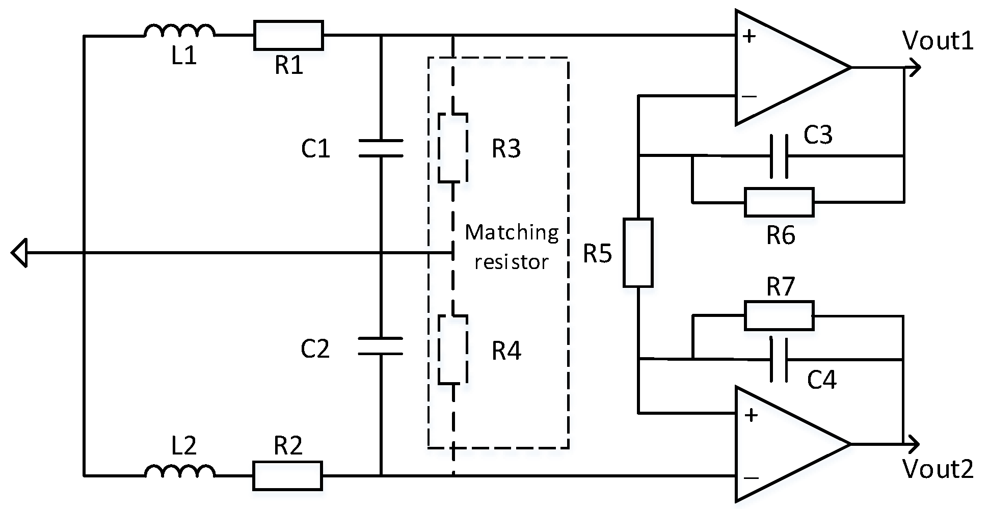
4.1. Noise Analysis when Adding Matching Resistors (for Time-Domain)
4.2. Noise Analysis without Matching Resistors (for Frequency Domain)
4.3. Noise Analysis when Adding Matching Capacitors (for Frequency-Domain)
5. Low Noise Sensor Noise Test and Analysis
6. Conclusions
Author Contributions
Funding
Conflicts of Interest
References
- He, J.S. Development and Prospect of Electrical Prospecting Method. Chin. J. Geophys. 1997, 40, 308–316. [Google Scholar]
- Chen, C.; Liu, F.; Lin, J.; Wang, Y. Investigation and Optimization of the Performance of, an Air-Coil Sensor with a Differential Structure Suited to Helicopter TEM Exploration. Sensors 2015, 15, 23325–23340. [Google Scholar] [CrossRef] [PubMed]
- Balch, S.J.; Boyko, W.P.; Paterson, N.R. The AeroTEM airborne electromagnetic system. Lead. Edge 2003, 22, 562–566. [Google Scholar] [CrossRef]
- Shudong, C.; Yujie, W.; Shuang, Z. Bucking Coil Used in Airborne Transient Electromagnetic Survey. In Proceedings of the 2012 International Conference on Industrial Control and Electronics Engineering, Xi’an, China, 23–25 August 2012. [Google Scholar]
- Grosz, A.; Paperno, E. Analytical Optimization of Low-Frequency Search Coil Magnetometers. IEEE Sens. J. 2012, 12, 2719–2723. [Google Scholar] [CrossRef]
- Wang, H.; Chen, S.; Zhang, S.; Yuan, Z.; Zhang, H.; Fang, D.; Zhu, J. A High-Performance Portable Transient Electro-Magnetic Sensor for Unexploded Ordnance Detection. Sensors 2017, 17, 2651. [Google Scholar] [CrossRef] [PubMed]
- Tang, J.T.; Ren, Z.Y.; Zhou, C.; Zhang, L.C.; Yuan, Y.; Xiao, X. Frequency-domain electromagnetic methods for exploration of the shallow subsurface: A review. Chin. J. Geophys. 2015, 58, 2681–2705. [Google Scholar]
- Jun, L.; Lin, W.; Xiao-Guang, W.; Min, C.; Lei, F.; Xin-Lei, S. Research and development on the air-core coil sensor for mine transient electromagnetic exploration. Chin. J. Geophys. 2016, 59, 721–730. [Google Scholar]
- Fu, L. Key Technology Research of Inductive Air-core Coil Sensor. Master’s Thesis, Jilin University, Jilin, China, 2019. [Google Scholar]
- Tumanski, S. Induction coil sensors—A review. Meas. Sci. Technol. 2007, 18, R31. [Google Scholar] [CrossRef]
- Massarini, A.; Kazimierczuk, M.K. Self-capacitance of inductors. IEEE Trans. Power Electron. 1997, 12, 671–676. [Google Scholar] [CrossRef]
- Lin, T.; Zhang, Y.; Lee, Y.H.; Krause, H.J.; Lin, J.; Zhao, J. High-sensitivity cooled coil system for nuclear magnetic resonance in kHz range. Rev. Sci. Instrum. 2014, 85, 114708. [Google Scholar] [CrossRef] [PubMed]
- Geophysical Instrumentation for Exploration & the Environment. Available online: http://www.geonics.com/ (accessed on 19 March 2015).
- Yan, B.; Zhu, W.; Liu, L.; Liu, K.; Fang, G. Equivalent input magnetic noise analysis for the induction magnetometer of 0.1 mHz to 1 Hz. IEEE Sens. J. 2014, 14, 4442–4449. [Google Scholar] [CrossRef]
- Lewis, S.; Sheingold, D. Noise and Operational Amplifier Circuits; Electrical Engineering University of Calgary: Alberta, AB, Canada, 1991; pp. 19–31. [Google Scholar]















| Parameter | Value |
|---|---|
| Number of coil segments | 2 |
| Number of turns | 130 |
| The average diameter | 0.46 m |
| Wire resistivity | |
| Trunk width | 5 mm |
| Op amp voltage noise | |
| Op amp current noise |
© 2019 by the authors. Licensee MDPI, Basel, Switzerland. This article is an open access article distributed under the terms and conditions of the Creative Commons Attribution (CC BY) license (http://creativecommons.org/licenses/by/4.0/).
Share and Cite
Yu, S.; Wei, Y.; Zhang, J.; Wang, S. Noise Optimization Design of Frequency-Domain Air-Core Sensor Based on Capacitor Tuning Technology. Sensors 2020, 20, 194. https://doi.org/10.3390/s20010194
Yu S, Wei Y, Zhang J, Wang S. Noise Optimization Design of Frequency-Domain Air-Core Sensor Based on Capacitor Tuning Technology. Sensors. 2020; 20(1):194. https://doi.org/10.3390/s20010194
Chicago/Turabian StyleYu, Shengbao, Yiming Wei, Jialin Zhang, and Shilong Wang. 2020. "Noise Optimization Design of Frequency-Domain Air-Core Sensor Based on Capacitor Tuning Technology" Sensors 20, no. 1: 194. https://doi.org/10.3390/s20010194
APA StyleYu, S., Wei, Y., Zhang, J., & Wang, S. (2020). Noise Optimization Design of Frequency-Domain Air-Core Sensor Based on Capacitor Tuning Technology. Sensors, 20(1), 194. https://doi.org/10.3390/s20010194
