High Gain, Low Noise and Power Transimpedance Amplifier Based on Second Generation Voltage Conveyor in 65 nm CMOS Technology
Abstract
:1. Introduction
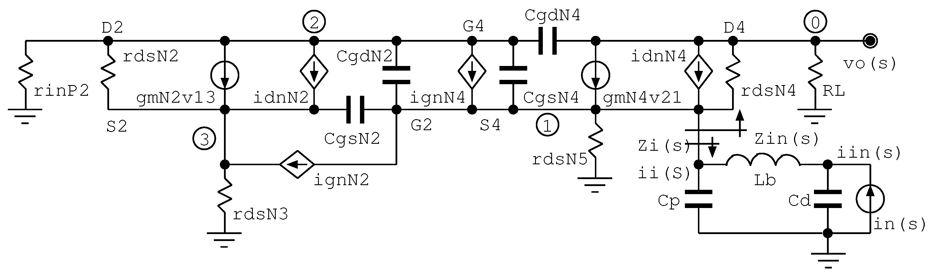
- A current buffer (CB) based on a regulated cascode topology is optimized for both noise and bandwidth gain. The input-referred noise is analyzed when a detector capacitance is used at the input of the CB and both the bonding wire and packaging capacitances are considered. Simulation and measurement results show a noise capacitive peaking which is diminished by the input inductance .
- A voltage buffer (VB) is designed for low distortion and low power consumption, as well as an impedance adapter. The CB-VB set acts as a VCII, and its low distortion characteristics demonstrate its usefulness as a linear voltage amplifier.
- The TIA was implemented in CMOS using a 65 nm logic and mixed-mode technology process. From twelve fabricated circuits, the measurement results were 52 dB transimpedance gain and 1.1 GHz of bandwidth, together with 22 pA/√Hz of input-referred noise and 55.3 mW of power consumption.
- Comparisons against published results demonstrated improvements in terms of noise, gain-bandwidth, and the energy-delay product.
2. TIA Based on VCII
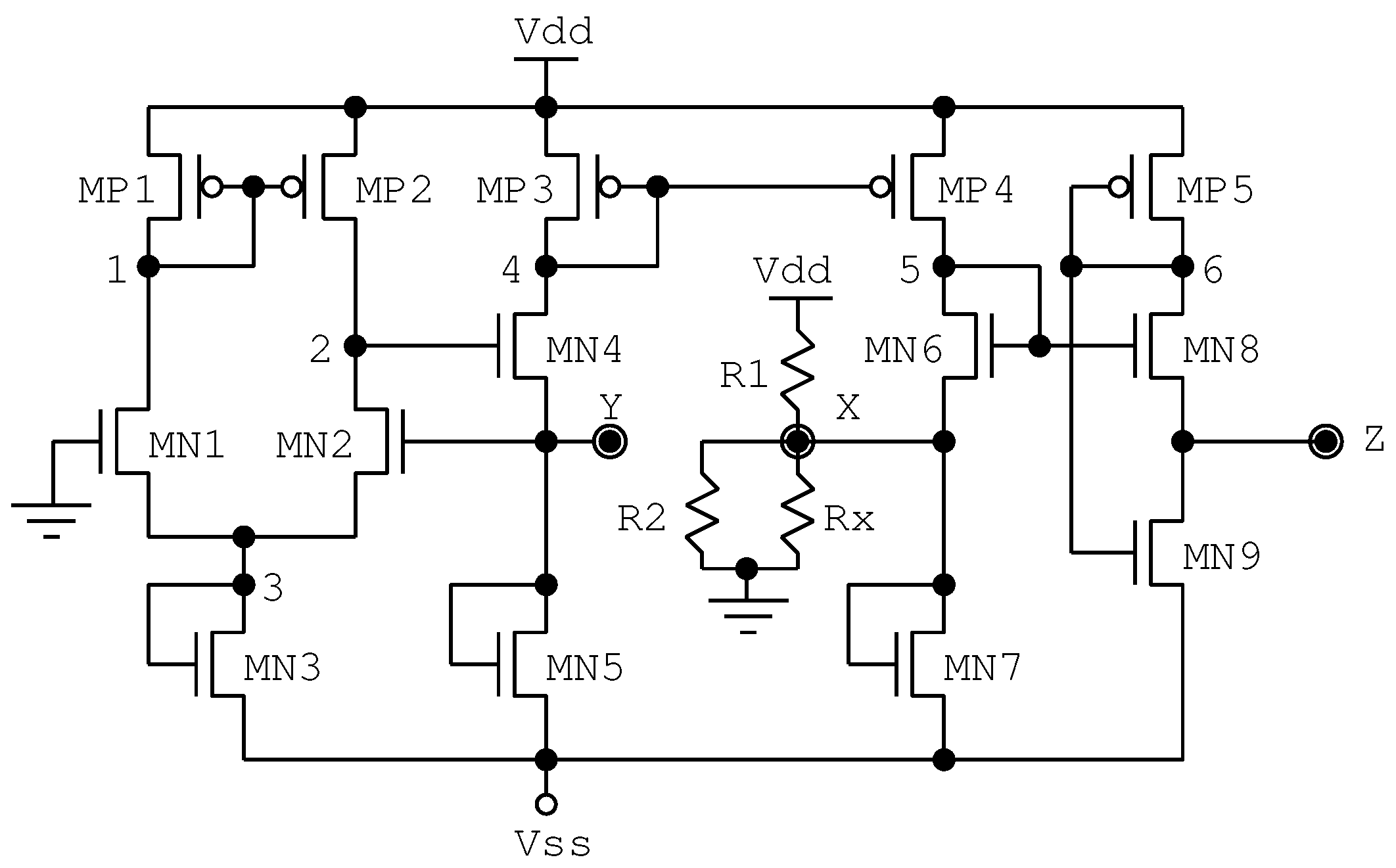
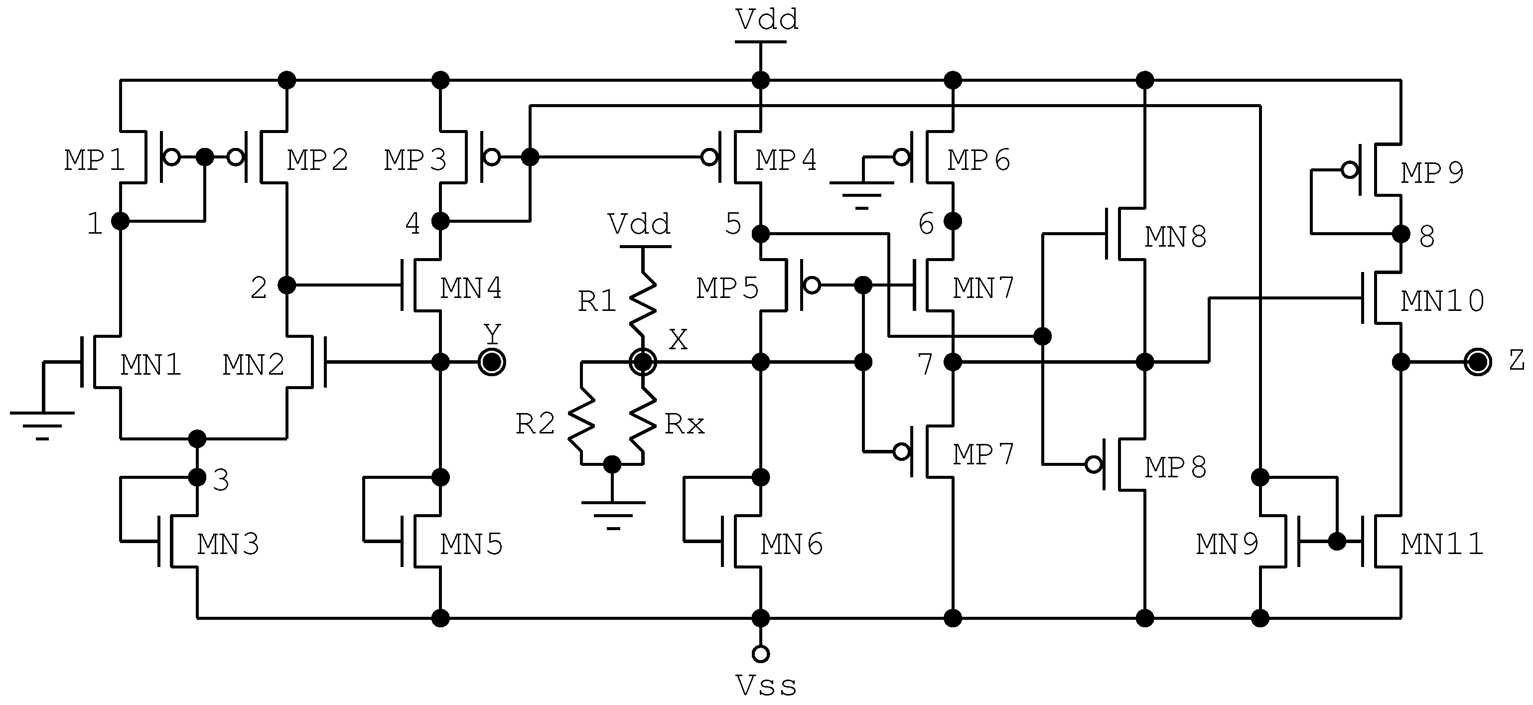
2.1. Preamplifier Design and Noise Analysis
2.2. Buffer Design for Low-Power Consumption and Signal Distortion
3. Chip Implementation
4. Measurements and Comparison Results
Comparison with State of the Art
5. Conclusions
Author Contributions
Funding
Institutional Review Board Statement
Informed Consent Statement
Data Availability Statement
Conflicts of Interest
Appendix A
References
- Keiferer, D.Z.; Pierson, E.E.; Jarrold, M.F. Charge detection mass spectrometry: Weighing heavier things. J. Anal. 2017, 142, 1654–1671. [Google Scholar] [CrossRef]
- Romanova, A.; Barzdenas, V. A Review of Modern CMOS Transimpedance Amplifiers for OTDR Applications. Electronics 2019, 8, 1073. [Google Scholar] [CrossRef] [Green Version]
- Knoll, G.F. Radiation Detection and Measurement, 3rd ed.; Wiley: New York, NY, USA, 2000; Chapters 16 and 17. [Google Scholar]
- Adachi, A.; Nishimura, A.; Yoshimuta, T.; Tanabe, K.; Okamura, S. A 128-channel CMOS charge readout ASIC for flat-panel X-ray detectors. IEEE Trans. Nucl. Sci. 2008, 55, 3673–3683. [Google Scholar] [CrossRef]
- Fang, X.C.; Gao, W.; Hu-Guo, C.; Brasse, D.; Humbert, B.; Hu, Y. Development of a low-noise front-end readout chip integrated with a high-resolution TDC for APD-based small-animal PET. IEEE Trans. Nucl. Sci. 2011, 58, 370–377. [Google Scholar] [CrossRef]
- Grybos, P.; Szczygiel, R. Pole-zero cancellation circuit with pulse pile-up tracking system for low noise charge-sensitive amplifiers. IEEE Trans. Nucl. Sci. 2008, 55, 583–590. [Google Scholar] [CrossRef]
- Ratti, L.; Manghisonil, M.; Re, V.; Traversi, G. Design optimization of charge preamplifiers with CMOS processes in the 100 nm gate length regime. IEEE Trans. Nucl. Sci. 2009, 56, 235–242. [Google Scholar] [CrossRef]
- Janmohamed, R.; Redman, G.; Tsui, Y.Y. Space charge effects in Faraday cup ion detectors. IEEE Trans. Plasma Sci. 2006, 34, 455–459. [Google Scholar] [CrossRef]
- Rozsa, J.; Song, Y.; Webb, D.; Debaene, N.; Kerr, A.; Gustafson, E.L.; Caldwell, T.; Murray, H.V.; Austin, D.E.; Chiang, W.S.-H.W.; et al. Simulation and measurement of image charge detection with printed-circuit-board detector and differential amplifier. Rev. Sci. Instrum. 2020, 91, 455–459. [Google Scholar] [CrossRef] [PubMed]
- Smith, K.C.; Sedra, A. The current conveyor-A new circuit building block. IEEE Proc. 1968, 56, 8. [Google Scholar] [CrossRef]
- Smith, K.C.; Sedra, A. A second-generation current conveyor and its applications. IEEE Trans. Circuit Theory 1970, 17, 1. [Google Scholar] [CrossRef]
- Herencsar, N.; Koton, J.; Vrba, K.; Metin, B. Novel voltage conveyor with electronic tuning and its application to resistorless all-pass filter. In Proceedings of the Interational Conference on Telecommunications and Signal Processing (TSP 2011), Budapest, Hungary, 18–20 August 2011; pp. 265–268. [Google Scholar] [CrossRef]
- Stornelli, V.; Pantoli, L.; Barile, G.; Leoni, A.; D’Amico, E. Silicon photomultiplier sensor interface based on a discrete second generation voltage conveyor. Sensors 2020, 20, 2042. [Google Scholar] [CrossRef] [PubMed] [Green Version]
- Kumngern, M.; Torteanchai, U.; Khateb, F. CMOS class AB second generation voltage conveyor. In Proceedings of the 2019 IEEE International Circuits and Systems Symposium (ICSyS), Kuantan, Malaysia, 18–19 September 2019. [Google Scholar] [CrossRef]
- Rani, P.; Pandey, R. Voltage conveyor based electronically tunable multifunction biquadratic filter. In Proceedings of the 2020 7th International Conference on Signal Processing and Integrated Networks (SPIN), Noida, India, 27–28 February 2020; pp. 1110–1113. [Google Scholar] [CrossRef]
- Barile, G.; Ferri, G.; Safari, L.; Stornelli, V. A new high drive class-AB FVF-based second generation voltage conveyor. IEEE Trans. Circuits Syst. II Express Briefs 2020, 67, 405–409. [Google Scholar] [CrossRef]
- Ballo, A.; Grasso, A.D.; Pennisi, S.; Venezia, C. High-frequency low-current second-order bandpass active filter topology and its design in 28-nm FD-SOI CMOS. J. Low Power Electron. 2020, 10, 27. [Google Scholar] [CrossRef]
- Kwon, I.; Kang, T.; Wells, B.T.; D’Aries, L.J.; Hammig, M.D. A High-Gain 1.75-GHz Dual-Inductor Transimpedance Amplifier With Gate Noise Suppression for Fast Radiation Detection. IEEE Trans. Circuits Syst. II Express Briefs 2016, 63, 356–360. [Google Scholar] [CrossRef]
- Dorosz, P.; Baszczyk, M.; Kucewicz, W.; Mik, Ł. Low-Power Front-End ASIC for Silicon Photomultiplier. IEEE Trans. Nucl. Sci. 2018, 65, 1070–1078. [Google Scholar] [CrossRef]
- De Medeiros Silva, M.; Oliveira, L.B. Regulated Common-Gate Transimpedance Amplifier Designed to Operate With a Silicon Photo-Multiplier at the Input. IEEE Trans. Circuits Syst. I Regul. Pap. 2014, 61, 3. [Google Scholar] [CrossRef]











| Label | Type | Width (μm) | Label | Type | Width (μm) ∗2 |
|---|---|---|---|---|---|
| P | 0.7 × 10 | P | 0.7 × 10 | ||
| P | 0.45 × 10 | P | 0.45 × 10 | ||
| P | 5.3 × 10 | P | 5.3 × 10 | ||
| N | 5.0 × 10 | N | 5.0 × 10 | ||
| N | 1.0 × 10 | N | 1.0 × 10 | ||
| N | 1.5 × 10 | N | 1.5 × 10 | ||
| N | 2.0 × 10 | N | 2.0 × 10 | ||
| N | 0.025 × 10 | N | 0.025 × 10 | ||
| P | 1.5 × 2 | P | 7.5 × 2 | ||
| P | 1.0 × 10 | P | 1.2 × 10 | ||
| N | 2.0 × 0.25 | P | 4.0 × 0.25 | ||
| N | 0.2 × 4 | P | 0.5 × 4 | ||
| N | 0.1 × 1 | P | 0.25 × 1 | ||
| N | 2.5 × 10 | P | 5.0 × 10 | ||
| N | 0.13 × 5 | N | 0.26 × 5 | ||
| N | 0.5 × 10 | N | 1.0 × 10 | ||
| N | 3.0 × 10 | N | 7.0 × 10 | ||
| N | 0.25 × 1 | N | 0.25 × 1 | ||
| N | 3.5 × 7 | N | 5.0 × 7 | ||
| N | 0.35 × 1 | N | 0.35 × 1 | ||
| VC | Power | Energy | Delay | EDP |
|---|---|---|---|---|
| Approach | mW | pJ | ps | pJ × ns |
| 25.27 | 23 | 92 | 2.12 | |
| 54.12 | 49 | 77 | 3.76 | |
| 55.3 | 50 | 79 | 3.95 |
| Design | [20] | [18] | [14] | [13] | Ours |
|---|---|---|---|---|---|
| Year | 2014 | 2016 | 2019 | 2020 | 2022 |
| Name | RCG | TSCG | VCII | VCII | DCVC |
| Technology | CMOS 130 nm | CMOS 180 nm | CMOS 180 nm | Discrete | CMOS 65 nm |
| Results *1 | Meas | Meas | Pre | Meas | Meas |
| Supply V | 1.2 | 1.8 | ±0.9 | ±5 | ±1.2 |
| Area (A) μm × μm | 540 × 410 | 1133 × 1283 | NA | NA | 105 × 82 |
| Power (P) mW | 0.34 | 48.6 | 0.179 | 200 | 55.3 |
| Bandwidth (BW) GHz | 0.01 | 1.75 | 0.169 | 0.106 | 1.1 |
| Gain (G) dBΩ | 100 | 83 | 60 | 42 | 52 |
| Noise (N) pA/Hz1/2 | 2.7 | 2.4 | NA | 55 | 22 |
| FoM | 13.27 × | 171.1 × | NA | NA | 6.95 × |
| FoM/N | NA | 71.29 | NA | NA | 315.9 × |
Publisher’s Note: MDPI stays neutral with regard to jurisdictional claims in published maps and institutional affiliations. |
© 2022 by the authors. Licensee MDPI, Basel, Switzerland. This article is an open access article distributed under the terms and conditions of the Creative Commons Attribution (CC BY) license (https://creativecommons.org/licenses/by/4.0/).
Share and Cite
García-Montesdeoca, J.C.; Montiel-Nelson, J.A.; Sosa, J. High Gain, Low Noise and Power Transimpedance Amplifier Based on Second Generation Voltage Conveyor in 65 nm CMOS Technology. Sensors 2022, 22, 5997. https://doi.org/10.3390/s22165997
García-Montesdeoca JC, Montiel-Nelson JA, Sosa J. High Gain, Low Noise and Power Transimpedance Amplifier Based on Second Generation Voltage Conveyor in 65 nm CMOS Technology. Sensors. 2022; 22(16):5997. https://doi.org/10.3390/s22165997
Chicago/Turabian StyleGarcía-Montesdeoca, José C., Juan A. Montiel-Nelson, and Javier Sosa. 2022. "High Gain, Low Noise and Power Transimpedance Amplifier Based on Second Generation Voltage Conveyor in 65 nm CMOS Technology" Sensors 22, no. 16: 5997. https://doi.org/10.3390/s22165997
APA StyleGarcía-Montesdeoca, J. C., Montiel-Nelson, J. A., & Sosa, J. (2022). High Gain, Low Noise and Power Transimpedance Amplifier Based on Second Generation Voltage Conveyor in 65 nm CMOS Technology. Sensors, 22(16), 5997. https://doi.org/10.3390/s22165997

