Properties of a Symmetrical Photoacoustic Helmholtz Cell Operating with Imbalanced Counterphase Light Stimulation
Abstract
1. Introduction
- v—speed of sound propagation in the medium filling the cell,
- f—frequency of the acoustic wave.
- V1, V2—cavity volumes,
- l—length of the duct connecting the cavities,
- φ—duct diameter,
- v—speed of sound propagation in the gas filling the cell.

- β—absorption coefficient,
- P0—light power used to excite the photoacoustic effect,
- f—modulation frequency of the light beam,
- V—volume of the photoacoustic cell,
- η—efficiency of the detector (e.g., microphone),
- Q—quality factor of the cell (if the modulation frequency of the light beam corresponds to the acoustic resonance frequency of the cell).
2. Differential Photoacoustic Helmholtz Cells
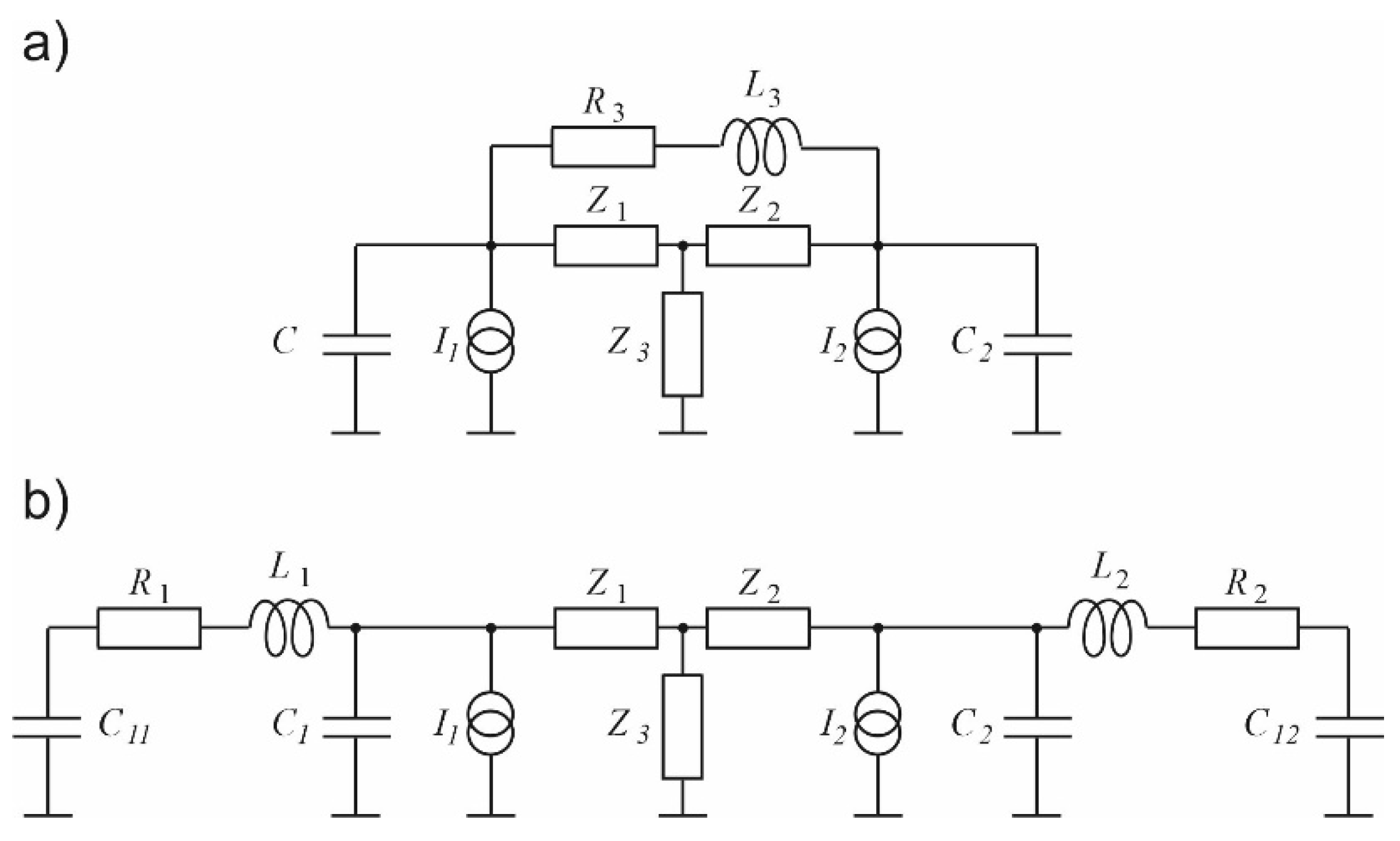
3. Theoretical Analysis
- ω—angular frequency of the light beam modulation and induced photoacoustic signal,
- a—radius of the channel connecting the cavities,
- l—channel length,
- cp—specific heat of gas at constant pressure,
- cv—specific heat of gas at constant volume,
- ρ—gas density,
- kg—thermal conductivity of the gas,
- η—gas viscosity,
- v—speed of sound propagation in the gas filling the cell.

4. Measurement Results
5. Conclusions
Author Contributions
Funding
Institutional Review Board Statement
Informed Consent Statement
Data Availability Statement
Conflicts of Interest
References
- Li, T.; Sima, C.; Ai, Y.; Tong, C.; Zhao, J.; Zhao, Z.; Lu, P. Photoacoustic spectroscopy-based ppb-level multi-gas sensor using symmetric multi-resonant cavity photoacoustic cell. Photoacoustics 2023, 32, 100526. [Google Scholar] [CrossRef] [PubMed]
- Fan, E.; Liu, H.; Wang, C.; Ma, J.; Guan, B.-O. Compact optical fiber photoacoustic gas sensor with integrated multi-pass cell. Photoacoustics 2023, 32, 100524. [Google Scholar] [CrossRef]
- Li, B.; Menduni, G.; Giglio, M.; Patimisco, P.; Sampaolo, A.; Zifarelli, A.; Wu, H.; Wei, T.; Spagnolo, V.; Dong, L. Quartz-enhanced photoacoustic spectroscopy (QEPAS) and Beat Frequency-QEPAS techniques for air pollutants detection: A comparison in terms of sensitivity and acquisition time. Photoacoustics 2023, 31, 100479. [Google Scholar] [CrossRef]
- Miklós, A.; Hess, P.; Bozóki, Z. Application of acoustic resonators in photoacoustic trace gas analysis and metrology. Rev. Sci. Instrum. 2001, 72, 1937–1955. [Google Scholar] [CrossRef]
- Wang, F.; Cheng, Y.; Xue, Q.; Wang, Q.; Liang, R.; Wu, J.; Sun, J.; Zhu, C.; Li, Q. Techniques to enhance the photoacoustic signal for trace gas sensing: A review. Sens. Actuators A Phys. 2022, 345, 113807. [Google Scholar] [CrossRef]
- Zhang, M.; Zhang, B.; Chen, K.; Guo, M.; Liu, S.; Chen, Y.; Gong, Z.; Yu, Q.; Chen, Z.; Liao, M. Miniaturized multi-pass cell based photoacoustic gas sensor for parts-per-billion level acetylene detection. Sens. Actuators A Phys. 2020, 308, 112013. [Google Scholar] [CrossRef]
- Zhang, M.; Gao, G.; Jiang, Y.; Wang, X.; Long, F.; Cai, T. A sensor based on high-sensitivity multi-pass resonant photoacoustic spectroscopy for detection of hydrogen sulfide. Opt. Laser Technol. 2023, 159, 108884. [Google Scholar] [CrossRef]
- Li, C.; Chen, K.; Zhao, J.; Qi, H.; Zhao, X.; Ma, F.; Han, X.; Guo, M.; An, R. High-sensitivity dynamic analysis of dissolved gas in oil based on differential photoacoustic cell. Opt. Lasers Eng. 2023, 161, 107394. [Google Scholar] [CrossRef]
- Case, J.A.; Smith, R.W. Photoacoustic measurement of the optical absorption of aerosols. Proc. Meet. Acoust. 2022, 46, 045003. [Google Scholar] [CrossRef]
- Wu, Z.; Shi, Y.; Han, Y. Methane, Ethylene, and Ethane Detection by Differential Helmholtz Resonance Spectroscopy Using a 3345 nm Mid-Infrared Tunable Diode Laser Source. Appl. Sci. 2023, 13, 3169. [Google Scholar] [CrossRef]
- Li, Z.; Liu, J.; Si, G.; Ning, Z.; Fang, Y. Design of a high-sensitivity differential Helmholtz photoacoustic cell and its application in methane detection. Opt. Express 2022, 30, 28984–28996. [Google Scholar] [CrossRef] [PubMed]
- Li, Z.; Liu, J.; Si, G.; Ning, Z.; Fang, Y. Active noise reduction for a differential Helmholtz photoacoustic sensor excited by an intensity-modulated light source. Opt. Express 2023, 31, 1154–1166. [Google Scholar] [CrossRef] [PubMed]
- Ma, Q.; Li, L.; Gao, Z.; Tian, S.; Yu, J.; Du, X.; Qiao, Y.; Shan, C. Near-infrared sensitive differential Helmholtz-based hydrogen sulfide photoacoustic sensors. Opt. Express 2023, 31, 14851–14861. [Google Scholar] [CrossRef]
- Wei, Q.; Li, B.; Zhao, B.; Yang, P. EC-QCL based photoacoustic spectroscopy for detection of SF6 decomposition components. Sens. Actuators B Chem. 2022, 369, 132351. [Google Scholar] [CrossRef]
- Quimby, R.S.; Selzer, P.M.; Yen, W.M. Photoacoustic cell design: Resonant enhancement and background signals. Appl. Opt. 1977, 16, 2630–2632. [Google Scholar] [CrossRef] [PubMed]
- Fernelius, N.C. Helmholtz resonance effect in photoacoustic cells. Appl. Opt. 1979, 18, 1784–1787. [Google Scholar] [CrossRef] [PubMed]
- Nordhaus, O.; Pelzl, J. Frequency dependence of resonant photoacoustic cells: The extended Helmholtz resonator. Appl. Phys. 1981, 25, 221–229. [Google Scholar] [CrossRef]
- Starecki, T. Wybrane Aspekty Optymalizacji Przyrządów Fotoakustycznych (Selected Apects of Photoacoustic Instruments Optimization); BTC: Legionowo, Poland, 2009; ISBN 978-83-60233-42-9. [Google Scholar] [CrossRef]
- Monahan, E.M., Jr.; Nolle, A.W. Quantitative study of a photoacoustic system for powdered samples. J. Appl. Phys. 1977, 48, 3519–3523. [Google Scholar] [CrossRef]
- Ducharme, D.; Tessier, A.; Leblanc, R.M. Design and characteristics of a cell for photoacoustic spectroscopy of condensed matter. Rev. Sci. Instrum. 1979, 50, 1461–1462. [Google Scholar] [CrossRef] [PubMed]
- Shaw, R.W. Helmholtz resonance cells for pulsed dye laser-excited high resolution optoacoustic spectroscopy. Appl. Phys. Lett. 1979, 35, 253–255. [Google Scholar] [CrossRef]
- McClenny, W.A.; Bennett, C.A., Jr.; Russwurm, G.M.; Richmond, R. Helmholtz resonator enhancement of photoacoustic signals. Appl. Opt. 1981, 20, 650–653. [Google Scholar] [CrossRef] [PubMed]
- Kästle, R.; Sigrist, M.W. Temperature dependent photoacoustic spectroscopy with a Helmholtz resonator. Appl. Phys. B 1996, 63, 389–397. [Google Scholar] [CrossRef]
- Starecki, T.; Burd, A.; Misiaszek, S.; Opalska, K.; Radtke, M.; Ramotowski, M. Rzeczywiste Parametry Fotoakustycznych Komór Pomiarowych w Układzie Helmholtza. In Proceedings of the II Krajowa Konferencja Elektroniki, Kołobrzeg, Poland, 9–12 June 2003; Wydział Elektroniki Politechniki Koszalińskiej: Koszalin, Poland, 2003. t. 2. pp. 653–657. Available online: https://www.researchgate.net/publication/371986920_Rzeczywiste_parametry_fotoakustycznych_komor_pomiarowych_w_ukladzie_Helmholtza (accessed on 8 July 2023).
- Barbieri, S.; Pellaux, J.-P.; Studemann, E.; Rosset, D. Gas detection with quantum cascade lasers: An adapted photoacoustic sensor based on Helmholtz resonance. Rev. Sci. Instrum. 2002, 73, 2458–2461. [Google Scholar] [CrossRef]
- Mattiello, M.; Niklès, M.; Schilt, S.; Thévenaz, L.; Salhi, A.; Barat, D.; Vicet, A.; Rouillard, Y.; Werner, R.; Koeth, J. Novel Helmholtz-based photoacoustic sensor for trace gas detection at ppm level using GaInAsSb/GaAlAsS DFB lasers. Spectrochim. Acta A 2006, 63, 952–958. [Google Scholar] [CrossRef]
- Busse, G.; Herboeck, D. Differential Helmholtz resonator as an optoacoustic detector. Appl. Opt. 1979, 18, 3959–3961. [Google Scholar] [CrossRef]
- Starecki, T.; Geras, A. Differential open photoacoustic helmholtz cell. Int. J. Thermophys. 2014, 35, 2259–2268. [Google Scholar] [CrossRef]
- Geras, A.; Starecki, T. Parametric Analysis of a Differential Photoacoustic Helmholtz Cell. Int. J. Thermophys. 2014, 35, 2269–2278. [Google Scholar] [CrossRef]
- Zeninari, V.; Kapitanov, V.A.; Courtois, D.; Ponomarev, Y.N. Design and characteristics of a differential Helmholtz resonant photoacoustic cell for infrared gas detection. Infrared Phys. Technol. 1999, 40, 1–23. [Google Scholar] [CrossRef]
- Lee, H.S.; Lee, D.D. Applicability of the Helmholtz resonator to photoacoustic difference spectroscopy. Appl. Opt. 1988, 27, 10–11. [Google Scholar] [CrossRef]
- Morse, P.M. Vibration and Sound; McGraw-Hill: New York, NY, USA, 1948; Available online: https://archive.org/details/dli.ernet.475034/page/n19/mode/2up (accessed on 8 July 2023).
- Blitz, J. Elements of Acoustics; Butterworths: London, UK, 1964. [Google Scholar]
- Chrobak, Ł.B.; Malinski, M.A. Comparison of the CRLC models describing the helmholtz type cells for the nondestructive photoacoustic spectroscopy. Metrol. Meas. Syst. 2014, 21, 545–552. [Google Scholar] [CrossRef]
- Nolle, A.W. Small-signal impedance of short tubes. J. Acoust. Soc. Am. 1953, 25, 32–39. [Google Scholar] [CrossRef]
- Starecki, T. Analiza Porównawcza Modeli Komory Helmholtza do Przyrządów Pomiarowych Typu PAS. Ph.D Thesis, Warsaw University of Technology, Warsaw, Poland, 1994. [Google Scholar]
- Suchenek, M. Comparison of photoacoustic Helmholtz resonator models. Proc. SPIE 2007, 6937. [Google Scholar] [CrossRef]
- Starecki, T. Modelling of photoacoustic Helmholtz resonators by means of acousto-electrical analogies. Electron. Telecommun. Q. 1993, 39, 307–312. [Google Scholar]
- Liu, X.; Wu, H.; Dong, L. Methodology and applications of acousto-electric analogy in photoacoustic cell design for trace gas analysis. Photoacoustics 2023, 30, 100475. [Google Scholar] [CrossRef]
- Starecki, T. Loss-improved electroacoustical modeling of small Helmholtz resonators. J. Acoust. Soc. Am. 2007, 122, 2118–2123. [Google Scholar] [CrossRef]
- Benade, A.H. On the propagation of sound waves in a cylindrical conduit. J. Acoust. Soc. Am. 1968, 44, 616–623. [Google Scholar] [CrossRef]
- Daniels, F.B. On the propagation of sound waves in a cylindrical conduit. J. Acoust. Soc. Am. 1950, 22, 563–564. [Google Scholar] [CrossRef]
- Available online: https://www.rigol.eu/products/waveform-generators/dg4000.html (accessed on 8 July 2023).
- Available online: https://www.bksv.com/media/doc/bp2220.pdf (accessed on 8 July 2023).
- Available online: https://www.bksv.com/media/doc/bp2384.pdf (accessed on 8 July 2023).
- Available online: https://www.ameteksi.com/support-center/legacy-products/signal-recovery-legacy/lock-in-amplifier-legacy/7265-dual-phase-lock-in-amplifier (accessed on 8 July 2023).











Disclaimer/Publisher’s Note: The statements, opinions and data contained in all publications are solely those of the individual author(s) and contributor(s) and not of MDPI and/or the editor(s). MDPI and/or the editor(s) disclaim responsibility for any injury to people or property resulting from any ideas, methods, instructions or products referred to in the content. |
© 2023 by the authors. Licensee MDPI, Basel, Switzerland. This article is an open access article distributed under the terms and conditions of the Creative Commons Attribution (CC BY) license (https://creativecommons.org/licenses/by/4.0/).
Share and Cite
Starecki, T.; Pietrzak, M.H.; Ścisłowski, M.K. Properties of a Symmetrical Photoacoustic Helmholtz Cell Operating with Imbalanced Counterphase Light Stimulation. Sensors 2023, 23, 7150. https://doi.org/10.3390/s23167150
Starecki T, Pietrzak MH, Ścisłowski MK. Properties of a Symmetrical Photoacoustic Helmholtz Cell Operating with Imbalanced Counterphase Light Stimulation. Sensors. 2023; 23(16):7150. https://doi.org/10.3390/s23167150
Chicago/Turabian StyleStarecki, Tomasz, Michał Henryk Pietrzak, and Marcin Kamil Ścisłowski. 2023. "Properties of a Symmetrical Photoacoustic Helmholtz Cell Operating with Imbalanced Counterphase Light Stimulation" Sensors 23, no. 16: 7150. https://doi.org/10.3390/s23167150
APA StyleStarecki, T., Pietrzak, M. H., & Ścisłowski, M. K. (2023). Properties of a Symmetrical Photoacoustic Helmholtz Cell Operating with Imbalanced Counterphase Light Stimulation. Sensors, 23(16), 7150. https://doi.org/10.3390/s23167150

