Multivariable Iterative Learning Control Design for Precision Control of Flexible Feed Drives
Abstract
1. Introduction
2. ILC Preliminaries
3. Flexible Feed Drive and Problem Formulation
3.1. Dynamics of Flexible Ball Screw Drive
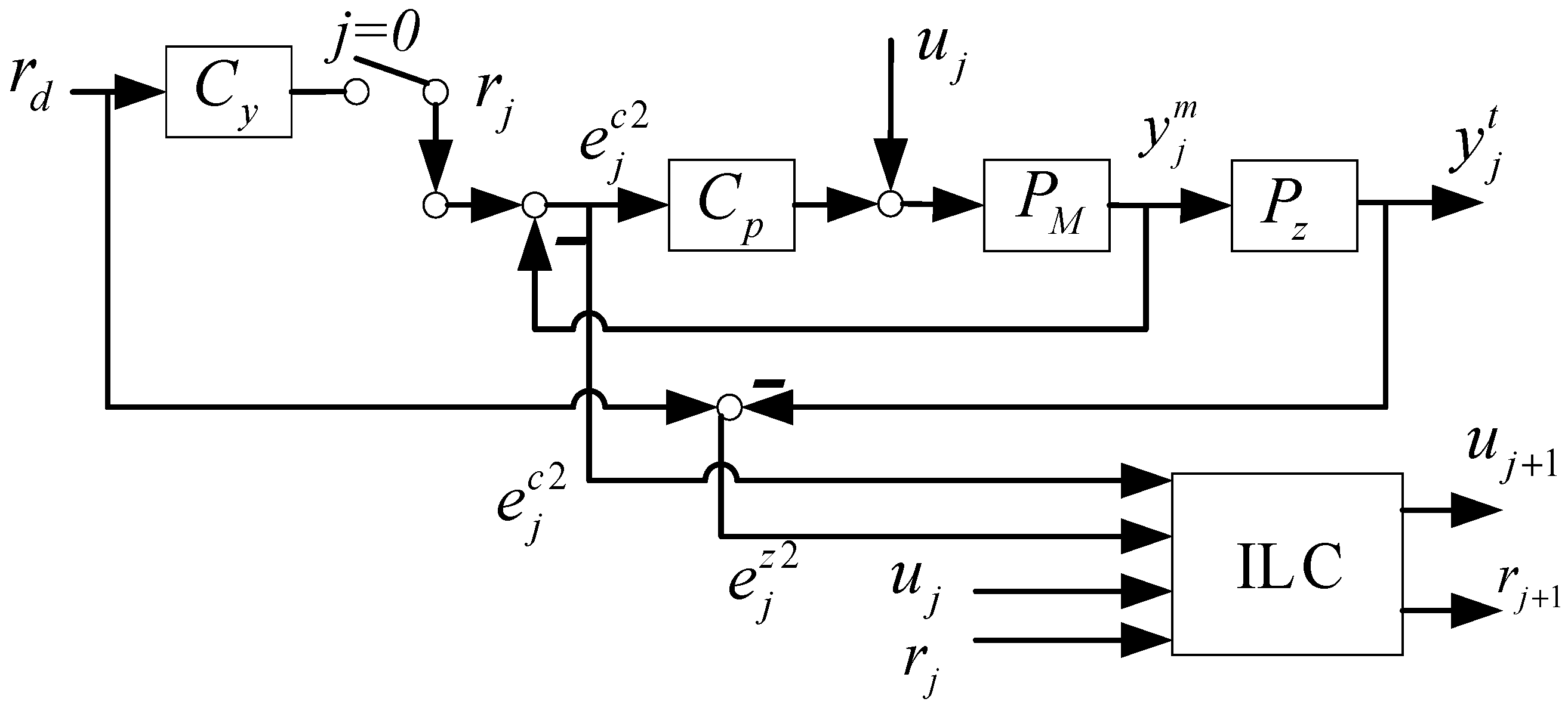
3.2. Applying Standard ILC to the Flexible Structure
- , where denotes the -norm of ;
- .
4. Proposed Approach and Analysis
4.1. Multivariable ILC Design
- Step 1: Set . Perform the tracking control task in real time with FBC only.
- Step 2: For , collect errors and , and use Formula (9) to offline calculate the compensation for the next iteration, and .
- Step 3: Perform the tracking control task in real time with reference , and ILC compensation .
- Step 4: Return to Step 2 and repeat until the desired number of iterations is achieved.
4.2. Implementation Aspects
4.3. Stability and Convergence Analysis of MILC
5. Experimental Results
5.1. Experimental Setup
5.2. Experimental Results
6. Conclusions
Author Contributions
Funding
Data Availability Statement
Conflicts of Interest
Appendix A
- Step 1.
- Step 2.
- Step 3.
- Step 4.
Appendix B
References
- Hsiao, T.; Huang, P.-H. Iterative learning control for trajectory tracking of robot manipulators. Int. J. Autom. Smart Technol. 2017, 7, 133–139. [Google Scholar] [CrossRef]
- Wang, Y.; Hsiao, T. Fast-Update Iterative Learning Control for Performance Enhancement with Application to Motion Systems. IEEE Access 2022, 10, 79458–79468. [Google Scholar] [CrossRef]
- Ertay, D.S.; Yuen, A.; Altintas, Y. Synchronized material deposition rate control with path velocity on fused filament fabrication machines. Addit. Manuf. 2018, 19, 205–213. [Google Scholar] [CrossRef]
- Song, F.; Liu, Y.; Xu, J.; Yang, X.; Zhu, Q. Data-Driven Iterative Feedforward Tuning for a Wafer Stage: A High-Order Approach Based on Instrumental Variables. IEEE Trans. Ind. Electron. 2019, 66, 3106–3116. [Google Scholar] [CrossRef]
- Gordon, D.J.; Erkorkmaz, K. Accurate control of ball screw drives using pole-placement vibration damping and a novel trajectory prefilter. Precis Eng. 2013, 37, 308–322. [Google Scholar] [CrossRef]
- Hsiao, T.; Jhu, J.-H. Design of Precision Motion Controllers Based on Frequency Constraints and Time-Domain Optimization. IEEE/ASME Trans. Mechatron. 2023, 28, 933–944. [Google Scholar] [CrossRef]
- Mizrachi, E.; Basovich, S.; Arogeti, S. Robust time-delayed H∞ synthesis for active control of chatter in internal turning. Int. J. Mach. Tools Manuf. 2020, 158, 103612. [Google Scholar] [CrossRef]
- Zhang, T.; Li, X.; Gai, H.; Zhu, Y. Integrated Controller Design and Application for CNC Machine Tool Servo Systems Based on Model Reference Adaptive Control and Adaptive Sliding Mode Control. Sensors 2023, 23, 9755. [Google Scholar] [CrossRef]
- Zhang, H.-T.; Wu, Y.; He, D.; Zhao, H. Model predictive control to mitigate chatters in milling processes with input constraints. Int. J. Mach. Tools Manuf. 2015, 91, 54–61. [Google Scholar] [CrossRef]
- Zhu, M.; Yang, Y.; Feng, X.; Du, Z.; Yang, J. Robust modeling method for thermal error of CNC machine tools based on random forest algorithm. J. Intell. Manuf. 2023, 34, 2013–2026. [Google Scholar] [CrossRef]
- Li, Z.; Zhao, C.; Lu, Z. Thermal error modeling method for ball screw feed system of CNC machine tools in x-axis. Int. J. Adv. Manuf. Technol. 2020, 106, 5383–5392. [Google Scholar] [CrossRef]
- Huang, W.-W.; Zhang, X.; Zhu, L.-M. Band-stop-filter-based repetitive control of fast tool servos for diamond turning of micro-structured functional surfaces. Precis Eng. 2023, 83, 124–133. [Google Scholar] [CrossRef]
- Altintas, Y.; Khoshdarregi, M.R. Contour error control of CNC machine tools with vibration avoidance. CIRP Ann. 2012, 61, 335–338. [Google Scholar] [CrossRef]
- Tomizuka, M. Zero phase error tracking algorithm for digital control. J. Dyn. Syst. Meas. Control 1987, 109, 65–68. [Google Scholar] [CrossRef]
- Butterworth, J.A.; Pao, L.Y.; Abramovitch, D.Y. Analysis and comparison of three discrete-time feedforward model-inverse control techniques for nonminimum-phase systems. Mechatronics 2012, 22, 577–587. [Google Scholar] [CrossRef]
- Ahn, H.-S.; Chen, Y.; Moore, K.L. Iterative Learning Control: Brief Survey and Categorization. IEEE Trans. Syst. Man Cybern. Part C Appl. Rev. 2007, 37, 1099–1121. [Google Scholar] [CrossRef]
- Bristow, D.A.; Tharayil, M.; Alleyne, A.G. A survey of iterative learning control. IEEE Control Syst. Mag. 2006, 26, 96–114. [Google Scholar]
- Blanken, L.; Isil, G.; Koekebakker, S.; Oomen, T. Flexible ILC: Towards a Convex Approach for Non-Causal Rational Basis Functions. IFAC-Pap. 2017, 50, 12107–12112. [Google Scholar] [CrossRef]
- van Zundert, J.; Bolder, J.; Oomen, T. Iterative Learning Control for varying tasks: Achieving optimality for rational basis functions. In Proceedings of the 2015 American Control Conference (ACC), Chicago, IL, USA, 1–3 July 2015. [Google Scholar]
- Bolder, J.; Kleinendorst, S.; Oomen, T. Data-driven multivariable ILC: Enhanced performance by eliminating L and Q filters. Int. J. Robust Nonlinear Control 2018, 28, 3728–3751. [Google Scholar] [CrossRef]
- Yang, L.; Zhang, H. Data-Driven Feedforward Parameter Tuning Optimization Method Under Actuator Constraints. IEEE/ASME Trans. Mechatron. 2022, 27, 3429–3439. [Google Scholar] [CrossRef]
- Li, X.; Huang, D. Adaptive Iterative Learning Control for Non-Square Nonlinear Systems with Various Nonrepetitive Uncertainties: A Unified Approach. IEEE Trans. Autom. Control 2023, 69, 1736–1743. [Google Scholar] [CrossRef]
- Sang, S.; Zhang, R.; Lin, X. Model-Free Adaptive Iterative Learning Bipartite Containment Control for Multi-Agent Systems. Sensors 2022, 22, 7115. [Google Scholar] [CrossRef] [PubMed]
- Tayebi, A.; Chien, C.-J. A Unified Adaptive Iterative Learning Control Framework for Uncertain Nonlinear Systems. IEEE Trans. Autom. Control 2007, 52, 1907–1913. [Google Scholar] [CrossRef]
- Zhang, C.; Hu, Y.; Xiao, L.; Gong, X.; Chen, H. Data-Driven Robust Iterative Learning Predictive Control for MIMO Nonaffine Nonlinear Systems with Actuator Constraints. IEEE Trans. Ind. Inform. 2024, 1–11. [Google Scholar] [CrossRef]
- Chi, R.; Li, H.; Lin, N.; Huang, B. Data-Driven Indirect Iterative Learning Control. IEEE Trans. Cybern. 2024, 54, 1650–1660. [Google Scholar] [CrossRef]
- Li, H.; Wang, S.; Shi, H.; Su, C.; Li, P. Two-Dimensional Iterative Learning Robust Asynchronous Switching Predictive Control for Multiphase Batch Processes with Time-Varying Delays. IEEE Trans. Syst. Man Cybern. Syst. 2023, 53, 6488–6502. [Google Scholar] [CrossRef]
- Chen, W.; Tomizuka, M. Dual-Stage Iterative Learning Control for MIMO Mismatched System with Application to Robots With Joint Elasticity. IEEE Trans. Control Syst. Technol. 2014, 22, 1350–1361. [Google Scholar]
- Wang, C.; Zheng, M.; Wang, Z.; Peng, C.; Tomizuka, M. Robust Iterative Learning Control for Vibration Suppression of Industrial Robot Manipulators. J. Dyn. Syst. Meas. Control 2017, 140, 011003. [Google Scholar] [CrossRef]
- Wallen, J.; Norrlof, M.; Gunnarsson, S. A framework for analysis of observer-based ILC. Asian J. Control 2011, 13, 3–14. [Google Scholar] [CrossRef]
- Bolder, J.; Oomen, T. Inferential Iterative Learning Control: A 2D-system approach. Automatica 2016, 71, 247–253. [Google Scholar] [CrossRef]
- Dumanli, A.; Sencer, B. Data-Driven Iterative Trajectory Shaping for Precision Control of Flexible Feed Drives. IEEE/ASME Trans. Mechatron. 2021, 26, 2735–2746. [Google Scholar]
- Barton, K.L.; Alleyne, A.G. A Norm Optimal Approach to Time-Varying ILC With Application to a Multi-Axis Robotic Testbed. IEEE Trans. Control Syst. Technol. 2011, 19, 166–180. [Google Scholar] [CrossRef]
- van Zundert, J.; Oomen, T. On inversion-based approaches for feedforward and ILC. Mechatronics 2018, 50, 282–291. [Google Scholar] [CrossRef]
- Ge, X.; Stein, J.L.; Ersal, T. A frequency domain approach for designing filters for Norm-Optimal Iterative Learning Control and its fundamental tradeoff between robustness, convergence speed and steady state error. In Proceedings of the 2016 American Control Conference (ACC), Boston, MA, USA, 6–8 July 2016; IEEE: New York, NY, USA, 2016; pp. 384–391. [Google Scholar]
- van Zundert, J.; Bolder, J.; Koekebakker, S.; Oomen, T. Resource-efficient ILC for LTI/LTV systems through LQ, tracking and stable inversion: Enabling large feedforward tasks on a position-dependent printer. Mechatronics 2016, 38, 76–90. [Google Scholar] [CrossRef]
- Zhang, J.-X.; Yeh, S.-S. Modelization and Identification of Feed Drive Axis in CNC Machine Tools Using Two-Mass Model and Particle Swarm Optimization. In Proceedings of the 2023 IEEE International Conference on Industrial Technology (ICIT), Orlando, FL, USA, 4–6 April 2023. [Google Scholar]
- Erkorkmaz, K.; Hosseinkhani, Y. Control of ball screw drives based on disturbance response optimization. CIRP Ann. 2013, 62, 387–390. [Google Scholar] [CrossRef]











| Method | |||||
|---|---|---|---|---|---|
| DILCi=1 | 201.00 | 204.21 | 0.55 | 5.39 | 3.57 |
| MILCi=2 | 196.46 * | 199.81 * | 0.46 * | 0.40 * | 2.06 * |
Disclaimer/Publisher’s Note: The statements, opinions and data contained in all publications are solely those of the individual author(s) and contributor(s) and not of MDPI and/or the editor(s). MDPI and/or the editor(s) disclaim responsibility for any injury to people or property resulting from any ideas, methods, instructions or products referred to in the content. |
© 2024 by the authors. Licensee MDPI, Basel, Switzerland. This article is an open access article distributed under the terms and conditions of the Creative Commons Attribution (CC BY) license (https://creativecommons.org/licenses/by/4.0/).
Share and Cite
Wang, Y.; Hsiao, T. Multivariable Iterative Learning Control Design for Precision Control of Flexible Feed Drives. Sensors 2024, 24, 3536. https://doi.org/10.3390/s24113536
Wang Y, Hsiao T. Multivariable Iterative Learning Control Design for Precision Control of Flexible Feed Drives. Sensors. 2024; 24(11):3536. https://doi.org/10.3390/s24113536
Chicago/Turabian StyleWang, Yulin, and Tesheng Hsiao. 2024. "Multivariable Iterative Learning Control Design for Precision Control of Flexible Feed Drives" Sensors 24, no. 11: 3536. https://doi.org/10.3390/s24113536
APA StyleWang, Y., & Hsiao, T. (2024). Multivariable Iterative Learning Control Design for Precision Control of Flexible Feed Drives. Sensors, 24(11), 3536. https://doi.org/10.3390/s24113536

