Wideband Doherty Power Amplifier: A Design Approach
Abstract
:1. Introduction
2. Estimation of the Device’s Output Reactive Network
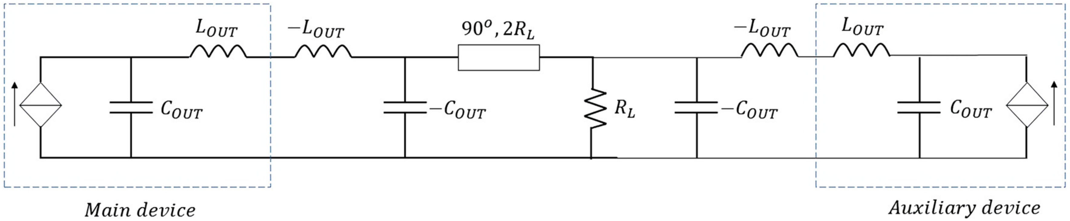
3. Ideal Compensation of and
4. Proposed Solution
5. Conclusions
Author Contributions
Funding
Conflicts of Interest
References
- Grebennikov, A.; Bulja, S. Hogh-efficiency Doherty power amplifiers: Historical aspects and modern trends. Proc. IEEE. Dec. 2012, 100, 3190–3219. [Google Scholar] [CrossRef]
- Camarchia, V.; Pirola, M.; Quaglia, R.; Jee, S.; Cho, Y.; Kim, B. The Doherty power amplifier: Review of recent solutions and trends. IEEE Trans. Microw. Theory Techn. 2015, 63, 559–571. [Google Scholar] [CrossRef] [Green Version]
- Pang, J.; Chu, C.; Wu, J.; Dai, Z.; Li, M.; He, S.; Zhu, A. Broadband GaN MMIC Doherty Power Amplifier Using Continuous-Mode Combining for 5G Sub-6 GHz Applications. IEEE J. Solid-State Circuits 2022. Early Access Article. [Google Scholar] [CrossRef]
- Holzer, K.D.; Yuan, W.; Walling, J.S. Wideband techniques for outphasing power amplifiers. IEEE Trans. Circuits Syst. I: Regul. Pap. 2018, 65, 2715–2725. [Google Scholar] [CrossRef]
- Sheppard, D.J.; Powel, J.; Cripps, S.C. An efficient broadband reconfigurable power amplifier using active load modulation. IEEE Microw. Wirel. Compon. Lett. 2016, 26, 443–445. [Google Scholar] [CrossRef]
- Quaglia, R.; Cripps, S. A Load Modulated Balanced Amplifier for Telecom Applications. IEEE Trans. Microw. Theory Techn. 2018, 66, 1328–1338. [Google Scholar] [CrossRef] [Green Version]
- Moreno Rubio, J.J.; Camarchia, V.; Pirola, M.; Quaglia, R. Design of an 87% Fractional Bandwidth Doherty Power Amplifier Supported by a Simplified Estimation Method. IEEE Trans. Microw. Theory Techn. 2018, 66, 1319–1327. [Google Scholar] [CrossRef] [Green Version]
- Giofré, R.; Piazzon, L.; Colantonio, P.; Giannini, F. An ultra-broadband GaN Doherty Amplifier with 83% of fractional bandwidth. IEEE Microw. Wireless Compon. Lett. 2014, 24, 775–777. [Google Scholar] [CrossRef]
- Wu, D.Y.-T.; Boumaiza, S. A modified Doherty configuration for broadband amplification using symmetrical devices. IEEE Trans. Microw. Theory Techn. 2012, 60, 3201–3213. [Google Scholar] [CrossRef]
- Abounemra, A.E.; Chen, W.; Huang, F.; Maktoomi, M.; Zhang, W.; Helaoui, M.; Ghannouchi, F.M. Systematic Design Methodology of Broadband Doherty Amplifier Using Unified Matching/Combining Networks with an Application to GaN MMIC Design. IEEE Access 2021, 9, 5791–5805. [Google Scholar] [CrossRef]
- Moreno Rubio, J.J.; Fang, J.; Camarchia, V.; Quaglia, R.; Pirola, M.; Ghione, G. 3–3.6 GHz Wideband GaN Doherty Power Amplifier Exploiting Compensation Stages. IEEE Trans. Microw. Theory Techn. 2012, 60, 2543–2548. [Google Scholar] [CrossRef]
- Chen, X.; Chen, W.; Ghannouchi, F.M.; Feng, Z.; Liu, Y. A broadband Doherty power amplifier based on continuous-mode technology. IEEE Trans. Microw. Theory Techn. 2016, 64, 4505–4517. [Google Scholar] [CrossRef]
- Moreno Rubio, J.J.; Quaglia, R.; Baddeley, A.; Tasker, P.J.; Cripps, S.C. Design of a Broadband Power Amplifier Based on Power and Efficiency Contour Estimation. IEEE Microw. Wirel. Compon. Lett. 2020, 30, 772–774. [Google Scholar] [CrossRef]
- Moreno Rubio, J.J.; Angarita Malaver, E.F. The Doherty Power Amplifier: Design strategy. In Proceedings of the 2015 IEEE Thirty Fifth Central American and Panama Convention (CONCAPAN XXXV), Tegucigalpa, Honduras, 11–13 November 2015; pp. 1–5. [Google Scholar] [CrossRef]
- Quaglia, R.; Camarchia, V.; Moreno Rubio, J.J.; Pirola, M.; Ghione, G. A 4-W Doherty Power Amplifier in GaN MMIC Technology for 15-GHz Applications. IEEE Microw. Wirel. Compon. Lett. 2017, 27, 365–367. [Google Scholar] [CrossRef] [Green Version]
- Rubio JJ, M.; Quaglia, R.; Piacibello, A.; Camarchia, V.; Tasker, P.J.; Cripps, S. 3–20-GHz GaN MMIC Power Amplifier Design Through a COUT Compensation Strategy. IEEE Microw. Wirel. Compon. Lett. 2021, 31, 469–472. [Google Scholar] [CrossRef]
- Rubio JJ, M.; Camarchia, V.; Quaglia, R.; Malaver EF, A.; Pirola, M.A. 0.6–3.8 GHz GaN Power Amplifier Designed Through a Simple Strategy. IEEE Microw. Wirel. Compon. Lett. 2016, 26, 446–448. [Google Scholar] [CrossRef] [Green Version]
- Colantonio, P.; Giannini, F.; Limiti, E. High Efficiency RF and Microwave Solid State Power Amplifiers, 1st ed.; Wiley: Chichester, UK, 2009; pp. 49–82, 435–493. [Google Scholar]












| Device | Ref. Freq. | |||||||
|---|---|---|---|---|---|---|---|---|
| CGH40006 | 3 GHz | 0.46 nH | 1.19 pF | 21 Ω | 19.6° | 100.9 Ω | 23.5° | 20 Ω | 
| CG2H40025 | 3 GHz | 0.49 nH | 3.39 pF | 7 Ω | 26.5° | 12.8 Ω | 39.6° | 20 Ω | 
| Publisher’s Note: MDPI stays neutral with regard to jurisdictional claims in published maps and institutional affiliations. | 
© 2022 by the authors. Licensee MDPI, Basel, Switzerland. This article is an open access article distributed under the terms and conditions of the Creative Commons Attribution (CC BY) license (https://creativecommons.org/licenses/by/4.0/).
Share and Cite
Moreno Rubio, J.J.; Angarita Malaver, E.F.; Lara González, L.Á. Wideband Doherty Power Amplifier: A Design Approach. Micromachines 2022, 13, 497. https://doi.org/10.3390/mi13040497
Moreno Rubio JJ, Angarita Malaver EF, Lara González LÁ. Wideband Doherty Power Amplifier: A Design Approach. Micromachines. 2022; 13(4):497. https://doi.org/10.3390/mi13040497
Chicago/Turabian StyleMoreno Rubio, Jorge Julián, Edison Ferney Angarita Malaver, and Luis Ángel Lara González. 2022. "Wideband Doherty Power Amplifier: A Design Approach" Micromachines 13, no. 4: 497. https://doi.org/10.3390/mi13040497
APA StyleMoreno Rubio, J. J., Angarita Malaver, E. F., & Lara González, L. Á. (2022). Wideband Doherty Power Amplifier: A Design Approach. Micromachines, 13(4), 497. https://doi.org/10.3390/mi13040497
 
         
                                                

 
       