A Fast Transient Response Capacitor-Less LDO with Transient Enhancement Technology
Abstract
1. Introduction
2. Proposed CL-LDO Architecture with RIPO and SSFB
2.1. Conventional Topology of LDO
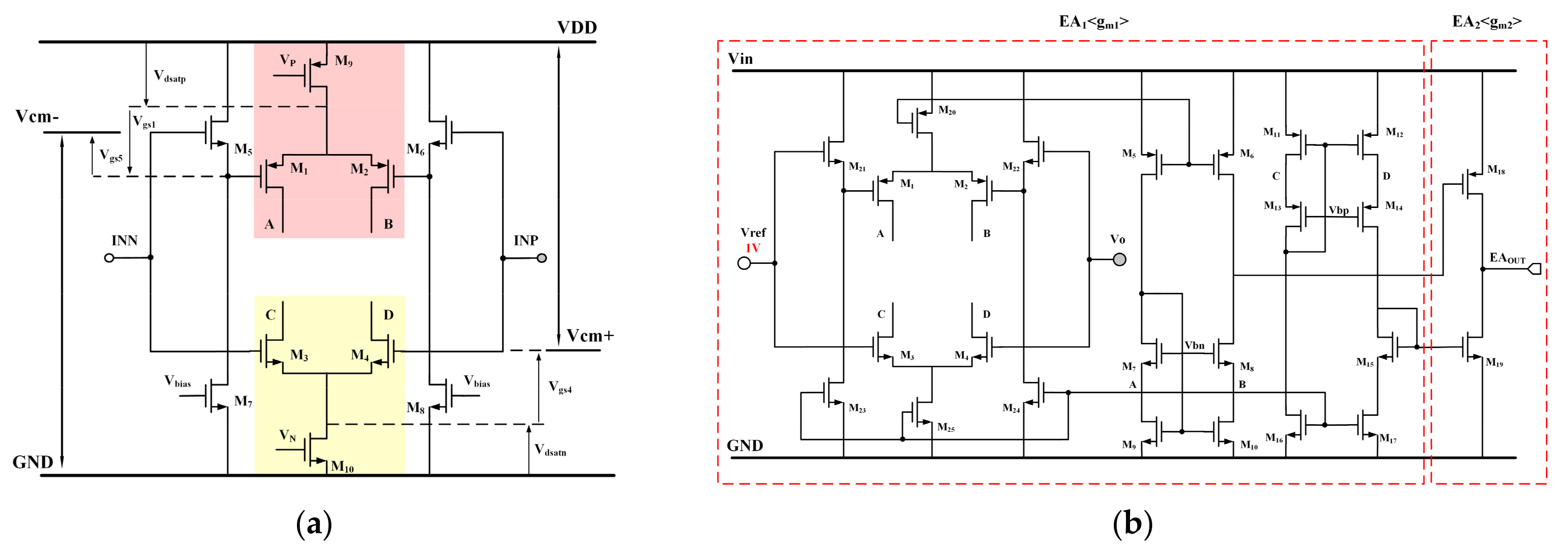
2.2. Proposed RIPO and SSFB
2.3. Stability Analysis
2.4. Transient Response Analysis
3. Simulation Results and Discussion
3.1. Loop Frequency Response
3.2. Load Transient Response and Load Regulation
3.3. Line Transient Response and Line Regulation
3.4. Power-Supply Rejection
3.5. Performance Comparison
4. Conclusions
Author Contributions
Funding
Data Availability Statement
Conflicts of Interest
References
- Ho, E.N.Y.; Mok, P.K.T. A Capacitor-Less CMOS Active Feedback Low-Dropout Regulator with Slew-Rate Enhancement for Portable On-Chip Application. IEEE Trans. Circuits Syst. II Express Briefs 2010, 57, 80–84. [Google Scholar] [CrossRef]
- Lu, Y.; Wang, Y.; Pan, Q.; Ki, W.-H.; Yue, C.P. A Fully-Integrated Low-Dropout Regulator with Full-Spectrum Power Supply Rejection. IEEE Trans. Circuits Syst. I Regul. Pap. 2015, 62, 707–716. [Google Scholar] [CrossRef]
- Patel, A.P.; Rincon-Mora, G.A. High Power-Supply-Rejection (PSR) Current-Mode Low-Dropout (LDO) Regulator. IEEE Trans. Circuits Syst. II Express Briefs 2010, 57, 868–873. [Google Scholar] [CrossRef]
- Lavalle-Aviles, F.; Torres, J.; Sanchez-Sinencio, E. A High Power Supply Rejection and Fast Settling Time Capacitor-Less LDO. IEEE Trans. Power Electron. 2019, 34, 474–484. [Google Scholar] [CrossRef]
- Yadav, B.B.; Mounika, K.; De, K.; Abbas, Z. Low Quiescent Current, Capacitor-Less LDO with Adaptively Biased Power Transistors and Load Aware Feedback Resistance. In Proceedings of the 2020 IEEE International Symposium on Circuits and Systems (ISCAS), Seville, Spain, 12–14 October 2020; pp. 1–5. [Google Scholar]
- Hong, S.W.; Cho, G.H. High-Gain Wide-Bandwidth Capacitor-Less Low-Dropout Regulator (LDO) for Mobile Applications Utilizing Frequency Response of Multiple Feedback Loops. IEEE Trans. Circuits Syst. I Regul. Pap. 2016, 63, 46–57. [Google Scholar] [CrossRef]
- Kim, S.J.; Chang, S.B.; Seok, M. A High PSRR, Low Ripple, Temperature-Compensated, 10-μA-Class Digital LDO Based on Current-Source Power-FETs for a Sub-mW SoC. IEEE Solid-State Circuits Lett. 2021, 4, 88–91. [Google Scholar] [CrossRef]
- Lu, Y.; Ki, W.-H.; Yue, C.P. 17.11 A 0.65ns-response-time 3.01ps FOM fully-integrated low-dropout regulator with full-spectrum power-supply-rejection for wideband communication systems. In Proceedings of the 2014 IEEE International Solid- State Circuits Conference (ISSCC), San Francisco, CA, USA, 9–13 February 2014; pp. 306–307. [Google Scholar]
- Torres, J.; El-Nozahi, M.; Amer, A.; Gopalraju, S.; Abdullah, R.; Entesari, K.; Sanchez-Sinencio, E. Low Drop-Out Voltage Regulators: Capacitor-less Architecture Comparison. IEEE Circuits Syst. Mag. 2014, 14, 6–26. [Google Scholar] [CrossRef]
- Khan, M.; Chowdhury, M.H. Capacitor-less Low-Dropout Regulator (LDO) with Improved PSRR and Enhanced Slew-Rate. In Proceedings of the 2018 IEEE International Symposium on Circuits and Systems (ISCAS), Florence, Italy, 27–30 May 2018; pp. 1–5. [Google Scholar]
- Leo, C.J.; Raja, M.K.; Minkyu, J. An ultra low-power capacitor-less LDO with high PSR. In Proceedings of the 2013 IEEE MTT-S International Microwave Workshop Series on RF and Wireless Technologies for Biomedical and Healthcare Applications (IMWS-BIO), Singapore, 9–11 December 2013; pp. 1–3. [Google Scholar]
- Liu, N.; Chen, D. A Transient-Enhanced Output-Capacitorless LDO with Fast Local Loop and Overshoot Detection. IEEE Trans. Circuits Syst. I Regul. Pap. 2020, 67, 3422–3432. [Google Scholar] [CrossRef]
- Raducan, C.; Grajdeanu, A.-T.; Plesa, C.-S.; Neag, M.; Negoita, A.; Topa, M.D. LDO With Improved Common Gate Class-AB OTA Handles any Load Capacitors and Provides Fast Response to Load Transients. IEEE Trans. Circuits Syst. I Regul. Pap. 2020, 67, 3740–3752. [Google Scholar] [CrossRef]
- Li, G.; Qian, H.; Guo, J.; Mo, B.; Lu, Y.; Chen, D. Dual Active-Feedback Frequency Compensation for Output-Capacitorless LDO with Transient and Stability Enhancement in 65-nm CMOS. IEEE Trans. Power Electron. 2020, 35, 415–429. [Google Scholar] [CrossRef]
- Qu, X.; Zhou, Z.-K.; Zhang, B.; Li, Z.-J. An Ultralow-Power Fast-Transient Capacitor-Free Low-Dropout Regulator with Assistant Push–Pull Output Stage. IEEE Trans. Circuits Syst. II Express Briefs 2013, 60, 96–100. [Google Scholar] [CrossRef]
- Ho, M.; Leung, K.N.; Mak, K.-L. A Low-Power Fast-Transient 90-nm Low-Dropout Regulator with Multiple Small-Gain Stages. IEEE J. Solid-State Circuits 2010, 45, 2466–2475. [Google Scholar] [CrossRef]
- Ameziane, H.; Hassan, Q.; Kamal, Z.; Mohcine, Z. An enhancement transient response of capless LDO with improved dynamic biasing control for SoC applications. In Proceedings of the 2015 27th International Conference on Microelectronics (ICM), Casablanca, Morocco, 20–23 December 2015; pp. 122–125. [Google Scholar]
- Yang, B.; Drost, B.; Rao, S.; Hanumolu, P.K. A high-PSR LDO using a feedforward supply-noise cancellation technique. In Proceedings of the 2011 IEEE Custom Integrated Circuits Conference—CICC, San Jose, CA, USA, 19–21 September 2011; pp. 1–4. [Google Scholar]
- Guo, J.; Leung, K.N. A 6-μW Chip-Area-Efficient Output-Capacitorless LDO in 90-nm CMOS Technology. IEEE J. Solid-State Circuits 2010, 45, 1896–1905. [Google Scholar] [CrossRef]
- Cai, G.; Lu, Y.; Zhan, C.; Martins, R.P. A Fully Integrated FVF LDO with Enhanced Full-Spectrum Power Supply Rejection. IEEE Trans. Power Electron. 2021, 36, 4326–4337. [Google Scholar] [CrossRef]
- Lim, Y.; Lee, J.; Lee, Y.; Song, S.-S.; Kim, H.-T.; Lee, O.; Choi, J. An External Capacitor-Less Ultralow-Dropout Regulator Using a Loop-Gain Stabilizing Technique for High Power-Supply Rejection Over a Wide Range of Load Current. IEEE Trans. Very Large Scale Integr. (VLSI) Syst. 2017, 25, 3006–3018. [Google Scholar] [CrossRef]
- Desai, C.; Mandal, D.; Bakkaloglu, B.; Kiaei, S. A 1.66 mV FOM Output Cap-Less LDO with Current-Reused Dynamic Biasing and 20 ns Settling Time. IEEE Solid-State Circuits Lett. 2018, 1, 50–53. [Google Scholar] [CrossRef]
- Ming, X.; Kuang, J.-J.; Gong, X.-C.; Lin, Z.; Xiong, J.; Qin, Y.; Wang, Z.; Zhang, B. A Fast-Transient Capacitorless LDO with Dual Paths Active-Frequency Compensation Scheme. IEEE Trans. Power Electron. 2022, 37, 10332–10347. [Google Scholar] [CrossRef]











| Reference | [21] | [22] | [14] | [23] | This Work |
|---|---|---|---|---|---|
| Year | 2017 | 2018 | 2020 | 2022 | 2023 |
| Process | 40 nm | 130 nm | 65 nm | 350 nm | 180 nm |
| VIN [V] | 1.1 | 1–1.4 | 0.95–1.2 | 2.7–3.3 | 1.2–1.8 |
| VOUT [V] | 1 | 0.8 | 0.8 | 2.5 | 1 |
| ILoad,max [mA] | 200 | 40 | 100 | 100 | 20 |
| ILoad,min [mA] | 0 | 9 | 0 | 0.1 | 0 |
| CL [pF] | 0–100 | 0–50 | 0–100 | 0–100 | 0–100 |
| IQ [µA] | 275 | 200 | 14 | 66 | 47 |
| ΔVOUT [V] | 0.12 | 0.036 | 0.23 | 0.255 | 0.15 |
| Line Reg [mV/V] | 0.75 | 0.857 | 12 | 0.8 | 1.5 |
| Load Reg [µV/mA] | 19 | 248 | 90 | 60 | 25 |
| Tedge [ns] | 100 | 100 | 220 | 400 | 100 |
| Tsettle [µs] | 0.8 | 0.04 | 3.2 | 1.2 | 0.5 |
| FOM1 [ns·V/µm2] | 10.65 | 0.62 | 1.67 | 0.63 | 1.09 |
Disclaimer/Publisher’s Note: The statements, opinions and data contained in all publications are solely those of the individual author(s) and contributor(s) and not of MDPI and/or the editor(s). MDPI and/or the editor(s) disclaim responsibility for any injury to people or property resulting from any ideas, methods, instructions or products referred to in the content. |
© 2024 by the authors. Licensee MDPI, Basel, Switzerland. This article is an open access article distributed under the terms and conditions of the Creative Commons Attribution (CC BY) license (https://creativecommons.org/licenses/by/4.0/).
Share and Cite
Chen, C.; Sun, M.; Wang, L.; Huang, T.; Xu, M. A Fast Transient Response Capacitor-Less LDO with Transient Enhancement Technology. Micromachines 2024, 15, 299. https://doi.org/10.3390/mi15030299
Chen C, Sun M, Wang L, Huang T, Xu M. A Fast Transient Response Capacitor-Less LDO with Transient Enhancement Technology. Micromachines. 2024; 15(3):299. https://doi.org/10.3390/mi15030299
Chicago/Turabian StyleChen, Chufan, Mengyuan Sun, Leiyi Wang, Teng Huang, and Min Xu. 2024. "A Fast Transient Response Capacitor-Less LDO with Transient Enhancement Technology" Micromachines 15, no. 3: 299. https://doi.org/10.3390/mi15030299
APA StyleChen, C., Sun, M., Wang, L., Huang, T., & Xu, M. (2024). A Fast Transient Response Capacitor-Less LDO with Transient Enhancement Technology. Micromachines, 15(3), 299. https://doi.org/10.3390/mi15030299
