Kinetics of Sphalerite Leaching by MnO2-KI Oxidation System in Sulfuric Acid
Abstract
1. Introduction
- Assess the effectiveness of the MnO2-KI system in enhancing zinc extraction compared to traditional oxidizing agents used in acid leaching processes.
- Investigate the impact of operational parameters, such as temperature and KI dose, on the leaching efficiency and kinetics.
- Determine the kinetic control mechanism of the leaching process and calculate the activation energy to elucidate the underlying reactions.
2. Materials and Methods
2.1. Structural Characterization
2.2. Leaching Experiments
3. Results and Discussion
3.1. Material Characterization
3.1.1. Optical Microscopy
3.1.2. XRD Analysis
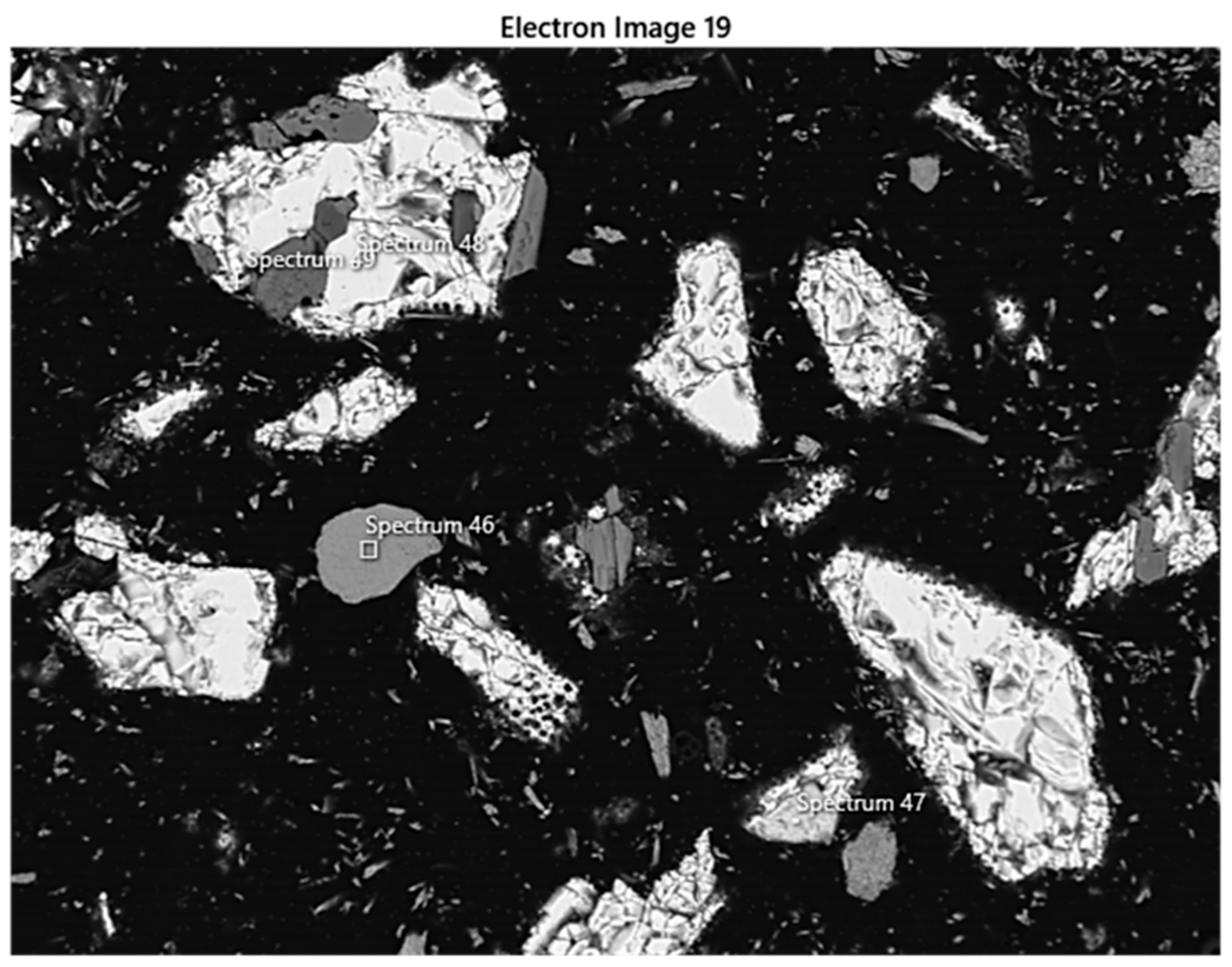
3.1.3. Field Emission SEM
3.2. Leaching Results
3.2.1. Leaching with MnO2
3.2.2. Leaching in System with MnO2 and KI
Impact of Temperature on Leaching Degree
Impact of KI Concentration on Leaching Efficiency
- Either it captures readily present sulfur on the sphalerite particle surface leading to the formation of thionate ion species, Equation (6):SO2(aq) + H2O(l) + S(s) → H+(aq) + HS2O3(aq)−
- Also, sulfurous acid (SO2(aq)) may be oxidized to the S(V) oxidation state with manganese (IV) oxide, reaction (8) [37]:2MnO2(s) + 3SO2(aq) → MnS2O6(aq) + MnSO4(aq)
3.3. Leaching Kinetics
4. Conclusions
Supplementary Materials
Author Contributions
Funding
Data Availability Statement
Conflicts of Interest
References
- Kania, H.; Saternus, M. Evaluation and Current State of Primary and Secondary Zinc Production—A Review. Appl. Sci. 2023, 13, 2003. [Google Scholar] [CrossRef]
- Sokić, M.D.; Bugarčić, M.; Jovanović, A.A. Sphalerite Leaching in Acid Media: A Review. Metall. Mater. Data 2023, 1, 33–43. [Google Scholar] [CrossRef]
- Aydogan, S. Dissolution Kinetics of Sphalerite with Hydrogen Peroxide in Sulphuric Acid Medium. Chem. Eng. J. 2006, 123, 65–70. [Google Scholar] [CrossRef]
- Mahajan, V.; Misra, M.; Zhong, K.; Fuerstenau, M.C. Enhanced Leaching of Copper from Chalcopyrite in Hydrogen Peroxide–Glycol System. Min. Eng. 2007, 20, 670–674. [Google Scholar] [CrossRef]
- Kartal, M.; Xia, F.; Ralph, D.; Rickard, W.D.A.; Renard, F.; Li, W. Enhancing Chalcopyrite Leaching by Tetrachloroethylene-Assisted Removal of Sulphur Passivation and the Mechanism of Jarosite Formation. Hydrometallurgy 2020, 191, 105192. [Google Scholar] [CrossRef]
- Fan, Y.; Liu, Y.; Niu, L.; Jing, T.; Zhang, T. Separation and Purification of Elemental Sulfur from Sphalerite Concentrate Direct Leaching Residue by Liquid Paraffin. Hydrometallurgy 2019, 186, 162–169. [Google Scholar] [CrossRef]
- Tian, L.; Zhang, T.A.; Liu, Y.; Lv, G.Z.; Tang, J.J. Oxidative Acid Leaching of Mechanically Activated Sphalerite. Can. Metall. Q. 2018, 57, 59–69. [Google Scholar] [CrossRef]
- Al-Harahsheh, M.; Kingman, S. The Influence of Microwaves on the Leaching of Sphalerite in Ferric Chloride. Chem. Eng. Process. Intensif. 2007, 46, 883–888. [Google Scholar] [CrossRef]
- Aydogan, S.; Aras, A.; Canbazoglu, M. Dissolution Kinetics of Sphalerite in Acidic Ferric Chloride Leaching. Chem. Eng. J. 2005, 114, 67–72. [Google Scholar] [CrossRef]
- Lampinen, M.; Laari, A.; Turunen, I. Kinetic Model for Direct Leaching of Zinc Sulfide Concentrates at High Slurry and Solute Concentration. Hydrometallurgy 2015, 153, 160–169. [Google Scholar] [CrossRef]
- Lorenzo-Tallafigo, J.; Iglesias-Gonzalez, N.; Romero, R.; Mazuelos, A.; Carranza, F. Ferric Leaching of the Sphalerite Contained in a Bulk Concentrate: Kinetic Study. Min. Eng. 2018, 125, 50–59. [Google Scholar] [CrossRef]
- Nikkhou, F.; Xia, F.; Deditius, A.P. Variable Surface Passivation during Direct Leaching of Sphalerite by Ferric Sulfate, Ferric Chloride, and Ferric Nitrate in a Citrate Medium. Hydrometallurgy 2019, 188, 201–215. [Google Scholar] [CrossRef]
- Nikkhou, F.; Xia, F.; Deditius, A.P.; Yao, X. Formation Mechanisms of Surface Passivating Phases and Their Impact on the Kinetics of Galena Leaching in Ferric Chloride, Ferric Perchlorate, and Ferric Nitrate Solutions. Hydrometallurgy 2020, 197, 105468. [Google Scholar] [CrossRef]
- Bakhti, A.; Moghimi, H.; Bozorg, A.; Stankovic, S.; Manafi, Z.; Schippers, A. Comparison of Bioleaching of a Sulfidic Copper Ore (Chalcopyrite) in Column Percolators and in Stirred-Tank Bioreactors Including Microbial Community Analysis. Chemosphere 2024, 349, 140945. [Google Scholar] [CrossRef] [PubMed]
- Babu, M.N.; Sahu, K.K.; Pandey, B.D. Zinc Recovery from Sphalerite Concentrate by Direct Oxidative Leaching with Ammonium, Sodium and Potassium Persulphates. Hydrometallurgy 2002, 64, 119–129. [Google Scholar] [CrossRef]
- Sahu, S.K.; Sahu, K.K.; Pandey, B.D. Leaching of Zinc Sulfide Concentrate from the Ganesh-Himal Deposit of Nepal. Metall. Mater. Trans. B 2006, 37, 541–549. [Google Scholar] [CrossRef]
- Zhukov, V.V.; Laari, A.; Lampinen, M.; Koiranen, T. A Mechanistic Kinetic Model for Direct Pressure Leaching of Iron Containing Sphalerite Concentrate. Chem. Eng. Res. Des. 2017, 118, 131–141. [Google Scholar] [CrossRef]
- Duoqiang, L.; Jikun, W.; Yunhua, W.; Huaiwei, Z. Catalytic Role of Manganese in Autoclave Oxidation of Germanium-Rich Sphalerite Concentrates. Can. J. Chem. Eng. 2009, 87, 106–109. [Google Scholar] [CrossRef]
- Li, C.; Wei, C.; Xu, H.S.; Li, M.; Li, X.; Deng, Z.; Fan, G. Oxidative Pressure Leaching of Sphalerite Concentrate with High Indium and Iron Content in Sulfuric Acid Medium. Hydrometallurgy 2010, 102, 91–94. [Google Scholar] [CrossRef]
- Jovanović, G.; Bugarčić, M.; Petronijević, N.; Stopic, S.R.; Friedrich, B.; Marković, B.; Stanković, S.; Sokić, M. A Multifocal Study Investigation of Pyrolyzed Printed Circuit Board Leaching. Metals 2022, 12, 2021. [Google Scholar] [CrossRef]
- Min, X.B.; Xie, X.D.; Chai, L.Y.; Liang, Y.J.; Li, M.; Ke, Y. Environmental Availability and Ecological Risk Assessment of Heavy Metals in Zinc Leaching Residue. Trans. Nonferrous Met. Soc. China 2013, 23, 208–218. [Google Scholar] [CrossRef]
- Ismael, M.R.C.; Carvalho, J.M.R. Iron Recovery from Sulphate Leach Liquors in Zinc Hydrometallurgy. Min. Eng. 2003, 16, 31–39. [Google Scholar] [CrossRef]
- Jorjani, E.; Ghahreman, A. Challenges with Elemental Sulfur Removal during the Leaching of Copper and Zinc Sulfides, and from the Residues; a Review. Hydrometallurgy 2017, 171, 333–343. [Google Scholar] [CrossRef]
- Tian, L.; Gong, A.; Wu, X.G.; Xu, Z.F.; Zhang, T.A.; Liu, Y.; Wei, K.X.; Yu, Z.L. Oxygen Pressure Acid Leaching of Artificial Sphalerite Catalyzed by Fe3+/Fe2+ Self-Precipitation. J. Cent. South Univ. 2020, 27, 1703–1713. [Google Scholar] [CrossRef]
- Parker, A.J.; Paul, R.L.; Power, G.P. Electrochemical Aspects of Leaching Copper from Chalcopyrite in Ferric and Cupric Salt Solutions. Aust. J. Chem. 1981, 34, 13–34. [Google Scholar] [CrossRef]
- Toro, N.; Pérez, K.; Saldaña, M.; Jeldres, R.I.; Jeldres, M.; Cánovas, M. Dissolution of Pure Chalcopyrite with Manganese Nodules and Waste Water. J. Mater. Res. Technol. 2020, 9, 798–805. [Google Scholar] [CrossRef]
- Li, L.; Soleymani, M.; Ghahreman, A. New Insights on the Role of Lattice-Substituted Silver in Catalytic Oxidation of Chalcopyrite. Electrochim Acta 2021, 369, 137652. [Google Scholar] [CrossRef]
- Jha, M.K.; Kumar, V.; Singh, R.J. Review of Hydrometallurgical Recovery of Zinc from Industrial Wastes. Resour. Conserv. Recycl. 2001, 33, 1–22. [Google Scholar] [CrossRef]
- Sharp, J.H.; Brindley, G.W.; Achar, B.N.N. Numerical Data for Some Commonly Used Solid State Reaction Equations. J. Am. Ceram. Soc. 1966, 49, 379–382. [Google Scholar] [CrossRef]
- Sokić, M.D.; Marković, B.; Živković, D. Kinetics of Chalcopyrite Leaching by Sodium Nitrate in Sulphuric Acid. Hydrometallurgy 2009, 95, 273–279. [Google Scholar] [CrossRef]
- Sokić, M.; Marković, B.; Matković, V.; Živković, D.; Štrbac, N.; Stojanović, J. Kinetics and Mechanism of Sphalerite Leaching by Sodium Nitrate in Sulphuric Acid Solution. J. Min. Metall. Sect. B Metall. 2012, 48, 185–195. [Google Scholar] [CrossRef]
- Sokić, M.; Marković, B.; Stanković, S.; Kamberović, Ž.; Štrbac, N.; Manojlović, V.; Petronijević, N. Kinetics of Chalcopyrite Leaching by Hydrogen Peroxide in Sulfuric Acid. Metals 2019, 9, 1173. [Google Scholar] [CrossRef]
- Ramette, R.W.; Sandford, R.W. Thermodynamics of Iodine Solubility and Triiodide Ion Formation in Water and in Deuterium Oxide. J. Am. Chem. Soc. 1955, 77, 1068. [Google Scholar] [CrossRef]
- Winarko, R.; Dreisinger, D.B.; Miura, A.; Fukano, Y.; Liu, W. Iodine-Assisted Chalcopyrite Leaching in Ferric Sulfate Media: Kinetic Study under Fully Controlled Redox Potential and PH. Hydrometallurgy 2022, 208, 105797. [Google Scholar] [CrossRef]
- Chanda, M.; Rempel, G.L. Catalysed Air Oxidation of Thiosulfate and Tetrathionate for Pollution Abatement. Appl. Catal. 1985, 19, 33–48. [Google Scholar] [CrossRef]
- Druschel, G.K.; Hamers, R.J.; Banfield, J.F. Kinetics and Mechanism of Polythionate Oxidation to Sulfate at Low PH by O2 and Fe3+. Geochim Cosmochim Acta 2003, 67, 4457–4469. [Google Scholar] [CrossRef]
- Qu, B.; Deng, L.; Deng, B.; He, K.; Liao, B.; Su, S. Oxidation Kinetics of Dithionate Compound in the Leaching Process of Manganese Dioxide with Manganese Dithionate. React. Kinet. Mech. Catal. 2018, 123, 743–755. [Google Scholar] [CrossRef]
- Picazo-Rodríguez, N.G.; Soria-Aguilar, M.D.J.; Martínez-Luévanos, A.; Almaguer-Guzmán, I.; Chaidez-Félix, J.; Carrillo-Pedroza, F.R. Direct Acid Leaching of Sphalerite: An Approach Comparative and Kinetics Analysis. Minerals 2020, 10, 359. [Google Scholar] [CrossRef]
- Weisener, C.G.; Smart, R.S.C.; Gerson, A.R. A Comparison of the Kinetics and Mechanism of Acid Leaching of Sphalerite Containing Low and High Concentrations of Iron. Int. J. Min. Process. 2004, 74, 239–249. [Google Scholar] [CrossRef]
- Weisener, C.G.; Smart, R.S.C.; Gerson, A.R. Kinetics and Mechanisms of the Leaching of Low Fe Sphalerite. Geochim Cosmochim Acta 2003, 67, 823–830. [Google Scholar] [CrossRef]
- Debernardi, G.; Carlesi, C. Chemical-Electrochemical Approaches to the Study Passivation of Chalcopyrite. Miner. Process. Extr. Metall. Rev. 2013, 34, 10–41. [Google Scholar] [CrossRef]
- Hackl, R.P.; Dreisinger, D.B.; Peters, E.; King, J.A. Passivation of Chalcopyrite during Oxidative Leaching in Sulfate Media. Hydrometallurgy 1995, 39, 25–48. [Google Scholar] [CrossRef]
- Peng, P.; Xie, H.; Lu, L. Leaching of a Sphalerite Concentrate with H2SO4–HNO3 Solutions in the Presence of C2Cl4. Hydrometallurgy 2005, 80, 265–271. [Google Scholar] [CrossRef]
- Karimi, S.; Rashchi, F.; Moghaddam, J. Parameters Optimization and Kinetics of Direct Atmospheric Leaching of Angouran Sphalerite. Int. J. Min. Process. 2017, 162, 58–68. [Google Scholar] [CrossRef]
- Santos, S.M.C.; Machado, R.M.; Correia, M.J.N.; Reis, M.T.A.; Ismael, M.R.C.; Carvalho, J.M.R. Ferric Sulphate/Chloride Leaching of Zinc and Minor Elements from a Sphalerite Concentrate. Min. Eng. 2010, 23, 606–615. [Google Scholar] [CrossRef]

















| Element | Zn | Cu | Fe | As | Cd | Pb | S |
|---|---|---|---|---|---|---|---|
| (wt.%) | 46.91 | 0.806 | 6.77 | 1.8 × 10−4 | 0.338 | 0.287 | 27.87 |
| Element | Spectrum 35 (Sphalerite) | Spectrum 36 (Pyrolusite) | ||
|---|---|---|---|---|
| Weight% | Atomic% | Weight% | Atomic% | |
| O | - | - | 29.90 | 59.43 |
| S | 33.58 | 50.05 | - | - |
| Mn | 0.80 | 0.69 | 70.10 | 40.57 |
| Fe | 11.41 | 9.77 | - | - |
| Zn | 53.73 | 39.29 | - | - |
| Cd | 0.48 | 0.20 | - | - |
| Total | 100.00 | 100.00 | 100.00 | 100.00 |
| Element | Spectrum 46 (Pyrolusite) | Spectrum 47 (Marcasite) | Spectrum 48 (Sphalerite) | Spectrum 49 (Chalcopyrite) | ||||
|---|---|---|---|---|---|---|---|---|
| Weight% | Atomic% | Weight% | Weight% | Weight% | Atomic% | Weight% | Atomic% | |
| O | 30.55 | 60.11 | - | - | - | - | - | - |
| S | 0.23 | 0.23 | 39.86 | 53.58 | 33.42 | 49.88 | 34.79 | 49.86 |
| Mn | 69.21 | 39.66 | 0.50 | 0.39 | 0.68 | 0.60 | 0.67 | 0.56 |
| Fe | - | - | 59.65 | 46.03 | 11.26 | 9.65 | 29.46 | 24.24 |
| Cu | - | - | - | - | - | - | 33.11 | 23.95 |
| Zn | - | - | - | - | 54.22 | 39.69 | 1.97 | 1.38 |
| Cd | - | - | - | - | 0.42 | 0.18 | - | - |
| Total | 100.00 | 100.00 | 100.00 | 100.00 | 100.00 | 100.00 | 100.00 | 100.00 |
| Solution | Temperature, °C | Leaching Rate, % | Process That Determines the Reaction Rate | Bibliography |
|---|---|---|---|---|
| H2SO4–HNO3 | 45–85 | 70.1–99.6 | diffusion control | [43] |
| H2SO4–Fe2(SO4)3 | 70–110 | 87.3–89.1 | chemical control | [10] |
| H2SO4–(NH4)2S2O8 | 30–70 | 44.2–96.1 | diffusion control | [15] |
| H2SO4–Fe2(SO4)3 | 40–80 | 22.06–89.76 | mixed control | [44] |
| diffusion control | ||||
| H2SO4–Fe2(SO4)3-NaCl | 20–95 | 23.8–95.1 | chemical control | [45] |
| mixed control | ||||
| H2SO4–MnO2–KI | 40–80 | 67.53–89.73 | diffusion control | Current study |
| Case | Chemical | Chemical Price $/t | Required/Obtained Amount, t/t ** | Total Cost/Benefit, USD/t |
|---|---|---|---|---|
| I | (NH4)2S2O8 | 680 | 6.549 | 4453 |
| II | Fe2(SO4)3 | 370 | 11.48 | 4248 |
| III | MnO2 | 535 | 3.327 | 1870 |
| KI | 3000 | 0.030 | ||
| I | (NH4)2SO4 | 135 | 3.792 | 1715 |
| Zn | 2713 | 0.4508 | ||
| II | FeSO4 × 7H2O | 95 | 15.96 | 2649 |
| Zn | 2713 | 0.4456 | ||
| III | MnSO4 × H2O | 400 | 4.851 | 2885 |
| Zn | 2713 | 0.4212 |
Disclaimer/Publisher’s Note: The statements, opinions and data contained in all publications are solely those of the individual author(s) and contributor(s) and not of MDPI and/or the editor(s). MDPI and/or the editor(s) disclaim responsibility for any injury to people or property resulting from any ideas, methods, instructions or products referred to in the content. |
© 2025 by the authors. Licensee MDPI, Basel, Switzerland. This article is an open access article distributed under the terms and conditions of the Creative Commons Attribution (CC BY) license (https://creativecommons.org/licenses/by/4.0/).
Share and Cite
Bugarčić, M.; Jovanović, A.; Anđić, D.; Jelić, I.; Miletić, M.; Marković, B.; Sokić, M. Kinetics of Sphalerite Leaching by MnO2-KI Oxidation System in Sulfuric Acid. Metals 2025, 15, 50. https://doi.org/10.3390/met15010050
Bugarčić M, Jovanović A, Anđić D, Jelić I, Miletić M, Marković B, Sokić M. Kinetics of Sphalerite Leaching by MnO2-KI Oxidation System in Sulfuric Acid. Metals. 2025; 15(1):50. https://doi.org/10.3390/met15010050
Chicago/Turabian StyleBugarčić, Mladen, Aleksandar Jovanović, Dimitrije Anđić, Ivana Jelić, Milica Miletić, Branislav Marković, and Miroslav Sokić. 2025. "Kinetics of Sphalerite Leaching by MnO2-KI Oxidation System in Sulfuric Acid" Metals 15, no. 1: 50. https://doi.org/10.3390/met15010050
APA StyleBugarčić, M., Jovanović, A., Anđić, D., Jelić, I., Miletić, M., Marković, B., & Sokić, M. (2025). Kinetics of Sphalerite Leaching by MnO2-KI Oxidation System in Sulfuric Acid. Metals, 15(1), 50. https://doi.org/10.3390/met15010050

