Rotating Bending Fatigue Microscopic Fracture Characteristics and Life Prediction of 7075-T7351 Al Alloy
Abstract
:1. Introduction
2. Materials and Methods
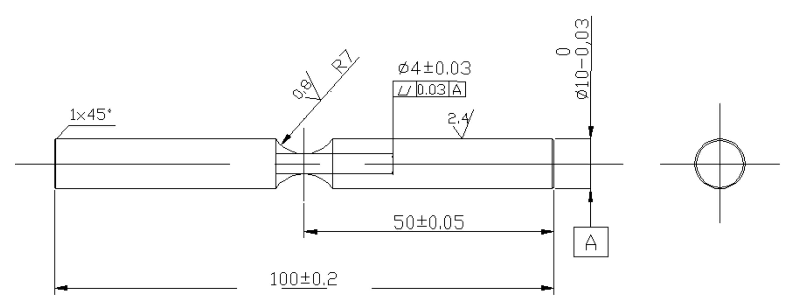
2.1. Material
2.2. Mechanical Testing
2.3. Three-Parameter Weibull Distribution Function
3. Discussion
3.1. Fractography Analysis
3.2. Scattering Analysis of Fatigue Data
3.3. Fatigue Life Prediction and Reliability Analysis
4. Conclusions
- The relation between the stress intensity factor ΔK and the fatigue life Nf presents a monotone decreasing rule, and their empirical formula is obtained.
- For the same stress amplitude, the scattering degree of the fatigue data is caused primarily by the number of fatigue crack initiation sites and the fatigue crack propagation area fraction.
- The characteristic life under some stress amplitude for a small sample (such as n = 3) can be predicted effectively based on the parameter m calculated from the large sample (such as n = 8) under just 1–2 stress amplitudes, which can greatly decrease the number of test samples.
Acknowledgments
Author Contributions
Conflicts of Interest
Abbreviation
| b | scale parameter in Weibull distribution function |
| predication value of characteristic life | |
| c | location parameter in Weibull distribution function |
| d, L | the geometry parameters of sample |
| F(x) | Weibull distribution function |
| g | the acceleration of gravity (9.8 m/s2) |
| h | coating thickness |
| ΔK | stress intensity factor (MPa·m1/2) |
| m | shape parameter in Weibull distribution function |
| n | experimental number |
| Nf | cyclic numbers of failure |
| α | stress concentration factor (1.08) |
| σ | engineering stress amplitude (MPa) |
| R | stress ratio |
| Ra | surface roughness |
References
- Yerokhin, A.L.; Nie, X.; Leyland, A.; Matthews, A.; Dowey, S.J. Plasma electrolysis for surface engineering-Review. Surf. Coat. Technol. 1999, 122, 73–93. [Google Scholar] [CrossRef]
- Lonyuk, B.; Apachitei, I.; Duszcyk, J. The effect of oxide coatings on fatigue properties of 7475-T6 aluminium alloy. Surf. Coat. Technol. 2007, 201, 8688–8694. [Google Scholar] [CrossRef]
- Wang, X.S.; Guo, X.W.; Li, X.D.; Ge, D.Y. Improvement on the fatigue performance of 2024-T4 alloy by synergistic coating technology. Materials 2014, 7, 3533–3546. [Google Scholar] [CrossRef] [PubMed]
- Wang, X.S.; Li, X.D.; Yang, H.H.; Kawagoishi, N.; Pan, P. Environment-induced fatigue cracking behavior of aluminum alloys and modification methods. Corros. Rev. 2015, 33, 119–137. [Google Scholar] [CrossRef]
- Yang, H.H.; Wang, X.S.; Wang, Y.M.; Wang, Y.L.; Zhang, Z.H. Microarc oxidation coating combined with surface pore-sealing treatment enhances corrosion fatigue performance of 7075-t7351 al alloy in different media. Materials 2017, 10, 609. [Google Scholar] [CrossRef] [PubMed]
- Takahashi, H.; Kasahara, K.; Fujiwara, K.; Seo, M. The cathodic polarization of aluminum covered with anodic oxide-films in a neutral borate solution—I. The mechanism of rectification. Corros. Sci. 1994, 36, 677–688. [Google Scholar] [CrossRef]
- Wasekar, N.P.; Jyothirmayi, A.; Sundarajian, G. Influence of pre-corrosion on the high cycle fatigue behavior of microarc oxidation coated 6061-T6 aluminum alloy. Int. J. Fatigue 2011, 33, 1268–1276. [Google Scholar] [CrossRef]
- Ishihara, S.; Saka, S.; Nan, Z.Y.; Goshima, T.; Sunada, S. Prediction of corrosion fatigue lives of aluminum alloy on the basis of corrosion pit growth law. Fatigue Fract. Eng. Mater. Struct. 2006, 29, 472–480. [Google Scholar] [CrossRef]
- Li, X.D.; Wang, X.S.; Ren, H.H.; Chen, Y.L.; Mu, Z.T. Effect of prior corrosion state on the fatigue small cracking behavior of 6151-T6 aluminum alloy. Corros. Sci. 2012, 55, 26–33. [Google Scholar] [CrossRef]
- Wang, R. A fracture model of corrosion fatigue crack propagation of aluminum alloys based on the materials elements fracture ahead of a crack tip. Int. J. Fatigue 2008, 30, 1376–1386. [Google Scholar] [CrossRef]
- Yang, H.H.; Wang, Y.L.; Wang, X.S.; Pan, P.; Jia, D.W. Synergistic effect of environmental media and stress on the fatigue fracture behaviour of aluminium alloys. Fatigue Fract. Eng. Mater. Struct. 2016, 39, 1309–1316. [Google Scholar] [CrossRef]
- Yang, H.H.; Wang, Y.L.; Wang, X.S.; Pan, P.; Jia, D.W. The Effects of Corrosive Media on Fatigue Performance of Structural Aluminum Alloys. Metals 2016, 6, 160. [Google Scholar] [CrossRef]
- Na, K.H.; Pyun, S.I. Comparison of susceptibility to pitting corrosion of AA2024-T4, AA7075-T651 and AA7475-T761 aluminium alloys in neutral chloride solutions using electrochemical noise analysis. Corros. Sci. 2007, 50, 248–258. [Google Scholar] [CrossRef]
- Jones, K.; Hoeppner, D.W. Prior corrosion and fatigue of 2024-T3 aluminum alloy. Corros. Sci. 2006, 48, 3109–3122. [Google Scholar] [CrossRef]
- Wang, Q.Y.; Kawagoishi, N.; Chen, Q. Fatigue and fracture behaviour of structural Al alloys up to very long life regimes. Int. J. Fatigue 2006, 28, 1572–1576. [Google Scholar] [CrossRef]
- Weibull, W. A statistical distribution function of wide applicability. J. Appl. Mech. 1951, 18, 293–297. [Google Scholar]
- Wang, Y.M.; Lei, T.Q.; Jiang, B.L.; Guo, L.X. Growth, microstructure and mechanical properties of microarc oxidation coatings on titanium alloy in phosphate-containing solution. Appl. Surf. Sci. 2004, 233, 258–267. [Google Scholar] [CrossRef]
- Wang, Y.M.; Tian, H.; Shen, X.E.; Wen, L.; Ouyang, J.H.; Zhou, Y.; Jia, D.C.; Guo, L.X. An elevated temperature infrared emissivity ceramic coating formed on 2024 aluminium alloy by microarc oxidation. Ceram. Int. 2013, 39, 2869–2875. [Google Scholar] [CrossRef]
- Qian, G.A.; Zhou, C.F.; Hong, Y.S. A model to predict S-N curves for surface and subsurface crack initiation in different environmental media. Int. J. Fatigue 2015, 71, 35–44. [Google Scholar] [CrossRef]
- ASTM. Standard Practice for Presentation of Constant Amplitude Fatigue Test Results for Metallic Materials Annual Book of ASTM Standards USA; ASTM: West Conshohocken, PA, USA, 2004; ASTM E468-90. [Google Scholar]
- Mohammad, M.; Abdullah, S.; Jamaludin, N.; Innayatullah, O. Predicting the fatigue life of the SAE 1045 steel using an empirical Weibull-based model associated to acoustic emission parameters. Mater. Des. 2014, 54, 1039–1048. [Google Scholar] [CrossRef]
- Zheng, R.Y.; Yan, J.S. New estimation method of three-parameter Weibull distribution. J. Mech. Strength 2002, 24, 599–601. [Google Scholar]
- Murakami, Y.; Endo, M. Effects of defects, inclusions and inhomogeneities on fatigue strength. Int. J. Fatigue 1994, 16, 163–182. [Google Scholar] [CrossRef]
- Wang, X.S.; Li, Y.Q. Characterization of the fatigue surface microcrack growth in vicinal inclusion for powder metallurgy alloys. Acta Mech. Solida Sin. 2003, 16, 327–333. [Google Scholar]
- Wang, X.S.; Liang, F.; Zeng, Y.P.; Xie, X.S. SEM in-situ observations to investigate the effects of inclusions on the low cyclic fatigue crack initiation and propagation of super strength steel. Acta Metall. Sin. 2005, 41, 1272–1276. [Google Scholar]
- Wang, X.S.; Zhang, L.; Xie, X.S. An experimental investigation of the fatigue microcrack initiation and growth in surface inclusion for P/M Rene95 alloy. Int. J. Miner. Metall. Mater. 2006, 13, 244–249. [Google Scholar]
- Paris, P.C.; Erdogan, F. A critical analysis of crack propagation laws. J. Basic Microbiol. 1963, 85, 528–533. [Google Scholar] [CrossRef]
- Wang, Y.L.; Wang, X.S.; Wu, S.C.; Yang, H.H.; Zhang, Z.H. High-Cycle Microscopic Severe Corrosion Fatigue Behavior and Life Prediction of 25CrMo Steel Used in Railway Axles. Metals 2017, 7, 134. [Google Scholar] [CrossRef]
- Goranson, U.G. Elements of structural integrity assurance. Int. J. Fatigue 1994, 16, 43–65. [Google Scholar] [CrossRef]
- Tiryakioğlu, M. On the Relationship between Statistical Distributions of Defect Size and Fatigue Life in 7050-T7451 Thick Plate and A356-T6 Castings. Mater. Sci. Eng. A 2009, 520, 114–120. [Google Scholar] [CrossRef]
- Gao, Z.T. Statistics in Fatigue Application; National Defense Industry Press: Beijing, China, 1986; pp. 57–72. [Google Scholar]












| Material | E (GPa) | µ | HRB | Residual Stress (MPa) | σ0.2 (MPa) | σb (MPa) | δ (%) |
|---|---|---|---|---|---|---|---|
| Uncoated 7075-T7351 | 70.5 | 0.30 | 94.9 | 0 | 465 | 528 | 14.6 |
| Coated (h = 10 μm) 7075-T7351 | 253 | 0.24 | 88.7 | −198 (±11) |
| Testing Stress | No. 1 | No. 2 | No. 3 | No. 4 | No. 5 | No. 6 | No. 7 | No. 8 |
|---|---|---|---|---|---|---|---|---|
| ×105 | ×105 | ×105 | ×105 | ×105 | ×105 | ×105 | ×105 | |
| 113.3 MPa | 0.051 (deleted) | 2.381 | 2.897 | 4.210 | 5.808 | 7.552 | 8.126 | 189.429 (deleted) |
| 133.3 MPa | 0.043 (deleted) | 1.239 | 2.294 | 2.710 | 3.100 | 4.656 | 6.885 | 8.749 |
| 166.7 MPa | 0.616 | 0.748 | 0.891 | 0.896 | 1.180 | 1.432 | 1.869 | 2.081 |
| 181.6 MPa | 0.115 | 0.289 | 0.322 | 0.522 | 0.699 | 0.802 | 1.212 | 1.667 |
| 204.0 MPa | 0.167 | 0.216 | 0.245 | 0.305 | 0.422 | 0.575 | 0.596 | 0.609 |
| Testing Stress | m | b (×105) | Characteristic Life (×105) | Arithmetic Mean Life (×105) | Prediction Life by Lognormal Distribution (F(x) = 50%) (×105) |
|---|---|---|---|---|---|
| 113.3 MPa | 1.03 | 5.879 | 5.177 | 5.162 | 4.668 |
| 133.3 MPa | 1.12 | 4.881 | 4.319 | 4.233 | 3.520 |
| 166.7 MPa | 1.02 | 1.325 | 1.216 | 1.214 | 1.117 |
| 181.6 MPa | 1.11 | 0.820 | 0.722 | 0.704 | 0.531 |
| 204.0 MPa | 1.05 | 0.440 | 0.394 | 0.392 | 0.352 |
© 2018 by the authors. Licensee MDPI, Basel, Switzerland. This article is an open access article distributed under the terms and conditions of the Creative Commons Attribution (CC BY) license (http://creativecommons.org/licenses/by/4.0/).
Share and Cite
Yang, H.; Zhang, Z.; Tan, C.; Ito, M.; Pan, P.; Wang, X. Rotating Bending Fatigue Microscopic Fracture Characteristics and Life Prediction of 7075-T7351 Al Alloy. Metals 2018, 8, 210. https://doi.org/10.3390/met8040210
Yang H, Zhang Z, Tan C, Ito M, Pan P, Wang X. Rotating Bending Fatigue Microscopic Fracture Characteristics and Life Prediction of 7075-T7351 Al Alloy. Metals. 2018; 8(4):210. https://doi.org/10.3390/met8040210
Chicago/Turabian StyleYang, Huihui, Zhihao Zhang, Changhao Tan, Makoto Ito, Pan Pan, and Xishu Wang. 2018. "Rotating Bending Fatigue Microscopic Fracture Characteristics and Life Prediction of 7075-T7351 Al Alloy" Metals 8, no. 4: 210. https://doi.org/10.3390/met8040210
APA StyleYang, H., Zhang, Z., Tan, C., Ito, M., Pan, P., & Wang, X. (2018). Rotating Bending Fatigue Microscopic Fracture Characteristics and Life Prediction of 7075-T7351 Al Alloy. Metals, 8(4), 210. https://doi.org/10.3390/met8040210
