Abstract
With the continuous deepening of research on seafloor hydrothermal observations, the demand for a sustainable power supply of observation equipment is increasingly urgent. A kind of device that utilizes the temperature difference near hydrothermal vents to provide power is studied. However, the frequent experiments required for in-depth research on this device contradict the rare opportunities for hydrothermal field experiments and the difficulty in laboratory replication. In response to the above difficulties, a multiphysics co-simulation of the deep-sea hydrothermal energy generation system is studied in this paper. Firstly, the output performance analysis and modeling of the TEG installed in the device under pressure are carried out. An enhanced heat transfer model of the system is proposed for the hydrothermal fluids in the flow channel of the device. Then, the thermoelectric model of TEG and the heat transfer model of the device are jointly simulated by using Fluent and Simulink software. Eventually, the simulation data are compared with the data obtained through experiments. The average absolute of the relative error of the open-circuit voltage is 5.07%, and the maximum one is 6.28%. The corresponding values of the maximum output power are 5.16% and 6.79%, respectively. Therefore, the performance of the hydrothermal thermoelectric power generation system and the correctness of the proposed overall co-simulation model are verified.
1. Introduction
Submarine hydrothermal activity refers to the process in which seawater seeps down into the deep crust along the rock cracks or tectonic fractures, exchanges chemical compositions with the rock, and is heated by underground magma or high-temperature basalt, then concentrates upward flow and erupts out of the seabed to form hydrothermal fluids [1]. It is widely distributed in mid-ocean ridges, volcanic arcs, intra-plate volcanoes, back-arc basins, etc., and serves as a window for material and energy exchange between the ocean and crust [2]. Because deep-sea hydrothermal activity has great investigation and research value and scientific observation significance, it has been attracting scientists in marine geology [3], geophysics, geochemistry [4,5], marine biology [6,7], and other multidisciplinary fields, and is still one of the international frontier hot research fields. At the same time, under the influence of submarine volcanoes, tides, and earthquakes, the chemical composition [8], eruption temperature, and velocity of deep-sea hydrothermal plumes change periodically with time [9,10], leading to corresponding changes in the surrounding environmental characteristics and biological structures [11]. Long-term continuous observations of hydrothermal activity can provide insight into the dynamics of hydrothermal ecosystems, which require a sustainable supply of electrical energy, and the energy requirements of some typical devices and sensors that can be applied to hydrothermal in situ observation systems are listed in Table 1 [12,13].
Table 1.
The power requirements of some typical devices and sensors applied in hydrothermal in situ observation systems [12,13].
At present, the power supply methods of deep-sea equipment mainly include batteries and submarine cable observation networks [14]. However, the conventional battery power supply has limited life, and it is not easy to replace and charge. The power supply of submarine cable observation networks has the disadvantage of high cost and is not suitable for long-distance power supply. Therefore, aiming at the goal of long-term in situ continuous observation, it is more and more urgent to study and develop green renewable energy sources near deep-sea hydrothermal vents. The temperature of hydrothermal plumes is generally 60 to 350 °C, and the highest temperature is more than 400 °C, while the temperature of the surrounding cold water is usually below 5 °C. Thus, there is a huge temperature difference near the hydrothermal vents, and the heat flux of a typical single high-temperature vent can reach 10 megawatts [15]. In addition, the hydrothermal vents are usually clustered in the hydrothermal zone, so the available energy is very considerable. Therefore, the green and renewable deep-sea hydrothermal temperature difference energy is particularly suitable as an energy source for hydrothermal in situ observation systems.
The thermoelectric generator (TEG) based on the Seebeck effect of semiconductors can convert thermoelectric energy directly into electricity, with no moving parts and no chemical reactions involved. It has the advantages of less noise, simple structure, long service life, strong safety, and reliability [16]. Xie et al. [17,18] designed two kinds of devices based on different forms of deep-sea hydrothermal vents, namely heat-pipe-type and tube-type temperature difference energy capture devices. The prototype of the heat-pipe-type thermogenic power generation system was successfully tested at a hydrothermal vent with a depth of 2765 m and a temperature of 379 degrees Celsius in the Longyang hydrothermal area in the southwestern Indian Ocean, with an output power of about 2.6 W. The prototype of the tube-type thermogenic power generation system was successfully tested in a shallow-sea hydrothermal area on Guishan Island, Taiwan, with an output power of about 0.25 W. In our previous research [19], a new submarine hydrothermal power generation device based on a waterproof thermoelectric module was proposed, which successfully generated 5.6 W. All of the above have proved the feasibility of using deep-sea hydrothermal thermal energy for power generation based on TEGs.
However, due to limited experimental conditions, it is very rare for the device to be applied to real deep-sea hydrothermal vents, and it is difficult to fully achieve the simultaneous high-temperature and high-pressure conditions of real hydrothermal fluids in the laboratory. Therefore, in previous related research work, the overall working mechanism of the hydrothermal thermoelectric power system has not been thoroughly studied in depth. Furthermore, the fact that the output characteristics and internal parameters of TEG vary with the temperature, pressure, and other variables of the working environment, as well as the way to capture energy more efficiently in the hydrothermal channel, has not been discussed. In this paper, based on our previous work [19], a simulation method of a hydrothermal thermoelectric power device under high-temperature and high-pressure conditions at hydrothermal vents is further proposed. This multiphysics co-simulation method can predict the output performance of the hydrothermal power generation system under different hydrothermal vent conditions, which effectively solves the problem that it is difficult to perform frequent tests at various deep-sea thermal vents in reality.
The rest of this article is organized as follows. In Section 2, based on the key performance parameters of TEG variation with temperature, the thermoelectric model with distributed parameters under normal pressure is established and verified by a laboratory test platform. Then, considering the influence of pressure, the output characteristics of TEG under different pressures are further studied and the distribution parameter TEG thermoelectric model under pressure is obtained. Section 3 studies the multi-physics field collaborative modeling and simulation of the hydrothermal thermoelectric power generation system. The heat transfer model of the thermoelectric power device with a spiral spoiler at the hydrothermal vent is analyzed, and then the obtained results interact with the key parameters of the TEG thermoelectric model. The output performance of the power generation system under different hydrothermal vent conditions is simulated. In Section 4, the circulating heat conduction oil heating test in the pool is carried out on the prototype of the deep-sea hydrothermal thermoelectric power generation system. The heat transfer model of the device and the overall co-simulation model of the system are tested and verified, respectively. The conclusions of this study are presented in Section 5.
2. Thermoelectric Model of TEG under Pressure
The structure and principle of TEG are shown in Figure 1. It consists of upper and lower insulating heat-conducting layers, electric-conducting layers, solder layers, and thermoelectric arm pairs. Usually, the insulating and heat-conducting layers on both sides are made of ceramic materials, the electric-conducting and solder layers are, respectively, made of extremely thin pure copper and alloy materials, and the thermoelectric arms are made of P-type and N-type semiconductor thermoelectric materials [20].
Figure 1.
(a) Schematic diagram of the structure of TEG; (b) schematic diagram of the power generation of the thermoelectric arm pair in the TEG.
2.1. Thermoelectric Modeling Method
At present, the lumped parameter TEG model is widely used. Although the lumped parameter TEG model is easy to calculate, which has certain guiding significance for TEG research, it also has obvious defects: First, the Seebeck coefficient α, resistivity ρ, and thermal conductivity λ of TEG are directly selected from the average value of the temperature range along the direction of the thermoelectric arm, without considering the influence of the temperature distribution of the PN junction. In the case of large temperature differences, such as hydrothermal thermoelectric power generation, the error of the model is increased. Second, in actual measurement, generally, only the surface temperature of the ceramic sheet at the hot and cold ends of the TEG can be obtained, while the thermal resistance of the ceramic sheet is directly ignored in the calculation, resulting in increased calculation errors. Therefore, in view of the shortcomings of the lumped parameter model, a distributed parameter TEG model is proposed in this paper to improve the accuracy. Considering the actual situation and the convenience of the solution, based on the previous lumped parameter model, the following assumptions of the distributed parametric TEG model are changed and added: (1) the temperature distribution inside the TEG is different, and the Seebeck coefficient α, resistivity ρ, and thermal conductivity λ are all regarded as a function of temperature T; (2) considering the thermal resistance of the ceramic substrate, and are directly defined as the surface temperature of the ceramic sheet at the cold and hot ends of the TEG during calculation, and the thermal conductivity of the two corresponding ceramic sheets is regarded as a constant; (3) for the convenience of the iterative calculation method, the default load resistance is always equal to the internal resistance of the TEG; (4) P-type and N-type thermoelectric arms are assumed with the same temperature at the same height.
Based on the above assumptions, a distributed parameter thermoelectric model of a single pair of PN junctions in a TEG was established (Figure 2). The heat flow between the upper and lower ceramic sheets and the PN junction is and , respectively, and the thickness of the ceramic sheet is , and the thermal conductivity is . The cross-sectional area of the P-type and N-type thermoelectric arms is , and the height is , which is evenly divided into m temperature nodes and the direction of heat flow transfer is regarded as the direction of the x-axis. The position where the hot-end ceramic sheet is in contact with the PN junction is set as the origin of the x-axis, and the interval of x is . It can be seen from Figure 2 that the temperature at the position where the hot-end ceramic sheet is in contact with the PN is equal to at the PN junction, and the temperature at the position where the-cold end ceramic substrate is in contact with the PN is equal to at the PN junction. The boundary conditions can be written as:
Then, the expression of the temperature distribution of the hot-end ceramic sheet can be written as:
According to the principle of heat flow conservation, the heat flow flowing through the hot-end ceramic sheet is equal to the sum of the heat flow flowing into the PN junction and the filling material; then, the formula can be listed as:
The above formula can be transformed into:
Equation (5) can be obtained in the same way:
Then, the heat conduction differential equations of P-type and N-type thermoelectric arms can be obtained as follows:
where and are both functions for x, which represent the temperature distribution of the P-type and N-type thermoelectric arms for the position, respectively, with the distribution interval . Then, the boundary conditions can be obtained as follows:
Then, the Finite Difference Method (FDM) is used, in which the differential terms of the temperature concerning the position x in Formulas (6) and (7) are approximated by the first-order or second-order central difference quotient:
where the step size h is , and the thermoelectric arm temperature distribution Formula (10) can be obtained from Formula (9):
Figure 2.
Schematic diagram of a distributed parameter thermoelectric model for a single pair of PN junctions in a TEG.
Formula (10) is transformed into matrix form:
Formula (11) is a tridiagonal system of linear homogeneous equations of order m − 2 to solve the matrix . As shown in Figure 3, the equations need to be solved through iterative calculation. First, the initial value of the matrix is set, and the current I, the thermal conductivity (i = 1~m − 1), and the resistivity of each small segment are calculated to obtain the matrix and . According to Formula (11), a new matrix is solved, and the calculation is performed in a loop until the convergence condition of the matrix is met. After the temperature distribution of the matrix , that is, the P-type and N-type along the direction of heat conduction, is obtained, the electromotive force, resistance, current, heat flow, output power, and thermoelectric efficiency of the TEG can be calculated based on the discrete nodes in Figure 2.
Figure 3.
The implementation process of distributed parameter TEG modeling.
Based on the above calculations, a comparison of the TEG output characteristic data of the lumped parameter model and the distributed parameter model is obtained, as shown in Figure 4, where (a), (b), (c), and (d) in the figure represent the maximum output power, open-circuit voltage, current, and efficiency of a single TEG, respectively. As is evident from this figure, the data of the lumped parameter model in all cases overestimate that of the distributed parameter model. When the temperature difference is small, the difference between the two values is small. When the temperature difference increases, the discrepancy between the two gradually increases. There are two main reasons for the above simulation results: one is that the thermal resistance of the TEG ceramic sheet is not considered in the conventional lumped parameter model; the other is that, in the calculation of the lumped parameter model, all physical parameters are regarded as constants. All these reasons lead to large model errors. To verify the accuracy of the proposed distribution parameter model, the following experiments are carried out on the output characteristics of TEG.
Figure 4.
Comparison chart of a single TEG output characteristic data between lumped parameter model and distributed parameter model: (a) maximum output power; (b) open-circuit voltage; (c) current; (d) efficiency.
In this paper, the TEGs used are all TG12-4 with dimensions of 30 (W) × 34 (L) × 3.4 mm (H) from II-VI Marlow Company, Dallas, TX, USA [21]. The single TEG consists of 127 pairs of PN junctions inside, with individual P-type and N-type thermoelectric arms having an area and length of 1.0 mm2 and 1.17 mm, respectively. Under the five different experimental conditions listed in Table 2, the experimental values of open-circuit voltage and output power of TEG are measured. Then, the relative error between the experimental value and the numerically predicted value is calculated, and the error curves in Figure 5 are plotted.
Table 2.
Actual measurement experiments of TEG output characteristics under different experimental conditions.
Figure 5.
The relative error curves between the numerically predicted values of the distributed and lumped parameter TEG models and the experimentally measured values, under different conditions (Table 2).
It can be seen from Figure 5 that the theoretical values of the two models are higher than the actual measured values. When the temperature difference between the hot and cold ends of the TEG is not large, the errors between the theoretical values of the two models and the actual measured values are both small. As the temperature difference increases, the error of the lumped parameter TEG model tends to increase gradually. Among them, the maximum error of the open-circuit voltage reaches 12.44%, and the maximum error of the output power reaches 16.46%. However, the error of the distributed parameter TEG model gradually decreases with an increase in the temperature difference. The error of the open-circuit voltage is as low as 0.91%, and the error of the output power is as low as 2.27%. The experimental results show that the proposed distributed parameter TEG model is more accurate than the lumped parameter TEG model.
2.2. Pressure Experimental Research on TEG Output Characteristics
In the thermoelectric power generation system proposed in our previous research [17], TEGs are directly under pressure, so the influence of pressure on the output characteristics of the TEG needs to be considered. The distribution parameter thermoelectric model of TEG under pressure is obtained by performing performance tests on TEG under different pressures. Figure 6 shows the TEG performance test platform under pressure, which applies uniform pressure to the TEG surface at relatively stable cold-end and hot-end temperatures. The platform is mainly composed of two control parts: one for pressure and one for temperature. The pressure control part is mainly composed of a pump, a pressure gauge, and a pressure regulator. Its driving pressure source is high-pressure nitrogen, which pressurizes the water in the pressure cavity through the pump. The TEG placed in the cavity is subjected to uniform pressure, which simulates the pressure of the TEG deployed on the seabed. In the temperature control part, the temperature-controlled heater is used to stably deliver energy to the hot end of TEG. The setting temperature of the heater and the power of the cooling fan can be adjusted so that the temperature of the hot and cold ends of the TEG can be similar to the conditions in Table 2. The temperature of the TEG should be kept stable, and the open-circuit voltage and maximum output power at atmospheric pressure can be obtained. The pressure is gradually increased, and the relevant data are obtained for every 2 MPa until the pressure is increased to 30 MPa.
Figure 6.
TEG output characteristic test platform under different pressures: (a) schematic diagram; (b) physical diagram.
Figure 7 shows the measured TEG open-circuit voltage for the five temperature conditions (Table 2) under pressure and the corresponding cubic polynomial fitting curve. By removing the effect of temperature conditions, the five curves can be regarded as normalized curves affected by pressure only, and then the average of the coefficients is obtained as Equation (12):
where the fitting determination coefficient value is 0.8347, and the root mean square error RMSE value is 0.04378.
Figure 7.
The TEG open-circuit voltage and fitting curve under pressure, and the temperature conditions of the hot and cold ends of the TEG are, respectively (unit: °C): (a) Th = 101.8, Tc = 43.7; (b) Th = 144.8, Tc = 53.0; (c) Th = 184.4, Tc = 71.3; (d) Th = 232.5, Tc = 85.5; (e) Th = 255.2, Tc = 100.2.
In addition, the corresponding TEG internal resistance can be calculated from the experimentally obtained open-circuit voltage and maximum output power data. Figure 8 presents the TEG internal resistance for the five temperature conditions (Table 2) under pressure and the corresponding quintic polynomial fitting curve. By removing the effect of temperature conditions, the five curves can be regarded as normalized curves affected by pressure only, and then the average of the coefficients is obtained as Equation (13):
where the fitting determination coefficient value is 0.8028, and the root mean square error RMSE value is 0.03332.
Figure 8.
The TEG internal resistance and fitting curve under pressure, and the temperature conditions of the hot and cold ends of the TEG are, respectively (unit: °C): (a) Th = 101.8, Tc = 43.7; (b) Th = 144.8, Tc = 53.0; (c) Th = 184.4, Tc = 71.3; (d) Th = 232.5, Tc = 85.5; (e) Th = 255.2, Tc = 100.2.
Figure 9 shows the output characteristics of the distribution parameter TEG thermoelectric model under different pressures. (a), (b), (c), and (d) in the figure, respectively, represent the data comparison results of open-circuit voltage, maximum output power, current, and efficiency. It can be seen from the figure that, as the pressure increases, the open-circuit voltage, maximum output power, and efficiency all decrease gradually. The larger the temperature difference, the more significant the value decreases with pressure. This is mainly because, as the pressure increases, the carrier concentration and mobility in the thermoelectric material will increase accordingly. The conductivity is positively correlated with carrier concentration and mobility. When the pressure increases, the conductivity increases, and the resistance decreases, while the Seebeck coefficient is inversely proportional to the carrier concentration. When the pressure increases, the Seebeck coefficient decreases, and the electric potential generated at the same temperature difference decreases. The maximum output power and efficiency are determined by both voltage and resistance, but voltage is the dominant factor. Therefore, its variation with pressure is consistent.
Figure 9.
Output characteristics of distribution parameter TEG thermoelectric model under different pressures: (a) maximum output power; (b) open-circuit voltage; (c) current; (d) efficiency.
3. Multiphysics Co-Simulation of Hydrothermal Power Generation Process
The basic heat transfer model of the thermoelectric power generation device was established by using the CFD method [19]. However, in these CFD simulations, the heat transfer structure optimization of the thermoelectric power generation device was not discussed. Additionally, only the velocity and temperature fields can be calculated through CFD, while the power generation performance of the thermoelectric power generation system cannot be obtained. If the entire process of the hydrothermal thermoelectric power generation system is to be simulated, the CFD simulation has to be combined with the previously established TEG thermoelectric model under pressure for collaborative calculation.
Figure 10 shows a functional block diagram of the joint computing process, which allows for the bidirectional coupling of data streams. The unsteady state of the hydrothermal fluid is accompanied by different temperatures and velocities, which are used as inlet boundary conditions in CFD analysis. The pressure on the seabed is also considered in the TEG thermoelectric model. In each iteration, during the calculation process, the temperature at both ends of the TEG is extracted to calculate the power generation of the TEG, and then a specified number of TEGs are combined in series and parallel to obtain the open-circuit voltage, current, power, and other key output characteristics of the thermoelectric power generation system. After each iteration, the equivalent thermal conductivity of the TEG is calculated in the TEG thermoelectric model and passed to the CFD solver to be used as a parameter in the next CFD iterative calculation. The whole process results in a coupled multiphysics model involving pressure, heat transfer, flow, and power generation.
Figure 10.
Interaction mechanism diagram of CFD three-dimensional analysis and TEG thermoelectric model.
3.1. Enhanced Heat Transfer Model of Hydrothermal Power Generation System
Figure 11a shows the structure of a hydrothermal thermoelectric power generation device with a spoiler inserted. Considering the actual hydrothermal vents and the size and shape of the TEG, the main cavity is designed with a cylindrical inner wall and a hexahedral outer wall. All sides of the hexahedron have grooves for placing the TEG, which is filled with heat-resistant epoxy resin to withstand the pressure by itself. In addition, the TEG and the heat-conductive block are also fixed and sealed in the main cavity by heat-resistant epoxy resin. The hot and cold ends of the TEG are, respectively, close to the surface of the main cavity and the heat conduction block. The heat dissipation fins are installed above the exposed surface of the heat conduction block and pressed tightly with screws. These contact surfaces are coated with uniform thermal conductive silicone grease to eliminate gaps and ensure good heat transfer. Due to the different temperature distributions in the cross-section of the hydrothermal plume, it gradually decreases from the center to the outer circumference. To effectively capture the energy of the hydrothermal fluids, it is necessary to concentrate heat energy on the inner cavity wall of a thermoelectric power generation device. Therefore, the scheme of inserting a spoiler into the flow channel of the device is used to improve the heat transfer performance of the device.
Figure 11.
(a) Structural diagram of hydrothermal thermoelectric power generation device with a spoiler inserted; (b) schematic diagram of the heat transfer process of hydrothermal thermoelectric power generation device.
Figure 11b shows the heat transfer process of a working hydrothermal thermoelectric power generation device. The hydrothermal fluids flow through the inner wall of the main cavity, and the power generation device obtains thermal energy through forced convective heat transfer between the inner cavity wall and the hydrothermal fluids using a spoiler inserted into the device. Then, heat is transferred from the inner cavity to the hot end of the TEG. Along the thermocouple arm of TEG, on the one hand, a portion of heat is converted into electrical output through the Seebeck effect of thermoelectric materials. On the other hand, the remaining heat passes through heat conduction blocks and fins and is eventually absorbed by seawater acting as a cold source. The simulation of the above heat transfer process is achieved via the software Fluent (ANSYS, Inc., San Diego, CA, USA). Specific boundary conditions, turbulence models, solution settings, and convergence conditions have been described in previous studies [19] and will not be discussed here.
3.2. Fluent/Simulink Co-Simulation Scheme
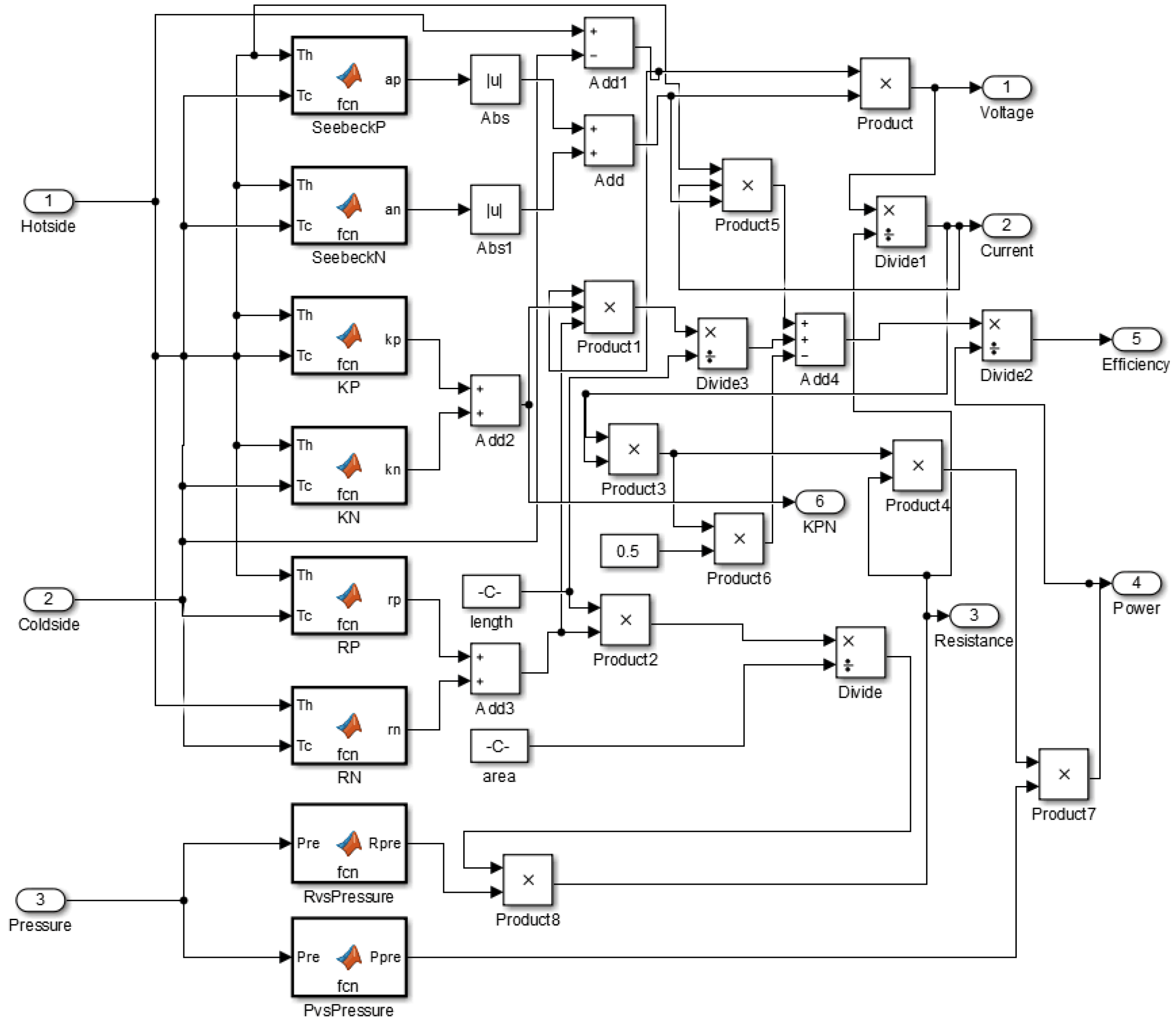
Based on the distributed parameter TEG thermoelectric model under pressure obtained in Section 2, the output characteristic model of the TEG is established in the Matlab/Simulink environment (Figure 12). As shown in the figure, the input parameters are the temperature of the cold end and hot end of the TEG and the pressure of the thermoelectric power generation device under the simulated working conditions. The output characteristics of each TEG are obtained after the calculation of the distributed parameter thermoelectric model. Then, the influence and loss caused by the arrangement and combination of 18 TEGs (3 parallel 6 strings) arranged in the device on the output characteristics are calculated. Finally, the open-circuit voltage and maximum output power of the overall thermoelectric power generation device under this simulated working condition are obtained.
Figure 12.
The thermoelectric model of TEG under pressure via Matlab/Simulink.
To realize the key parameter interaction between Simulink and Fluent, the Fluent/Simulink co-simulation of the hydrothermal thermoelectric power generation system needs to be carried out. In Fluent and Simulink, the UDF function and S function (system function) are, respectively, used to realize secondary development. These two interfaces can be used to connect Fluent and Simulink to realize data interaction. In this study, WinSock network programming is adopted. UDP protocol and Socket function are used to establish a datagram socket to complete two-way communication. The receiving and sending of data are realized by calling the macro DEFINE_ADJUST in Fluent and the mdlOutputs() function in Simulink.
Figure 13 is a flow chart of the Fluent/Simulink co-simulation of the hydrothermal thermoelectric power generation system. Fluent will maintain a waiting state after sending the temperature data of the hot and cold ends of the TEG, which Simulink will obtain and then calculate the corresponding TEG thermal conductivity for Fluent. In Fluent, the macro DEFINE_PROPERTY is used to update the TEG after receiving , and the macro DEFINE_PROFILE is utilized to update the hydrothermal inlet velocity and temperature corresponding to the time. After being solved in Fluent, the new temperature values of the hot and cold ends of the TEG can be obtained. The above operations are repeated until the iteration is completed. It should be noted that after each data interaction between Fluent and Simulink is completed, the Socket will be closed and the content will be cleared to ensure the smooth progress of the next data interaction.
Figure 13.
Fluent/Simulink co-simulation flow chart of hydrothermal thermoelectric power generation system.
3.3. Simulation Results
Due to factors, such as tides and seabed geological activities, the velocity and temperature of hydrothermal vents show periodic or random changes over time, which is the unsteady characteristic of hydrothermal fluids [8,9,10,11]. This will also affect the stability of the heat transfer of the power generation system on different time scales, thereby causing fluctuations in power generation. It is worth mentioning that there are long-term observations of the temperature and velocity of the hydrothermal vents located in the Endeavor hydrothermal area between Juan de Fuca and the Pacific plate in the Canadian seabed observation network. To better explore the impact of hydrothermal instability on the thermoelectric power generation system in this study, combined with the observation data of the vents from the Canadian seabed observation network [22], and considering the feasibility of the calculation amount, the condition settings of the temperature and velocity of the hydrothermal vent within 1000 s are shown in Figure 14.
Figure 14.
Boundary conditions (temperature and velocity) of hydrothermal vent in co-simulation overall of thermoelectric power generation system.
At a time of 300 s, the temperature distribution in the longitudinal section of fluids in the flow channel of the device with a spoiler inserted is shown in Figure 15a. As can be seen from the figure, the outer edge of the spoiler is close to the inner wall of the cavity, creating a near-wall vortex, which thins the thermal boundary layer between the fluids and the inner wall of the cavity. The simulation results indicate that the spoiler inserted effectively enhances the heat transfer performance in the hydrothermal fluids channel. In addition, Figure 15b shows the TEG three-dimensional temperature distribution at hot and cold ends in Fluent at 300 s, which provides input conditions for the establishment of a TEG thermoelectric model in Simulink.
Figure 15.
(a) Longitudinal cross-sectional temperature distribution diagram of fluids in the flow channel of the device with a spoiler inserted (time = 300 s); (b) three-dimensional temperature distribution diagram of TEG simulation model (time = 300 s).
Under the thermal field input conditions shown in Figure 14, the TEG cold and hot temperature and temperature difference vary with time, as shown in Figure 16. When the temperature of the hydrothermal vent increases, the temperature of the hot and cold ends of the TEG rises accordingly, but the rise in the cold one is much lower than that of the hot one, so the temperature difference between them also increases. When the temperature of the hydrothermal vent decreases, the opposite phenomenon occurs. In addition, the changing law of the TEG thermal conductivity is shown in Figure 17a. It can be seen from the figure that the thermal conductivity of TEG increases with an increase in temperature, which is determined by the properties of thermoelectric materials.
Figure 16.
TEG cold and hot temperature and temperature difference curves over time (under the simulation conditions of Figure 14).
Figure 17b shows the variation in the open-circuit voltage and output power of the thermoelectric power generation device with time in the simulated 1000 s. As can be seen from the figure, when the temperature of the hydrothermal vent is 350 °C, the temperature at the TEG hot end can reach up to 297.32 °C. At this time, the temperature at the TEG cold end is 48.38 °C, and the temperature difference reaches 248.94 °C. In this case, the open-circuit voltage of the thermoelectric power generation system can reach 51.74 V, and the power can reach 35.28 W.
4. Experimental Results and Discussion
4.1. Test Platform and Scheme
To further verify the correctness of the co-simulation proposed in Section 3, experiments were carried out based on the prototype of the hydrothermal thermoelectric power generation system (Figure 18). Figure 19 is a schematic diagram of the pool test of the thermoelectric power generation system. As shown in Figure 19c, the thermoelectric power generation device is connected to the circulating heat conduction oil circuit and completely immersed in the water pool. This circuit can raise the temperature of the heat transfer oil to about 150 °C, and the cooling water flowing in the pool is about 8 °C. The flow rate and temperature of the heat transfer oil can be adjusted by a pump and a temperature controller, respectively, and the thermoelectric power generation device is connected to the computer (as shown in Figure 19b), which can monitor various data, such as temperature, open-circuit voltage, and output power in real time.
Figure 18.
(a) Physical diagram of thermoelectric power generation device; (b) TEGs arranged in “3 × 6” in the device; (c) physical diagram of spiral spoiler inserted into the flow channel of the device; (d) physical diagram of thermocouples inserted into the flow channel of the device.
Figure 19.
(a) Physical diagram of the water pool test of the thermoelectric power generation system; (b) circuits for real-time monitoring of data during experiments; (c) thermoelectric power generation device submerged in a pool.
Different test conditions can be obtained by controlling the temperature and flow of heat transfer oil in the circuit. The specific parameters of the test conditions used in this study are shown in Table 3. In the structure of the thermoelectric power generation device, TEGs are arranged in three layers. During the tests, the temperature of the hot end and cold end of the three-layer TEG was recorded in real time, respectively, and the open-circuit voltage and output power of the thermoelectric power generation system are monitored simultaneously.
Table 3.
Specific condition parameters for 6 different test conditions.
4.2. Results and Analysis
(1) Result analysis of the experiments under different hydrothermal flow conditions.
The thermoelectric power generation device was tested under six different experimental conditions listed in Table 3. The open-circuit voltage (Figure 20b) and maximum output power (Figure 20c) of the device were recorded in the experiments, as well as the measurement data of three thermocouples distributed at the TEG hot and cold ends, respectively, so the average hot- and cold-end temperature and the temperature difference could be calculated (Figure 20a). With an increase in oil temperature and speed in the heating oil circuit, the TEG hot-end temperature increases significantly, and the cold-end temperature increases slightly, indicating that the device’s energy capture at the hot end and heat dissipation at the cold end both perform well. In addition, with a gradual increase in the temperature difference, the open-circuit voltage (Figure 20b) and maximum output power (Figure 20c) of the device also increase significantly.
Figure 20.
Under the six experimental conditions listed in Table 3, the performance data of the thermoelectric power generation device: (a) TEG cold- and hot-end temperature and temperature difference; (b) open-circuit voltage; (c) maximum output power.
The condition parameters listed in Table 3 were also applied to the simulation method described in Section 3 above, so the simulated temperature distribution and output characteristic of the thermoelectric power generation device could be obtained. In Figure 21a,b, the Z-axis in the abscissa indicates the direction of the central axis of the thermoelectric power generation device, and the positions between two dotted lines indicate the installation positions of TEG1, TEG2, and TEG3. The experimental measurement point is the center point of the three-layer TEG, and its specific coordinates are Z = 60, 105, and 150 mm. The figure shows a comparison between the test and simulation data of the thermoelectric power generation device under the six experimental conditions listed in Table 3. The average absolute value of the relative error of the hot-end temperature is 4.17%, and the maximum relative error is 8.84%. The average absolute value of the relative error of the cold-end temperature is 3.97%, and the maximum relative error is 9.40%. It can be seen from the figure that the simulation data are consistent with the experimental results, which verifies the correctness of the heat transfer model of the thermoelectric power generation device proposed in Section 3.1.
Figure 21.
Under the six experimental conditions listed in Table 3, the comparison between the test and simulation data of the thermoelectric power generation device: (a) TEG hot-end temperature distribution; (b) TEG cold-end temperature distribution (note: the abscissa Z represents the direction of the central axis of the device, and the position sequence of TEG1 to TEG3 is from the inlet to the outlet of the device).
(2) Experimental verification of thermoelectric power generation system co-simulation.
Figure 22a,b show the test data of the thermoelectric power generation device changes within 60 min under Condition No.6 listed in Table 3. At that time, the temperature distribution and temperature difference of the TEG reached a stable state. As shown in Figure 23, within 60 min, the open-circuit voltage is basically distributed between 18.18 V and 18.36 V, with a change rate of less than 1.0%. The output power is distributed between 9.57 W and 9.77 W, with a change rate of less than 2.1%. Compared with the simulation data calculated in the method in Section 3, the average absolute value of the relative error between the open-circuit voltages is 5.07%, and the maximum relative error is 6.28%. The average absolute value of the relative error between the maximum output powers is 5.16%, and the maximum relative error is 6.79%. This verifies the correctness of the overall system simulation model in Section 3.2.
Figure 22.
Under Condition No.6 listed in Table 3, the test data of the thermoelectric power generation device with time: (a) TEG hot-end temperature distribution; (b) TEG cold-end temperature distribution (note: the abscissa Z represents the direction of the central axis of the device, and the position sequence of TEG1 to TEG3 is from the inlet to the outlet of the device).
Figure 23.
Under the No. 6 test condition in Table 3, the output performance experiment and simulation data of the thermoelectric power generation device with time.
5. Conclusions
In this paper, a thermoelectric model of TEG physical properties changing with temperature under pressure is proposed. It takes into account the influence of internal temperature distribution and pressure on the model, effectively improving the prediction accuracy of TEG output characteristics. At the same time, an enhanced heat transfer model of the hydrothermal power generation system is proposed. By realizing the data interaction between the CFD three-dimensional model of the thermoelectric power generation device and the TEG thermoelectric model, the Fluent/Simulink co-simulation was carried out for the hydrothermal thermoelectric power generation system. Finally, the average absolute value of the relative error between the measured open-circuit voltage in the experiment and the simulated one is 5.07%, and the maximum value is 6.28%. The average absolute value of the relative error between the measured maximum output power in the experiment and the simulated one is 5.16%, and the maximum value is 6.79%. These verify the accuracy of the co-simulation method proposed in this paper. The above method can predict the output performance of the system under different conditions of hydrothermal vents. The multiphysics co-simulation method effectively solves the problem that the hydrothermal power generation system is difficult to frequently test at various deep-sea hydrothermal vents, which is beneficial to further research on hydrothermal power generation systems, improving the power generation performance of the device. Furthermore, it can be applied to other equipment at hydrothermal vents in the future.
Author Contributions
Conceptualization, K.X. and S.W.; data curation, K.X. and S.W.; formal analysis, S.W.; funding acquisition, T.L.; methodology, K.X.; resources, C.Y.; software, Y.Z.; writing—original draft, K.X.; writing—review and editing, K.X. All authors have read and agreed to the published version of the manuscript.
Funding
This work was supported by the China Postdoctoral Science Foundation (No. 2021M702971) and Natural Science Foundation of Zhejiang Province, China (LR21E090001).
Institutional Review Board Statement
Not applicable.
Informed Consent Statement
Not applicable.
Data Availability Statement
The data presented in this study are available on request from the corresponding author.
Conflicts of Interest
The authors declare no conflict of interest.
References
- Eom, J.; Yoshimura, T.; Araoka, D.; Gamo, T.; Kawahata, H. Magnesium isotopic composition of submarine vent fluids from arc and back-arc hydrothermal systems in the western pacific. Chem. Geol. 2020, 551, 119767. [Google Scholar] [CrossRef]
- Diehl, A.; Bach, W. Marhys (marine hydrothermal solutions) database: A global compilation of marine hydrothermal vent fluid, end member and seawater compositions. Geochem. Geophys. Geosyst. 2020, 21, e2020GC009385. [Google Scholar] [CrossRef]
- Yang, B.; Wu, Y.; Wang, X.; Zhang, Y.; Cui, J.; Yu, M.; Dang, Y.; Shi, X.; Liu, J. Mineralogical and geochemical characteristics and ore-forming mechanism of hydrothermal sediments in the middle and southern Okinawa Trough. Mar. Geol. 2021, 437, 106501. [Google Scholar] [CrossRef]
- Zeng, Z.; Wang, X.; Yin, X.; Chen, S.; Qi, H.; Chen, C.-T.A. Strontium, Hydrogen and Oxygen Behavior in Vent Fluids and Plumes from the Kueishantao Hydrothermal Field Offshore Northeast Taiwan: Constrained by Fluid Processes. J. Mar. Sci. Eng. 2022, 10, 845. [Google Scholar] [CrossRef]
- Gartman, A.; Findlay, A.J. Impacts of hydrothermal plume processes on oceanic metal cycles and transport. Nat. Geosci. 2020, 13, 396–402. [Google Scholar] [CrossRef]
- Dick, G.J. The microbiomes of deep-sea hydrothermal vents: Distributed globally, shaped locally. Nat. Rev. Microbiol. 2019, 17, 271–283. [Google Scholar] [CrossRef] [PubMed]
- Cathalot, C.; Roussel, E.G.; Perhirin, A.; Creff, V.; Donval, J.P.; Guyader, V.; Roullet, G.; Gula, J.; Tamburini, C.; Garel, M.; et al. Hydrothermal plumes as hotspots for deep-ocean heterotrophic microbial biomass production. Nat. Commun. 2021, 12, 6861. [Google Scholar] [CrossRef] [PubMed]
- Pavia, F.J.; Anderson, R.F.; Black, E.E.; Kipp, L.E.; Vivancos, S.M.; Fleisher, M.Q.; Charette, M.A.; Sanial, V.; Moore, W.A.; Hult, M.; et al. Timescales of hydrothermal scavenging in the South Pacific Ocean from 234Th, 230Th, and 228Th. Earth Planet. Sci. Lett. 2019, 506, 146–156. [Google Scholar] [CrossRef]
- Adams, I.; Iorio, D.D. Turbulence Properties of a Deep-Sea Hydrothermal Plume in a Time-Variable Cross-Flow: Field and Model Comparisons for Dante in the Main Endeavour Field. J. Geophys. Res. Ocean. 2021, 126, e2020JC016638. [Google Scholar] [CrossRef]
- Zhang, X.; Lin, J.; Jiang, H. Time-dependent variations in vertical fluxes of hydrothermal plumes at mid-ocean ridges. Mar. Geophys. Res. 2018, 40, 245–260. [Google Scholar] [CrossRef]
- Qiu, Z.; Han, X.; Li, M.; Wang, Y.; Wang, L. The temporal variability of hydrothermal activity of Wocan hydrothermal field, Carlsberg Ridge, northwest Indian Ocean. Ore Geol. Rev. 2021, 132, 103999. [Google Scholar] [CrossRef]
- Dewan, A.; Ay, S.U.; Karim, M.N.; Beyenal, H. Alternative power sources for remote sensors: A review. J. Power Sources 2014, 245, 129–143. [Google Scholar] [CrossRef]
- Available online: http://www.marshallhydrothermal.com/works.htm (accessed on 26 April 2023).
- Chen, Y.; Yang, C.; Li, D.; Jin, B.; Chen, Y. Study on 10 kVDC powered junction box for a cabled ocean observatory system. China Ocean. Eng. 2013, 27, 265–275. [Google Scholar] [CrossRef]
- Zeng, Z.; Yin, X.; Wang, X.; Yan, Y.; Zhang, X. A Novel Device for the In Situ Enrichment of Gold from Submarine Venting Fluids. J. Mar. Sci. Eng. 2022, 10, 724. [Google Scholar] [CrossRef]
- Savani, I.; Waage, M.H.; Børset, M.; Kjelstrup, S.; Wilhelmsen, Ø. Harnessing thermoelectric power from transient heat sources: Waste heat recovery from silicon production. Energy Convers. Manag. 2017, 138, 171–182. [Google Scholar] [CrossRef]
- Xie, Y.; Wu, S.; Yang, C. Generation of electricity from deep-sea hydrothermal vents with a thermoelectric converter. Appl. Energy 2016, 164, 620–627. [Google Scholar] [CrossRef]
- Xie, Y.; Wu, S.; Yang, C. A thermoelectric cap for seafloor hydrothermal vents. Energy Convers. Manag. 2016, 109, 166–174. [Google Scholar] [CrossRef]
- Xie, K.; Wu, S.; Yang, C.; Ruan, Y.; Hong, Y. A new seafloor hydrothermal power generation device based on waterproof thermoelectric modules. IEEE Access 2020, 8, 70762–70772. [Google Scholar] [CrossRef]
- Zhao, L.D.; Lo, S.H.; Zhang, Y.; Sun, H.; Tan, G.; Uher, C.; Kanatzidis, M.G. Ultralow thermal conductivity and high thermoelectric figure of merit in SnSe crystals. Nature 2014, 508, 373–377. [Google Scholar] [CrossRef] [PubMed]
- Available online: https://ii-vi.com/product/thermoelectric-generator-teg-modules/ (accessed on 6 March 2023).
- Available online: https://data.oceannetworks.ca/DataSearch (accessed on 6 March 2023).
Disclaimer/Publisher’s Note: The statements, opinions and data contained in all publications are solely those of the individual author(s) and contributor(s) and not of MDPI and/or the editor(s). MDPI and/or the editor(s) disclaim responsibility for any injury to people or property resulting from any ideas, methods, instructions or products referred to in the content. |
© 2023 by the authors. Licensee MDPI, Basel, Switzerland. This article is an open access article distributed under the terms and conditions of the Creative Commons Attribution (CC BY) license (https://creativecommons.org/licenses/by/4.0/).






















