A Review of the Technical Challenges and Solutions in Maximising the Potential Use of Second Life Batteries from Electric Vehicles
Abstract
1. Introduction
2. Battery Chemistry
3. Mathematical Modelling
3.1. Modelling Techniques
3.1.1. Simplified P2D Model
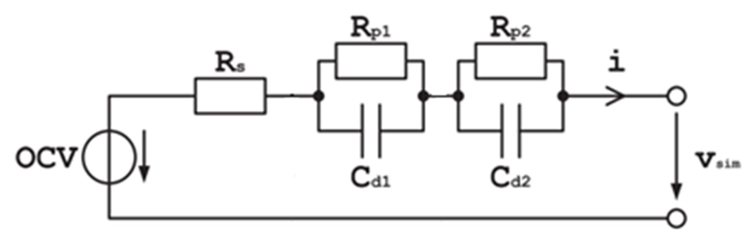
3.1.2. Equivalent-Circuit Model
3.1.3. SoX Estimation Algorithms
4. Experimental Analysis Methodologies
4.1. Testing Scale
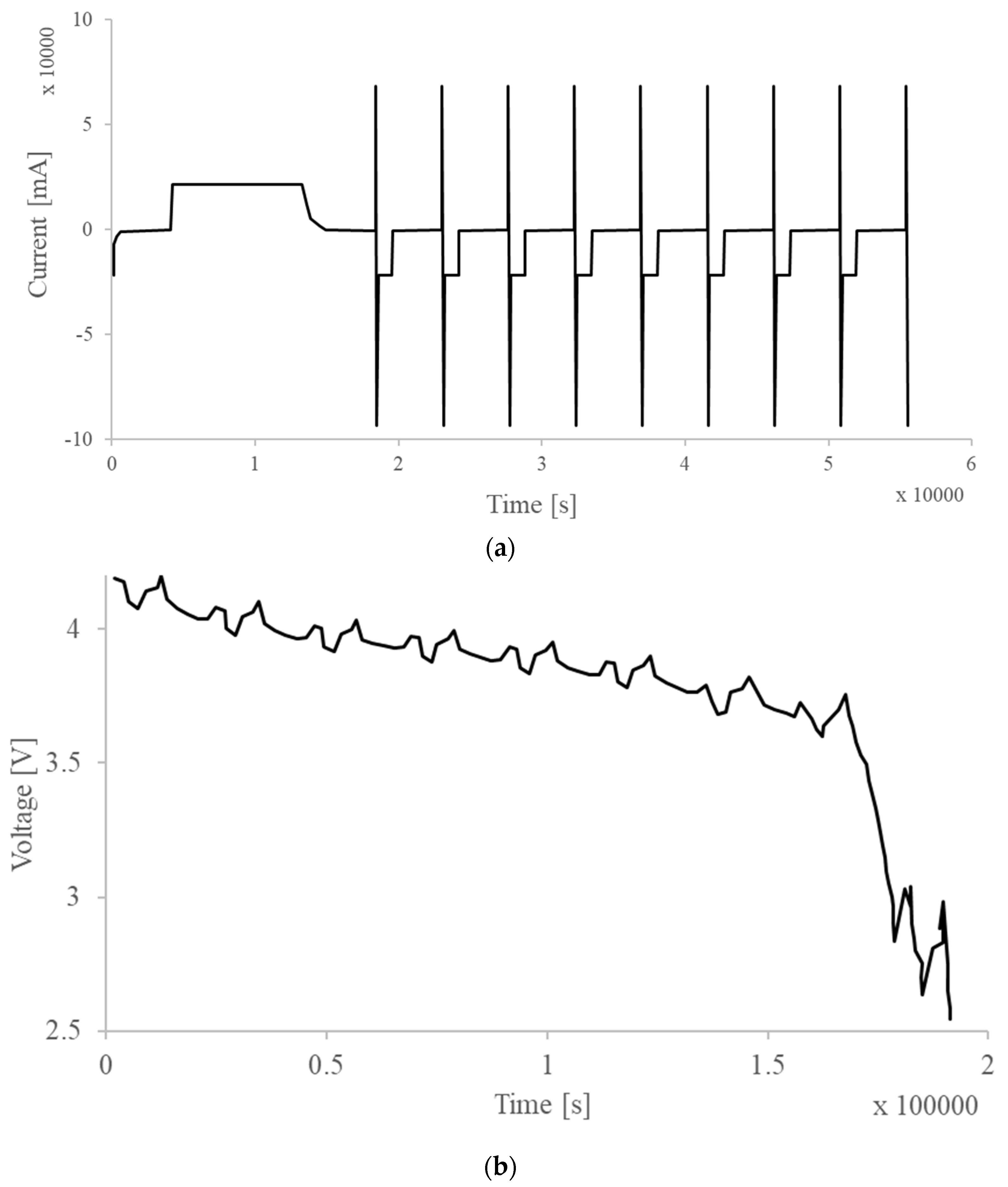
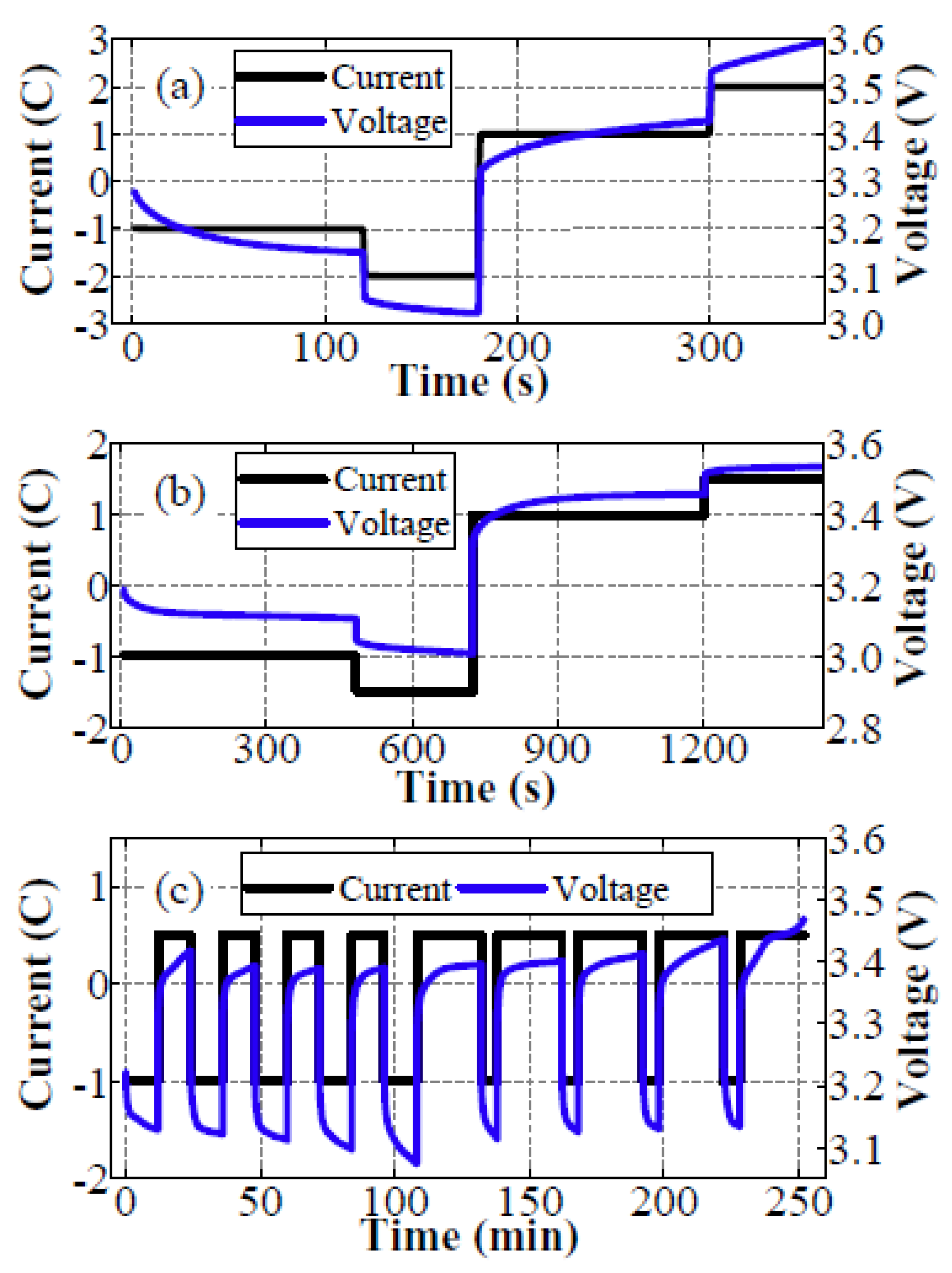
4.2. Characterisation Tests
4.3. Degradation Tests
4.3.1. Calendar-Ageing Tests
4.3.2. Cycle-Ageing Tests
5. Battery-Management Strategies
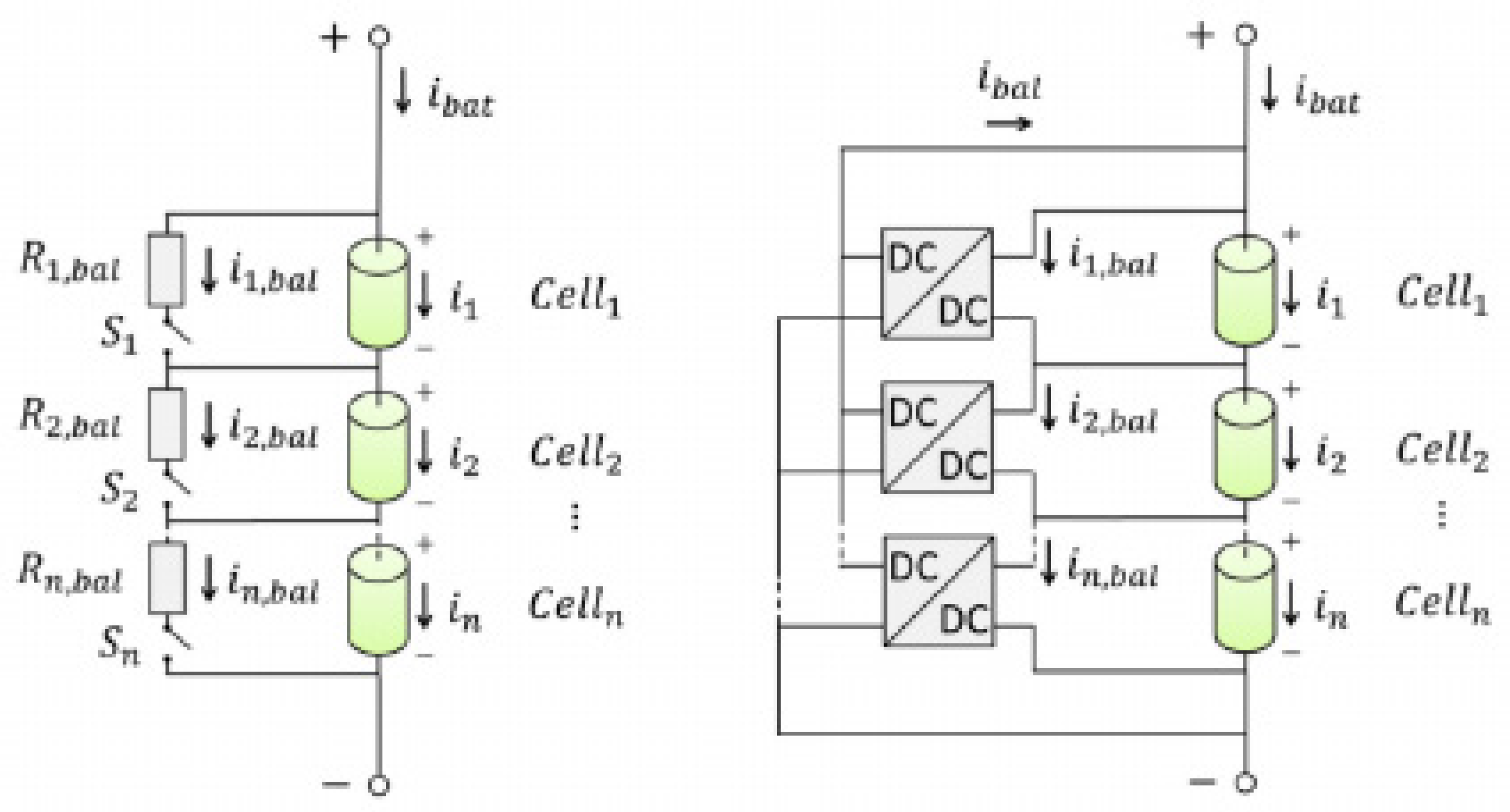
5.1. Passive Balancing Systems
5.2. Active Balancing Systems
6. Future Trends and Emerging Technologies
7. Reusing and Recycling of SLBs
8. Conclusions
- -
- Equivalent-circuit models employing 2RCs and 3RCs have gained significant traction among researchers due to their notable accuracy in estimating the behaviour of lithium-ion batteries during their second life.
- -
- Given the lack of knowledge about the degradation history of second-life batteries sourced from different EVs, EIS tests serve as valuable tools. These tests offer insights into the condition of the SEI and diffusion layers within the batteries.
- -
- Calendar-ageing mechanisms are of considerable importance for SLBs due to the potential extended storage periods prior to their second life or their use in applications such as backup systems, where they might remain unloaded for extended durations.
- -
- Electrochemical models hold an advantage over empirical models in predicting calendar ageing, as they avoid the lengthy laboratory testing that empirical models typically demand.
- -
- While accelerated ageing profiles are convenient for time efficiency in cycle-ageing tests of SLBs, they often lack reliability and are not representative of real-world applications.
- -
- Designing cycle-ageing test profiles based on the intended application of the SLB, using synthetic load data relevant to that application, ensures more accurate and meaningful testing.
- -
- Artificial intelligence algorithms demonstrate reliability in predicting the fading parameters associated with SLBs’ cycle ageing. Implementing these algorithms offers substantial time savings in comparison with traditional laboratory testing.
- -
- Although characterisation and degradation tests are typically conducted at the cell level for SLBs in the existing literature, the practical scenario involves these SLBs being available on the market as modules and packs. The challenge arises from disassembling these larger units being cost-prohibitive and time-consuming. This presents a significant gap in both experimental testing and theoretical modelling at the module and pack levels within the existing literature.
Author Contributions
Funding
Data Availability Statement
Conflicts of Interest
Nomenclature
| HPPC | Hybrid pulse-power characterization |
| SOC | State of charge |
| SoH | State of health |
| CNN | Convolutional neural network |
| MLP | Multilayer perceptron |
| LSTM | Long short-term memory |
| IC | Incremental capacity |
| DoD | Depth of discharge |
| EV | Electric vehicle |
| ECM | Equivalent-circuit model |
| EKF | Extended Kalman filter |
| RC | Resistance–capacitance |
| PV | Photovoltaic |
| EOL | End of life |
References
- Shahjalal, M.; Roy, P.K.; Shams, T.; Fly, A.; Chowdhury, J.I.; Ahmed, M.R.; Liu, K. A review on second-life of Li-ion batteries: Prospects, challenges, and issues. Energy 2022, 241, 122881. [Google Scholar] [CrossRef]
- Huang, Z.; Deng, Z.; Zhong, Y.; Xu, M.; Li, S.; Liu, X.; Zhou, Y.; Huang, K.; Shen, Y.; Huang, Y. Progress and challenges of prelithiation technology for lithium-ion battery. Carbon Energy 2022, 4, 1107–1132. [Google Scholar] [CrossRef]
- Jiang, S.; Hua, H.; Zhang, L.; Liu, X.; Wu, H.; Yuan, Z. Environmental impacts of hydrometallurgical recycling and reusing for manufacturing of lithium-ion traction batteries in China. Sci. Total Environ. 2022, 811, 152224. [Google Scholar] [CrossRef]
- Du, K.; Ang, E.H.; Wu, X.; Liu, Y. Progresses in sustainable recycling technology of spent lithium-ion batteries. Energy Environ. Mater. 2022, 5, 1012–1036. [Google Scholar] [CrossRef]
- Yang, J.L.; Zhao, X.X.; Ma, M.Y.; Liu, Y.; Zhang, J.P.; Wu, X.L. Progress and prospect on the recycling of spent lithium-ion batteries: Ending is beginning. Carbon Neutraliz. 2022, 1, 247–266. [Google Scholar] [CrossRef]
- BU-705a: Battery Recycling as a Business. Available online: https://batteryuniversity.com/learn/article/battery_recycling_as_a_business (accessed on 21 December 2023).
- Zhao, Y.; Pohl, O.; Bhatt, A.I.; Collis, G.E.; Mahon, P.J.; Rüther, T.; Hollenkamp, A.F. A review on battery market trends, second-life reuse, and recycling. Sustain. Chem. 2021, 2, 167–205. [Google Scholar] [CrossRef]
- dos Santos, M.; Garde, I.A.A.; Ronchini, C.M.B.; Cardozo Filho, L.; de Souza, G.B.M.; Abbade, M.L.F.; Regone, N.N.; Jegatheesan, V.J.; de Oliveira, J.A. A technology for recycling lithium-ion batteries promoting the circular economy: The RecycLib. Resour. Conserv. Recycl. 2021, 175, 105863. [Google Scholar] [CrossRef]
- Harper, G.; Sommerville, R.; Kendrick, E.; Driscoll, L.; Slater, P.; Stolkin, R.; Walton, A.; Christensen, P.; Heidrich, O.; Lambert, S. Recycling lithium-ion batteries from electric vehicles. Nature 2019, 575, 75–86. [Google Scholar] [CrossRef]
- Zhang, W.; Xu, C.; He, W.; Li, G.; Huang, J. A review on management of spent lithium ion batteries and strategy for resource recycling of all components from them. Waste Manag. Res. 2018, 36, 99–112. [Google Scholar] [CrossRef] [PubMed]
- Beaudet, A.; Larouche, F.; Amouzegar, K.; Bouchard, P.; Zaghib, K. Key challenges and opportunities for recycling electric vehicle battery materials. Sustainability 2020, 12, 5837. [Google Scholar] [CrossRef]
- Kotak, Y.; Marchante Fernández, C.; Canals Casals, L.; Kotak, B.S.; Koch, D.; Geisbauer, C.; Trilla, L.; Gómez-Núñez, A.; Schweiger, H.-G. End of electric vehicle batteries: Reuse vs. recycle. Energies 2021, 14, 2217. [Google Scholar] [CrossRef]
- Drabik, E.; Rizos, V. Prospects for Electric Vehicle Batteries in a Circular Economy. 2018, Volume 20. Available online: https://www.ceps.eu/ceps-news/ (accessed on 21 December 2023).
- Braco, E.; San Martin, I.; Berrueta, A.; Sanchis, P.; Ursua, A. Experimental Assessment of First-and Second-Life Electric Vehicle Batteries: Performance, Capacity Dispersion and Aging. IEEE Trans. Ind. Appl. 2021, 57, 4107–4117. [Google Scholar] [CrossRef]
- Terkes, M.; Demirci, A.; Gokalp, E. An evaluation of optimal sized second-life electric vehicle batteries improving technical, economic, and environmental effects of hybrid power systems. Energy Convers. Manag. 2023, 291, 117272. [Google Scholar] [CrossRef]
- Bartolucci, L.; Cordiner, S.; Mulone, V.; Santarelli, M.; Ortenzi, F.; Pasquali, M. PV assisted electric vehicle charging station considering the integration of stationary first-or second-life battery storage. J. Clean. Prod. 2023, 383, 135426. [Google Scholar] [CrossRef]
- Illa Font, C.H.; Siqueira, H.V.; Machado Neto, J.E.; Santos, J.L.F.d.; Stevan, S.L., Jr.; Converti, A.; Corrêa, F.C. Second Life of Lithium-Ion Batteries of Electric Vehicles: A Short Review and Perspectives. Energies 2023, 16, 953. [Google Scholar] [CrossRef]
- Tang, H.; Wang, S. Life-cycle economic analysis of thermal energy storage, new and second-life batteries in buildings for providing multiple flexibility services in electricity markets. Energy 2023, 264, 126270. [Google Scholar] [CrossRef]
- Zhang, Y.; Wei, D.; Luo, F.; Deng, Y.; Qiu, J.; Dong, Z.Y. Two-Stage Capacity Determination Framework for Residential Second-Life BESSs Considering Cloud Energy Storage Service. IEEE Syst. J. 2023, 17, 4737–4747. [Google Scholar] [CrossRef]
- Wangsupphaphol, A.; Chaitusaney, S.; Salem, M. A Techno-Economic Assessment of a Second-Life Battery and Photovoltaics Hybrid Power Source for Sustainable Electric Vehicle Home Charging. Sustainability 2023, 15, 5866. [Google Scholar] [CrossRef]
- Salek, F.; Morrey, D.; Henshall, P.; Resalati, S. Techno-Economic Assessment of Utilising Second-Life Batteries in Electric Vehicle Charging Stations; Report No.: 0148-7191; SAE Technical Paper; SAE: Warrendale, PA, USA, 2023. [Google Scholar]
- Nováková, K.; Pražanová, A.; Stroe, D.-I.; Knap, V. Second-Life of Lithium-Ion Batteries from Electric Vehicles: Concept, Aging, Testing, and Applications. Energies 2023, 16, 2345. [Google Scholar] [CrossRef]
- Masaud, T.M.; El-Saadany, E. Optimal Battery Planning for Microgrid Applications Considering Battery Swapping and Evolution of the SOH During Lifecycle Aging. IEEE Syst. J. 2023, 17, 4725–4736. [Google Scholar] [CrossRef]
- Moy, K.; Onori, S. Synthetic Grid Storage Duty Cycles for Second-Life Lithium-Ion Battery Experiments; Report No.: 0148-7191; SAE Technical Paper; SAE: Warrendale, PA, USA, 2023. [Google Scholar]
- Rallo, H.; Benveniste, G.; Gestoso, I.; Amante, B. Economic analysis of the disassembling activities to the reuse of electric vehicles Li-ion batteries. Resour. Conserv. Recycl. 2020, 159, 104785. [Google Scholar] [CrossRef]
- Casals, L.C.; Barbero, M.; Corchero, C. Reused second life batteries for aggregated demand response services. J. Clean. Prod. 2019, 212, 99–108. [Google Scholar] [CrossRef]
- Casals, L.C.; García, B.A.; Aguesse, F.; Iturrondobeitia, A. Second life of electric vehicle batteries: Relation between materials degradation and environmental impact. Int. J. Life Cycle Assess. 2017, 22, 82–93. [Google Scholar] [CrossRef]
- Cusenza, M.A.; Guarino, F.; Longo, S.; Mistretta, M.; Cellura, M. Reuse of electric vehicle batteries in buildings: An integrated load match analysis and life cycle assessment approach. Energy Build. 2019, 186, 339–354. [Google Scholar] [CrossRef]
- Cusenza, M.A.; Guarino, F.; Longo, S.; Ferraro, M.; Cellura, M. Energy and environmental benefits of circular economy strategies: The case study of reusing used batteries from electric vehicles. J. Energy Storage 2019, 25, 100845. [Google Scholar] [CrossRef]
- Haram, M.H.S.M.; Lee, J.W.; Ramasamy, G.; Ngu, E.E.; Thiagarajah, S.P.; Lee, Y.H. Feasibility of utilising second life EV batteries: Applications, lifespan, economics, environmental impact, assessment, and challenges. Alex. Eng. J. 2021, 60, 4517–4536. [Google Scholar] [CrossRef]
- Steckel, T.; Kendall, A.; Ambrose, H. Applying levelized cost of storage methodology to utility-scale second-life lithium-ion battery energy storage systems. Appl. Energy 2021, 300, 117309. [Google Scholar] [CrossRef]
- Sun, B.; Su, X.; Wang, D.; Zhang, L.; Liu, Y.; Yang, Y.; Liang, H.; Gong, M.; Zhang, W.; Jiang, J. Economic analysis of lithium-ion batteries recycled from electric vehicles for secondary use in power load peak shaving in China. J. Clean. Prod. 2020, 276, 123327. [Google Scholar] [CrossRef]
- Kamath, D.; Shukla, S.; Arsenault, R.; Kim, H.C.; Anctil, A. Evaluating the cost and carbon footprint of second-life electric vehicle batteries in residential and utility-level applications. Waste Manag. 2020, 113, 497–507. [Google Scholar] [CrossRef] [PubMed]
- Mathews, I.; Xu, B.; He, W.; Barreto, V.; Buonassisi, T.; Peters, I.M. Technoeconomic model of second-life batteries for utility-scale solar considering calendar and cycle aging. Appl. Energy 2020, 269, 115127. [Google Scholar] [CrossRef]
- Sanghai, B.; Sharma, D.; Baidya, K.; Raja, M. Refurbished and Repower: Second Life of Batteries from Electric Vehicles for Stationary Application; Report No.: 0148-7191; SAE Technical Paper; SAE: Warrendale, PA, USA, 2019. [Google Scholar]
- Li, J.; He, S.; Yang, Q.; Wei, Z.; Li, Y.; He, H. A Comprehensive Review of Second Life Batteries Towards Sustainable Mechanisms: Potential, Challenges, and Future Prospects. IEEE Trans. Transp. Electrif. 2022, 9, 4824–4845. [Google Scholar] [CrossRef]
- Gu, X.; Bai, H.; Cui, X.; Zhu, J.; Zhuang, W.; Li, Z.; Hu, X.; Song, Z. Challenges and opportunities for second-life batteries: Key technologies and economy. Renew. Sustain. Energy Rev. 2024, 192, 114191. [Google Scholar] [CrossRef]
- J2997; Standards for Battery Secondary Use. SAE: Warrendale, PA, USA, 2012. Available online: https://www.sae.org/standards/content/j2997/ (accessed on 21 December 2023).
- Office for Product Safety & Standards. A Study on the Safety of Second-Life Batteries in Battery Energy Storage Systems-Final Report; Office for Product Safety & Standards: London, UK, 2023. [Google Scholar]
- Available online: https://clarivate.com/webofsciencegroup/solutions/web-of-science/ (accessed on 21 December 2023).
- Schulz-Mönninghoff, M.; Neidhardt, M.; Niero, M. What is the contribution of different business processes to material circularity at company-level? A case study for electric vehicle batteries. J. Clean. Prod. 2023, 382, 135232. [Google Scholar] [CrossRef]
- Qi, L.; Wang, Y.; Kong, L.; Yi, M.; Song, J.; Hao, D.; Zhou, X.; Zhang, Z.; Yan, J. Manufacturing processes and recycling technology of automotive lithium-ion battery: A review. J. Energy Storage 2023, 67, 107533. [Google Scholar] [CrossRef]
- Júnior, C.A.R.; Sanseverino, E.R.; Gallo, P.; Koch, D.; Kotak, Y.; Schweiger, H.-G.; Zanin, H. Towards a business model for second-life batteries–barriers, opportunities, uncertainties, and technologies. J. Energy Chem. 2023, 78, 507–525. [Google Scholar] [CrossRef]
- Battery Energy Storage—Energy Management Software. Available online: https://connected-energy.co.uk/battery-energy-storage/energy-management-software/ (accessed on 21 December 2023).
- Battery Management+. Available online: https://brillpower.com/technology/brillcore/ (accessed on 21 December 2023).
- Lu, Y.; Zhang, Q.; Li, F.; Chen, J. Emerging Lithiated Organic Cathode Materials for Lithium-Ion Full Batteries. Angew. Chem. 2023, 135, e202216047. [Google Scholar] [CrossRef]
- GOV.UK. Vehicles Statistics. Available online: https://www.gov.uk/government/collections/vehicles-statistics (accessed on 21 December 2023).
- Renewables, V. 2nd Life Battery Storage Projects in Europe. Available online: https://www.vde.com/resource/blob/2212740/23eabc6fc64bb8bae16a13e6c19e847f/emilas-2nd-life-project-data.pdf (accessed on 21 December 2023).
- Schmitt, J.; Horstkötter, I.; Bäker, B. Electrical lithium-ion battery models based on recurrent neural networks: A holistic approach. J. Energy Storage 2023, 58, 106461. [Google Scholar] [CrossRef]
- Karimi, D.; Behi, H.; Van Mierlo, J.; Berecibar, M. Equivalent Circuit Model for High-Power Lithium-Ion Batteries under High Current Rates, Wide Temperature Range, and Various State of Charges. Batteries 2023, 9, 101. [Google Scholar] [CrossRef]
- Qi, C.; Wang, S.; Cao, W.; Xie, Y.; Lei, M. On-Line Multi-Time Scale Adaptive Parameter Identification Based on Improved Lithium-Ion Batteries Hysteresis Characteristic-Electrical Equivalent Circuit Modeling. J. Electrochem. Soc. 2023, 170, 040532. [Google Scholar] [CrossRef]
- Tong, S.J.; Same, A.; Kootstra, M.A.; Park, J.W. Off-grid photovoltaic vehicle charge using second life lithium batteries: An experimental and numerical investigation. Appl. Energy 2013, 104, 740–750. [Google Scholar] [CrossRef]
- Assunção, A.; Moura, P.S.; de Almeida, A.T. Technical and economic assessment of the secondary use of repurposed electric vehicle batteries in the residential sector to support solar energy. Appl. Energy 2016, 181, 120–131. [Google Scholar] [CrossRef]
- Second Life EV Energy Storage: Second Life EV Batteries Ltd. 2023. Available online: https://www.secondlife-evbatteries.com/ (accessed on 21 December 2023).
- Aruna, P.; Vasan Prabhu, V.; Krishna Kumar, V. Investigation on Physics-Based Models of Lithium Ion Batteries in Electric Vehicle Applications: A Review. In Recent Advances in Power Electronics and Drives: Select Proceedings of EPREC 2022; Springer: Singapore, 2023; pp. 33–46. [Google Scholar]
- Müller, D.; Dufaux, T.; Birke, K.P. Model-based investigation of porosity profiles in graphite anodes regarding sudden-death and second-life of lithium ion cells. Batteries 2019, 5, 49. [Google Scholar] [CrossRef]
- Tu, H.; Moura, S.; Wang, Y.; Fang, H. Integrating physics-based modeling with machine learning for lithium-ion batteries. Appl. Energy 2023, 329, 120289. [Google Scholar] [CrossRef]
- Xu, J.; Sun, C.; Ni, Y.; Lyu, C.; Wu, C.; Zhang, H.; Yang, Q.; Feng, F. Fast Identification of Micro-Health Parameters for Retired Batteries Based on a Simplified P2D Model by Using Padé Approximation. Batteries 2023, 9, 64. [Google Scholar] [CrossRef]
- Li, R.; Hassan, A.; Gupte, N.; Su, W.; Zhou, X. Degradation Prediction and Cost Optimization of Second-Life Battery Used for Energy Arbitrage and Peak-Shaving in an Electric Grid. Energies 2023, 16, 6200. [Google Scholar] [CrossRef]
- Hart, P., Kollmeyer, P., Juang, L., Lasseter, R., Jahns, T., Eds.; Modeling of second-life batteries for use in a CERTS microgrid. In Proceedings of the 2014 Power and Energy Conference at Illinois (PECI), Champaign, IL, USA, 28 February–1 March 2014; pp. 1–8. [Google Scholar]
- Dvorak, D.; Bäuml, T.; Holzinger, A.; Popp, H. A comprehensive algorithm for estimating lithium-ion battery parameters from measurements. IEEE Trans. Sustain. Energy 2017, 9, 771–779. [Google Scholar] [CrossRef]
- Abdel-Monem, M.; Hegazy, O.; Omar, N.; Trad, K.; Van den Bossche, P.; Van Mierlo, J. (Eds.) Lithium-ion batteries: Comprehensive technical analysis of second-life batteries for smart grid applications. In Proceedings of the 2017 19th European Conference on Power Electronics and Applications (EPE’17 ECCE Europe), Warsaw, Poland, 11–14 September 2017. [Google Scholar]
- Uddin, K.; Gough, R.; Radcliffe, J.; Marco, J.; Jennings, P. Techno-economic analysis of the viability of residential photovoltaic systems using lithium-ion batteries for energy storage in the United Kingdom. Appl. Energy 2017, 206, 12–21. [Google Scholar] [CrossRef]
- Tong, S.; Fung, T.; Klein, M.P.; Weisbach, D.A.; Park, J.W. Demonstration of reusing electric vehicle battery for solar energy storage and demand side management. J. Energy Storage 2017, 11, 200–210. [Google Scholar] [CrossRef]
- Locorotondo, E.; Cultrera, V.; Pugi, L.; Berzi, L.; Pasquali, M.; Andrenacci, N.; Lutzemberger, G.; Pierini, M. (Eds.) Impedance spectroscopy characterization of lithium batteries with different ages in second life application. In Proceedings of the 2020 IEEE International Conference on Environment and Electrical Engineering and 2020 IEEE Industrial and Commercial Power Systems Europe (EEEIC/I&CPS Europe), Madrid, Spain, 9–12 June 2020. [Google Scholar]
- Choi, W.; Shin, H.-C.; Kim, J.M.; Choi, J.-Y.; Yoon, W.-S. Modeling and applications of electrochemical impedance spectroscopy (EIS) for lithium-ion batteries. J. Electrochem. Sci. Technol. 2020, 11, 1–13. [Google Scholar] [CrossRef]
- Lipu, M.H.; Ansari, S.; Miah, M.S.; Meraj, S.T.; Hasan, K.; Shihavuddin, A.; Hannan, M.; Muttaqi, K.M.; Hussain, A. Deep learning enabled state of charge, state of health and remaining useful life estimation for smart battery management system: Methods, implementations, issues and prospects. J. Energy Storage 2022, 55, 105752. [Google Scholar] [CrossRef]
- Ren, P.; Wang, S.; Chen, X.; Huang, J.; He, M. Fusion estimation strategy based on dual adaptive Kalman filtering algorithm for the state of charge and state of health of hybrid electric vehicle Li-ion batteries. Int. J. Energy Res. 2022, 46, 7374–7388. [Google Scholar] [CrossRef]
- Chen, Z.; Zhang, S.; Shi, N.; Li, F.; Wang, Y.; Cui, J. Online state-of-health estimation of lithium-ion battery based on relevance vector machine with dynamic integration. Appl. Soft Comput. 2022, 129, 109615. [Google Scholar] [CrossRef]
- Amir, S.; Gulzar, M.; Tarar, M.O.; Naqvi, I.H.; Zaffar, N.A.; Pecht, M.G. Dynamic equivalent circuit model to estimate state-of-health of lithium-ion batteries. IEEE Access 2022, 10, 18279–18288. [Google Scholar] [CrossRef]
- Kaize, A.M.; Salek, F.; Azizi, A.; Collier, G.; Resalati, S. Applied Mechatronics: A Case Study on Mathematical Modelling and Experimental Analysis of the Second Life Batteries. In Control Engineering in Mechatronics; Springer: Singapore, 2023; pp. 123–139. [Google Scholar]
- Xu, B. Degradation-Limiting Optimization of Battery Energy Storage Systems Operation. Master’s Thesis, ETH Zurich, Zürich, Switzerland, 2013. [Google Scholar]
- Canals Casals, L.; Amante García, B. Second-life batteries on a gas turbine power plant to provide area regulation services. Batteries 2017, 3, 10. [Google Scholar] [CrossRef]
- Guha, A.; Patra, A. State of health estimation of lithium-ion batteries using capacity fade and internal resistance growth models. IEEE Trans. Transp. Electrif. 2017, 4, 135–146. [Google Scholar] [CrossRef]
- Chacón, X.C.A.; Laureti, S.; Ricci, M.; Cappuccino, G. A Review of Non-Destructive Techniques for Lithium-Ion Battery Performance Analysis. World Electr. Veh. J. 2023, 14, 305. [Google Scholar] [CrossRef]
- Shabbir, H.; Dunford, W.; Shoa, T. (Eds.) State of health estimation of Li-ion batteries using Electrochemical Impedance Spectroscopy. In Proceedings of the 2017 IEEE Transportation Electrification Conference and Expo (ITEC), Chicago, IL, USA, 22–24 June 2017; pp. 108–112. [Google Scholar]
- Sarmah, S.B.; Kalita, P.; Garg, A.; Niu, X.-D.; Zhang, X.-W.; Peng, X.; Bhattacharjee, D. A review of state of health estimation of energy storage systems: Challenges and possible solutions for futuristic applications of li-ion battery packs in electric vehicles. J. Electrochem. Energy Convers. Storage 2019, 16, 040801. [Google Scholar] [CrossRef]
- Wang, X.; Wei, X.; Dai, H. Estimation of state of health of lithium-ion batteries based on charge transfer resistance considering different temperature and state of charge. J. Energy Storage 2019, 21, 618–631. [Google Scholar] [CrossRef]
- Redondo-Iglesias, E.; Venet, P.; Pelissier, S. Calendar and cycling ageing combination of batteries in electric vehicles. Microelectron. Reliab. 2018, 88, 1212–1215. [Google Scholar] [CrossRef]
- Zhang, Q.; Li, X.; Du, Z.; Liao, Q. Aging performance characterization and state-of-health assessment of retired lithium-ion battery modules. J. Energy Storage 2021, 40, 102743. [Google Scholar] [CrossRef]
- Jiang, Y.; Jiang, J.; Zhang, C.; Zhang, W.; Gao, Y.; Li, N. State of health estimation of second-life LiFePO4 batteries for energy storage applications. J. Clean. Prod. 2018, 205, 754–762. [Google Scholar] [CrossRef]
- Bhatt, A.; Ongsakul, W.; Madhu, N.; Singh, J.G. Machine learning-based approach for useful capacity prediction of second-life batteries employing appropriate input selection. Int. J. Energy Res. 2021, 45, 21023–21049. [Google Scholar] [CrossRef]
- Naguib, M.; Kollmeyer, P.; Emadi, A. Lithium-ion battery pack robust state of charge estimation, cell inconsistency, and balancing. IEEE Access 2021, 9, 50570–50582. [Google Scholar] [CrossRef]
- Jiang, B.; Dai, H.; Wei, X. A cell-to-pack state estimation extension method based on a multilayer difference model for series-connected battery packs. IEEE Trans. Transp. Electrif. 2021, 8, 2037–2049. [Google Scholar] [CrossRef]
- Quinard, H.; Redondo-Iglesias, E.; Pelissier, S.; Venet, P. Fast electrical characterizations of high-energy second life lithium-ion batteries for embedded and stationary applications. Batteries 2019, 5, 33. [Google Scholar] [CrossRef]
- Braco, E.; San Martin, I.; Ursúa, A.; Sanchis, P. (Eds.) Incremental capacity analysis of lithium-ion second-life batteries from electric vehicles under cycling ageing. In Proceedings of the 2021 IEEE International Conference on Environment and Electrical Engineering and 2021 IEEE Industrial and Commercial Power Systems Europe (EEEIC/I&CPS Europe), Bari, Italy, 7–10 September 2021. [Google Scholar]
- Attidekou, P.S.; Milojevic, Z.; Muhammad, M.; Ahmeid, M.; Lambert, S.; Das, P.K. Methodologies for Large-Size Pouch Lithium-Ion Batteries End-of-Life Gateway Detection in the Second-Life Application. J. Electrochem. Soc. 2020, 167, 160534. [Google Scholar] [CrossRef]
- Pastor-Fernández, C.; Uddin, K.; Chouchelamane, G.H.; Widanage, W.D.; Marco, J. A comparison between electrochemical impedance spectroscopy and incremental capacity-differential voltage as Li-ion diagnostic techniques to identify and quantify the effects of degradation modes within battery management systems. J. Power Sources 2017, 360, 301–318. [Google Scholar] [CrossRef]
- Noura, N.; Boulon, L.; Jemeï, S. A review of battery state of health estimation methods: Hybrid electric vehicle challenges. World Electr. Veh. J. 2020, 11, 66. [Google Scholar] [CrossRef]
- Chen, F.; Huang, R.; Wang, C.; Yu, X.; Liu, H.; Wu, Q.; Qian, K.; Bhagat, R. Air and PCM cooling for battery thermal management considering battery cycle life. Appl. Therm. Eng. 2020, 173, 115154. [Google Scholar] [CrossRef]
- Liu, J.; Fan, Y.; Xie, Q. Feasibility study of a novel oil-immersed battery cooling system: Experiments and theoretical analysis. Appl. Therm. Eng. 2022, 208, 118251. [Google Scholar] [CrossRef]
- Drallmeier, J.A.; Wong, C.; Solbrig, C.E.; Siegel, J.B.; Stefanopoulou, A.G. A Fast Diagnostic to Inform Screening of Discarded or Retired Batteries. arXiv 2022, arXiv:2203.12376. [Google Scholar]
- Elis, S. Second Life Applications for Degraded EV Batteries: Evaluating Benefits Basedon Remaining Useful Life and Battery Configurations. [Dissertation]. 2023. Available online: https://urn.kb.se/resolve?urn=urn:nbn:se:liu:diva-196013 (accessed on 21 December 2023).
- Hu, X.; Deng, X.; Wang, F.; Deng, Z.; Lin, X.; Teodorescu, R.; Pecht, M.G. A review of second-life lithium-ion batteries for stationary energy storage applications. Proc. IEEE 2022, 110, 735–753. [Google Scholar] [CrossRef]
- Najeeb, M.; Schwalbe, U. (Eds.) Development of a Test Method to Evaluate Lithium-Ion Batteries for Second Life in Renewable Energy Applications. In Proceedings of the International Renewable Energy Storage Conference 2021 (IRES 2021), Online, 16–18 March 2021; pp. 167–178. [Google Scholar]
- Lai, X.; Deng, C.; Tang, X.; Gao, F.; Han, X.; Zheng, Y. Soft clustering of retired lithium-ion batteries for the secondary utilization using Gaussian mixture model based on electrochemical impedance spectroscopy. J. Clean. Prod. 2022, 339, 130786. [Google Scholar] [CrossRef]
- Lyu, Z.; Zhang, Y.; Wang, G.; Gao, R. A semiparametric clustering method for the screening of retired Li-ion batteries from electric vehicles. J. Energy Storage 2023, 63, 107030. [Google Scholar] [CrossRef]
- Tran, M.; Messo, T.; Luhtala, R.; Sihvo, J.; Roinila, T. (Eds.) Used Lithium-Ion Batteries in Second-Life Applications: Feasibility Study. In Proceedings of the 2022 IEEE Energy Conversion Congress and Exposition (ECCE), Detroit, MI, USA, 9–13 October 2022; pp. 1–5. [Google Scholar]
- Huang, X.; Gao, R.; Zhang, L.; Lv, X.; Shu, S.; Tang, X.; Wang, Z.; Zheng, J. SOC Estimation Based on Combination of Electrochemical and External Characteristics for Hybrid Lithium-Ion Capacitors. Batteries 2023, 9, 163. [Google Scholar] [CrossRef]
- Sun, J.; Kainz, J. Optimization of hybrid pulse power characterization profile for equivalent circuit model parameter identification of Li-ion battery based on Taguchi method. J. Energy Storage 2023, 70, 108034. [Google Scholar] [CrossRef]
- Liu, M.; Zhou, X.; Yang, L.; Ju, X. A novel Kalman-filter-based battery internal temperature estimation method based on an enhanced electro-thermal coupling model. J. Energy Storage 2023, 71, 108241. [Google Scholar] [CrossRef]
- Alsharif, K.I.; Pesch, A.H.; Borra, V.; Li, F.X.; Cortes, P.; Macdonald, E.; Choo, K. A Coupled Thermo-Mechanical Dynamic Characterization of Cylindrical Batteries. IEEE Access 2022, 10, 51708–51722. [Google Scholar] [CrossRef]
- Chen, Y.; Bahitbek, A.; Song, Q.; Peng, H. (Eds.) The Scheme for SOC Estimation of Lithium-ion Batteries based on EQ-OCV-Ah-EKF. J. Phys. Conf. Ser. 2023, 2456, 012033. [Google Scholar] [CrossRef]
- Huang, Y.; Li, Y.; Jiang, L.; Qiao, X.; Cao, Y.; Yu, J. (Eds.) Research on Fitting Strategy in HPPC Test for Li-ion battery. In Proceedings of the 2019 IEEE Sustainable Power and Energy Conference (iSPEC), Beijing, China, 21–23 November 2019; pp. 1776–1780. [Google Scholar]
- Muhammad, M.; Ahmeid, M.; Attidekou, P.; Milojevic, Z.; Lambert, S.; Das, P. (Eds.) Assessment of spent EV batteries for second-life application. In Proceedings of the 2019 IEEE 4th International Future Energy Electronics Conference (IFEEC), Singapore, 25–28 November 2019. [Google Scholar]
- Muhammad, M.; Attidekou, P.; Ahmeid, M.; Milojevic, Z.; Lambert, S. (Eds.) Sorting of spent electric vehicle batteries for second life application. In Proceedings of the 2019 IEEE 7th International Conference on Smart Energy Grid Engineering (SEGE), Oshawa, ON, Canada, 12–14 August 2019; pp. 325–329. [Google Scholar]
- Martinez-Laserna, E.; Sarasketa-Zabala, E.; Sarria, I.V.; Stroe, D.-I.; Swierczynski, M.; Warnecke, A.; Timmermans, J.-M.; Goutam, S.; Omar, N.; Rodriguez, P. Technical viability of battery second life: A study from the ageing perspective. IEEE Trans. Ind. Appl. 2018, 54, 2703–2713. [Google Scholar] [CrossRef]
- Seger, P.V.; Thivel, P.-X.; Riu, D. A second life Li-ion battery ageing model with uncertainties: From cell to pack analysis. J. Power Sources 2022, 541, 231663. [Google Scholar] [CrossRef]
- Swierczynski, M.; Stroe, D.-I. (Eds.) Calendar ageing of LiFePO 4/C batteries in the second life applications. In Proceedings of the 2017 19th European Conference on Power Electronics and Applications (EPE’17 ECCE Europe), Warsaw, Poland, 11–14 September 2017. [Google Scholar]
- Timmermans, J.-M.; Nikolian, A.; De Hoog, J.; Gopalakrishnan, R.; Goutam, S.; Omar, N.; Coosemans, T.; Van Mierlo, J.; Warnecke, A.; Sauer, D.U. (Eds.) Batteries 2020—Lithium-ion battery first and second life ageing, validated battery models, lifetime modelling and ageing assessment of thermal parameters. In Proceedings of the 2016 18th European Conference on Power Electronics and Applications (EPE’16 ECCE Europe), Karlsruhe, Germany, 5–9 September 2016. [Google Scholar]
- Braco, E.; San Martín, I.; Sanchis, P.; Ursúa, A. (Eds.) Analysis and modelling of calendar ageing in second-life lithium-ion batteries from electric vehicles. In Proceedings of the 2022 IEEE International Conference on Environment and Electrical Engineering and 2022 IEEE Industrial and Commercial Power Systems Europe (EEEIC/I&CPS Europe), Prague, Czech Republic, 28 June–1 July 2022. [Google Scholar]
- Neubauer, J.S.; Wood, E.; Pesaran, A. A second life for electric vehicle batteries: Answering questions on battery degradation and value. SAE Int. J. Mater. Manuf. 2015, 8, 544–553. [Google Scholar] [CrossRef]
- Swierczynski, M.; Stroe, D.I.; Laserna, E.M.; Sarasketa-Zabala, E.; Timmermans, J.M.; Goutam, S.; Teodorescu, R. The Second life ageing of the NMC/C electric vehicle retired Li-ion batteries in the stationary applications. ECS Trans. 2016, 74, 55. [Google Scholar] [CrossRef]
- Vaidya, R.; Selvan, V.; Badami, P.; Knoop, K.; Kannan, A.M. Plug-in hybrid vehicle and second-life applications of lithium-ion batteries at elevated temperature. Batter. Supercaps 2018, 1, 75–82. [Google Scholar] [CrossRef]
- Braco, E.; San Martín, I.; Sanchis, P.; Ursúa, A. (Eds.) Characterization and capacity dispersion of lithium-ion second-life batteries from electric vehicles. In Proceedings of the 2019 IEEE International Conference on Environment and Electrical Engineering and 2019 IEEE Industrial and Commercial Power Systems Europe (EEEIC/I&CPS Europe), Genova, Italy, 11–14 June 2019. [Google Scholar]
- Braco, E.; San Martín, I.; Berrueta, A.; Sanchis, P.; Ursúa, A. Experimental assessment of cycling ageing of lithium-ion second-life batteries from electric vehicles. J. Energy Storage 2020, 32, 101695. [Google Scholar] [CrossRef]
- Salinas, F.; Krueger, L.; Neupert, S.; Kowal, J. A second life for li-ion cells rescued from notebook batteries. J. Energy Storage 2019, 24, 100747. [Google Scholar] [CrossRef]
- Farmann, A.; Sauer, D.U. Comparative study of reduced order equivalent circuit models for on-board state-of-available-power prediction of lithium-ion batteries in electric vehicles. Appl. Energy 2018, 225, 1102–1122. [Google Scholar] [CrossRef]
- Di Rienzo, R.; Nicodemo, N.; Verani, A.; Baronti, F.; Roncella, R.; Saletti, R. A novel methodology to study and compare active energy-balance architectures with dynamic equalization for second-life battery applications. J. Energy Storage 2023, 73, 108772. [Google Scholar] [CrossRef]
- Castillo-Martínez, D.H.; Rodríguez-Rodríguez, A.J.; Soto, A.; Berrueta, A.; Vargas-Requena, D.T.; Matias, I.R.; Sanchis, P.; Ursúa, A.; Rodríguez-Rodríguez, W.E. Design and on-field validation of an embedded system for monitoring second-life electric vehicle lithium-ion batteries. Sensors 2022, 22, 6376. [Google Scholar] [CrossRef]
- Baumann, M.; Rohr, S.; Lienkamp, M. (Eds.) Cloud-connected battery management for decision making on second-life of electric vehicle batteries. In Proceedings of the 2018 Thirteenth International Conference on Ecological Vehicles and Renewable Energies (EVER), Monte Carlo, Monaco, 10–12 April 2018; pp. 1–6. [Google Scholar]
- Mubenga, N.S.; Salami, B.; Stuart, T. Bilevel vs. passive equalizers for second life EV batteries. Electricity 2021, 2, 63–76. [Google Scholar] [CrossRef]
- Khalid, A.; Stevenson, A.; Sarwat, A.I. Performance analysis of commercial passive balancing battery management system operation using a hardware-in-the-loop testbed. Energies 2021, 14, 8037. [Google Scholar] [CrossRef]
- Ziegler, A.; Oeser, D.; Hein, T.; Ackva, A. (Eds.) Development and application of an active balancing system for lithium-ion cells. In Proceedings of the 2019 IEEE Vehicle Power and Propulsion Conference (VPPC), Hanoi, Vietnam, 14–17 October 2019; pp. 1–6. [Google Scholar]
- BrillCore. Available online: https://brillpower.com/ (accessed on 21 December 2023).
- Control Software. Available online: https://connected-energy.co.uk (accessed on 21 December 2023).
- Linse, C.; Kuhn, R. Design of high-voltage battery packs for electric vehicles. In Advances in Battery Technologies for Electric Vehicles; Elsevier: Amsterdam, The Netherlands, 2015; pp. 245–263. [Google Scholar]
- Fuchss, S.; Michaelides, A.; Stocks, O.; Devenport, R. The propulsion system of the new jaguar I-pace. MTZ Worldw. 2019, 80, 18–25. [Google Scholar] [CrossRef]
- Wei, L.; Jie, L.; Wenji, S.; Ziping, F. (Eds.) Study on passive balancing characteristics of serially connected lithium-ion battery string. In Proceedings of the 2017 13th IEEE International Conference on Electronic Measurement & Instruments (ICEMI), Yangzhou, China, 20–22 October 2017; pp. 489–495. [Google Scholar]
- Hemavathi, S. Overview of cell balancing methods for Li-ion battery technology. Energy Storage 2021, 3, e203. [Google Scholar]
- Miao, Y.; Zhang, W.; Liu, W.; Kang, D.; Wang, S.; Chen, Z.; Liu, J.; Chen, B.; Zhu, L. (Eds.) Research progress of energy equalization topology of power lithium battery pack. In Proceedings of the E3S Web of Conferences, Yichang, China, 10–12 March 2023; p. 02015. [Google Scholar]
- Xu, B.; Lee, J.; Kwon, D.; Kong, L.; Pecht, M. Mitigation strategies for Li-ion battery thermal runaway: A review. Renew. Sustain. Energy Rev. 2021, 150, 111437. [Google Scholar] [CrossRef]
- Einhorn, M.; Roessler, W.; Fleig, J. Improved performance of serially connected Li-ion batteries with active cell balancing in electric vehicles. IEEE Trans. Veh. Technol. 2011, 60, 2448–2457. [Google Scholar] [CrossRef]
- Carter, J.; Fan, Z.; Cao, J. Cell equalisation circuits: A review. J. Power Sources 2020, 448, 227489. [Google Scholar] [CrossRef]
- Ibraheem, R.; Strange, C.; Dos Reis, G. Capacity and Internal Resistance of lithium-ion batteries: Full degradation curve prediction from Voltage response at constant Current at discharge. J. Power Sources 2023, 556, 232477. [Google Scholar] [CrossRef]
- Wen, S. Cell balancing buys extra run time and battery life. Analog Appl. J. 2009, 1. Available online: https://www.ti.com/lit/an/slyt319/slyt319.pdf#page=14 (accessed on 15 January 2024).
- Vitols, K. Efficiency of LiFePO4 battery and charger with passive balancing. In Proceedings of the 2015 IEEE 3rd Workshop on Advances in Information, Electronic and Electrical Engineering (AIEEE), Riga, Latvia, 13–14 November 2015; pp. 1–4. [Google Scholar]
- Iqbal, H.; Sarwar, S.; Kirli, D.; Shek, J.K.; Kiprakis, A.E. A survey of second-life batteries based on techno-economic perspective and applications-based analysis. Carbon Neutrality 2023, 2, 8. [Google Scholar] [CrossRef]































| Vehicle Model | Proportion | Cell Manufacturer | Battery Chemistry | Capacity |
|---|---|---|---|---|
| TESLA MODEL 3 | 46,952 | PANASONIC | LFP | 80.5 |
| NISSAN LEAF | 40,462 | Envision AESC | NMC | 40–62 kWh |
| BMW i3 | 13,054 | SAMSUNG SDI | NMC | 33.77–42.2 kWh |
| KIA NIRO | 12,900 | SK Innovation | NMC | 67.5 kWh |
| RENAULT ZOE | 18,111 | LG Chem | NMC | 44.1–54.66 kWh |
| VOLKSWAGEN GOLF | 7449 | SAMSUNG SDI | NMC | 35.8 kWh |
| JAGUAR I-PACE | 14,692 | LG Chem | NMC | 90 kWh |
| AUDI E-TRON | 10,422 | LG Chem | NMC | 95 kWh |
| TESLA MODEL S | 10,356 | Panasonic | NCA | 102.4 kWh |
| VOLKSWAGEN ID3 | 9035 | LG Chem | NMC | 55–62–82 kWh |
| HYUNDAI IONIQ | 5217 | LG Chem | NMC | 40.4 kWh |
| MG ZS | 8558 | CATL | LFP | 44.5 kWh |
| NISSAN E-NV200 | 1095 | Envision AESC | NMC | 40 kWh |
| Project Name | Partners | Location, Launch | Capacity | Chemistry | Application |
|---|---|---|---|---|---|
| Battery 2nd life | BMW, Bosch Energy Storage Solutions, Vattenfall | Hamburg, Germany, 2013 | 2.8 MWh | NMC | Power station for peak shaving |
| GUW+ | ALSTOM ELPRO Fraunhofer IVI M&P Motion Control & Power Electronics TU Dresden ÜSTRA | Hannover, Germany, 2019 | 500 kWh | NMC | Energy-storage unit for trams |
| Flexible fast charging station VW Group Components | VW | Wolfsburg, Germany, 2020 | NMC | 100 kWh | Fast-charging station |
| EUREF Campus | Audi, The Mobility House, EUREF Campus | Berlin, Germany, 2019 | NMC | 1.9 MWh | Power station for peak shaving, co-generation plant |
| Amsterdam ArenA | Nissan, Eaton, The Mobility House, BAM | Amsterdam, Netherlands, 2018 | NMC | 2.8 MWh | Back-up power |
| Anubis | RWE, VDL Bus & Coach | Moerdijk, Netherlands | Unknown | 7.5 MWh | Grid stabilization, peak shaving |
| Lünen | Daimler, Remondis, GETEC, Mercedes–Benz Energy | Lünen, Germany, 2016 | NMC | 13 MWh | Grid stabilization, peak shaving |
| Pumped storage power plant at Hengsteysee | RWE, Audi | Herdecke, Germany, 2021 | NMC | 4.5 MWh | Pumped-storage power plant |
| Smart Battery Storage | Renault, The Mobility House, Fenecon | Elverlingsen, Germany, 2020 | NMC | 3 MWh | Grid stabilization, peak shaving |
| Elverlingsen | Daimler, GETEC Energie, Mercedes–Benz Energy | Elverlingsen, Germany, 2018 | NMC | 21 MWh | Grid stabilization, peak shaving |
| JT Energy Systems | Jungheinrich and Triathlon | Freiberg (Saxony), Germany, 2022 | NMC | 25 MWh | NA |
| Smart Hubs | Renault, Connected Energy, Moixa Passive Systems, ICAX, Newcastle University, West Sussex County Council, Innovate UK | West Sussex, UK, 2019 | NMC | 14.5 MWh | Grid stabilization, peak shaving |
| Advanced Battery Storage | Renault, The Mobility House, Nidec | Douai, France, 2019 | NMC | 4.7 MWh | Grid stabilization, peak shaving |
| EMILAS | Fraunhofer ISE, DSG Energiekonzepte, Deer, Beck Automation, VDE Renewables | Weinsberg, Germany, 2021 | NMC | 194 kWh | Charging stations in apartment blocks |
| Fluxlicon | RWTH Aachen, PEM Motion, ConAC, DEKRA | Aachen, Germany, 2024 | NMC | 1 MWh | Municipal charging infrastructure |
| EnBW-Heizkraftwerk | Audi, EnBW | Heilbronn, Germany, 2022 | NMC | 1 MW | Grid stabilization, peak shaving |
| SecondLifeBatteries4Storage | AVL List, AVL DiTest, Energie Steiermark, Saubermacher, Smart Power | Premstätten, Austria, 2020 | NMC | 96 MWh | Grid stabilization, peak shaving |
| Smart Fossil Free Island | Renault, Empresa Electricidade da Madeira, The Mobility House, ABB | Porto Santo, Portugal, 2018 | NMC | 132 kW | Vehicle-to-grid system, grid stabilization |
| Pioneer | Aeroporti di Roma, Enel X, Fraunhofer ISE | Rome, Italy, 2024 | Different batteries with different chemistries | 10 MWh | Grid stabilization, peak shaving |
| Thermal Power Station | ENEL Group (Endesa), Nissan, Loccioni | Melilla, Spain, 2019 | NMC | 1.7 MWh | Grid stabilization |
| Method | Real SoH (from Experiments) [%] | Predicted SoH [%] | Error [%] |
|---|---|---|---|
| Coulomb counting | 63.85 | 69.78 | <10 |
| EIS | 85 | 86.27 | <2.1 |
| Neural network | 82 | 82.3 | <0.5 |
| Support vector machine | 60.35 | 59.19 | <2 |
| Kalman filter | 84.36 | 86.57 | <5 |
| Sliding-mode observer | 90.13 | 90.261 | <2.5 |
| Fuzzy logic | 88 | 91.625 | 1.4–9.2 |
| Method | R2 | Average Absolute Error [%] | Maximum Absolute Error [%] | Estimated Test Time [s] | Pack Estimation Suitability |
|---|---|---|---|---|---|
| Phase CV | 0.42 | 2.5 | 5.7 | 1050 | − |
| ICA | 0.60 | 1.8 | 5.1 | 3240 | ++ |
| Partial counter | 0.69 | 1.6 | 5.1 | 300 | + |
| Authors | Year | Methodology | Modelling Scale | Battery Model | Battery Chemistry | Cell Geometry |
|---|---|---|---|---|---|---|
| Hart et al. [60] | 2014 | ECM—second order | Cell | CALB 70 Ah | LFP and NMC | Prismatic |
| Abdel-Monem et al. [62] | 2017 | ECM—first order | Cell | EIG 7 Ah, LFP 18650 cylindrical | LFP | Pouch and cylindrical |
| Locorotondo et al. [65] | 2020 | ECM—electrical Randles-circuit model | Cell | NMC 20 Ah | NMC | Pouch |
| Assunção et al. [53] | 2016 | ECM—second order | Pack | LFP 1.1 Ah | LFP | NA |
| Tong et al. [52] | 2013 | ECM—first order | Pack | TS-LFP40AHA | LFP | Pouch (or prismatic) |
| Uddin et al. [63] | 2017 | ECM—first order with a bulk-thermal model | Cell | 18650-type 3 Ah | NCA | Cylindrical |
| Tong et al. [64] | 2017 | ECM—first order with EKF | Cell | LFP | Prismatic | |
| Casals et al. [73] | 2017 | ECM-4RC | Cell | 25 Ah | NMC | Prismatic |
| Bhatt et al. [82] | 2021 | MLP, LSTM, and CNN | Cell | lithium-ion 18650 | LFP | Cylindrical |
| Choi et al. [66] | 2020 | NA | Cell | EIS-based ECM models (mini-review) | NA | NA |
| Daniel Müller et al. [56] | 2019 | P2D | Cell | NA | NA | NA |
| Jianing Xu et al. [58] | 2023 | Simplified P2D | Cell | NA | LFP | NA |
| Module Brand | Cell Manufacturer | Number of Cells in a Module | Number of Modules in a Pack | Module Capacity [kWh] | Pack Capacity [kWh] | Module or Pack Availability Level |
|---|---|---|---|---|---|---|
| BMW i3 | Samsung SDI 64 Ah | 12 | 8 | 2.27 | 18.19 | Both |
| Samsung SDI 94 Ah | 12 | 8 | 3.34 | 26.72 | Both | |
| Samsung SDI 120 Ah | 12 | 8 | 4.26 | 34.1 | Both | |
| Nissan Leaf | - | 1 | 24 | 1.33 | 32 | Both |
| Tesla Model 3 | 2170 Tesla | 4416 | 4 | 15 | 60 | Both |
| Tesla model S/X | Panasonic NCR18650B | 444 | 14 | 4.28 | 60 | Both |
| Panasonic NCR18650B | 516 | 16 | 5 | 80 | Both | |
| Jaguar I-Pace | LG Chem | 12 | 36 | 2.08 | 74.88 | Both |
| VW ID 4 | SK Innovation/LG Chem | 24 | 9 | 5.68 | 51.2 | Both |
| SK Innovation/LG Chem | 24 | 12 | 5.68 | 68.16 | Both | |
| Mitsubishi Outlander | LEV46 | 8 | 10 | 1.104 | 11.04 | Both |
| Authors | Year | Cell-Level Test | Module-Level Test | Pack-Level Test | Real-Profile Test | RTP Test | EIS | HPPC | Various Temperatures | XRD | Battery Chemistry | Cell Geometry |
|---|---|---|---|---|---|---|---|---|---|---|---|---|
| Tong et al. [52] | 2013 | * | LFP | Prismatic | ||||||||
| Hart et al. [60] | 2014 | * | * | * | * | LFP | Prismatic | |||||
| Neubauer et al. [112] | 2015 | * | ||||||||||
| Swierczynski et al. [113] | 2016 | * | * | * | NMC | NA | ||||||
| Swierczynski et al. [109] | 2017 | * | * | * | * | LFP | NA | |||||
| Uddin et al. [63] | 2017 | * | * | * | NCA | Cylindrical | ||||||
| Jiang et al. [81] | 2018 | * | * | LFP | NA | |||||||
| Martinez-Laserna et al. [107] | 2018 | * | * | * | * | * | NMC | NA | ||||
| Vaidya et al. [114] | 2018 | * | * | * | NMC and LFP | Cylindrical | ||||||
| Braco et al. [115] | 2019 | * | * | * | LMO | Prismatic | ||||||
| Quinard et al. [85] | 2019 | * | * | * | LMO | Prismatic | ||||||
| Salinas et al. [117] | 2019 | * | NA | Cylindrical | ||||||||
| Attidekou et al. [87] | 2020 | * | * | LMO | Prismatic | |||||||
| Braco et al. [116] | 2020 | * | * | LMO | Prismatic | |||||||
| Braco et al. [14] | 2021 | * | * | * | * | LMO | Prismatic | |||||
| Braco et al. [86] | 2021 | * | * | * | * | LMO | Prismatic |
Disclaimer/Publisher’s Note: The statements, opinions and data contained in all publications are solely those of the individual author(s) and contributor(s) and not of MDPI and/or the editor(s). MDPI and/or the editor(s) disclaim responsibility for any injury to people or property resulting from any ideas, methods, instructions or products referred to in the content. |
© 2024 by the authors. Licensee MDPI, Basel, Switzerland. This article is an open access article distributed under the terms and conditions of the Creative Commons Attribution (CC BY) license (https://creativecommons.org/licenses/by/4.0/).
Share and Cite
Salek, F.; Resalati, S.; Babaie, M.; Henshall, P.; Morrey, D.; Yao, L. A Review of the Technical Challenges and Solutions in Maximising the Potential Use of Second Life Batteries from Electric Vehicles. Batteries 2024, 10, 79. https://doi.org/10.3390/batteries10030079
Salek F, Resalati S, Babaie M, Henshall P, Morrey D, Yao L. A Review of the Technical Challenges and Solutions in Maximising the Potential Use of Second Life Batteries from Electric Vehicles. Batteries. 2024; 10(3):79. https://doi.org/10.3390/batteries10030079
Chicago/Turabian StyleSalek, Farhad, Shahaboddin Resalati, Meisam Babaie, Paul Henshall, Denise Morrey, and Lei Yao. 2024. "A Review of the Technical Challenges and Solutions in Maximising the Potential Use of Second Life Batteries from Electric Vehicles" Batteries 10, no. 3: 79. https://doi.org/10.3390/batteries10030079
APA StyleSalek, F., Resalati, S., Babaie, M., Henshall, P., Morrey, D., & Yao, L. (2024). A Review of the Technical Challenges and Solutions in Maximising the Potential Use of Second Life Batteries from Electric Vehicles. Batteries, 10(3), 79. https://doi.org/10.3390/batteries10030079

