Optimizing Drone Logistics: A Scoring Algorithm for Enhanced Decision Making across Diverse Domains in Drone Airlines
Abstract
1. Introduction
- The introduction of a method for decision making for unmanned civilian logistic drones in various fields.
- The specification of a multitude of static and dynamic metrics that contribute to various applications of the scoring algorithm.
- The flexibility to adjust the calculation throughout the transport process and thus respond to changing conditions or requirements.
- The emphasis on ease of use, as the approach only requires expert knowledge of logistics parameters.
- The enhancement of system efficiency and performance by evaluating specific needs and incorporating either frequency-based or event-based approaches for a more adaptive update.
2. Related Work
3. Challenges in Drone Logistics
3.1. Drone Airline
3.2. Logistical Challenges
3.2.1. Task Selection
3.2.2. Drone Selection
3.3. Traffic Management Challenges
3.3.1. Route Selection
3.3.2. Altitude Selection
3.4. Safety Challenges
3.4.1. Safety Zone Definition
3.4.2. Priority Definition
3.5. Integration and Adaptation
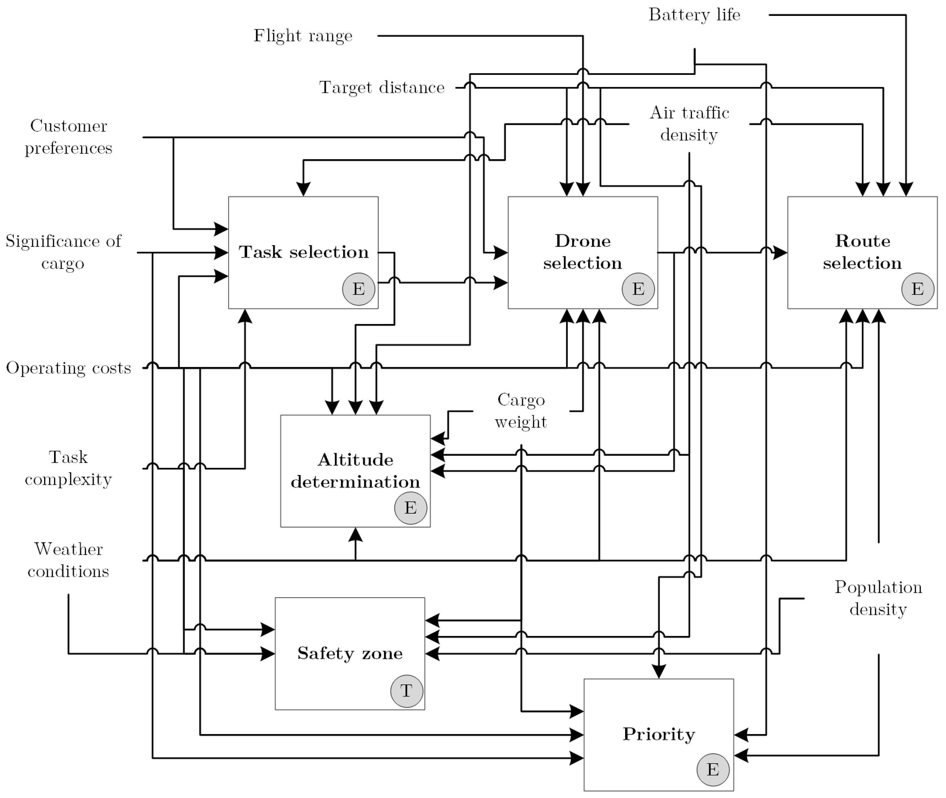
4. Rule-Based Scoring Algorithm
4.1. Problem Definition
4.2. Data Collection and Parameters
4.3. Scoring Algorithm
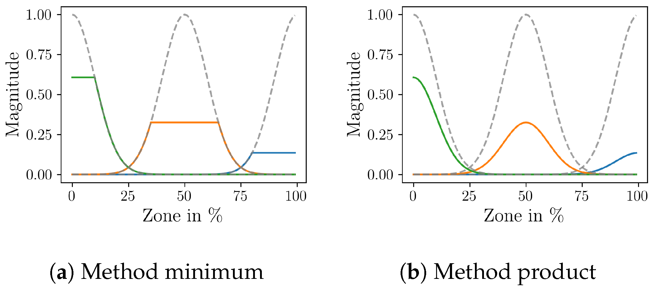
4.3.1. Fuzzification
- Non-negativity: ∀;
- Range: ∀;
- Continuity: is continuous ∀.
4.3.2. Antecedent
- Commutativity: .
- Monotonicity: ∧→∀.
- Boundary Condition: ∧∀.
- Commutativity: .
- Monotonicity: ∧→∀.
- Boundary Condition: ∧.
4.3.3. Implication
4.3.4. Aggregation
- Commutativity: .
4.3.5. Defuzzification
4.4. Operation and Implementation
4.5. Composition and Flowchart
- System Events: These events are triggered by internal system activities.
- Sensor Events: These events originate from sensors that detect changes in the environment.
- Business Events: These events represent significant occurrences within a business process.
- External Events: These events originate from outside the system and can have an impact on its operations.
5. Experiments
5.1. Baseline
5.2. Data Preprocessing
5.3. Inference Process: Safety Zone
- If the velocity is high or connection is low or payload is high, then the zone is high.
- If the velocity is mid and connection is mid and payload is mid, then the zone is mid
- If the velocity is low or connection is high or payload is low, then the zone is low.
5.4. Inference Process: Priority
- If the battery is low or importance is high or payload is high, then the priority is high.
- If the battery is mid and importance is mid and payload is mid, then the priority is mid.
- If the battery is high or importance is low or payload is low, then the priority is low.
5.5. Inference Process: Route Scoring
- If the battery is low and distance is high, then the score is low.
- If the battery is mid and distance is high, then the score is low mid.
- If the battery is low and distance is low, then the score is high.
- If the battery is mid and distance is low, then the score is high mid.
- if density is high and distance is low, then the score is low.
- If the battery is high and distance is low and density is high, then the score is low.
- If the battery is mid and distance is mid and density is mid, then the score is high.
- If the battery is low and distance is mid and density is mid, then the score is low.
- If the battery is low and distance is low and density is high, then the score is high.
- If the battery is high and distance is high and density is low, then the score is high mid.
- If the battery is high and distance is mid and density is mid, then the score is low mid.
5.6. Evaluation
5.6.1. Evaluation: Safety Zone and Priority
5.6.2. Evaluation: Route Selection
6. Discussion
Author Contributions
Funding
Data Availability Statement
Conflicts of Interest
References
- Hromada, M.; Mrazek, J.; Duricova, L. The proposal of software for transport infrastructure management. In Proceedings of the 2017 8th International Conference on Information, Intelligence, Systems and Applications (IISA), Larnaca, Cyprus, 27–30 August 2017; pp. 1–4. [Google Scholar] [CrossRef]
- He, X.; He, F.; Li, L.; Zhang, L.; Xiao, G. A route network planning method for urban air delivery. Transp. Res. Part E Logist. Transp. Rev. 2022, 166, 102872. [Google Scholar] [CrossRef]
- Singireddy, S.R.R.; Daim, T.U. Technology roadmap: Drone delivery–amazon prime air. In Infrastructure and Technology Management: Contributions from the Energy, Healthcare and Transportation Sectors; Springer: Cham, Switzerland, 2018; pp. 387–412. [Google Scholar]
- Rejeb, A.; Rejeb, K.; Simske, S.J.; Treiblmaier, H. Drones for supply chain management and logistics: A review and research agenda. Int. J. Logist. Res. Appl. 2023, 26, 708–731. [Google Scholar] [CrossRef]
- Lai, M.C.; Liu, D.; Tsay, W.D. Functional Deployment of Drone Logistics. In Proceedings of the 2020 IEEE 2nd Eurasia Conference on Biomedical Engineering, Healthcare and Sustainability (ECBIOS), Tainan, Taiwan, 29–31 May 2020; pp. 1–4. [Google Scholar] [CrossRef]
- Yang, S.; Uthoff, E.; Wortman, K. Collision detection of two fast moving objects. In Proceedings of the 2015 IEEE Aerospace Conference, Big Sky, MT, USA, 7–14 March 2015; pp. 1–7. [Google Scholar] [CrossRef]
- Schwung, M. Cooperative Event-Based Control of Mobile Agents; Logos Verlag Berlin GmbH: Berlin, Germany, 2022. [Google Scholar]
- Yasin, J.N.; Mohamed, S.A.S.; Haghbayan, M.H.; Heikkonen, J.; Tenhunen, H.; Yasin, M.M.; Plosila, J. Energy-Efficient Formation Morphing for Collision Avoidance in a Swarm of Drones. IEEE Access 2020, 8, 170681–170695. [Google Scholar] [CrossRef]
- Karaman, S.; Frazzoli, E. High-speed flight in an ergodic forest. In Proceedings of the 2012 IEEE International Conference on Robotics and Automation, Saint Paul, MN, USA, 14–18 May 2012; pp. 2899–2906. [Google Scholar] [CrossRef]
- Schwung, M.; Lunze, J. Networked event-based control of moving objects with improved position estimation. IFAC-PapersOnLine 2019, 52, 133–138. [Google Scholar] [CrossRef]
- Schwung, M.; Lunze, J. Cooperative Control of UAVs Over an Unreliable Communication Network. IEEE Aerosp. Electron. Syst. Mag. 2022, 37, 20–34. [Google Scholar] [CrossRef]
- Cıkmak, S.; Kırbaç, G.; Kesici, B. Analyzing the Challenges to Adoption of Drones in the Logistics Sector Using the Best-Worst Method. Bus. Econ. Res. J. 2023, 14, 227–242. [Google Scholar] [CrossRef]
- Chung, S.H.; Sah, B.; Lee, J. Optimization for drone and drone-truck combined operations: A review of the state of the art and future directions. Comput. Oper. Res. 2020, 123, 105004. [Google Scholar] [CrossRef]
- Li, Y.; Liu, M.; Jiang, D. Application of unmanned aerial vehicles in logistics: A literature review. Sustainability 2022, 14, 14473. [Google Scholar] [CrossRef]
- Benarbia, T.; Kyamakya, K. A Literature Review of Drone-Based Package Delivery Logistics Systems and Their Implementation Feasibility. Sustainability 2022, 14, 360. [Google Scholar] [CrossRef]
- Grippa, P.; Behrens, D.A.; Wall, F.; Bettstetter, C. Drone delivery systems: Job assignment and dimensioning. Auton. Robot. 2019, 43, 261–274. [Google Scholar] [CrossRef]
- Poudel, S.; Moh, S. Task assignment algorithms for unmanned aerial vehicle networks: A comprehensive survey. Veh. Commun. 2022, 35, 100469. [Google Scholar] [CrossRef]
- Hazama, Y.; Iima, H.; Karuno, Y.; Mishima, K. Genetic algorithm for scheduling of parcel delivery by drones. J. Adv. Mech. Des. Syst. Manuf. 2021, 15, 21-00137. [Google Scholar] [CrossRef]
- Sawadsitang, S.; Niyato, D.; Siew, T.P.; Wang, P. Supplier Cooperation in Drone Delivery. arXiv 2018, arXiv:1805.06803. [Google Scholar]
- Yang, Y.; Xiong, X.; Yan, Y. UAV Formation Trajectory Planning Algorithms: A Review. Drones 2023, 7, 62. [Google Scholar] [CrossRef]
- Semiz, F.; Polat, F. Incremental multi-agent path finding. Future Gener. Comput. Syst. 2021, 116, 220–233. [Google Scholar] [CrossRef]
- Soria, E.; Schiano, F.; Floreano, D. Distributed predictive drone swarms in cluttered environments. IEEE Robot. Autom. Lett. 2021, 7, 73–80. [Google Scholar] [CrossRef]
- Yasin, J.N.; Haghbayan, M.H.; Heikkonen, J.; Tenhunen, H.; Plosila, J. Formation maintenance and collision avoidance in a swarm of drones. In Proceedings of the 2019 3rd International Symposium on Computer Science and Intelligent Control, Amsterdam, The Netherlands, 25–27 September 2019; pp. 1–6. [Google Scholar]
- Yasin, J.N.; Mohamed, S.A.S.; Haghbayan, M.H.; Heikkonen, J.; Tenhunen, H.; Plosila, J. Unmanned Aerial Vehicles (UAVs): Collision Avoidance Systems and Approaches. IEEE Access 2020, 8, 105139–105155. [Google Scholar] [CrossRef]
- Jenie, Y.; Van Kampen, E.J.; De Visser, C.; Ellerbroek, J.; Hoekstra, J. Selective Velocity Obstacle Method for Deconflicting Maneuvers Applied to Unmanned Aerial Vehicles. J. Guid. Control. Dyn. 2015, 38, 1140–1146. [Google Scholar] [CrossRef]
- Jenie, Y.I.; van Kampen, E.J.; Remes, B. Cooperative autonomous collision avoidance system for unmanned aerial vehicle. In Advances in Aerospace Guidance, Navigation and Control: Selected Papers of the Second CEAS Specialist Conference on Guidance, Navigation and Control; Springer: Berlin/Heidelberg, Germany, 2013; pp. 387–405. [Google Scholar]
- Barfield, F. Autonomous collision avoidance: The technical requirements. In Proceedings of the IEEE 2000 National Aerospace and Electronics Conference. NAECON 2000. Engineering Tomorrow (Cat. No.00CH37093), Dayton, OH, USA, 12 October 2000; pp. 808–813. [Google Scholar] [CrossRef]
- Lee, Z.; Kumar, R.; Radmanesh, R.; Kumar, M.; Cohen, K. Application of fuzzy logic for developing sense and avoid techniques for uav flight operations in national airspace. In Proceedings of the Dynamic Systems and Control Conference, American Society of Mechanical Engineers, Pittsburgh, PA, USA, 4–7 October 2020; Volume 84287, p. V002T36A007. [Google Scholar]
- Ho, F.; Geraldes, R.; Gonçalves, A.; Cavazza, M.; Prendinger, H. Improved Conflict Detection and Resolution for Service UAVs in Shared Airspace. IEEE Trans. Veh. Technol. 2019, 68, 1231–1242. [Google Scholar] [CrossRef]
- Alarcón, V.; García, M.; Alarcón, F.; Viguria, A.; Martínez, Á.; Janisch, D.; Acevedo, J.J.; Maza, I.; Ollero, A. Procedures for the integration of drones into the airspace based on U-space services. Aerospace 2020, 7, 128. [Google Scholar] [CrossRef]
- Jover, J.; Bermúdez, A.; Casado, R. Priority-aware conflict resolution for U-space. Electronics 2022, 11, 1225. [Google Scholar] [CrossRef]
- Alharbi, A.; Poujade, A.; Malandrakis, K.; Petrunin, I.; Panagiotakopoulos, D.; Tsourdos, A. Rule-based conflict management for unmanned traffic management scenarios. In Proceedings of the 2020 AIAA/IEEE 39th Digital Avionics Systems Conference (DASC), San Antonio, TX, USA, 11–15 October 2020; IEEE: Piscataway, NJ, USA, 2020; pp. 1–10. [Google Scholar]
- López, B.; Muñoz, J.; Quevedo, F.; Monje, C.A.; Garrido, S.; Moreno, L.E. Path Planning and Collision Risk Management Strategy for Multi-UAV Systems in 3D Environments. Sensors 2021, 21, 4414. [Google Scholar] [CrossRef] [PubMed]
- Fu, C.H.; Tsao, M.W.; Chi, L.P.; Zhuang, Z.Y. On the dominant factors of civilian-use drones: A thorough study and analysis of cross-group opinions using a triple helix model (thm) with the analytic hierarchy process (ahp). Drones 2021, 5, 46. [Google Scholar] [CrossRef]
- Ribeiro, M.; Ellerbroek, J.; Hoekstra, J. Review of conflict resolution methods for manned and unmanned aviation. Aerospace 2020, 7, 79. [Google Scholar] [CrossRef]
- Raivi, A.M.; Huda, S.M.A.; Alam, M.M.; Moh, S. Drone Routing for Drone-Based Delivery Systems: A Review of Trajectory Planning, Charging, and Security. Sensors 2023, 23, 1463. [Google Scholar] [CrossRef] [PubMed]
- Moshref-Javadi, M.; Winkenbach, M. Applications and Research avenues for drone-based models in logistics: A classification and review. Expert Syst. Appl. 2021, 177, 114854. [Google Scholar] [CrossRef]
- Bhawesh Sah, R.G.; Bani-Hani, D. Analysis of barriers to implement drone logistics. Int. J. Logist. Res. Appl. 2021, 24, 531–550. [Google Scholar] [CrossRef]
- Yanmaz, E.; Quaritsch, M.; Yahyanejad, S.; Rinner, B.; Hellwagner, H.; Bettstetter, C. Communication and Coordination for Drone Networks. In Proceedings of the Ad Hoc Networks, Ottawa, ON, Canada, 26–27 September 2016; Zhou, Y., Kunz, T., Eds.; Springer: Cham, Switzerland, 2017; pp. 79–91. [Google Scholar]
- Mohsan, S.A.H.; Khan, M.A.; Noor, F.; Ullah, I.; Alsharif, M.H. Towards the Unmanned Aerial Vehicles (UAVs): A Comprehensive Review. Drones 2022, 6, 147. [Google Scholar] [CrossRef]
- Adoni, W.Y.H.; Lorenz, S.; Fareedh, J.S.; Gloaguen, R.; Bussmann, M. Investigation of Autonomous Multi-UAV Systems for Target Detection in Distributed Environment: Current Developments and Open Challenges. Drones 2023, 7, 263. [Google Scholar] [CrossRef]
- Politi, E.; Purucker, P.; Larsen, M.; Reis, R.J.D.; Rajan, R.T.; Penna, S.D.; Boer, J.F.; Rodosthenous, P.; Dimitrakopoulos, G.; Varlamis, I.; et al. Enabling Technologies for the Navigation and Communication of UAS Operating in the Context of BVLOS. Electronics 2024, 13, 340. [Google Scholar] [CrossRef]
- Dai, B.; Niu, J.; Ren, T.; Hu, Z.; Atiquzzaman, M. Towards Energy-Efficient Scheduling of UAV and Base Station Hybrid Enabled Mobile Edge Computing. IEEE Trans. Veh. Technol. 2022, 71, 915–930. [Google Scholar] [CrossRef]
- Qin, B.; Zhang, D.; Tang, S.; Wang, M. Distributed Grouping Cooperative Dynamic Task Assignment Method of UAV Swarm. Appl. Sci. 2022, 12, 2865. [Google Scholar] [CrossRef]
- Geng, N.; Meng, Q.; Gong, D.; Chung, P.W. How good are distributed allocation algorithms for solving urban search and rescue problems? A comparative study with centralized algorithms. IEEE Trans. Autom. Sci. Eng. 2018, 16, 478–485. [Google Scholar] [CrossRef]
- Qamar, R.A.; Sarfraz, M.; Rahman, A.; Ghauri, S.A. Multi-criterion multi-UAV task allocation under dynamic conditions. J. King Saud Univ.-Comput. Inf. Sci. 2023, 35, 101734. [Google Scholar] [CrossRef]
- Lerman, K.; Jones, C.; Galstyan, A.; Matarić, M.J. Analysis of dynamic task allocation in multi-robot systems. Int. J. Robot. Res. 2006, 25, 225–241. [Google Scholar] [CrossRef]
- Johnson, L.B.; Choi, H.L.; How, J.P. The role of information assumptions in decentralized task allocation: A tutorial. IEEE Control Syst. Mag. 2016, 36, 45–58. [Google Scholar]
- Vergouw, B.; Nagel, H.; Bondt, G.; Custers, B. Drone technology: Types, payloads, applications, frequency spectrum issues and future developments. In The Future of Drone Use: Opportunities and Threats from Ethical and Legal Perspectives; Asser Press: The Hague, The Netherlands, 2016; pp. 21–45. [Google Scholar]
- Schwung, M.; Lunze, J. Event-based trajectory planning for 3D collision avoidance in a leader-follower formation. In Proceedings of the 2020 European Control Conference (ECC), St. Petersburg, Russia, 12–15 May 2020; IEEE: Piscataway, NJ, USA, 2020; pp. 1929–1936. [Google Scholar] [CrossRef]
- AL-Dosari, K.; Hunaiti, Z.; Balachandran, W. Systematic Review on Civilian Drones in Safety and Security Applications. Drones 2023, 7, 210. [Google Scholar] [CrossRef]
- Bauranov, A.; Rakas, J. Designing airspace for urban air mobility: A review of concepts and approaches. Prog. Aerosp. Sci. 2021, 125, 100726. [Google Scholar] [CrossRef]
- Muna, S.I.; Mukherjee, S.; Namuduri, K.; Compere, M.; Akbas, M.I.; Molnár, P.; Subramanian, R. Air Corridors: Concept, Design, Simulation, and Rules of Engagement. Sensors 2021, 21, 7536. [Google Scholar] [CrossRef]
- Schwung, M.; Karacora, Y.; Lunze, J.; Sezgin, A. Event-based quality-of-service parameter estimation of a wireless channel. In Proceedings of the 2020 6th International Conference on Event-Based Control, Communication, and Signal Processing (EBCCSP), Krakow, Poland, 23–25 September 2020; IEEE: Piscataway, NJ, USA, 2020; pp. 1–7. [Google Scholar]
- D’Amato, E.; Mattei, M.; Notaro, I. Distributed reactive model predictive control for collision avoidance of unmanned aerial vehicles in civil airspace. J. Intell. Robot. Syst. 2020, 97, 185–203. [Google Scholar] [CrossRef]
- Starczewski, J.T.; Goetzen, P.; Napoli, C. Triangular fuzzy-rough set based fuzzification of fuzzy rule-based systems. J. Artif. Intell. Soft Comput. Res. 2020, 10, 271–285. [Google Scholar] [CrossRef]
- Altinses, D.; Schwung, A. Deep Multimodal Fusion with Corrupted Spatio-Temporal Data Using Fuzzy Regularization. In Proceedings of the IECON 2023-49th Annual Conference of the IEEE Industrial Electronics Society, Singapore, 16–19 October 2023; IEEE: Piscataway, NJ, USA, 2023; pp. 1–7. [Google Scholar]























| Parameter | Domain | Unit | Note | |
|---|---|---|---|---|
| Pre-defined | Payload importance | % | Indicates significance. | |
| Task complexity | % | Level of difficulty of task. | ||
| Payload sensitivity | % | Susceptibility to external factors. | ||
| Battery life thresholds | % | Thresholds for charging. | ||
| Task duration | minutes | Time to complete mission. | ||
| External | Air traffic density | - | Volume of air traffic. | |
| Weather conditions | - | Current atmospheric state. | ||
| Urban density | - | Population concentration. | ||
| Communication SINR | dB | Signal-to-noise ratio. | ||
| Communication RSRQ | dB | Reference signal received quality. | ||
| Communication RSRP | dB | Reference signal received power. | ||
| Internal | Longitude | degrees | Precise location data. | |
| Latitude | degrees | Precise location data. | ||
| Height | m | Height of the drone. | ||
| Obstacle distance | m | Distance from obstacles. | ||
| Battery life | % | Remaining battery life. | ||
| Lidar data | m | Scanning information. | ||
| Flight speed | Current velocity of drone. |
| Function | Definition |
|---|---|
| Sigmoid | |
| Gaussian | |
| Linear | |
| Triangular | |
| Trapezoidal |
| Function | Definition |
|---|---|
| Centroid | |
| Mean-of-Maximum | with |
| Center-of-Area |
| Time | Drone | Parameter Values | Scores | |||||
|---|---|---|---|---|---|---|---|---|
| Conn. | Velocity | Payload | Battery | Cargo | Zone | Priority | ||
| Drone 1 | 18.864 | 58.242 | 38.026 | 81.661 | 50.00 | 57.545 | 30.508 | |
| Drone 2 | 10.074 | 57.242 | 89.755 | 57.102 | 90.00 | 74.129 | 74.821 | |
| Drone 1 | 16.634 | 56.312 | 38.026 | 76.121 | 50.00 | 61.223 | 38.275 | |
| Drone 2 | 17.139 | 58.560 | 89.755 | 52.672 | 90.00 | 73.88 | 75.056 | |
| Drone 1 | 29.023 | 0.000 | 38.026 | 71.837 | 50.00 | 31.302 | 42.981 | |
| Drone 2 | 29.023 | 58.352 | 89.755 | 47.550 | 90.00 | 73.877 | 75.111 | |
| Drone 1 | 18.023 | 59.739 | 38.026 | 66.503 | 50.00 | 58.867 | 44.178 | |
| Drone 2 | 17.189 | 58.691 | 89.755 | 42.312 | 90.00 | 73.881 | 75.118 | |
| Index | Similar Parameter Values | Scores | |||
| Battery | Importance | Payload | Baseline | FLSA | |
| 1 | 28.622 | 73.720 | 82.345 | 83.667 | 59.799 |
| 23.622 | 73.720 | 82.345 | 83.667 | 65.499 | |
| 2 | 38.237 | 64.273 | 48.379 | 51.905 | 51.629 |
| 38.237 | 59.273 | 48.379 | 51.905 | 51.725 | |
| 3 | 51.601 | 22.634 | 19.328 | 14.279 | 50.686 |
| 51.601 | 22.634 | 14.328 | 14.279 | 50.427 | |
| Index | Diverse Parameter Values | Scores | |||
| Battery | Importance | Payload | Baseline | FLSA | |
| 4 | 18.622 | 58.622 | 96.498 | 83.667 | 65.854 |
| 48.622 | 58.622 | 96.498 | 0.0 | 50.291 | |
| 5 | 80.238 | 54.273 | 16.723 | 14.279 | 48.528 |
| 80.238 | 84.273 | 16.723 | 14.279 | 50.533 | |
| 6 | 94.494 | 36.767 | 9.328 | 14.279 | 31.976 |
| 94.494 | 36.767 | 39.328 | 51.905 | 47.239 | |
| Index | Parameters | Scores (b = 5%) | Scores (b = 20%) | Scores (b = 35%) | ||||
| Density | Distance | Baseline | FLSA | Baseline | FLSA | Baseline | FLSA | |
| 1 | 100 | 19.20 | 47.5 | 39.295 | 47.5 | 38.747 | 43.784 | 46.963 |
| 2 | 71 | 34.96 | 0.0 | 37.532 | 0.0 | 37.532 | 0.0 | 54.755 |
| 3 | 49 | 48.26 | 6.333 | 7.8 | 6.333 | 8.516 | 93.0 | 42.561 |
| 4 | 28 | 72.82 | 6.333 | 6.333 | 6.333 | 6.333 | 30.0 | 24.89 |
| 5 | 8 | 100 | 6.333 | 6.333 | 6.333 | 6.333 | 30.0 | 21.901 |
| Index | Parameters | Scores (b = 50%) | Scores (b = 65%) | Scores (b = 80%) | ||||
| Density | Distance | Baseline | FLSA | Baseline | FLSA | Baseline | FLSA | |
| 1 | 100 | 19.20 | 43.784 | 46.905 | 43.784 | 36.53 | 6.333 | 6.333 |
| 2 | 71 | 34.96 | 0.0 | 45.09 | 0.0 | 41.395 | 70.0 | 14.022 |
| 3 | 49 | 48.26 | 93.0 | 71.543 | 93.0 | 46.72 | 43.784 | 30.0 |
| 4 | 28 | 72.82 | 30.0 | 44.522 | 30.0 | 54.063 | 66.673 | 65.616 |
| 5 | 8 | 100 | 30.0 | 36.783 | 30.0 | 52.858 | 66.673 | 71.667 |
Disclaimer/Publisher’s Note: The statements, opinions and data contained in all publications are solely those of the individual author(s) and contributor(s) and not of MDPI and/or the editor(s). MDPI and/or the editor(s) disclaim responsibility for any injury to people or property resulting from any ideas, methods, instructions or products referred to in the content. |
© 2024 by the authors. Licensee MDPI, Basel, Switzerland. This article is an open access article distributed under the terms and conditions of the Creative Commons Attribution (CC BY) license (https://creativecommons.org/licenses/by/4.0/).
Share and Cite
Altinses, D.; Salazar Torres, D.O.; Schwung, M.; Lier, S.; Schwung, A. Optimizing Drone Logistics: A Scoring Algorithm for Enhanced Decision Making across Diverse Domains in Drone Airlines. Drones 2024, 8, 307. https://doi.org/10.3390/drones8070307
Altinses D, Salazar Torres DO, Schwung M, Lier S, Schwung A. Optimizing Drone Logistics: A Scoring Algorithm for Enhanced Decision Making across Diverse Domains in Drone Airlines. Drones. 2024; 8(7):307. https://doi.org/10.3390/drones8070307
Chicago/Turabian StyleAltinses, Diyar, David Orlando Salazar Torres, Michael Schwung, Stefan Lier, and Andreas Schwung. 2024. "Optimizing Drone Logistics: A Scoring Algorithm for Enhanced Decision Making across Diverse Domains in Drone Airlines" Drones 8, no. 7: 307. https://doi.org/10.3390/drones8070307
APA StyleAltinses, D., Salazar Torres, D. O., Schwung, M., Lier, S., & Schwung, A. (2024). Optimizing Drone Logistics: A Scoring Algorithm for Enhanced Decision Making across Diverse Domains in Drone Airlines. Drones, 8(7), 307. https://doi.org/10.3390/drones8070307

