Millimeter Wave Multi-Port Interferometric Radar Sensors: Evolution of Fabrication and Characterization Technologies
Abstract
1. Introduction
2. Multi-Port Interferometry History and Basic Operation Principle
3. Fabrication Technologies
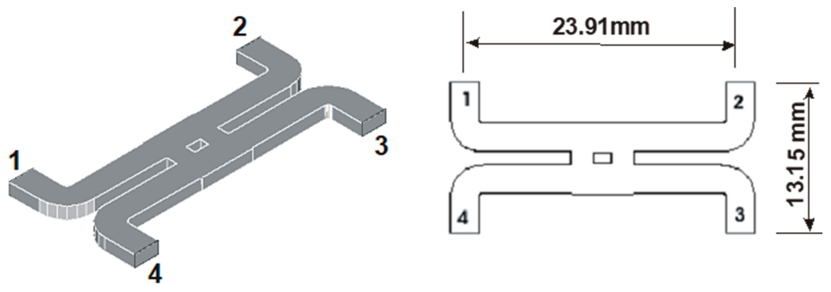
3.1. Wave-Guide Technologies
3.2. Planar Integrated Technologies
4. Circuit and System Characterization Techniques
4.1. Circuit Characterization
4.1.1. S-parameter Measurements
4.1.2. Measurement Based Computer Models and Circuit Characterization
4.1.3. Antenna Measurements
4.2. System Characterization
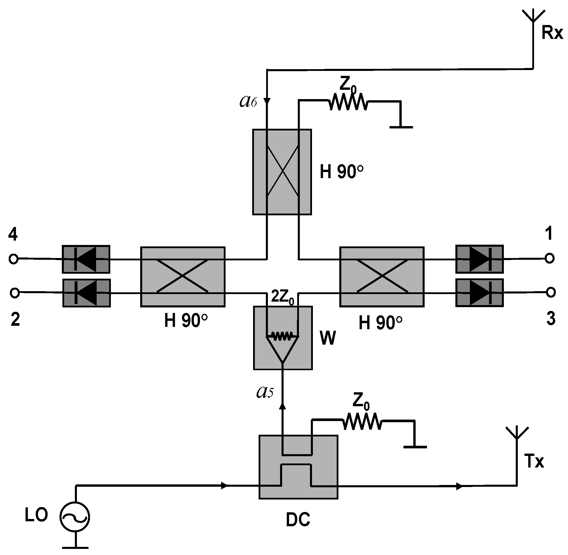
4.2.1. Multi-Port as Direct Quadrature Demodulators
- Test-Bench #1
- Test-Bench #2
- Test-Bench #3
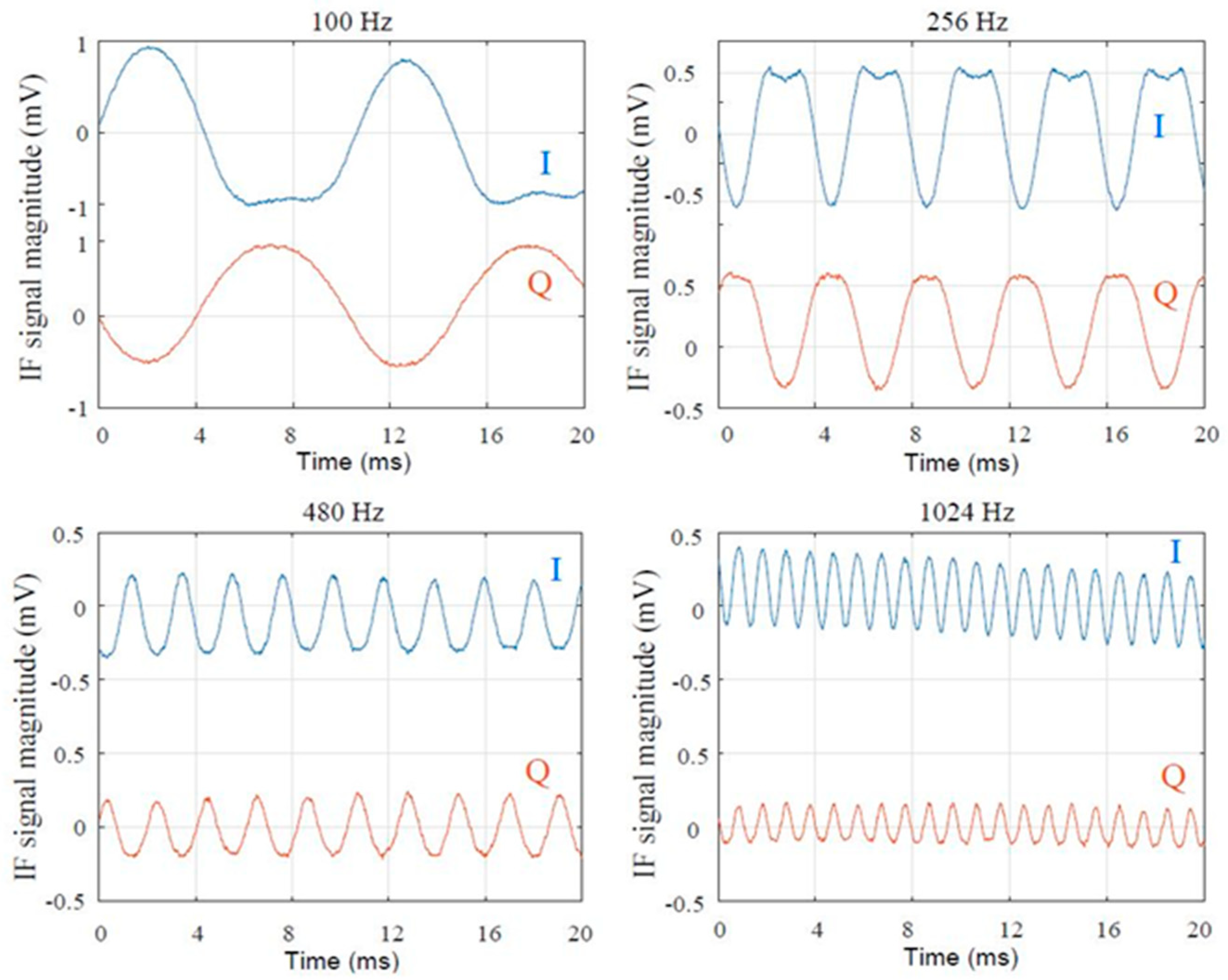
4.2.2. Multi-Port as Frequency Discriminator (IF and Low-IF Down-Converter)
- Test-Bench #4
- Test-Bench #5
- Test-Bench #6
- Test-Bench #7
5. Discussion
Author Contributions
Funding
Acknowledgments
Conflicts of Interest
References
- Cohn, S.B.; Weinhouse, N.P. An Automatic Microwave Phase Measurement System. Microw. J. 1964, 7, 49–56. [Google Scholar]
- Engen, G.F.; Hoer, C.A. Application of an Arbitrary 6-Port Junction to Power-Measurement Problems. IEEE Trans. Instrum. Meas. 1972, 21, 470–474. [Google Scholar]
- Hoer, C.A. A Microwave Network Analyzer Using Two 6-Port Reflectometers. In Proceedings of the 1977 IEEE MTT-S International Microwave Symposium Digest, San Diego, CA, USA, 21–23 June 1977. [Google Scholar] [CrossRef]
- Engen, G.F. The Six-Port Reflectometer. An Alternative Network Analyzer. IEEE Trans. Microw. Theory Tech. 1977, 25, 1075–1077. [Google Scholar]
- Hoer, C.A. A Network Analyzer Incorporating Two Six-Port Reflectometers. IEEE Trans. Microw. Theory Tech. 1977, 25, 1070–1074. [Google Scholar] [CrossRef]
- Engen, G.F. An Improved Circuit for Implementing the Six-Port Technique of Microwave Measurements. IEEE Trans. Microw. Theory Tech. 1977, 25, 1080–1083. [Google Scholar]
- Cronson, H.M.; Susman, L. A Six-Port Automatic Network Analyzer. IEEE Trans. Microw. Theory Tech. 1977, 25, 1086–1091. [Google Scholar] [CrossRef]
- Komarek, E.L. An Application of the Six-Port Reflectometer to Precision Measurement of Microwave One-Port Parameters. In Proceedings of the 1977 IEEE MTT-S International Microwave Symposium Digest, San Diego, CA, USA, 21–23 June 1977; pp. 56–57. [Google Scholar] [CrossRef]
- Engen, G.F. Calibrating the Six-Port Reflectometer. In Proceedings of the 1978 IEEE-MTT-S International Microwave Symposium Digest, Ottawa, ON, Canada, 27–29 June 1978; pp. 182–183. [Google Scholar] [CrossRef]
- Engen, G.F. An Overview of the Six-Port Measurement Technique. In Proceedings of the 1978 IEEE-MTT-S International Microwave Symposium Digest, Ottawa, ON, Canada, 27–29 June 1978; pp. 174–175. [Google Scholar] [CrossRef]
- Engen, G.F.; Hoer, C.A. Thru-Load-Delay: An Improved Technique for Calibrating the Dual Six-Port. In Proceedings of the 1979 IEEE MTT-S International Microwave Symposium Digest, Orlando, FL, USA, 30 April–2 May 1979; p. 53. [Google Scholar] [CrossRef]
- Speciale, R.A. Analysis of Six-Port Measurement Systems. In Proceedings of the 1979 IEEE MTT-S International Microwave Symposium Digest, Orlando, FL, USA, 30 April–2 May 1979; pp. 63–68. [Google Scholar] [CrossRef]
- Cullen, A.L. The Six-Port and the Microprocessor in Microwave Measurements. In Proceedings of the 1979 9th European Microwave Conference, Brighton, UK, 17–20 September 1979; pp. 74–82. [Google Scholar] [CrossRef]
- Riblet, G.P. Transmission Phase Measurements with a Single Six-Port. In Proceedings of the 1980 IEEE MTT-S International Microwave Symposium Digest, Washington, DC, USA, 28–30 May 1980; pp. 431–433. [Google Scholar] [CrossRef]
- Ebbeson, H.F.; Engen, G.F. Singularities in the Calibration of Six-Port Network Analyzers. In Proceedings of the 1981 IEEE MTT-S International Microwave Symposium Digest, Los Angeles, CA, USA, 15–19 June 1981; pp. 149–150. [Google Scholar] [CrossRef]
- Hansson, E.R.B.; Riblet, G.P. The Matched Symmetrical Five-Port Junction as the Essential Part of an Ideal Six-Port Network. In Proceedings of the 1981 11th European Microwave Conference, Amsterdam, The Netherlands, 7–11 September 1981; pp. 501–506. [Google Scholar] [CrossRef]
- Griffin, E.J. Six-port reflectometer circuit comprising three directional couplers. Electron. Lett. 1982, 18, 491–493. [Google Scholar] [CrossRef]
- Goodman, P.C. High Speed VSWR Testing with a Novel Six-Port Technique. In Proceedings of the 20th ARFTG Conference Digest, Boulder, CO, USA, 4–5 November 1982; pp. 89–93. [Google Scholar] [CrossRef]
- Cronson, H.M.; Fong-Tom, R.A. A 94 GHz Dual Six-Port Network Analyzer. In Proceedings of the 20th ARFTG Conference Digest, Boulder, CO, USA, 4–5 November 1982; pp. 60–66. [Google Scholar] [CrossRef]
- Dobrowolski, J.A. Improved six-port circuit for complex reflection coefficient measurements. Electron. Lett. 1982, 18, 748–750. [Google Scholar] [CrossRef]
- Ohta, I. A new six-port microwave network; six-port magic junction. IEEE Trans. Microw. Theory Tech. 1988, 36, 859–864. [Google Scholar] [CrossRef]
- Ghannouchi, F.M.; Bosisio, R.G. A comparative study on the precision of various six-port correlators. In Proceedings of the 1988. IMTC-88. 5th IEEE Instrumentation and Measurement Technology Conference, San Diego, CA, USA, 20–22 April 1988; pp. 256–259. [Google Scholar] [CrossRef]
- Ghannouchi, F.M.; Bosisio, R.G. A comparative worst-case error analysis of some proposed six-port designs. IEEE Trans. Instrum. Meas. 1988, 37, 552–556. [Google Scholar] [CrossRef]
- Neumeyer, B. A new analytical method for complete six-port reflectometer calibration. IEEE Trans. Instrum. Meas. 1990, 39, 376–379. [Google Scholar] [CrossRef]
- Ghannouchi, F.M.; Larose, R.; Bosisio, R.G.; Demers, Y. A six-port network analyzer load-pull system for active load tuning. IEEE Trans. Instrum. Meas. 1990, 39, 628–631. [Google Scholar] [CrossRef]
- Bergeault, E.; Huyart, B.; Geneves, G.; Jallet, L. Measurement error for six port ANA. IEE Proc. H-Microw. Antennas Propag. 1990, 137, 415–416. [Google Scholar] [CrossRef]
- Yeo, S.P.; Wong, W.L. Using the symmetrical six-port waveguide junction as a six-port reflectometer. In Proceedings of the IEEE Instrumentation and Measurement Technology Conference, Atlanta, GA, USA, 14–16 May 1991; pp. 236–240. [Google Scholar] [CrossRef]
- Ghannouchi, F.M.; Bosisio, R.G. A wideband millimeter wave six-port reflectometer using four diode detectors calibrated without a power ratio standard. IEEE Trans. Instrum. Meas. 1991, 40, 1043–1046. [Google Scholar] [CrossRef]
- Abouchahine, S.; Huyart, B.; Bergrault, E.; Jallet, L. Millimetric network analyser using a single six-port reflectometer. Electron. Lett. 1993, 29, 256–258. [Google Scholar] [CrossRef]
- Chahine, S.A.; Huyart, B.; Bergeault, E.; Jallet, L. A six-port reflectometer calibration using Schottky diodes operating in AC detection mod. IEEE Trans. Instrum. Meas. 1993, 42, 505–510. [Google Scholar] [CrossRef]
- Chahine, S.A.; Huyart, B.; Bergeault, E.; Jallet, L. Measurement performance of a millimetric dual six-port network analyzer in the W frequency band (75–110 GHz). In Proceedings of the Conference on Precision Electromagnetic Measurements, Boulder, CO, USA, 27 June–1 July 1994; pp. 9–10. [Google Scholar] [CrossRef]
- Ghannouchi, F.M.; Xu, Y.; Bosisio, R.G. One-step connection method for the measurement of N-port microwave networks using six-port techniques. IEE Proc.-Microw. Antennas Propag. 1994, 141, 285–289. [Google Scholar] [CrossRef]
- Li, J.; Wu, K.; Bosisio, R.G. A Collision Avoidance Radar Using Six-Port Phase/Frequency Discriminator (SPFD). In Proceedings of the IEEE Microwave Theory and Techniques Symposium, San Diego, CA, USA, 23–27 May 1994; pp. 1553–1556. [Google Scholar]
- Li, J.; Wu, K.; Bosisio, R.G. Computer and Measurement Simulation of a New Digital Receiver Operating Directly at Millimeter-Wave Frequencies. IEEE Trans. Microw. Theory Tech. 1995, 43, 2766–2772. [Google Scholar] [CrossRef]
- Li, J.; Wu, K.; Bosisio, R.G. Dual-Tone Calibration of Six-Port Junction and Its Application to the Six-Port Direct Digital Millimetric Receiver. IEEE Trans. Microw. Theory Tech. 1996, 44, 93–99. [Google Scholar] [CrossRef]
- Tatu, S.O.; Moldovan, E.; Wu, K.; Bosisio, R.G. A New Direct Millimeter Wave Six-Port Receiver. IEEE Trans. Microw. Theory Tech. 2001, 49, 2517–2522. [Google Scholar] [CrossRef]
- Tatu, S.O.; Moldovan, E.; Brehm, G.; Wu, K.; Bosisio, R.G. Ka-Band Direct Digital Receiver. IEEE Trans. Microw. Theory Tech. 2002, 50, 2436–2442. [Google Scholar] [CrossRef]
- Tatu, S.O.; Moldovan, E.; Wu, K.; Bosisio, R.G.; Denidni, T. Ka-Band Analog Front-End for Software—Defined Direct Conversion Receiver. IEEE Trans. Microw. Theory Tech. 2005, 53, 2678–2776. [Google Scholar] [CrossRef]
- Tatu, S.O.; Moldovan, E. V-Band Multiport Heterodyne Receiver for High-Speed Communication Systems. Eurasip J. Wirel. Commun. Netw. 2007. [Google Scholar] [CrossRef][Green Version]
- Tatu, S.O.; Moldovan, E.; Affes, S. Multi-Port Front-End and Transceivers for V-Band Multi-Gigabit/s Communication Systems. In Digital Front-End in Wireless Communications and Broadcasting Circuits and Signal Processing; Chapter DO; Cambridge University Press: Cambridge, UK, 2011; pp. 707–732. ISBN 9781107002135. [Google Scholar] [CrossRef]
- Östh, J.; Serban, A.; Karlsson, M.; Gong, S.; Haartsen, J.; Karlsson, P. Six-Port Gigabit Demodulator. IEEE Trans. Microw. Theory Tech. 2011, 59, 125–131. [Google Scholar] [CrossRef]
- Lindner, S.; Barbon, F.; Mann, S.; Vinci, G.; Weigel, R.; Koelpin, A. Dual tone approach for unambiguous six-port based interferometric distance measurements. In Proceedings of the 2013 IEEE MTT-S International Microwave Symposium Digest (MTT), Seattle, WA, USA, 2–7 June 2013. [Google Scholar]
- Vinci, G.; Lindner, S.; Mann, S.; Barbon, F.; Linz, S.; Weigel, R.; Koelpin, A. Six-Port microwave interferometer radar for mechanical vibration analysis. In Proceedings of the 2013 European Microwave Conference, Nuremberg, Germany, 9–11 October 2013; pp. 287–290. [Google Scholar]
- Östh, J.; Karlsson, M.; Serban, A.; Gong, S. M-QAM Six-Port Modulator Using Only Binary Baseband Data, Electrical or Optical. IEEE Trans. Microw. Theory Tech. 2013, 61, 2506–2513. [Google Scholar] [CrossRef]
- Tatu, S.O.; Serban, A.; Helaoui, M.; Koelpin, A. Multiport Technology: The New Rise of an Old Concept. IEEE Microw. Mag. 2014, 15, S34–S44. [Google Scholar] [CrossRef]
- Östh, J.; Karlsson, M.; Serban, A.; Gong, S. A Comparative Study of Single-Ended vs. Differential Six-Port Modulators for Wireless Communications. IEEE Trans. Circuits Syst. I Regul. Pap. 2015, 62, 564–570. [Google Scholar] [CrossRef]
- Chioukh, L.; Djerafi, T.; Deslandes, D.; Wu, K. Improvements of cardiopulmonary monitoring using harmonic six-port radar system. In Proceedings of the Global Symposium on Millimeter-Waves (GSMM), Montreal, QC, Canada, 25–27 May 2015; pp. 1–3. [Google Scholar] [CrossRef]
- Wibbing, S.; Mann, S.; Lurz, F.; Erhardt, S.; Lindner, S.; Weigel, R.; Koelpin, A. A cost-efficient 61 GHz high-resolution radar sensor for industrial positioning and distance measurement. In Proceedings of the 21st International Conference on Microwave, Radar and Wireless Communications (MIKON), Krakow, Poland, 9–11 May 2016. [Google Scholar]
- Vinci, G.; Koelpin, A. Progress of Six-Port technology for industrial radar applications. In Proceedings of the 2016 IEEE Topical Conference on Wireless Sensors and Sensor Networks (WiSNet), Austin, TX, USA, 24–27 January 2016; pp. 48–51. [Google Scholar] [CrossRef]
- Mann, S.; Will, C.; Reissland, T.; Lurz, F.; Lindner, S.; Linz, S.; Weigel, R.; Koelpin, A. High-Precision Interferometric Radar for Sheet Thickness Monitoring. IEEE Trans. Microw. Theory Tech. 2018, 66, 3153–3166. [Google Scholar] [CrossRef]
- Benchikh, S.; Arab, H.; Tatu, S.O. A Novel Millimeter Wave Radar Sensor for Medical Signal Detection. In Proceedings of the 2018 IEEE International Microwave Biomedical Conference (IMBioC), Philadelphia, PA, USA, 14–15 June 2018; pp. 142–144. [Google Scholar] [CrossRef]
- Hammou, D.; Zouggari, B.; Denidni, T.; Tatu, S.O. I/Q Multiport Sensing Feasibility on Ambient Wireless Energy. In Proceedings of the 2018 IEEE Wireless Power Transfer Conference (WPTC), Montreal, QC, Canada, 3–7 June 2018; pp. 1–3. [Google Scholar] [CrossRef]
- Mnasri, B.; Burasa, P.; Tatu, S.O.; Wu, K. Interferometer based Direction-Of-Arrival Detection System. In Proceedings of the 18th International Symposium on Antenna Technology and Applied Electromagnetics (ANTEM), Waterloo, ON, Canada, 3–7 June 2018; pp. 1–3. [Google Scholar] [CrossRef]
- Haddadi, K.; Loyez, C.; Lallemand, S.; Gong, S.; Koelpin, A. Status of Six-Port Technology for Wireless Sensing Applications. In Proceedings of the 2018 International Conference on Electromagnetics in Advanced Applications (ICEAA), Cartagena des Indias, Colombia, 10–14 September 2018. [Google Scholar] [CrossRef]
- Michler, F.; Scheiner, B.; Lurz, F.; Weigel, R.; Koelpin, A. (Micro) Metering with Microwaves: A Low-Cost, Low-Power, High-Precision Radar System. IEEE Microw. Mag. 2018, 20, 91–97. [Google Scholar] [CrossRef]
- Mnasri, B.; Djerafi, T.; Tatu, S.O.; Wu, K. Spatially Distributed Multi-Input Interferometric Receiver for 5G Wireless Systems and Beyond. IEEE Trans. Microw. Theory Tech. 2019, 67, 2904–2915. [Google Scholar] [CrossRef]
- Michler, F.; Shi, K.; Schellenberger, S.; Lenhard, T.; Dassel, F.; Scheiner, B.; Lurz, F.; Weigel, R.; Koelpin, A. A Radar-Based Vital Sign Sensing System for In-Bed Monitoring in Clinical Applications. In Proceedings of the 2020 German Microwave Conference (GeMiC), Cottbus, Germany, 9–11 March 2020; pp. 188–191. [Google Scholar]
- Heining, S.; Michler, F.; Scheiner, B.; Hassan, E.; Koelpin, A.; Weigel, R.; Lurz, F. An Ultra Broadband Multi-Tone Six-Port Radar for Distance Measurements in K-Band Waveguides. In Proceedings of the 2020 IEEE Radio and Wireless Symposium (RWS), San Antonio, TX, USA, 26–29 January 2020; pp. 279–282. [Google Scholar] [CrossRef]
- Moldovan, E.; Tatu, S.O.; Gaman, T.; Wu, K.; Bosisio, R.G. A New 94 GHz Six Port Collision Avoidance Radar Sensor. IEEE Trans. Microw. Theory Tech. 2004, 52, 751–759. [Google Scholar] [CrossRef]
- Moldovan, E.; Tatu, S.O.; Gaman, T.; Wu, K.; Bosisio, R.G. A New 94 GHz Collision Avoidance Radar Sensor Using Six-Port Phase Frequency Discriminator. In Proceedings of the 2003 IEEE MTT-S International Microwave Symposium Digest, Philadelphia, PA, USA, 8–13 June 2003; Volume 1, pp. 595–598. [Google Scholar]
- Deslandes, D.; Wu, K. Integrated microstrip and rectangular waveguide in planar form. IEEE Microw. Wirel. Compon. Lett. 2001, 11, 68–70. [Google Scholar] [CrossRef]
- Deslandes, D.; Wu, K. Design Consideration and Performance Analysis of Substrate Integrated Waveguide Components. In Proceedings of the 2002 32nd European Microwave Conference, Milan, Italy, 23–26 September 2002; pp. 1–4. [Google Scholar] [CrossRef]
- Wu, K.; Deslandes, D.; Cassivi, Y. The substrate integrated circuits—A new concept for high-frequency electronics and optoelectronics. In Proceedings of the 6th International Conference on Telecommunications in Modern Satellite, Cable and Broadcasting Service, 2003. TELSIKS 2003, Nis, Yugoslavia, 1–3 October 2003. [Google Scholar] [CrossRef]
- Moldovan, E.; Bosisio, R.G.; Wu, K. W-band Multi-Port Substrate Integrated Waveguide Circuits. IEEE Trans. Microw. Theory Tech. 2006, 54, 625–632. [Google Scholar] [CrossRef]
- Moldovan, E.; Tatu, S.O.; Affes, S.; Wu, K.; Bosisio, R.G. W-band Substrate Integrated Waveguide Radar Sensor Based on Multi-port Technology. In Proceedings of the 2007 4th European Radar Conference (EuRAD), Munich, Germany, 8–12 October 2007; pp. 174–177. [Google Scholar]
- Moldovan, E.; Bosisio, R.G.; Wu, K.; Tatu, S.O. Multi-port Technologies and Applications. In Microwave and Millimeter Wave Technologies, Modern UWB Antennas and Equipment; IN-TECH Publications: Vienna, Austria, 2010; Chapter 19; pp. 363–388. ISBN 978-953-7619-67-1. [Google Scholar]
- Arab, H.; Dufour, S.; Moldovan, E.; Akyel, C.; Tatu, S.O. A 77 GHz Six-Port Sensor for Accurate Near Field Displacement and Doppler Measurements. Special Issue Recent Advances in Front-End Designs for Sensors and Wireless Networks. Sensors 2018, 18, 2565. [Google Scholar] [CrossRef] [PubMed]
- Arab, H.; Dufour, S.; Moldovan, E.; Akyel, C.; Tatu, S.O. Accurate and Robust CW-LFM Radar Sensor: Transceiver Front-End Design and Implementation. IEEE Sens. J. 2019, 19, 1943–1950. [Google Scholar] [CrossRef]
- Arab, H.; Chioukh, L.; Mansoor, D.; Dufour, S.; Tatu, S.O. Early-Stage Detection of Melanoma Skin Cancer using Contactless Millimeter-Wave Sensors. IEEE Sens. J. 2020, 20, 7310–7317. [Google Scholar] [CrossRef]
- Gonzales, G. Microwave Transistor Amplifiers: Analysis and Design, 2nd ed.; Prentice Hall: Upper Saddle River, NJ, USA, 1997; Chapter 4; pp. 327–333. [Google Scholar]
- Available online: https://www.keysight.com/us/en/assets/7018-01511/data-sheets/5989-6228.pdf (accessed on 11 August 2020).
- Hannachi, C.; Moldovan, E.; Boumaiza, S.; Tatu, S.O. V-band Multi-port Direct Down-Conversion Receivers: Experimental Implementations and Performance Comparison. In Proceedings of the 2019 IEEE Topical Conference on Wireless Sensors and Sensor Networks (WiSNet), Orlando, FL, USA, 20–23 January 2019; pp. 1–3. [Google Scholar]
- Moldovan, E.; Boukari, B.; Bosisio, R.G.; Wu, K.; Tatu, S.O. 77 GHz Compact Multi-port Radar Sensor for Automotive Applications. In Proceedings of the 2011 8th European Radar Conference (EuRAD), Manchester, UK, 12–14 October 2011; pp. 105–108. [Google Scholar]
- Boukari, B.; Moldovan, E.; Cojocaru, R.I.; Affes, S.; Wu, K.; Bosisio, R.G.; Tatu, S.O. A 77 GHz Six-port FMCW Collision Avoidance Radar with Baseband Analytical Calibration. Microw. Opt. Technol. Lett. 2009, 51, 720–725. [Google Scholar] [CrossRef]
- Boukari, B.; Moldovan, E.; Affes, S.; Wu, K.; Bosisio, R.G.; Tatu, S.O. A Heterodyne Six-port FMCW Radar Sensor Architecture based on Beat Signal Phase Slope Techniques. Prog. Electromagn. Res. 2009, 93, 307–332. [Google Scholar] [CrossRef]
- Cojocaru, R.I.; Boukari, B.; Moldovan, E.; Tatu, S.O. Improved FMCW Multi-Port Technique. In Proceedings of the European Radar Conference (EuRAD), Rome, Italy, 28 September–2 October 2009; pp. 290–293. [Google Scholar]
- Boukari, B.; Hammou, D.; Moldovan, E.; Bosisio, R.G.; Wu, K.; Tatu, S.O. MHMICs on Ceramic Substrate for Advanced Millimeter wave Systems. In Proceedings of the 2009 IEEE Microwave Theory and Techniques Symposium, Boston, MA, USA, 7–12 June 2009; pp. 1025–1028. [Google Scholar]
- Boukari, B.; Moldovan, E.; Affes, S.; Wu, K.; Bosisio, R.G.; Tatu, S.O. A Low-Cost Millimeter-Wave Six-port Double-Balanced Mixer. In Proceedings of the International Symposium on Signals, Systems, and Electronics, Montreal, QC, Canada, 31 July–2 August 2007; pp. 513–516. [Google Scholar]
- Boukari, B.; Moldovan, E.; Wu, K.; Bosisio, R.G.; Tatu, S.O. Robust Microstrip to Waveguide Transitions for Millimeter-wave Radar Sensor Applications. IEEE Antenna Wirel. Propag. Lett. 2009, 8, 759–762. [Google Scholar] [CrossRef]
- Available online: https://www.analog.com/media/en/technical-documentation/data-sheets/hmc-alh509.pdf (accessed on 11 August 2020).
- Available online: https://www.qorvo.com/products/p/TGA4600 (accessed on 11 August 2020).
- Erfani, E.; Tatu, S.O. Improved performance millimeter-wave antenna array by using artificial material. IET Microw. Antennas Propag. 2019, 13, 1839–1845. [Google Scholar] [CrossRef]
- Moldovan, E.; Khaddaj-Mallat, N.; Tatu, S.O. Six-port interferometer for W-band transceivers: Design and characterization. Int. J. Electr. Comput. Eng. 2019, 9, 2703–2714. [Google Scholar] [CrossRef]
- Hannachi, C.; Djerafi, T.; Tatu, S.O. Broadband Waveguide-fed 8-by-1 Gap-coupled Microstrip Antenna Array for 60-GHz Short-range Point-to-point Wireless Communications. PIER Lett. 2019, 83, 7–14. [Google Scholar]
- Hannachi, C.; Tatu, S.O. Performance Comparison of Miniature Printed MHMICs Patch Antennas with Different Geometrical Shapes for 60-GHz Wireless Applications. IET Microw. Antennas Propag. 2017, 11, 106–112. [Google Scholar] [CrossRef]
- Erfani, E.; Niroo-Jazi, M.; Tatu, S.O. A High-Gain Broadband Gradient Refractive Index Metasurface Lens Antenna. IEEE Trans. Antennas Propag. 2016, 64, 1968–1973. [Google Scholar]
- Erfani, E.; Safavi-Naeini, S.; Tatu, S.O. Design and Analysis of a Millimeter-Wave High Gain Antenna. IET Microw. Antennas Propag. 2019, 13, 1586–1592. [Google Scholar] [CrossRef]
- Available online: https://www.vadiodes.com/index.php/en/products/signal-generator?id=837 (accessed on 11 August 2020).
- Pozar, D. Microwave and RF Design of Wireless Systems; John Wiley and Sons: Hoboken, NJ, USA, 2001; Chapter 4; p. 120. ISBN 0-471-32282-2. [Google Scholar]
- Available online: https://www.omlinc.com/images/pdf/SxxMS/OML-SxxMS_Brochure.pdf (accessed on 11 August 2020).
- Available online: https://www.analog.com/media/en/technical-documentation/data-sheets/hmc-mdb218.pdf (accessed on 11 August 2020).
- Available online: http://www.highfrequencyelectronics.com/index.php?option=com_content&view=article&id=159:lna-sage-millimeter&catid=52&Itemid=112 (accessed on 11 August 2020).
- Available online: https://www.digchip.com/datasheets/parts/datasheet/193/HMC578-pdf.php (accessed on 11 August 2020).
- Available online: http://static6.arrow.com/aropdfconversion/dd13cf5e6ff00f69bd76b2948b7e1b73ffd240b6/381213968075574hmc1105.pdf (accessed on 11 August 2020).
- Skolnik, M.I. Radar Handbook; McGraw-Hill: New York, NY, USA, 2008; Chapter 1.4; p. 929. ISBN 0-07-148547-3/978-0-07-148547-0. [Google Scholar]
- Li, H.I.; Kiang, Y.W. Radar Equation. In The Electrical Engineering Handbook; Academic Press: Cambridge, MA, USA, 2005; Chapter 10.3; pp. 671–690. ISBN 978-0-12-170960-0. [Google Scholar]
- Nyquist, H. Thermal Agitation of Electric Charge in Conductors. Phys. Rev. 1928, 32, 110–113. [Google Scholar]
- Urick, V.J.; Williams, K.J.; McKinney, J.D. Fundamentals of Microwave Photonics; John Wiley & Sons: Hoboken, NJ, USA, 2015; p. 63. ISBN 9781119029786. [Google Scholar]
- Pozar, D. Microwave and RF Design of Wireless Systems; John Wiley and Sons: Hoboken, NJ, USA, 2001; Chapter 10; pp. 341–342. ISBN 0-471-32282-2. [Google Scholar]
- Li, C.; Xiao, Y.; Lin, J. Experiment and Spectral Analysis of a Low-Power Ka-Band Heartbeat Detector Measuring from Four Sides of a Human Body. IEEE Trans. Microw. Theory Tech. 2006, 54, 4464–4471. [Google Scholar]
- Venot, Y.; Wiesbeck, W. 76.5 GHz radar sensor for contact-free distance measurement with micrometer accuracy. In Proceedings of the 2003 IEEE Sensors, Toronto, ON, Canada, 22–24 October 2003; pp. 216–221. [Google Scholar]
- Li, C.; Lin, J. Non-Contact Measurement of Periodic Movements by a 22–40 GHz Radar Sensor Using Non-linear Phase Modulation. In Proceedings of the 2007 IEEE/MTT International Microwave Symposium, Honolulu, HI, USA, 3–8 June 2007; pp. 579–582. [Google Scholar]




















































© 2020 by the authors. Licensee MDPI, Basel, Switzerland. This article is an open access article distributed under the terms and conditions of the Creative Commons Attribution (CC BY) license (http://creativecommons.org/licenses/by/4.0/).
Share and Cite
Tatu, S.O.; Moldovan, E. Millimeter Wave Multi-Port Interferometric Radar Sensors: Evolution of Fabrication and Characterization Technologies. Sensors 2020, 20, 5477. https://doi.org/10.3390/s20195477
Tatu SO, Moldovan E. Millimeter Wave Multi-Port Interferometric Radar Sensors: Evolution of Fabrication and Characterization Technologies. Sensors. 2020; 20(19):5477. https://doi.org/10.3390/s20195477
Chicago/Turabian StyleTatu, Serioja Ovidiu, and Emilia Moldovan. 2020. "Millimeter Wave Multi-Port Interferometric Radar Sensors: Evolution of Fabrication and Characterization Technologies" Sensors 20, no. 19: 5477. https://doi.org/10.3390/s20195477
APA StyleTatu, S. O., & Moldovan, E. (2020). Millimeter Wave Multi-Port Interferometric Radar Sensors: Evolution of Fabrication and Characterization Technologies. Sensors, 20(19), 5477. https://doi.org/10.3390/s20195477

