A Time-Based Electronic Front-End for a Capacitive Particle Matter Detector
Abstract
1. Introduction
2. Electronic Front-End Design
2.1. Description and Analysis of the Main Building Blocks
2.2. Simulation Results
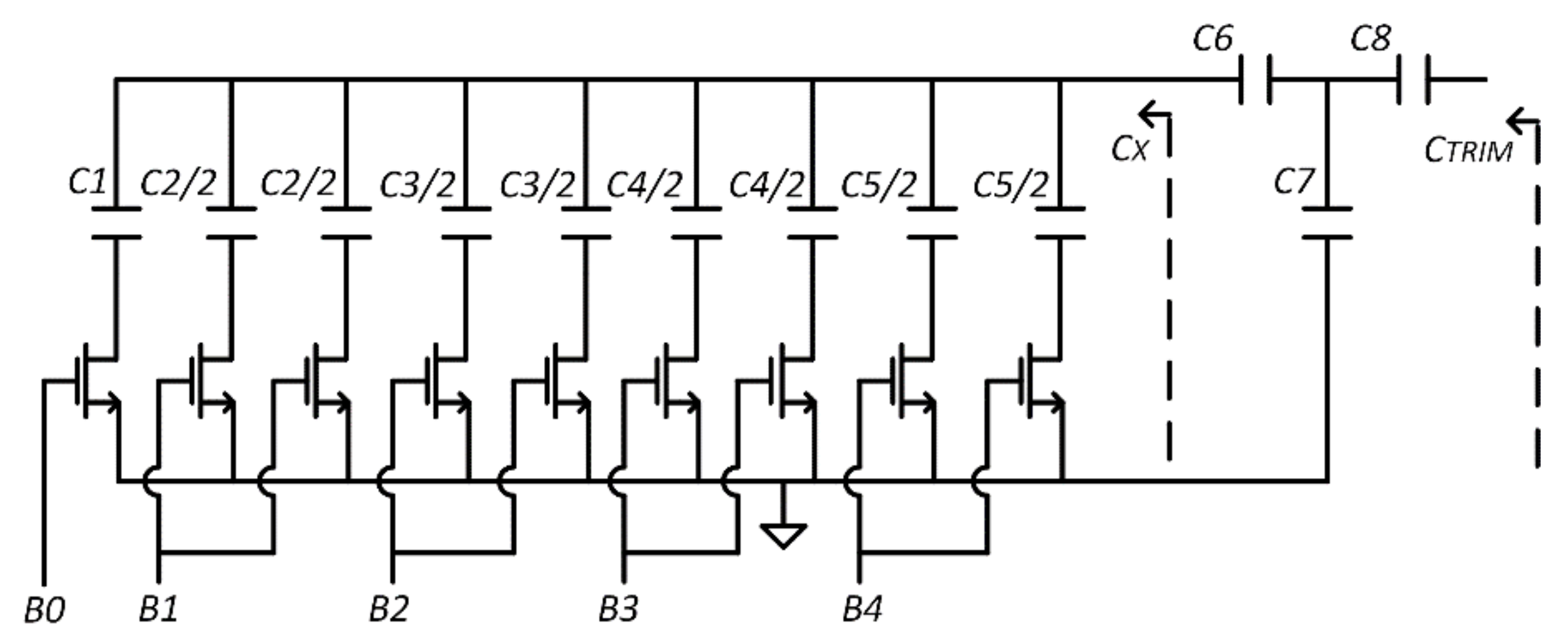
2.3. Design of the Capacitive Trimming Circuit
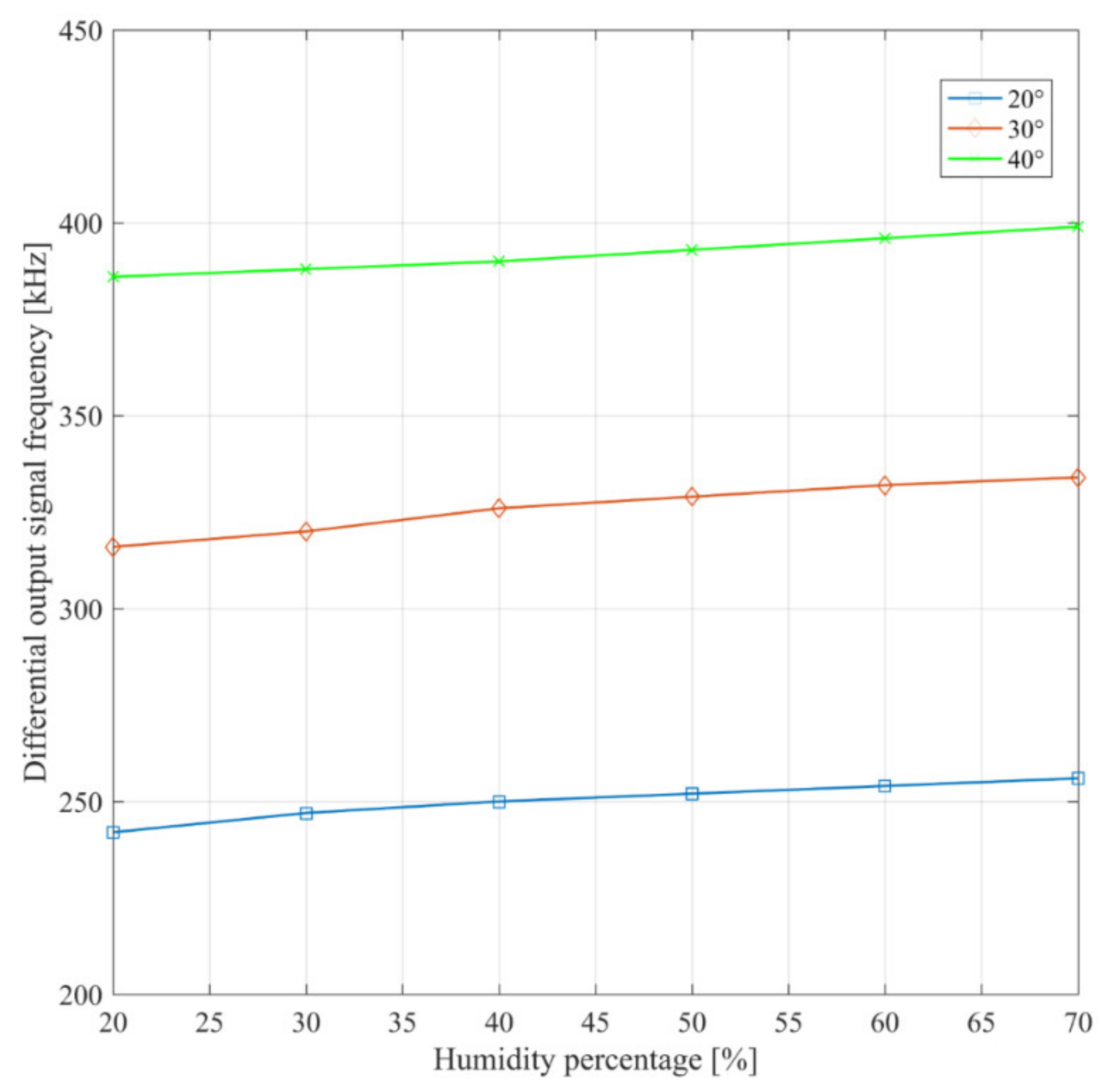
3. Measurement Results
4. Conclusions
Author Contributions
Funding
Institutional Review Board Statement
Informed Consent Statement
Data Availability Statement
Conflicts of Interest
Appendix A
References
- Carminati, M.; Pedalà, L.; Bianchi, E.; Nason, F.; Dubini, G.; Cortelezzi, L.; Ferrari, G.; Sampietro, M. Capacitive Detection of Micrometric Airborne Particulate Matter for Solid-State Personal Air Quality Monitors. Sens. Actuators A Phys. 2014, 219, 80–87. [Google Scholar] [CrossRef]
- Carminati, M.; Ferrari, G.; Sampietro, M. Emerging Miniaturized Technologies for Airborne Particulate Matter Pervasive Monitoring. Measurement 2017, 101, 250–256. [Google Scholar] [CrossRef]
- Ciccarella, P.; Carminati, M.; Sampietro, M.; Ferrari, G. 28.7 CMOS Monolithic Airborne-Particulate-Matter Detector Based on 32 Capacitive Sensors with a Resolution of 65zF Rms. In Proceedings of the 2016 IEEE International Solid-State Circuits Conference (ISSCC), San Francisco, CA, USA, 5–9 January 2016; pp. 486–488. [Google Scholar]
- Ciccarella, P.; Carminati, M.; Sampietro, M.; Ferrari, G. Multichannel 65 ZF Rms Resolution CMOS Monolithic Capacitive Sensor for Counting Single Micrometer-Sized Airborne Particles on Chip. IEEE J. Solid-State Circuits 2016, 51, 2545–2553. [Google Scholar] [CrossRef]
- Carminati, M.; Ciccarella, P.; Sampietro, M.; Ferrari, G. Single-Chip CMOS Capacitive Sensor for Ubiquitous Dust Detection and Granulometry with Sub-micrometric Resolution. In Sensors; Andò, B., Baldini, F., Di Natale, C., Marrazza, G., Siciliano, P., Eds.; Springer International Publishing: Cham, Switzerland, 2018; Volume 431, pp. 8–18. ISBN 978-3-319-55076-3. [Google Scholar]
- Paprotny, I.; Doering, F.; Solomon, P.A.; White, R.M.; Gundel, L.A. Microfabricated Air-Microfluidic Sensor for Personal Monitoring of Airborne Particulate Matter: Design, Fabrication, and Experimental Results. Sens. Actuators A Phys. 2013, 201, 506–516. [Google Scholar] [CrossRef]
- Spinazzè, A.; Fanti, G.; Borghi, F.; Del Buono, L.; Campagnolo, D.; Rovelli, S.; Cattaneo, A.; Cavallo, D.M. Field Comparison of Instruments for Exposure Assessment of Airborne Ultrafine Particles and Particulate Matter. Atmos. Environ. 2017, 154, 274–284. [Google Scholar] [CrossRef]
- Jaramillo, G.; Buffa, C.; Li, M.; Brechtel, F.J.; Langfelder, G.; Horsley, D.A. MEMS Electrometer With Femtoampere Resolution for Aerosol Particulate Measurements. IEEE Sens. J. 2013, 13, 2993–3000. [Google Scholar] [CrossRef]
- Thomas, S.; Villa-Lopez, F.H.; Theunis, J.; Peters, J.; Cole, M.; Gardner, J.W. Particle Sensor Using Solidly Mounted Resonators. IEEE Sens. J. 2016, 16, 2282–2289. [Google Scholar] [CrossRef]
- Mantenuto, P.; De Marcellis, A.; Ferri, G. Novel Modified De-Sauty Autobalancing Bridge-Based Analog Interfaces for Wide-Range Capacitive Sensor Applications. IEEE Sens. J. 2014, 14, 1664–1672. [Google Scholar] [CrossRef]
- Ferlito, U.; Grasso, A.D.; Pennisi, S.; Vaiana, M.; Bruno, G. Sub-Femto-Farad Resolution Electronic Interfaces for Integrated Capacitive Sensors: A Review. IEEE Access 2020, 8, 153969–153980. [Google Scholar] [CrossRef]
- Ferlito, U.; Grasso, A.D.; Vaiana, M.; Bruno, G. Integrated Airborne Particle Matter Detector. In Proceedings of the 2019 26th IEEE International Conference on Electronics, Circuits and Systems (ICECS), Genoa, Italy, 27–29 November 2019; pp. 95–96. [Google Scholar]
- Depari, A.; Sisinni, E.; Flammini, A.; Ferri, G.; Stornelli, V.; Barile, G.; Parente, F.R. Autobalancing Analog Front End for Full-Range Differential Capacitive Sensing. IEEE Trans. Instrum. Meas. 2018, 67, 885–893. [Google Scholar] [CrossRef]
- Zhong, L.; Lai, X.; Xu, D.; Liao, X.; Yang, C.; Fang, Z.; Zheng, Y. Capacitive Touch Panel With Low Sensitivity to Water Drop Employing Mutual-Coupling Electrical Field Shaping Technique. IEEE Trans. Circuits Syst. I 2019, 66, 1393–1404. [Google Scholar] [CrossRef]
- Romani, A.; Manaresi, N.; Marzocchi, L.; Medoro, G.; Leonardi, A.; Altomare, L.; Tartagni, M.; Guerrieri, R. Capacitive Sensor Array for Localization of Bioparticles in CMOS Lab-on-a-Chip. In Proceedings of the 2004 IEEE International Solid-State Circuits Conference (IEEE Cat. No.04CH37519), San Francisco, CA, USA, 15–19 February 2004; pp. 224–225. [Google Scholar]
- Ghanbari, M.M.; Tsai, J.M.; Nirmalathas, A.; Muller, R.; Gambini, S. An Energy-Efficient Miniaturized Intracranial Pressure Monitoring System. IEEE J. Solid-State Circuits 2017, 52, 720–734. [Google Scholar] [CrossRef]
- Zhong, L.; Lai, X.; Xu, D. Oversampling Successive Approximation Technique for MEMS Differential Capacitive Sensor. IEEE J. Solid-State Circuits 2018, 53, 2240–2251. [Google Scholar] [CrossRef]
- Trung, N.T.; Häfliger, P. A Submicrowatt Implantable Capacitive Sensor System for Biomedical Applications. IEEE Trans. Circuits Syst.II 2015, 62(2), 209–213. [Google Scholar] [CrossRef]
- Chen, J.C.; McGaughy, B.W.; Sylvester, D.; Hu, C. An On-Chip, Attofarad Interconnect Charge-Based Capacitance Measurement (CBCM) Technique. In Proceedings of the International Electron Devices Meeting, Technical Digest, San Francisco, CA, USA, 8–11 December 1996; pp. 69–72. [Google Scholar]
- Prakash, S.B.; Abshire, P. A Fully Differential Rail-to-Rail Capacitance Measurement Circuit for Integrated Cell Sensing. In Proceedings of the 2007 IEEE Sensors, Atlanta, GA, USA, 28–31 October 2007; pp. 1444–1447. [Google Scholar]
- Hassanli, K.; Sayedi, S.M.; Dehghani, R.; Jalili, A.; Wikner, J.J. A Low-Power Wide Tuning-Range CMOS Current-Controlled Oscillator. Integration 2016, 55, 57–66. [Google Scholar] [CrossRef]
- Ghafar-Zadeh, E.; Sawan, M.; Chodavarapu, V.P.; Hosseini-Nia, T. Bacteria Growth Monitoring Through a Differential CMOS Capacitive Sensor. IEEE Trans. Biomed. Circuits Syst. 2010, 4, 232–238. [Google Scholar] [CrossRef] [PubMed]
- Vendrame, L.; Bortesi, L.; Cattane, F.; Bogliolo, A. Crosstalk-Based Capacitance Measurements: Theory and Applications. IEEE Trans. Semicond. Manufact. 2006, 19, 67–77. [Google Scholar] [CrossRef]
- Zhang, P.; Wan, Q.; Feng, C.; Wang, H. Gate Capacitance Measurement Using a Self-Differential Charge-Based Capacitance Measurement Method. IEEE Electron Device Lett. 2015, 36, 1271–1273. [Google Scholar] [CrossRef]
- Evans, I.; York, T. Microelectronic Capacitance Transducer for Particle Detection. IEEE Sens. J. 2004, 4, 364–372. [Google Scholar] [CrossRef]
- Forouhi, S.; Dehghani, R.; Ghafar-Zadeh, E. Toward High Throughput Core-CBCM CMOS Capacitive Sensors for Life Science Applications: A Novel Current-Mode for High Dynamic Range Circuitry. Sensors 2018, 18, 3370. [Google Scholar] [CrossRef]
- Ghafar-Zadeh, E.; Sawan, M. A Hybrid Microfluidic/CMOS Capacitive Sensor Dedicated to Lab-on-Chip Applications. IEEE Trans. Biomed. Circuits Syst. 2007, 1, 270–277. [Google Scholar] [CrossRef] [PubMed]
- Pennisi, S. High-Performance and Simple CMOS Interface Circuit for Differential Capacitive Sensors. IEEE Trans. Circuits Syst. II 2005, 52, 327–330. [Google Scholar] [CrossRef]
- Scotti, G.; Pennisi, S.; Monsurro, P.; Trifiletti, A. 88-τA 1-MHz Stray-Insensitive CMOS Current-Mode Interface IC for Differential Capacitive Sensors. IEEE Trans. Circuits Syst. I 2014, 61, 1905–1916. [Google Scholar] [CrossRef]
- Singh, T.; Saether, T.; Ytterdal, T. Current-Mode Capacitive Sensor Interface Circuit with Single-Ended to Differential Output Capability. IEEE Trans. Instrum. Meas. 2009, 58, 3914–3920. [Google Scholar] [CrossRef]
- Danneels, H.; Coddens, K.; Gielen, G. A fully-digital, 0.3V, 270 nW capacitive sensor interface without external references. In Proceedings of the 2011 ESSCIRC (ESSCIRC), Helsinki, Finland, 12–16 September 2011; pp. 287–290. [Google Scholar] [CrossRef]
- Mohammad, K.; Buchanan, D.A.; Thomson, D.J. Integrated 0.35 Pm CMOS Capacitance Sensor with Atto-Farad Sensitivity for Single Cell Analysis. In Proceedings of the 2016 IEEE Biomedical Circuits and Systems Conference (BioCAS), Shanghai, China, 17–19 October 2016; pp. 22–25. [Google Scholar]
- Couniot, N.; Francis, L.A.; Flandre, D. A Capacitance-to-Frequency Converter With On-Chip Passivated Microelectrodes for Bacteria Detection in Saline Buffers Up to 575 MHz. IEEE Trans. Circuits Syst. I 2015, 62(2), 159–163. [Google Scholar] [CrossRef]
- Senevirathna, B.P.; Lu, S.; Dandin, M.P.; Basile, J.; Smela, E.; Abshire, P.A. Real-Time Measurements of Cell Proliferation Using a Lab-on-CMOS Capacitance Sensor Array. IEEE Trans. Biomed. Circuits Syst. 2018, 12, 510–520. [Google Scholar] [CrossRef] [PubMed]
- Mohammad, K.; Thomson, D.J. Differential Ring Oscillator Based Capacitance Sensor for Microfluidic Applications. IEEE Trans. Biomed. Circuits Syst. 2017, 11, 8. [Google Scholar] [CrossRef] [PubMed]
- Pérez Sanjurjo, J.; Prefasi, E.; Buffa, C.; Gaggl, R. A Capacitance-To-Digital Converter for MEMS Sensors for Smart Applications. Sensors 2017, 17, 1312. [Google Scholar] [CrossRef]
- Li, B.; Sun, L.; Ko, C.-T.; Wong, A.K.-Y.; Pun, K.-P. A High-Linearity Capacitance-to-Digital Converter Suppressing Charge Errors From Bottom-Plate Switches. IEEE Trans. Circuits Syst. I 2014, 61, 1928–1941. [Google Scholar] [CrossRef]
- Nizza, N.; Dei, M.; Butti, F.; Bruschi, P. A Low-Power Interface for Capacitive Sensors With PWM Output and Intrinsic Low Pass Characteristic. IEEE Trans. Circuits Syst. I 2013, 60, 1419–1431. [Google Scholar] [CrossRef]
- He, Y.; Chang, Z.; Pakula, L.; Shalmany, S.H.; Pertijs, M. 27.7 A 0.05mm2 1V Capacitance-to-Digital Converter Based on Period Modulation. In Proceedings of the 2015 IEEE International Solid-State Circuits Conference-(ISSCC) Digest of Technical Papers, San Francisco, CA, USA, 22–26 February 2015; pp. 1–3. [Google Scholar]
- Gao, Z.; Zhou, B.; Li, X.; Yang, L.; Wei, Q.; Zhang, R. A Digital-Analog Hybrid System-on-Chip for Capacitive Sensor Measurement and Control. Sensors 2021, 21, 431. [Google Scholar] [CrossRef] [PubMed]
- Tang, X.; Li, S.; Yang, X.; Shen, L.; Zhao, W.; Williams, R.P.; Sun, N. An Energy-Efficient Time-Domain Incremental Zoom Capacitance-to-Digital Converter. IEEE J. Solid-State Circuits 2020, 55, 3064–3075. [Google Scholar] [CrossRef]
- Xin, H.; Andraud, M.; Baltus, P.; Cantatore, E.; Harpe, P. A 0.1-nW–1- μW Energy-Efficient All-Dynamic Versatile Capacitance-to-Digital Converter. IEEE J. Solid-State Circuits 2019, 54, 1841–1851. [Google Scholar] [CrossRef]
- Abidi, A.A. Phase Noise and Jitter in CMOS Ring Oscillators. IEEE J. Solid-State Circuits 2006, 41, 1803–1816. [Google Scholar] [CrossRef]















| Parameter | Value | |
|---|---|---|
| ROs | (W/L)PMOS | 54.8 μm/1 μm |
| (W/L)NMOS | 20 μm/1 μm | |
| CS0 | 330 fF | |
| CPAR | 548 + 202 fF | |
| CTRIM | 112.4 fF | |
| N | 3 | |
| Mixer + filter | (W/L)PMOS | 5.4 μm/0.2 μm |
| (W/L)NMOS | 2/0.2 | |
| R | 2 MΩ | |
| C | 100 fF | |
| Trigger | (W/L)M1 | 8.1 μm/0.13 μm |
| (W/L)M2 | 0.81 μm/0.13 μm | |
| (W/L)M3 | 3 μm/0.13 μm | |
| (W/L)M4 | 0.3 μm/0.13 μm | |
| Counter | K | 8 |
| Divider | M | 32,768 |
| TT | FF | FS | SF | SS | ||
|---|---|---|---|---|---|---|
| −40 °C | fref (MHz) | 89.62 | 89.02 | 89.62 | 89.6 | 90.19 |
| Δf (kHz) | 67.8 | 66.22 | 67.8 | 67.82 | 69.27 | |
| 27 °C | fref (MHz) | 79.97 | 79.59 | 79.96 | 79.972 | 80.32 |
| Δf (kHz) | 59.07 | 57.89 | 59.05 | 59.07 | 60.35 | |
| 80° | fref (MHz) | 74.46 | 74.217 | 74.46 | 74.46 | 74.71 |
| Δf (kHz) | 54.33 | 53.33 | 54.33 | 54.29 | 55.318 |
| Trigger Output (kHz) | Counter (HEX Value) | Δf (kHz) | σ (kHz) | Resolution * (aF) |
|---|---|---|---|---|
| 340 | H90 | 345 | 3.1 | 153 |
| 326 | H88 | 326.4 | 3.1 | 153 |
| 310 | H81 | 309.6 | 3.1 | 153 |
| 295 | H7A | 292.8 | 3 | 150 |
| 280 | H74 | 278.4 | 3.2 | 159 |
| 267 | H70 | 268.8 | 3.1 | 159 |
| 255 | H6B | 256.8 | 3.2 | 159 |
| 250 | H66 | 244.8 | 3.3 | 165 |
| 235 | H62 | 235.2 | 2.7 | 135 |
| 229 | H61 | 232.8 | 2.7 | 135 |
| Reference | Topology | Tech.(nm) | Supply Volt. (V) | Power (mW) | Meas. Time (ms) | Area (mm2) | Resolution (aF) | Application |
|---|---|---|---|---|---|---|---|---|
| [4] | C2V lock-in | 350 | 3.3 | 84 | 2.5 | 6 a | 0.065 | Airborne particle detector |
| [15] | C2V | 180 | 1.8 | 0.35 | 0.00526 | 0.15 | 54 | Differential MEMS |
| [23] | CBCM | 800 | – | – | 0.02 | 14.62 a | 50 b | Airborne particle detector |
| [27] | C2I | 65 | 2.5 | 0.22 | 0.002 | 0.03 | 800 b | Differential cap. sensor |
| [33] | C2F RO | 350 | 3.3 | 8 | 1400 | 9 a | 14.4 b | Lab-on-chip cell proliferation |
| [34] | C2T | 320 | 3 | 0.084 | 0.385 | 0.52 | 800 | Differential cap. sensor |
| [36] | C2D | 130 | 1.5 | 0.22 | 20 | 0.317 | 5.4 | Differential MEMS |
| This Work | C2F RO | 130 | 1.2 | 1.316 | 0.416 | 0.12 a | 165 | Airborne particle detector |
Publisher’s Note: MDPI stays neutral with regard to jurisdictional claims in published maps and institutional affiliations. |
© 2021 by the authors. Licensee MDPI, Basel, Switzerland. This article is an open access article distributed under the terms and conditions of the Creative Commons Attribution (CC BY) license (http://creativecommons.org/licenses/by/4.0/).
Share and Cite
Ferlito, U.; Grasso, A.D.; Vaiana, M.; Bruno, G. A Time-Based Electronic Front-End for a Capacitive Particle Matter Detector. Sensors 2021, 21, 1840. https://doi.org/10.3390/s21051840
Ferlito U, Grasso AD, Vaiana M, Bruno G. A Time-Based Electronic Front-End for a Capacitive Particle Matter Detector. Sensors. 2021; 21(5):1840. https://doi.org/10.3390/s21051840
Chicago/Turabian StyleFerlito, Umberto, Alfio Dario Grasso, Michele Vaiana, and Giuseppe Bruno. 2021. "A Time-Based Electronic Front-End for a Capacitive Particle Matter Detector" Sensors 21, no. 5: 1840. https://doi.org/10.3390/s21051840
APA StyleFerlito, U., Grasso, A. D., Vaiana, M., & Bruno, G. (2021). A Time-Based Electronic Front-End for a Capacitive Particle Matter Detector. Sensors, 21(5), 1840. https://doi.org/10.3390/s21051840

