Abstract
For an extensive and sustainable deployment of technological ecosystems such as the Internet of Things, it is a must to leverage the free energy available in the environment to power the autonomous sensors. Among the different alternatives, thermal energy harvesters based on thermoelectric generators (TEGs) are an attractive solution for those scenarios in which a gradient of temperature is present. In such a context, this article reviews the operating principle of TEGs and then the applications proposed in the literature in the last years. These applications are subclassified into five categories: domestic, industrial, natural heat, wearable, and others. In each category, a comprehensive comparison is carried out, including the thermal, mechanical, and electrical information of each case. Finally, an identification of the challenges and opportunities of research in the field of TEGs applied to low-power sensor nodes is exposed.
1. Introduction
Smart technologies play a crucial role in sustainable economic growth as they transform houses, offices, factories, and even cities into autonomic, self-controlled systems that can operate without human intervention [1]. The Internet of Things (IoT) and Wireless Sensor Networks (WSNs) are completely involved in this modernization, offering thousands of small and interconnected devices (so-called sensor nodes) that are capable of sensing and communicating wirelessly [2]. These sensor nodes enable real-time decision-making and automation [3] in many fields, such as Industry 4.0 [4], thus improving factors such as productivity, safety, sustainability, and mobility, and, hence, the people’s quality of life.
A significant challenge in ensuring the sustained operation of sensor nodes is the requirement for a reliable power supply [5]. Currently, three main options exist for powering: (1) electrical-grid connection, (2) primary batteries, and (3) energy harvesters (EH). The first option is limited by placement constraints, as it needs physical connections, thereby compromising flexibility and hindering a truly wireless and autonomous solution. The second option faces limitations in terms of finite energy capacity and the need for replacement that increases both maintenance efforts and operational costs [6]. In addition, batteries are not a sustainable solution with the corresponding recycling costs. An EH, however, is a promising alternative to powering the sensor nodes by capturing “free” energy available from the surrounding environment. This enables the development of self-powered sensor nodes that can operate independently, wirelessly, and sustainably, as reported in numerous studies [7,8,9,10,11,12]. For example, the source of energy was mechanical in [7,9,10], optical in [11], radio frequency (RF) in [12], and hybrid (i.e., optical and thermal) in [8]. In those cases, such energy was employed to power a temperature sensor in [8,12], a health-monitoring system in [9], a microbial-disinfection system in [10], and a gas sensor in [11].
An EH, as shown in Figure 1, typically consists of three key blocks: an energy transducer that captures the environmental energy, a power management circuit (PMC) with a power converter, and a control circuit that tracks the maximum power point (MPP) of the transducer [13], and an energy storage system. Apart from being an alternative to primary batteries, this approach also has the potential to complement battery usage and significantly extend their lifespan, enhancing the autonomy and sustainability of sensor nodes [5].
Figure 1.
General block diagram of an EH.
Selecting the appropriate energy source for an EH-based sensor node is essential to achieving an optimal balance between the power generated by the EH and the power consumed by the electronics of the sensor node. It is worth noting that the EH is expected to have a low area (say, around 10–20 cm2) in order not to increase the size of the tiny sensor node. In such conditions, the power available at the EH output can be quite low. Fortunately, such a low level of extracted power can be sufficient for low-power sensor nodes, whose average power consumption typically ranges from several microwatts to a few milliwatts [14]. These low levels of power consumption are feasible nowadays thanks to the availability of low-power devices [15,16] and communication protocols [17]. Moreover, the EH has to provide a supply voltage to the sensor node higher than the minimum value required, which is commonly a few units of volt [18].
The same as sensors can acquire information from different energy domains [19], EHs can extract energy from different energy domains, including optical [20,21], thermal [22], mechanical [23], and RF [24]. For optical EH, photovoltaics (PV) is the most established technology for converting optical energy (such as sunlight in outdoor applications or artificial light in indoor applications) into electrical energy. Thermal EHs typically use a thermoelectric generator (TEG) to transform thermal energy (i.e., a gradient of temperature) into electrical energy. Another thermal option is the use of pyroelectric cells [25], but their efficiency is lower than that obtained in TEGs. In the case of mechanical EHs, electrical energy is obtained through electromagnetic [26,27], electrostatic [28], piezoelectric [23,29] or triboelectric [30] transducers. Regarding RF-EH, this captures and converts radio frequency energy into electricity by utilizing rectennas, which are devices that integrate an antenna with a rectifier to efficiently harvest RF signals.
Among the previous harvesting alternatives, optical EHs deliver the highest electrical power density in outdoor scenarios [14], with a power density in the range of 10 mW/cm2. However, when deployed indoors, the power density of PV cells decreases significantly (easily, a factor of 100) [31]. Considering such a limitation, a promising alternative for sensor nodes located indoors is the use of thermal EH. According to [14], TEGs offer a wide range of power densities, from 1 µW/cm2 to 1 mW/cm2. Assuming an exposure area of around 10 cm2, the previous power densities result in a power from 10 µW to 10 mW, which is acceptable for many autonomous sensor nodes. However, in order to achieve these values of output power in a TEG, several thermal, mechanical, and electronic issues need to be appropriately handled, such as: (a) the mechanical and thermal coupling of the TEG to the singularities of the thermal source; (b) the proper selection of the dimensions of the heatsink to be attached to the TEG (at the opposite side of the thermal source); (c) the series or parallel configuration (both electrically and thermally) in case that several TEGs are employed; and (d) the tracking of the MPP of the TEG using an appropriate PMC.
Review papers related to TEGs have been recently published in the literature [32,33,34,35,36,37,38]; however, the review in [33] is more related to thermoelectric coolers rather than thermoelectric generators. These review papers, however, show limitations mainly in the following aspects: (a) No electrical model considering the Seebeck, Peltier, and Joule effects was provided, excluding [33] in the context of cooling. (b) The principle of the MPP tracking applied to TEGs was scarcely explained. (c) The thermal management using heatsinks and the configuration of TEGs in an array was not considered, excluding [38]. And (d) the list of applications was not complete. For example, no wearable applications were considered in [32,34,38], no natural heat applications were assumed in [36], and a very reduced number of domestic applications were considered in [37]. Although the list of applications reported in [35] was quite extensive, no information about the heatsink was provided. In addition, the electrical and thermal configuration of the TEGs was not reported in any of the applications in [32,34,35,36,37,38]. Taking this into account, this article aims to bridge this gap by first reviewing in detail the operating principle of TEGs as a generator and then examining applications proposed in the literature in the last years, including information about the heatsink and the electrical and thermal configuration of the TEGs.
The article is structured as follows. Following the introduction in Section 1, Section 2 explains the operating principle of a TEG. Section 3 describes, classifies, and compares applications in which TEGs have been proposed to extract energy, such as domestic and industrial applications. Finally, Section 4 draws the main conclusions and discusses future research directions in the field of thermal EHs.
2. Operating Principle of a Thermoelectric Generator
A TEG is a solid-state device that directly converts heat into electrical energy based on thermodynamic principles and effects [39]. The phenomenon of converting heat energy into electrical energy, known as the Seebeck effect, was first discovered in 1821 by Thomas Johann Seebeck [40]. This effect occurs when two dissimilar conductor or semiconductor materials are joined at one end to form a thermocouple, and a temperature gradient is applied between the junction and the open ends. As a result, a voltage difference, the so-called Seebeck voltage, is generated across the open ends of the joined materials due to the diffusion of charge carriers driven by the temperature difference. Thermocouples as a thermal sensing element have been widely employed in the last centuries, especially in environments with very high temperatures. However, thermocouples as an energy harvester (thus resulting in the concept of TEG) have been considered since the mid-20th century [39], thanks to the advancements of the semiconductor technology.
The thermocouples in TEGs are a combination of P-type and N-type semiconductor materials. In a P-type semiconductor, the temperature gradient causes holes to move from the hot side to the cold side, thus creating a charge density difference. On the other hand, in an N-type semiconductor, the process is similar; however, instead of holes, the charge carriers are electrons. These electrons move toward the cold side, causing it to become negatively charged. In steady-state conditions, the charge density difference across the thermocouple is balanced by the temperature difference.
The operating principle of a TEG assuming a single thermocouple is explained in Section 2.1. Afterwards, in Section 2.2, a TEG with several P-N-type pairs electrically connected in series is discussed. Finally, in Section 2.3, ideas for improving TEG performance are provided.
2.1. Single-Thermocouple TEG
The fundamental topology of a single-thermocouple TEG is shown in Figure 2. This consists of a single pair of P-N semiconductor materials and two conductors (A and B). The junction at conductor A is known as the hot junction, which is at temperature THJ, whereas that at conductor B is the cold junction, whose temperature is TCJ. The thermocouple is then sandwiched between two ceramic plates, which are electrically insulating and thermally conducting, with a finite thermal conductance K. The ceramic plate near the hot junction is considered to be at a temperature TH, whereas the other one is at TC.
Figure 2.
Basic structure of a single-thermocouple TEG.
In open-circuit conditions, an open-circuit voltage (VOC) appears between the open ends of the thermocouple, resulting from the Seebeck effect, which is proportional to the temperature difference [41], as follows:
where α is the Seebeck coefficient of the thermocouple. This coefficient is equal to α = αP − αN, where αP and αN are the Seebeck coefficients of the P and N-type semiconductors, respectively. For simplicity in the theoretical analysis, it is assumed that the Seebeck coefficient α, electrical resistivity ρ, and thermal conductivity k of the semiconductor materials are temperature-independent. Furthermore, ρ and k are assumed as the average values of the respective parameters of the P and N-type semiconductors. In addition, it is considered that junctions in the conductors A and B exhibit negligible thermal and electrical resistance. Convection and radiation effects are also neglected in this subsection.
In the topology in Figure 2, thermal energy flows from a heat source to the hot side of the TEG, while the cold side releases the heat to the surroundings. The heat flow rates QH and QC, due to thermal conduction, which flow, respectively, from the heat source to the hot junction through the upper ceramic plate and from the cold junction to the surrounding environment through the lower ceramic plate, can be expressed as follows [41]:
In closed-circuit conditions (i.e., when a load resistance RL is connected to the thermocouple, as shown in Figure 2), an output current (IO) is generated that is equal to the following:
where Rin represents the internal electrical resistance of the thermocouple, which can be expressed as follows [41]:
where hleg and Aleg denote the height and the cross-sectional area of a thermocouple leg, respectively, and the factor of 2 corresponds to the series connection of the two semiconductors of the thermocouple.
In closed-circuit conditions, the rate of heat exchanged at the hot and cold junctions is the result of the combined effects of three phenomena: thermal conduction, the Peltier effect, and the Joule effect, the last two being caused by the electric current flow. The Peltier effect describes the thermal phenomena occurring at the junction of two different materials when an electric current is applied. Specifically, it is considered the inverse of the Seebeck effect [42], where heat is absorbed or released at the junctions, depending on the direction of the current. On the other hand, the Joule effect is the physical effect by which the passage of current through an electrical conductor produces thermal energy. In terms of heat flow, these effects on the junctions of a single-thermocouple TEG are illustrated in Figure 3. Note that the heat caused by the Peltier effect is released at the hot junction while absorbed at the cold junction [43]. Consequently, there is cooling at the hot junction and heating at the cold junction. Additionally, the heat caused by the Joule effect is absorbed in both junctions, thus causing heating at both junctions. Accordingly, the heat flow rates at both junctions, QH and QC, can be expressed as follows [41]:
where the first term corresponds to the Peltier effect, the second is related to the thermal conduction between the junctions, and the third to the Joule effect. The positive or negative signs of each term in Equations (6) and (7) show whether the heat is absorbed or released. As for the thermal conduction, this depends on the internal thermal conductance of the thermocouple (Kin) that is obtained as follows [41]:
Figure 3.
Heat flow rates on hot and cold junctions of a single-thermocouple TEG.
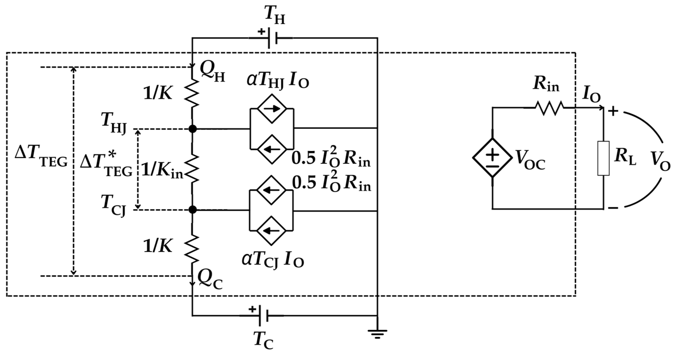
Based on the phenomena formulated in Equations (1)–(8), an equivalent electrical model can be developed, as shown in Figure 4 [41,44,45]. Heat flow rate, temperature, and thermal conductance are represented by analogous electrical quantities: current, voltage, and conductance, respectively. The upper voltage source represents the temperature (TH) at the hot side, while the lower voltage source models the temperature (TC) at the cold side. The current-dependent current sources describe the contribution of the Joule effect and the Peltier effect to the heat rate at the hot/cold junctions. The right side in Figure 4 represents the electrical output of the thermocouple that is modelled as an equivalent Thevenin circuit, with VOC in series with Rin connected to the load (RL).
Figure 4.
Electrical equivalent model of a single-thermocouple TEG.
The analysis of the equivalent circuit in Figure 4 provides the effective temperature gradient ( between the junctions:
where ΔTTEG = TH − TC is the external temperature difference across the ceramic plates, and Tm = (THJ + TCJ)/2 is the mean temperature of the junctions. It is important to note that depends not only on the thermal and electrical properties of the TEG but also on the load connected at the output. For example, a low-value RL leads to an increase in IO, which, in turn, increases the Peltier effect and reduces. These effects are described by the third term in the denominator in Equation (9).
The output power (PO) delivered to RL can be expressed as the product of the voltage (VO) across the load and the current flowing through it, as obtained using the following equation:
Considering that VO = IO RL, PO can also be written as follows:
By substituting Equation (4) in Equation (11), the resulting output power is the following:
The same expression could be obtained by calculating PO as the difference between QH and QC provided in Equations (6) and (7), respectively.
The electrical performance of a TEG is typically evaluated by means of the output current–voltage (I-V) and power–voltage (P-V) characteristics. The analytical I-V characteristic can be obtained by analyzing the Thevenin circuit shown on the right side in Figure 4, where IO can be expressed as follows:
is the short-circuit current. On the other hand, the P-V characteristic can be found by substituting Equation (13) in Equation (10), resulting in the following:
According to Equations (13) and (14), IO has a linear relationship to VO, while PO has a quadratic relationship to VO, as graphically represented in Figure 5a and Figure 5b, respectively.
Figure 5.
TEG characteristics (a) I-V characteristic curve (b) P-V characteristic curve.
In order to deliver the maximum power to the load, the TEG should operate at its MPP. According to the maximum power transfer theorem, the TEG in Figure 4 operates at its MPP when RL = Rin, which means that VO = VOC/2, thus generating the following maximum output power:
This increases with the square of both α and .
Considering the thermal power (QH) applied to the input and the electrical power (PO) obtained at the output, the TEG efficiency is obtained using the following equation:
According to [38], the maximum efficiency is as follows:
is the Carnot efficiency, obtained using the following equation:
where TH and TC are quantified herein in Kelvin. In Equation (17), ZTavg is the (dimensionless) average thermoelectric figure of merit defined as α2ρ−1k−1Tavg, where Tavg is the average (absolute) temperature of TH and TC. Based on Equation (17), it is essential to have ΔTTEG and ZT as high as possible to achieve a high efficiency. Thermoelectric materials are recommended to have ZT ≥ 1 to make them viable for practical applications [46].
2.2. N-Thermocouple TEG
Considering a TEG with N thermocouples connected electrically in series and thermally in parallel, as shown in Figure 6, the resulting Rin and Kin, as given by Equations (5) and (8), respectively, must be multiplied by N to reflect the total electrical resistance and thermal conductance of the entire TEG. Additionally, since N thermocouples are electrically connected in series, the open-circuit voltage generated by the module becomes N times higher, as per Equation (1). The output power, as derived from Equation (12), follows a quadratic relationship with VOC and, therefore, it increases by a factor of N2. Consequently, for a TEG consisting of N thermocouples, the relevant equations are adjusted as follows:
Figure 6.
TEG with N thermocouples.
According to Equations (20) and (23), it is advisable to have a low value of hleg to increase PMPP. However, according to Equations (9) and (21), decreasing the value of hleg generates the opposite effects on PMPP. Therefore, there is an optimal value for that variable.
2.3. Enhancing TEG Performance
In order to increase the power generation of a TEG, it is important to maximize the value of . To do that, it is necessary to maintain a low temperature at the cold side of the TEG. The heat at the cold side of the TEG is dissipated to the ambient mostly through convection. This thermal convection between the cold side and the ambient can be modelled through the law of Newton cooling as follows [47]:
where h is the convection heat transfer coefficient, A is the heat dissipation area, and TA is the ambient temperature. For those cases in which h is very small, heat exchange with the ambient is also carried out using radiation [48]; however, this scenario is not considered herein. Assuming that h, A, and TA are constant, then TC increases so as to dissipate QC until the system reaches an equilibrium condition. Such effects can be modelled via the following convection thermal resistance:
which is connected in series with the TEG model in Figure 4, as illustrated in Figure 7. A new gradient of temperature is defined herein: ΔT, which is the temperature difference between the heat source and the ambient (i.e., ΔT = TH − TA). In order to have TC as close as possible to TA and, hence, increase the output power, RTC should be much lower than the other resistances involved in the thermoelectric circuit. To do that, high values of h and/or A are required, which can be obtained using a heatsink attached to the cold side of the TEG [49], as explained next.
Figure 7.
Electrical model of a TEG when heat is dissipated to the ambient through its cold side.
There are five main categories of heatsinks: passive cooling, semi-active cooling, active cooling, liquid cooling, and phase change cooling [49], as summarized in Table 1. In passive cooling, a flat metal made of copper or aluminum is usually employed, while in semi-active cooling, a metallic fin array is utilized. The profile of the fins could be round, triangular, or rectangular, the latter being the most common [49]. The heat dissipation on both passive and semi-active cooling is typically achieved through natural convection. On the other hand, active cooling relies on airflow generated via forced convection. Extra power consumption is needed to power a fan, which is usually installed on a metallic fin array to blow the air. Instead of air, liquid cooling utilizes a liquid to remove the heat. This approach requires additional auxiliary components such as water treatment, valves, pumps, and pipes, and, hence, it is more complicated and expensive. As for phase change cooling, a phase change material (PCM), such as paraffin, is employed to remove the heat since it can absorb a lot of heat before it melts [50]. However, once the PCM reaches its full melting point, the heatsink undergoes a significant temperature rise [51].
Table 1.
Categories of heatsink cooling methods [49].
When a heatsink is attached to the cold side of a TEG, a heatsink thermal resistance (RHS) replaces RTC in the electrical equivalent model in Figure 7, as illustrated in Figure 8 [52]. This RHS is typically formulated as follows [49]:
where hHS, AHS, and ηHS are the convection heat transfer coefficient, the heat dissipation area, and the efficiency of the heatsink, respectively. The value of hHS is influenced by fluid properties and motion. For instance, water has better properties than air [48], and forced convection is better than natural convection. A heatsink with a high heat dissipation area also helps to decrease the value of RHS. However, some applications can offer some constraints in volume, and, hence, the size of the heatsink can be limited. There is an additional thermal resistance (not represented in Figure 8; however, it would be in series with RHS) related to the contact between the TEG cold side and the heatsink. If thermal paste is employed between them, the value of that thermal resistance becomes lower.
Figure 8.
Electrical model of a TEG when heat is dissipated to the ambient through a heatsink.
In case a single TEG is insufficient to provide the power demands of the autonomous sensor, an array of multiple TEGs can be employed. TEG arrays can be arranged in various configurations both thermally and electrically [53], such as series, parallel, or series–parallel configurations. Figure 9 and Figure 10 illustrate the electrical and thermal configurations of TEG arrays, respectively. It is important to highlight that the sum of all individual TEG output power within an array often exceeds the output power of the array itself (i.e., when the TEGs are connected together to form a system). This discrepancy is primarily caused by the nonuniform heat flux distribution at the hot side of the TEG array [54], which means that parameters such as TH, ΔT, VOC, and Rin (since this is temperature dependent) are not the same for all the TEGs of the array. The TEGs under less heat flux generate a lower output voltage and current, thus acting as an external load [55]. Under these mismatched conditions, each TEG in the array has a different MPP. Ideally, each TEG should be connected to a dedicated PMC with an MPP tracker (MPPT); however, this approach significantly increases the system's complexity and cost. Conversely, using a single PMC to manage multiple TEGs results in a suboptimal electrical operating point for individual TEGs. Therefore, to address the mismatch problem within the TEG array, it is required to configure the TEG array topology appropriately [54] and determine the optimal number of PMCs relative to the number of TEGs, balancing performance, system complexity, and cost [56].
Figure 9.
Electrical configuration of TEGs: (a) in series, (b) parallel, and (c) series–parallel.
Figure 10.
Thermal configuration of TEGs: (a) in series, (b) parallel, and (c) series–parallel.
3. TEG Applications
The availability and characteristics of thermal energy sources also influence the feasibility and performance of TEGs. This section reviews the potential of TEGs to harness energy from a wide range of applications, including domestic and industrial environments, as well as specialized areas such as natural heat sources, wearable devices, and other innovative uses. As for the thermoelectric materials, all the references cited in this section that provide material information employ either commercial or custom-designed TEGs based on bismuth telluride (Bi2Te3).
3.1. Domestic Applications
Various thermal energy sources in domestic settings can be utilized, including heat from lamps, household appliances, hot or cold-water piping, window frames, and wood stoves. Table 2 provides a summary of the domestic applications reported in the literature, which are described in more detail in the following paragraphs.
Table 2.
Thermal energy harvesting in domestic applications.
The first subgroup in Table 2 demonstrates the use of TEGs to harvest energy from the heat generated by Light-Emitting Diode (LED) lamps [57,58,59]. In [57], four TEGs connected electrically in series were attached to the surface of a 10-W LED bulb lamp. In the initial experiments without a heatsink, it showed that TEGs could generate a power up to 0.9 mW. However, by optimizing the setup with a heatsink for each TEG, the thermal gradient across the TEGs increased, enhancing the output power to 8.3 mW.
Similar to [57], in [58], two TEGs, connected electrically in series and thermally in parallel with an aluminum heatsink, were attached on an aluminum reflector covering a 13-W LED tube lamp, as shown in Figure 11. It was reported that the output power was 1 mW. According to the author in [58], this low output power was attributed to the low thermal conductance between the LED lamp tubes and the hot side of the TEGs, likely due to the distance between the lamp tubes and the reflector.
Figure 11.
TEG configuration on an LED lamp.
In [59], a custom-designed TEG was developed with a smaller size. Four blue LED chips were directly bonded to the hot side of the TEG to improve heat conduction, while a heatsink with a cooling fan was installed on the cold side. The experiments showed that when the LED chips were supplied with a current of 1.4 A, the resulting ΔTTEG was 219 °C, which is significantly higher than those reported in previous studies involving LED lamps. Despite this substantial increase in ΔTTEG, the maximum output power remained comparable, reaching 8.5 mW, with an output voltage of 1.23 V. According to the authors in [59], the output power could be further improved by incorporating highly efficient thermoelectric materials and optimized structures for the chips-on-TEG configuration.
Another subgroup is related to air conditioning (AC) systems [60,61,62,63]. In [60], a simulation-based study was conducted, where several TEGs connected electrically in series were arranged on a 400 × 400 mm2 flat plate. The size of each TEG was not reported; however, assuming a typical area of 40 × 40 mm2, the number of TEGs on the plate would be 100. In the simulations, each TEG module was heated on the hot side by the hot airflow from an AC condenser (i.e., the external unit of the AC system), while the cold side was cooled by an exhaust fan airflow whose temperature was lower than that from the condenser, as illustrated in Figure 12. The proposed system, thanks to the huge number of TEGs employed, was capable of generating up to 90 W of electrical output power when the space cooling load of the AC was set to 100 kW.
Figure 12.
TEG in an AC application using the AC condenser and exhaust fan airflow.
An experimental approach to harvest energy from the hot airflow of an AC condenser was investigated in [61]. This study utilized eight TEGs connected electrically in series, with their hot side attached to an aluminum heatsink that was heated by the hot airflow of the condenser and their cold side attached to three aluminum water-cooled blocks. The results showed that the thermostat setting affected the power generation. When the AC was employed to cool down the indoor temperature, the TEG generated 4.3 mW at a thermostat setting of 20 °C but 3.1 mW at 25 °C.
Other experimental approaches in AC systems were investigated in the compressor [62] and filter drier receiver (FDR) [63]. In [62], two copper plates were clamped to the hot and cold pipes of the compressor unit, with the TEG placed in between, acting as the hot and cold sides, respectively. When the TEG was attached, the hot plate temperature reached approximately 53.9 °C, while the cold plate was at 37.8 °C, thus generating VOC = 0.44 V. According to the authors in [62], a higher output voltage could be obtained through an improved installation of the copper plates.
In [63], eighteen TEGs were mounted on an aluminum structure attached to the FDR of an AC unit. The TEGs were arranged in three lines, with six TEGs connected electrically in series in each line to increase the voltage, and the lines were connected electrically in parallel to increase the output current. A heatsink was added to the cold side of the TEGs to enhance heat transfer. The results showed that VOC achieved a peak of 5.2 V. However, when connected to the load, the output voltage dropped to 1.26 V (and, hence, the system was not operating at the MPP) and delivered 189 mW.
Water pipelines can also be potential heat sources for TEG applications, as investigated in [64,65,66]. A thermal adapter plate is typically used to address the mechanical mismatch between the TEG and pipeline surfaces, as shown in Figure 13. In [64], both hot and cold water indoor pipelines were studied, creating positive or negative thermal gradients with respect to the ambient. With ΔT = ±7 °C, an array of 48 TEGs, connected electrically in series and thermally in parallel with one heatsink for each two TEGs, generated VOC = 10 V and PMPP = 30 mW under no-wind conditions. Under slow wind conditions (1 m/s), VOC and PMPP increased by a factor of 2 and 4, respectively, in agreement with Equations (19) and (22).
Figure 13.
TEG configuration in a pipeline with a thermal adapter.
Another application related to pipelines was studied in [65] to power a water consumption meter. A TEG with a heatsink installed on its cold side was characterized using an electrically controlled heater to emulate the conditions of a pipeline with hot water flowing inside. The investigation was conducted for temperature differences ranging from 1 to 10 °C in relation to the ambient temperature. At ΔT = 10 °C, the TEG generated an output power of around 0.35 mW. The system only required a ΔT above 4 °C to operate with a single TEG or 2 °C with two TEGs electrically connected in series.
In [66], a non-intrusive ultrasonic water flow system powered by TEGs was suggested, using a water pipeline prototype. Two TEGs, each equipped with a heatsink, were connected to individual voltage boosters linked to a charge controller. Water from a tank was circulated through the pipeline by a pump, with the system harvesting thermal energy from hot water at a ΔT between 3 and 12 °C. No output voltages and powers of the TEGs were reported. However, the system was shown to operate with a minimum ΔT = 3 °C.
Electric household appliances often generate heat during operation, providing potential thermal sources for TEG applications, as studied in [67,68,69,70]. In [67], a thermal energy harvester with a custom-designed TEG was characterized using a controlled hot plate emulating a wall-mount heater and cooled by a fin heatsink. The hot side temperature ranged from 50 °C to 100 °C, with room temperature at 20 °C. At a typical wall-mount heater surface temperature of 60 °C, the TEG provided VOC = 0.47 V and PMPP = 4.1 mW.
In [68], a flexible, custom-designed TEG was developed to extract thermal energy from an electric thermos pot. The TEG was placed between two copper plates, and a flexible passive heatsink was used. When the water inside the thermos pot was boiled and maintained at 95 °C, the resulting ΔTTEG exceeded 5 °C, thus resulting in VOC = 0.11 V and PMPP = 0.8 mW.
An alternative household appliance is the power amplifier usually found in audio systems, as discussed in [69]. The heat from the output transistors was leveraged using an aluminum plate as a heat spreader and transferred to the TEGs with a heatsink at the cold side, as illustrated in Figure 14. When the amplifier operated at 50 W, a single TEG provided ΔTTEG = 30 °C and PMPP = 293 mW. On the other hand, for two TEGs thermally in series, ΔTTEG = 50 °C and PMPP = 387 mW, and for two TEGs thermally in parallel, ΔTTEG = 17.5 °C and PMPP = 136 mW. The largest temperature gradient was achieved when the TEGs were connected thermally in series due to the increased thermal resistance. A lower ΔTTEG was observed when the TEGs were thermally connected in parallel because of the reduction in the overall thermal resistance of the TEG combination. An improvement of the previous application was carried out in [73].
Figure 14.
Transistors with a heat spreader and two TEGs connected thermally in parallel.
A microcontroller unit (MCU) controlling any domestic electronic device can also be a potential heat source for TEG applications, as reported in [70]. For the testing, a custom thermal plate platform incorporating two Peltier cells (one to heat the hot side and the other to cool the cold side of the TEG) was utilized, thus ensuring a controlled temperature gradient. The working temperature of the MCU was established by its manufacturer to be between 45 and 81 °C, while the room temperature was between 18 and 32 °C. At the minimum temperature gradient (i.e., 45–32 = 13 °C), the TEG generated VOC = 0.47 V and PMPP = 12.7 mW.
Window frames [71] and wood stoves [72] have also been considered as thermal energy sources. In [71], a TEG-based energy harvester for WSNs was developed, with four TEGs installed inside a window frame at a 45° angle. Tested under winter conditions, where the outside frame temperature was lower than the inside (room temperature), the TEGs generated a voltage of 0.10 V and a power of 1.5 mW with ΔTTEG = 5 °C.
In [72], the study involved custom-designed TEGs fitted to the side of a domestic wood stove, with an aluminum plate attached between the TEGs and the stove so as to ensure a good thermal contact, as illustrated in Figure 15. The number of TEG modules mounted under a heatsink was varied from one to three, with the modules electrically connected in series. A single TEG generated VOC = 4.1 V and PMPP = 4.2 W at ΔTTEG = 88 °C. A high output power was obtained, thanks to the high value of ΔTTEG and the low thermal resistance of the heatsink employed. When three TEGs were connected thermally in parallel, similar to that in [69], ΔTTEG decreased due to the reduction in the total thermal resistance of the TEGs, thus resulting in a reduced output power of 2.7 W per TEG.
Figure 15.
TEG configuration in a wood stove.
3.2. Industrial Applications
This subsection reviews thermal energy sources proposed in the literature for industrial environments, including heat from piping systems, high-current conductors, machinery, and industrial wall structures. Table 3 provides a summary of those cases, which are explained in the next paragraphs.
Table 3.
Thermal energy harvesting in industrial applications.
The first subgroup is related to piping systems [74,75,76], which involve temperatures that are usually higher (e.g., transporting high-temperature steam) than those found in domestic applications. In [74], a TEG was applied to an industrial pipeline with a contact temperature of approximately 180 °C. Magnets were integrated into an aluminum component to conduct heat from the pipeline to the TEG, as shown in Figure 16. When exposed to a 170 °C heat source, the TEG generated VOC ≈ 2.1 V and PMPP ≈ 58 mW.
Figure 16.
TEG configuration in a pipeline using aluminum with magnets.
In [75], TEGs for an industrial piping system were studied in simulations and investigated using a heater block and a heat pipe to emulate the industrial piping system. A U-shape adapter coupled two TEGs to the pipe, where the TEGs were connected electrically in series, with each TEG equipped with a heatsink. The experiments showed that with a source temperature of around 248 °C, the system achieved an average ΔTTEG from 130 °C to 137 °C, thus producing VOC = 8.1 V and PMPP = 2.25 W. Such a high value of power was possible thanks to the high ΔTTEG and the large heatsink area.
In contrast to previous studies where TEGs were attached to the surface of high-temperature industrial pipelines, in [76], a TEG (intended to power a wireless temperature sensor) was attached to a low-temperature pipeline in a tandem cold mill. In lab experiments, the TEG was tested with a temperature source ranging from 0 to 30 °C. At ΔTTEG = 5 °C, the TEG generated VOC = 55 mV and PMPP = 0.46 mW. However, under real working conditions, the system required a minimum ΔTTEG of 7.5 °C to operate properly.
Another subgroup focuses on high-current busbars, which are commonly found in electrical substations [77,78,79]. Due to the ohmic resistance, conductors are heated by the action of the circulating electric current, which generates a temperature difference between the conductor and the environment. In [77], a TEG with a heatsink was attached on a conductor, which was supplied with its rated current of 630 A. Under these conditions, the TEG hot side reached 82.3 °C, and the cold side was at 54.7 °C, thus generating VOC = 0.42 V and PMPP = 9.2 mW.
Another experimental study explored the power generation of TEGs installed on a tubular busbar in [78]. Due to the large diameter of the busbar, the temperature of the busbar was relatively low. For instance, when supplied with 254 A, the busbar’s temperature remained below 60 °C. Two TEGs, each with a heatsink and connected electrically in series, were mounted on a flat aluminum busbar and heated using heating resistors to emulate real conditions. The TEGs achieved hot and cold side temperatures of 67.7 °C and 57.8 °C, respectively, thus resulting in VOC = 0.79 V and PMPP = 20.3 mW.
A TEG application on a tubular busbar was also investigated in [79] but with a higher rated current. Two TEGs connected electrically in series and thermally in parallel were employed. Although fin heatsinks could enhance the value of ΔTTEG, they were unsuitable due to the risk of corona discharge in high-voltage environments. Instead, a metal box enclosure with an aluminum corona protection was used as a heatsink, as shown in Figure 17. With the busbar supplied at 2.85 kA, a temperature difference of 44 °C between the busbar and the ambient was achieved, thus generating PMPP = 5.4 mW.
Figure 17.
TEG configuration in a busbar with corona protection.
Industrial machinery can also be a potential thermal energy source, as reported in [80]. Four TEGs were installed on the body of a three-phase asynchronous electric motor of a milling machine. A fin heatsink combined with a thin-walled aluminum box filled with paraffin and copper porous foam was attached to the cold side of each TEG. When the motor operated at a constant load of 2 kW, the hot side temperature reached approximately 70 °C, thus resulting in ΔTTEG ≈ 19 °C and VOC = 0.94 V. When the motor load increased to 2.3 kW with periodic on/off cycles every 360 s, VOC reached 1.44 V.
Another industrial application was presented in [81], where two TEGs were installed on a heated plate emulating an industrial hot wall. Each TEG, equipped with a copper extruded fin heatsink, was connected to its own PMC, which were in a cascade configuration to power a WSN node. The plate was heated to 60 °C, a typical temperature in industrial settings. At this condition, the resulting ΔTTEG was 14 °C, and TEG #1 generated VOC = 0.61 V and PMPP = 35 mW, while TEG #2 produced VOC = 0.59 V and PMPP = 33 mW. Note that a slight variation in VOC and PMPP might occur even when the same TEG was installed in the same configuration, as heat distribution across the plate might not be entirely uniform.
3.3. Natural Heat Applications
Various natural heat sources can be utilized for energy harvesting applications, including heat from the sun, geothermal, and natural spring water. Table 4 provides a summary of these natural heat applications reported in the literature.
Table 4.
Thermal energy harvesting in natural-heat applications.
The first subgroup is related to solar platforms [82,83,84]. In particular, TEGs can harvest thermal energy using solar-heating panels, as reported in [82,83]. In [82], an anodized aluminum flat panel was installed on a stand and insulated with thin foam to reduce heat losses on its back, on which a TEG was attached. A fin heatsink cooled the TEG, though it still received reflected ground radiation. This setup provided a ΔT less than 15 °C, thus resulting in ΔTTEG = 7 °C and VOC = 0.8 V.
A similar platform with improvements was developed in [83], where the heatsink was buried in the soil instead of being placed in free space, thus avoiding ground-reflected radiation, as illustrated in Figure 18a. A heat pipe of aluminum transferred heat from the solar plate to the TEG with the buried heatsink. Deeper soil depths reduced the heatsink temperature, thus increasing both ΔT and ΔTTEG. At a depth of 40 cm, ΔT ≈ 20 °C was reported. Furthermore, this configuration allowed heat transfer to reverse at night, from the soil to the plate, creating a negative ΔT.
Figure 18.
TEG configuration in a (a) solar platform and (b) geothermal application.
In [84], a railway track was utilized to extract the heat from the sun instead of using a custom platform. A TEG was attached beneath the railway track with a heatsink partially immersed into the ballasts (rocks), not into the soil. A copper spreader was installed between the railway track and the heatsink and fully exposed to the air. Under these conditions, ΔTTEG was 8 °C, thus generating VOC ≈ 0.5 V and PMPP = 5.8 mW. Meanwhile, in a lab setup, PMPP ≈ 317 mW with ΔTTEG ≈ 29 °C was reported.
Geothermal energy is another natural heat source that has been considered for TEG applications [85,86,87]. Geothermal heat vaporizes water inside a heat pipe, as shown in Figure 18b. The vapor ascends through the pipe, releasing heat to the TEG placed at the upper part and condensing back via gravity. In [85], geothermal gases at 173 °C enabled six TEGs to achieve ΔTTEG = 98 °C, generating PMPP = 2.55 W per module and 15.3 W in total. When using 10 TEGs instead, ΔTTEG was lower (86 °C) and so was the output power per module (1.88 W) but not the overall power (18.8 W). The study confirmed that adding TEGs could increase the total power but reduce the output power of each TEG module. The high values of output power obtained herein were thanks to the high value of ΔTTEG, the number of TEG modules, and the large dissipation area provided by the heatsink.
In [86], eight TEGs (mounted on the four sides of a copper sleeve) were utilized to harvest geothermal energy. Unlike in [85], which conducted testing in a subtropical area, the study in [86] carried out experiments in a temperate zone, located between the subtropical and polar regions, with a depth of more than 2 m. During the tests, ambient temperatures ranged from −23 to −10 °C, while the soil temperature remained stable at around 7 °C. The values of ΔTTEG ranged from 13 to 25 °C, thus generating a VOC from 455 to 722 mV and PMPP from 1.6 to 3.6 mW.
Another geothermal case in a temperate zone was studied in [87], where the heat originated from near-surface soil at less than 1 m depth. The setup involved a TEG heated by hot water to emulate soil heat and cooled by air with a heatsink and fan. The experimental results showed that with ΔTTEG = 14 °C, the TEG generated VOC = 0.7 V. However, in the real case, ΔTTEG was typically less than 4 °C, although the temperature difference between the soil and air was 12 °C, resulting in a VOC lower than 0.2 V.
Groundwater flowing to the surface as a spring is another natural thermal source, as explored in [88]. The spring water temperature reported in [88] did not freeze even when the ambient temperature decreased below the freezing point of water, maintaining a temperature of approximately 15 °C. Two custom-designed flexible TEGs were used to harvest thermal energy from the spring. The TEGs were attached to a metal heat exchanger immersed in the spring and paired with a flexible heatsink. At an ambient temperature of 30 °C, the TEG generated PMPP = 11.4 mW.
Other TEG applications utilizing the temperature difference between water and the ambient were explored in [89,90], considering the fact that water can function as a heat storage system due to its high thermal capacity. In [89], a six-liter water tank inside a thermally insulated box maintained a relatively constant temperature between 22 and 26 °C. Two TEGs were used with two heatsinks on each side, i.e., one immersed in water and the other exposed to air. As the ambient temperature fluctuated between 19 and 31 °C, a temperature difference of 6 °C was obtained, thus generating PMPP = 2 mW.
In [90], four TEGs connected electrically in series were used, with one side covered by a 10-mm aluminum plate and the other by an aluminum hollow jacket (jacket #1) filled with water. Two additional jackets were used to store cold water, which replaced the water in jacket #1. The three jackets were appropriately interconnected, and a small pump enabled the circulation of water. It was reported that ΔTTEG = 3 °C generated a power of 20 mW.
3.4. Wearable Applications
Human body heat is another potential thermal source for TEG applications since its temperature is typically higher than the environment. This heat is commonly harvested using wearable TEGs (WTEGs), which can be comfortably worn on areas such as the forehead, arm, or wrist to power multi-sensor monitoring systems. However, body heat harvesting is constrained by the limited ΔT between skin and air (≈5–15 °C depending on ambient temperature). This subsection reviews such wearable applications, with a summary presented in Table 5.
Table 5.
Thermal energy harvesting in wearable applications.
In [91], a flexible WTEG with a copper–foam heatsink was developed. The WTEG was tested using a body emulator platform set to 37 °C, while ambient temperatures ranged from 18 to 25 °C. Without the heatsink and under no-wind conditions at an ambient temperature of 25 °C, the WTEG generated VOC = 14 mV and PMPP = 25 μW. When adding the heatsink, VOC increased up to 16 mV and PMPP to 39 μW. Higher output powers were achieved when it was applied to the forehead, as illustrated in Figure 19a, thanks to the airflow during walking and cycling. It produced 223 mV and 2.8 mW during walking at night (23:00 p.m.) and 390 mV and 8.5 mW during cycling.
Figure 19.
TEG configuration for wearable applications applied to (a) forehead and (b) wrist.
A similar approach was demonstrated in [92], where a flexible WTEG with a copper-foam heatsink was developed to harvest thermal energy from the wrist skin, as shown in Figure 19b. When it was tested on a hot plate (from 25 to 65 °C) with an ambient temperature of 20 °C, the WTEG (without the heatsink) provided a VOC from 3 to 38 mV and PMPP from 1 to 176 μW when ΔT varied from 5 to 45 °C. With the heatsink applied, VOC was 50 mV, and PMPP was 276 μW at ΔT = 45 °C. When it was tested on the wrist, the TEG generated VOC ≈ 22 mV at ΔT = 18 °C, which was achieved by setting the room temperature to 12 °C.
Instead of flexible WTEG, commercial TEGs were utilized for body heat energy harvesting in [93,94]. However, the use of rigid TEGs does not present the portable performance required for better wearing [93]. In [93], three TEGs were stacked to be connected thermally and electrically in series and integrated with a pin-fin aluminum heatsink to harvest thermal energy from wrist skin. At an ambient temperature of 26.3 °C and skin temperature of 33.5 °C, the system produced VOC ≈ 110 mV and PMPP = 581 μW.
In [94], two types of TEGs, micro-TEG (μTEG) and macro-TEG (mTEG), were tested for body heat harvesting with seven units of each connected electrically in series. The system was evaluated in a temperature-controlled setup. The μTEGs generated a power from 8.5 to 852 μW at ΔTTEG between 0.75 and 5.75 °C, whereas mTEGs produced a power from 3.4 to 959 μW at ΔTTEG between 1.25 and 5.75 °C. In real-world tests on the wrist, both systems generated an output power of 750–1080 μW while walking outdoors. In a room at 18 °C, they generated 70 μW while sitting and 150–200 μW while walking. In the worst-case scenario, when sitting at 23 °C, both systems could harvest around 50 μW.
In [95], a custom-designed TEG was utilized to harvest thermal energy from the upper arm and chest with copper heat spreaders on both sides. Tested on a hot plate at 37 °C with a room temperature of 18.3 °C, the TEG generated VOC = 15 mV and PMPP = 5.5 μW, with a power density of 6.1 μW/cm2. When applied to the upper arm during walking, the TEG generated 20 μW/cm2, which was higher than that obtained at the wrist (13.6 μW/cm2) and chest (10.2 μW/cm2). Applied on a T-shirt model, the output power ranged from 2 to 8 μW/cm2.
Textiles used in everyday clothing can also be adapted to fabricate a flexible thermoelectric device architecture, as reported in [96,97]. Garments with thermoelectric elements have been shown to be lightweight, comfortable, and movement-friendly [96]. Thermoelectric materials were knitted into fabrics using yarn, developed in [96], as illustrated in Figure 20. On a heated flat surface, as the temperature increased from 30 °C to 38 °C and ΔT rose from 8.8 to 16.4 °C, the resulting VOC and PMPP increased from 5.4 mV and 0.35 μW to 9.3 mV and 1.2 μW, respectively. When tested on the upper arm, the device produced VOC = 7.5 mV and PMPP = 0.8 μW.
Figure 20.
Integration of thermoelectric materials in a knitted fabric.
In [97], thermoelectric materials were integrated into laser-cut cavities of a knitted sportswear fabric. A flexible, 3D-printed heatsink was used to enhance performance and adapt to the fabric’s stretch better than solid heatsinks. Tests conducted indoors at 23 °C evaluated the device on the wrist during stationary and walking conditions. Without the heatsink, VOC was approximately 1 mV and 2 mV for stationary and walking scenarios, respectively. With the flexible heatsink, VOC increased to 2 mV and 3 mV for the previous two scenarios. The output power was 3.8 μW at VOC = 3 mV.
A ring shape TEG was designed in [98] for a wireless earphone to increase its battery backup time using body temperature. The TEG was tested with the earphone’s internal temperature at 32 °C (cold side), and ΔTTEG was set to 4.5, 7.5, and 10.5 °C. The TEG produced a VOC equal to 23, 37, and 52 mV and an output power of around 110, 310, and 600 μW, respectively. These results were obtained through simulations.
3.5. Other Applications
In addition to the previously discussed applications, TEGs have also been applied in other uses, which are summarized in Table 6.
Table 6.
Thermal energy harvesting in other applications.
In [99], TEGs were used to harvest thermal energy from automobile exhaust pipes. Twelve pairs of thermoelectric modules were installed, with each pair mounted in a vertical mirror design on the top and bottom surfaces of an exhaust pipe emulator, using liquid cooling, as shown in Figure 21a. Thanks to such a cooling type, these modules generated an average maximum power of 3.78 W per TEG at ΔTTEG = 90 °C, with a total power of 90.7 W. In the real automobile exhaust setup, a pair of TEG modules was installed, each with a fin heatsink, as shown in Figure 21b. When the automobile accelerated to 120 km/h, the temperature difference between the heating block and the heatsink was 106.4 °C. At this condition, a single TEG produced 3.12 W and VOC = 5.5 V. According to the authors of [99], the reduced output power observed in the real system was attributed to the use of a fin heatsink instead of liquid cooling.
Figure 21.
TEG configuration on an automobile exhaust pipe using (a) a liquid cooling block and (b) a heatsink.
TEGs were also investigated in military applications in [100]. Specifically, TEGs were explored for detecting high-energy laser strikes, which are crucial for the survivability of military assets in future warfare. The proposed TEG-based sensors offered a self-powered passive detection solution for laser weapon systems without interfering with military aircraft’s stealth capabilities. High-energy laser strikes rapidly heated the TEG-irradiated surface, creating a temperature gradient on both sides and a corresponding rise in VOC. Tests observed TEG behavior under extreme irradiance, showing that irradiated TEGs could generate sufficient power to operate sensor node circuitry. Exposure to an 808-nm, 25-W laser with an 8-mm spot size resulted in ΔTTEG = 14 °C and VOC = 0.3 V.
Another approach to using TEGs to power an autonomous sensor for fire detection was explored in [101]. The TEG served both as a power supply and as a sensor to estimate ΔTTEG based on the TEG output voltage. With an added cold-side temperature sensor, the hot-side temperature was estimated. The TEG was coupled with a fin heatsink, which was installed inside a box containing paraffin. A single TEG generated VOC = 1.2 V and PMPP = 180 mW at ΔTTEG = 40 °C. Using four TEGs connected electrically in series and thermally in parallel, the system produced VOC = 2.5 V.
Finally, a TEG was used in [102] to harvest heat from a flameless catalytic burner fueled by lighter fluid, which was able to generate heat through a reaction with a platinum catalyst. At room temperature and in an open space, the hand warmer cap surface of the burner reaches the maximum temperature of 75 °C. Two aluminum fin heatsinks were mounted on either side of the TEG. When tested outdoors in a temperate zone, the burner achieved a maximum temperature at the TEG hot side of around 50 °C, thus resulting in ΔTTEG = 11 °C, VOC ≈ 0.3 V, and PMPP = 12 mW.
4. Discussion and Conclusions
According to the review and comparison carried out herein, TEGs show compatibility with various heat sources (including electronic devices, residential and industrial waste heat, natural thermal gradients, and body heat) so that they can be applied across multiple sectors, such as domestic, industrial, and wearable applications. Furthermore, TEGs can be integrated into compact and portable devices, making them particularly useful to power autonomous sensor nodes and IoT devices in environments where conventional power sources may not be feasible. However, as highlighted in this article, the use of TEGs is not exempt from thermal, mechanical, and electrical limitations.
A primary constraint is the strong dependence of TEG performance on maintaining a sufficient temperature gradient and, therefore, an effective thermal management is necessary. Passive or semi-active cooling techniques via a heatsink can be applied to dissipate heat; however, these have a limited heat dissipation capability. Other techniques (such as active, liquid, and phase change cooling) can dissipate heat more efficiently, although these increase the complexity, cost, and/or power consumption of the overall system. The semi-active cooling technique seems the most appropriate for low-power sensor nodes; however, more research oriented toward optimizing TEG–heatsink pairing is required. Although large heatsinks offer a better performance, this has to be well balanced with potential spatial constraints imposed by the application itself. In addition, the type of thermal interface material placed between the TEG and both the thermal source and the heatsink also plays a critical role in the thermal management; however, this has not been evaluated in the literature. These topics are under investigation by the authors of this article.
In order to increase the output power, TEGs can be arranged (both thermally and electrically) in series and/or in parallel; however, this introduces additional trade-offs. When TEGs are configured thermally in parallel, the total thermal resistance decreases, leading to a lower temperature difference across each TEG. Conversely, a thermal series configuration increases the total thermal resistance and maintains a higher temperature difference. However, if there is poor thermal contact between the TEGs connected in series, the contact thermal resistance increases in certain areas, leading to an uneven temperature distribution and, consequently, a reduction in the overall efficiency. From an electrical perspective, a series connection helps to boost the output voltage, while a parallel configuration increases the output current. However, these configurations can generate challenges such as impedance mismatching, which can also degrade power efficiency.
The design of an efficient PMC capable of handling the inherent low power and voltage levels at the TEG output is also a critical step. As graphically summarized in Figure 22, the output power in most of the applications reviewed in Section 3 ranges from a few units to tens of mWs, which is expected to be sufficient for many autonomous sensor nodes. However, as also inferred from Figure 22, the output power can be in the microwatt range for wearable applications and in the watt range for specific cases with unique testing and operating conditions. The output voltage of a TEG, which usually ranges from tens to hundreds of mV, cannot directly supply the sensor node. Therefore, a PMC is needed to boost the output voltage of the TEG to meet the operational requirements of the electronics of the sensor node. Moreover, another fundamental feature of the PMC is the implementation of the MPPT that continuously adjusts the operating point of the TEG to maximize the power extraction under varying thermal conditions. In that sense, the design of MPPT circuits (for example, based on the fractional open-circuit voltage technique) for TEGs whose power consumption is a small fraction of the harvested power is identified as a future research line. Additionally, when TEGs are being applied to thermal energy sources that can generate both positive and negative thermal gradients (such as pipelines, window frames, and solar platforms), the PMC must be designed to accommodate both positive and negative voltages coming from the TEG. For such cases, no PMC with MPPT capability has been suggested so far in the literature; this is another research line that will be investigated by the authors of this paper in the coming future. Integrating energy storage solutions, such as supercapacitors or rechargeable batteries, is also essential to compensate for intermittent heat availability and maintain continuous power delivery. Addressing these electronic challenges will enable more stable and efficient energy utilization, ensuring that TEGs can be effectively deployed across various real-world scenarios.
Figure 22.
Maximum output power in the TEG applications reported in Section 3 [57,58,59,60,61,64,65,67,68,69,70,71,72,74,75,76,77,78,79,81,84,85,86,88,89,90,91,92,93,94,95,96,97,98,99,101,102].
With regard to the thermoelectric materials employed, the mainstream in the literature is the use of TEGs based on bismuth telluride. However, the use of such inorganic materials faces important challenges from an environmental point of view. For example, their fabrication involves high temperatures and energy-intensive production methods, leading to high electricity consumption. In addition, tellurium is a scarce element on Earth. For these reasons, the design of TEGs based on greener alternatives and fabrication methods is another future research line. Ideas based on organic polymers have already been suggested, although the ZT values provided are lower than those obtained with inorganic materials.
In conclusion, while TEGs offer a substantial potential for waste heat recovery and self-sustaining power generation, their practical implementation still faces various thermal, mechanical, and electrical challenges. Overcoming these challenges requires ongoing research and advancements in TEG configurations, thermal management, and power conditioning techniques. Through further innovation, TEG technology has the potential to become a more viable and scalable solution for sustainable energy harvesting across diverse applications and toward the twin green and digital transition.
Author Contributions
Literature review, M.R.; information/data organization, M.R. and F.R.; writing—original draft preparation, M.R. and F.R.; writing—review and editing, M.G. and F.R.; supervision, M.G. and F.R.; funding acquisition, M.G. All authors have read and agreed to the published version of the manuscript.
Funding
This research was funded by the European Union, Grant no: 101071179. Views and opinions expressed are, however, those of the author(s) only and do not necessarily reflect those of the European Union or EISMEA. Neither the European Union nor the granting authority can be held responsible for them.
Institutional Review Board Statement
Not applicable.
Informed Consent Statement
Not applicable.
Data Availability Statement
The data that support the findings of this study are available upon reasonable request from the author.
Conflicts of Interest
The authors declare no conflicts of interest.
References
- Khorov, E.; Lyakhov, A.; Krotov, A.; Guschin, A. A Survey on IEEE 802.11ah: An Enabling Networking Technology for Smart Cities. Comput. Commun. 2015, 58, 53–69. [Google Scholar] [CrossRef]
- Majid, M.; Habib, S.; Javed, A.R.; Rizwan, M.; Srivastava, G.; Gadekallu, T.R.; Lin, J.C.-W. Applications of Wireless Sensor Networks and Internet of Things Frameworks in the Industry Revolution 4.0: A Systematic Literature Review. Sensors 2022, 22, 2087. [Google Scholar] [CrossRef] [PubMed]
- Lu, Y.; Papagiannidis, S.; Alamanos, E. Internet of Things: A Systematic Review of the Business Literature from the User and Organisational Perspectives. Technol. Forecast. Soc. Change 2018, 136, 285–297. [Google Scholar] [CrossRef]
- Schütze, A.; Helwig, N.; Schneider, T. Sensors 4.0—Smart Sensors and Measurement Technology Enable Industry 4.0. J. Sens. Sens. Syst. 2018, 7, 359–371. [Google Scholar] [CrossRef]
- Hidalgo-Leon, R.; Urquizo, J.; Silva, C.E.; Silva-Leon, J.; Wu, J.; Singh, P.; Soriano, G. Powering Nodes of Wireless Sensor Networks with Energy Harvesters for Intelligent Buildings: A Review. Energy Rep. 2022, 8, 3809–3826. [Google Scholar] [CrossRef]
- Famitafreshi, G.; Afaqui, M.S.; Melià-Seguí, J. A Comprehensive Review on Energy Harvesting Integration in IoT Systems from MAC Layer Perspective: Challenges and Opportunities. Sensors 2021, 21, 3097. [Google Scholar] [CrossRef]
- Wu, Z.; Cheng, T.; Wang, Z.L. Self-Powered Sensors and Systems Based on Nanogenerators. Sensors 2020, 20, 2925. [Google Scholar] [CrossRef]
- Xiao, H.; Qi, N.; Yin, Y.; Yu, S.; Sun, X.; Xuan, G.; Liu, J.; Xiao, S.; Li, Y.; Li, Y. Investigation of Self-Powered IoT Sensor Nodes for Harvesting Hybrid Indoor Ambient Light and Heat Energy. Sensors 2023, 23, 3796. [Google Scholar] [CrossRef]
- Liu, S.-Z.; Guo, W.-T.; Zhao, X.-H.; Tang, X.-G.; Sun, Q.-J. Self-Powered Sensing for Health Monitoring and Robotics. Soft Sci. 2025, 5, 14. [Google Scholar] [CrossRef]
- Meng, X.; Suh, I.-Y.; Xiao, X.; Pang, F.; Jeon, J.; Cho, D.S.; Kwon, Y.H.; Kim, S.-W. Triboelectric and Piezoelectric Technologies for Self-Powered Microbial Disinfection. Nano Energy 2024, 127, 109716. [Google Scholar] [CrossRef]
- Niu, Y.; Zeng, J.; Liu, X.; Li, J.; Wang, Q.; Li, H.; Rooij, N.F.D.; Wang, Y.; Zhou, G. A Photovoltaic Self-Powered Gas Sensor Based on All-Dry Transferred MoS2 /GaSe Heterojunction for ppb-Level NO2 Sensing at Room Temperature. Adv. Sci. 2021, 8, 2100472. [Google Scholar] [CrossRef]
- Liu, X.; Li, M.; Zhang, Y.; Zhu, X.; Guan, Y. Self-Powered Wireless Sensor Node Based on RF Energy Harvesting and Management Combined Design. Energy Convers. Manag. 2023, 292, 117393. [Google Scholar] [CrossRef]
- Azlor, M.; Martinez, B.; Gasulla, M.; Reverter, F. Study of the Applicability and Limitations of the FOCV Technique for Indoor Low-Area PV Cells. IEEE Trans. Instrum. Meas. 2025, 74, 2001409. [Google Scholar] [CrossRef]
- Chatterjee, A.; Lobato, C.N.; Zhang, H.; Bergne, A.; Esposito, V.; Yun, S.; Insinga, A.R.; Christensen, D.V.; Imbaquingo, C.; Bjørk, R.; et al. Powering Internet-of-Things from Ambient Energy: A Review. J. Phys. Energy 2023, 5, 022001. [Google Scholar] [CrossRef]
- Reverter, F. Toward Non-CPU Activity in Low-Power MCU-Based Measurement Systems. IEEE Trans. Instrum. Meas. 2020, 69, 15–17. [Google Scholar] [CrossRef]
- Ripoll-Vercellone, E.; Gasulla, M.; Reverter, F. Electronic Reading of a Mechanical Gas Meter Based on Dual Magnetic Sensing. Meas. Sci. Technol. 2021, 32, 097001. [Google Scholar] [CrossRef]
- Mathews, I.; Kantareddy, S.N.; Buonassisi, T.; Peters, I.M. Technology and Market Perspective for Indoor Photovoltaic Cells. Joule 2019, 3, 1415–1426. [Google Scholar] [CrossRef]
- Knight, C.; Davidson, J.; Behrens, S. Energy Options for Wireless Sensor Nodes. Sensors 2008, 8, 8037–8066. [Google Scholar] [CrossRef]
- Reverter, F. A Tutorial on Mechanical Sensors in the 70th Anniversary of the Piezoresistive Effect. Sensors 2024, 24, 3690. [Google Scholar] [CrossRef]
- Ferre, E.; Gasulla, M.; Reverter, F. Comparative Analysis of Low-Power PV Cells of Different Technologies under Different Types of Indoor Artificial Lighting. In Proceedings of the 2024 IEEE International Instrumentation and Measurement Technology Conference (I2MTC), Glasgow, UK, 20 May 2024; pp. 1–5. [Google Scholar]
- Reverter, F.; Gasulla, M. Optimal Inductor Current in Boost DC/DC Converters Regulating the Input Voltage Applied to Low-Power Photovoltaic Modules. IEEE Trans. Power Electron. 2017, 32, 6188–6196. [Google Scholar] [CrossRef]
- Owczarczak, R. Indoor Thermal Energy Harvesting for Battery-Free IoT Building Applications. Electrotech. Rev. 2023, 1, 134–138. [Google Scholar] [CrossRef]
- Covaci, C.; Gontean, A. Piezoelectric Energy Harvesting Solutions: A Review. Sensors 2020, 20, 3512. [Google Scholar] [CrossRef] [PubMed]
- Gasulla, M.; Ripoll-Vercellone, E.; Reverter, F. A Compact Thévenin Model for a Rectenna and Its Application to an RF Harvester with MPPT. Sensors 2019, 19, 1641. [Google Scholar] [CrossRef] [PubMed]
- Cuadras, A.; Gasulla, M.; Ferrari, V. Thermal Energy Harvesting through Pyroelectricity. Sens. Actuators A Phys. 2010, 158, 132–139. [Google Scholar] [CrossRef]
- Halim, M.A.; Rantz, R.; Zhang, Q.; Gu, L.; Yang, K.; Roundy, S. An Electromagnetic Rotational Energy Harvester Using Sprung Eccentric Rotor, Driven by Pseudo-Walking Motion. Appl. Energy 2018, 217, 66–74. [Google Scholar] [CrossRef]
- Zhang, Y.; Cao, J.; Liao, W.-H.; Zhao, L.; Lin, J. Theoretical Modeling and Experimental Verification of Circular Halbach Electromagnetic Energy Harvesters for Performance Enhancement. Smart Mater. Struct. 2018, 27, 095019. [Google Scholar] [CrossRef]
- Sabzpoushan, S.; Woias, P. Electret-Based Energy Harvesters: A Review. Nano Energy 2024, 131, 110167. [Google Scholar] [CrossRef]
- Ambrożkiewicz, B.; Czyż, Z.; Stączek, P.; Tiseira, A.; García-Tíscar, J. Performance Analysis of a Piezoelectric Energy Harvesting System. Adv. Sci. Technol. Res. J. 2022, 16, 179–185. [Google Scholar] [CrossRef]
- Peng, W.; Du, S. The Advances in Conversion Techniques in Triboelectric Energy Harvesting: A Review. IEEE Trans. Circuits Syst. I 2023, 70, 3049–3062. [Google Scholar] [CrossRef]
- Ferré, E.; Martinez, B.; Villaverde, M.; Gasulla, M.; Reverter, F. Low-Area PV Cells Under Indoor Artificial Lighting: A Comparative Study. IEEE Trans. Instrum. Meas. 2025, 74, 2004109. [Google Scholar] [CrossRef]
- Li, G.; Fan, Y.; Li, Q.; Zheng, Y.; Zhao, D.; Wang, S.; Dong, S.; Guo, W.; Tang, Y. A Review on Micro Combustion Powered Thermoelectric Generator: History, State-of-the-Art and Challenges to Commercialization. Renew. Sustain. Energy Rev. 2025, 207, 114897. [Google Scholar] [CrossRef]
- Wang, L.; Chu, T.; Yuan, S.; Zou, P.; Zhai, W.; Zheng, X.; Xia, M. Advances and Future Perspectives in Thermoelectric Cooling Technology. Energy Convers. Manag. 2025, 332, 119621. [Google Scholar] [CrossRef]
- Win, S.L.Y.; Chiang, Y.-C.; Huang, T.-L.; Lai, C.-M. Thermoelectric Generator Applications in Buildings: A Review. Sustainability 2024, 16, 7585. [Google Scholar] [CrossRef]
- Zoui, M.A.; Bentouba, S.; Stocholm, J.G.; Bourouis, M. A Review on Thermoelectric Generators: Progress and Applications. Energies 2020, 13, 3606. [Google Scholar] [CrossRef]
- Jaziri, N.; Boughamoura, A.; Müller, J.; Mezghani, B.; Tounsi, F.; Ismail, M. A Comprehensive Review of Thermoelectric Generators: Technologies and Common Applications. Energy Rep. 2020, 6, 264–287. [Google Scholar] [CrossRef]
- He, J.; Li, K.; Jia, L.; Zhu, Y.; Zhang, H.; Linghu, J. Advances in the Applications of Thermoelectric Generators. Appl. Therm. Eng. 2024, 236, 121813. [Google Scholar] [CrossRef]
- Tohidi, F.; Ghazanfari Holagh, S.; Chitsaz, A. Thermoelectric Generators: A Comprehensive Review of Characteristics and Applications. Appl. Therm. Eng. 2022, 201, 117793. [Google Scholar] [CrossRef]
- Aridi, R.; Faraj, J.; Ali, S.; Lemenand, T.; Khaled, M. Thermoelectric Power Generators: State-of-the-Art, Heat Recovery Method, and Challenges. Electricity 2021, 2, 359–386. [Google Scholar] [CrossRef]
- Reverter, F. A Tutorial on Thermal Sensors in the 200th Anniversary of the Seebeck Effect. IEEE Sens. J. 2021, 21, 22122–22132. [Google Scholar] [CrossRef]
- Dalola, S.; Ferrari, M.; Ferrari, V.; Guizzetti, M.; Marioli, D.; Taroni, A. Characterization of Thermoelectric Modules for Powering Autonomous Sensors. IEEE Trans. Instrum. Meas. 2009, 58, 99–107. [Google Scholar] [CrossRef]
- Ochieng, A.O.; Megahed, T.F.; Ookawara, S.; Hassan, H. Comprehensive Review in Waste Heat Recovery in Different Thermal Energy-Consuming Processes Using Thermoelectric Generators for Electrical Power Generation. Process Saf. Environ. Prot. 2022, 162, 134–154. [Google Scholar] [CrossRef]
- Wang, J.; Cao, P.; Li, X.; Song, X.; Zhao, C.; Zhu, L. Experimental Study on the Influence of Peltier Effect on the Output Performance of Thermoelectric Generator and Deviation of Maximum Power Point. Energy Convers. Manag. 2019, 200, 112074. [Google Scholar] [CrossRef]
- Kanimba, E.; Tian, Z. Modeling of a Thermoelectric Generator Device. In Thermoelectrics for Power Generation—A Look at Trends in the Technology; Skipidarov, S., Nikitin, M., Eds.; InTech: Houston, TX, USA, 2016; ISBN 978-953-51-2845-8. [Google Scholar]
- Qing, S.; Rezaniakolaei, A.; Rosendahl, L.A.; Gou, X. An Analytical Model for Performance Optimization of Thermoelectric Generator With Temperature Dependent Materials. IEEE Access 2018, 6, 60852–60861. [Google Scholar] [CrossRef]
- Mahan, G.D. Introduction to Thermoelectrics. APL Mater. 2016, 4, 104806. [Google Scholar] [CrossRef]
- Li, J.; Yang, L. Recent Development of Heat Sink and Related Design Methods. Energies 2023, 16, 7133. [Google Scholar] [CrossRef]
- Incropera, F.P.; Dewitt, D.P.; Bergman, T.L.; Lavine, A.S. Fundamentals of Heat and Mass Transfer, 6th ed.; John Wiley: Hoboken, NJ, USA, 2007; ISBN 978-0-471-45728-2. [Google Scholar]
- Elghool, A.; Basrawi, F.; Ibrahim, T.K.; Habib, K.; Ibrahim, H.; Idris, D.M.N.D. A Review on Heat Sink for Thermo-Electric Power Generation: Classifications and Parameters Affecting Performance. Energy Convers. Manag. 2017, 134, 260–277. [Google Scholar] [CrossRef]
- Yang, L.; Huang, J.; Zhou, F. Thermophysical Properties and Applications of Nano-Enhanced PCMs: An Update Review. Energy Convers. Manag. 2020, 214, 112876. [Google Scholar] [CrossRef]
- Kalbasi, R. Introducing a Novel Heat Sink Comprising PCM and Air—Adapted to Electronic Device Thermal Management. Int. J. Heat Mass Transf. 2021, 169, 120914. [Google Scholar] [CrossRef]
- Marjanović, M.; Prijić, A.; Randjelović, B.; Prijić, Z. A Transient Modeling of the Thermoelectric Generators for Application in Wireless Sensor Network Nodes. Electronics 2020, 9, 1015. [Google Scholar] [CrossRef]
- Vargas-Almeida, A.; Olivares-Robles, M.; Camacho-Medina, P. Thermoelectric System in Different Thermal and Electrical Configurations: Its Impact in the Figure of Merit. Entropy 2013, 15, 2162–2180. [Google Scholar] [CrossRef]
- Tang, M.; Wang, J.; Ou, Y.; Tang, Z. A Novel Thermoelectric Generation Array Reconfiguration to Reduce Mismatch Power Loss Under Nonuniform Temperature Distribution. Int. J. Energy Res. 2024, 2024, 7820395. [Google Scholar] [CrossRef]
- He, W.; Zhang, G.; Li, G.; Ji, J. Analysis and Discussion on the Impact of Non-Uniform Input Heat Flux on Thermoelectric Generator Array. Energy Convers. Manag. 2015, 98, 268–274. [Google Scholar] [CrossRef]
- Montecucco, A.; Siviter, J.; Knox, A.R. The Effect of Temperature Mismatch on Thermoelectric Generators Electrically Connected in Series and Parallel. Appl. Energy 2014, 123, 47–54. [Google Scholar] [CrossRef]
- Vangal, P.; Svenson, P. Examining Heat Recovery from Electric Light Bulbs Using Thermoelectric Generators. J. Emerg. Investig. 2018. [Google Scholar] [CrossRef] [PubMed]
- Weng, C.-C.; Huang, M.-J. A Study of Using a Thermoelectric Generator to Harvest Energy from a Table Lamp. Energy 2014, 76, 788–798. [Google Scholar] [CrossRef]
- Peng, Y.; Zhang, X.; Liu, J.; Li, S.; Mou, Y.; Xu, J.; Chen, M. Waste Heat Recycling of High-Power Lighting through Chips on Thermoelectric Generator. Energy Convers. Manag. 2021, 243, 114329. [Google Scholar] [CrossRef]
- Ramadan, M.; Ali, S.; Bazzi, H.; Khaled, M. New Hybrid System Combining TEG, Condenser Hot Air and Exhaust Airflow of All-Air HVAC Systems. Case Stud. Therm. Eng. 2017, 10, 154–160. [Google Scholar] [CrossRef]
- Mona, Y.; Chaichana, C.; Rattanamongkhonkun, K.; Thiangchanta, S. Energy Harvesting from Air Conditioners by Using a Thermoelectric Application. Energy Rep. 2022, 8, 456–462. [Google Scholar] [CrossRef]
- Yildiz, F.; Coogler, K.L. Low Power Energy Harvesting with a Thermoelectric Generator through an Air Conditioning Condenser. In Proceedings of the 360 of Engineering Education, Indianapolis, IN, USA, 15–18 June 2014; American Society for Engineering Education: Washington, DC, USA, 2014; p. 24.877.1. [Google Scholar] [CrossRef]
- Jaber Abdulhamed, A.; Al-Akam, A.; Abduljabbar, A.A.; Alkhafaji, M.H. Waste Heat Recovery from a Drier Receiver of an A/C Unit Using Thermoelectric Generators. Energy Eng. 2023, 120, 1729–1746. [Google Scholar] [CrossRef]
- Lineykin, S.; Sitbon, M.; Kuperman, A. Design and Optimization of Low-Temperature Gradient Thermoelectric Harvester for Wireless Sensor Network Node on Water Pipelines. Appl. Energy 2021, 283, 116240. [Google Scholar] [CrossRef]
- Machacek, Z.; Walendziuk, W.; Sotola, V.; Slanina, Z.; Petras, R.; Schneider, M.; Masny, Z.; Idzkowski, A.; Koziorek, J. An Investigation of Thermoelectric Generators Used as Energy Harvesters in a Water Consumption Meter Application. Energies 2021, 14, 3768. [Google Scholar] [CrossRef]
- Mileiko, S.; Cetinkaya, O.; Mackie, D.; Shafik, R.; Balsamo, D. A TEG-Based Non-Intrusive Ultrasonic System for Autonomous Water Flow Rate Measurement. IEEE Trans. Sustain. Comput. 2023, 8, 363–374. [Google Scholar] [CrossRef]
- Wang, W.; Cionca, V.; Wang, N.; Hayes, M.; O’Flynn, B.; O’Mathuna, C. Thermoelectric Energy Harvesting for Building Energy Management Wireless Sensor Networks. Int. J. Distrib. Sens. Netw. 2013, 9, 232438. [Google Scholar] [CrossRef]
- Van Toan, N.; Kim Tuoi, T.T.; Ono, T. High-Performance Flexible Thermoelectric Generator for Self-Powered Wireless BLE Sensing Systems. J. Power Sources 2022, 536, 231504. [Google Scholar] [CrossRef]
- Škalic, I.; Marinović, I.; Modrić, T. Energy Harvesting on AB-Class Power Amplifier Applying Thermoelectric Generators in Push–Pull Mode. Machines 2023, 11, 622. [Google Scholar] [CrossRef]
- Álvarez-Carulla, A.; Saiz-Vela, A.; Puig-Vidal, M.; López-Sánchez, J.; Colomer-Farrarons, J.; Miribel-Català, P.L. High-Efficient Energy Harvesting Architecture for Self-Powered Thermal-Monitoring Wireless Sensor Node Based on a Single Thermoelectric Generator. Sci. Rep. 2023, 13, 1637. [Google Scholar] [CrossRef]
- Lin, Q.; Chen, Y.-C.; Chen, F.; DeGanyar, T.; Yin, H. Design and Experiments of a Thermoelectric-Powered Wireless Sensor Network Platform for Smart Building Envelope. Appl. Energy 2022, 305, 117791. [Google Scholar] [CrossRef]
- Nuwayhid, R.Y.; Shihadeh, A.; Ghaddar, N. Development and Testing of a Domestic Woodstove Thermoelectric Generator with Natural Convection Cooling. Energy Convers. Manag. 2005, 46, 1631–1643. [Google Scholar] [CrossRef]
- Marinović, I.; Škalic, I. Improving Efficiency of AB-Class Audio Power Amplifier Using Thermoelectric Generators. Electronics 2024, 14, 34. [Google Scholar] [CrossRef]
- Boitier, V.; Estibals, B.; Seguier, L. Powering a Low Power Wireless Sensor in a Harsh Industrial Environment: Energy Recovery with a Thermoelectric Generator and Storage on Supercapacitors. EPE 2023, 15, 372–398. [Google Scholar] [CrossRef]
- Chen, J.; Zuo, L.; Wu, Y.; Klein, J. Modeling, Experiments and Optimization of an on-Pipe Thermoelectric Generator. Energy Convers. Manag. 2016, 122, 298–309. [Google Scholar] [CrossRef]
- Lopera, J.M.; Del Arco Rodriguez, H.; Perez Pereira, J.M.; De Castro, A.R.; Rendueles Vigil, J.L. Practical Issues in the Design of Wireless Sensors Supplied by Energy Harvesting Thermoelectric Generators. IEEE Trans. Ind. Applicat. 2019, 55, 996–1005. [Google Scholar] [CrossRef]
- Ding, X.; Ying, Z.; Zu, W.; Han, L. Experimental Study on Thermoelectric Energy Harvesting from Indoor High-Voltage Disconnector. IEEE Sens. J. 2024, 24, 2985–2995. [Google Scholar] [CrossRef]
- Liu, Y.; Riba, J.-R.; Moreno-Eguilaz, M.; Sanllehí, J. Application of Thermoelectric Generators for Low-Temperature-Gradient Energy Harvesting. Appl. Sci. 2023, 13, 2603. [Google Scholar] [CrossRef]
- Kadechkar, A.; Riba, J.-R.; Moreno-Eguilaz, M.; Perez, J. SmartConnector: A Self-Powered IoT Solution to Ease Predictive Maintenance in Substations. IEEE Sens. J. 2020, 20, 11632–11641. [Google Scholar] [CrossRef]
- Yousefi, E.; Abbas Nejad, A. Waste Heat Management in Electric Motors Using Thermoelectric Generator Integrated with Phase Change Material and Metal Foam-Embedded Heat Sink. Energy Rep. 2024, 11, 6199–6207. [Google Scholar] [CrossRef]
- Hou, L.; Tan, S.; Zhang, Z.; Bergmann, N.W. Thermal Energy Harvesting WSNs Node for Temperature Monitoring in IIoT. IEEE Access 2018, 6, 35243–35249. [Google Scholar] [CrossRef]
- Dias, P.C.; Morais, F.J.O.; De Morais Franca, M.B.; Ferreira, E.C.; Cabot, A.; Siqueira Dias, J.A. Autonomous Multisensor System Powered by a Solar Thermoelectric Energy Harvester with Ultralow-Power Management Circuit. IEEE Trans. Instrum. Meas. 2015, 64, 2918–2925. [Google Scholar] [CrossRef]
- Carvalhaes-Dias, P.; Cabot, A.; Siqueira Dias, J.A. Evaluation of the Thermoelectric Energy Harvesting Potential at Different Latitudes Using Solar Flat Panels Systems with Buried Heat Sink. Appl. Sci. 2018, 8, 2641. [Google Scholar] [CrossRef]
- Gao, M.; Su, C.; Cong, J.; Yang, F.; Wang, Y.; Wang, P. Harvesting Thermoelectric Energy from Railway Track. Energy 2019, 180, 315–329. [Google Scholar] [CrossRef]
- Catalan, L.; Alegria, P.; Araiz, M.; Astrain, D. Field Test of a Geothermal Thermoelectric Generator without Moving Parts on the Hot Dry Rock Field of Timanfaya National Park. Appl. Therm. Eng. 2023, 222, 119843. [Google Scholar] [CrossRef]
- Ga, L.; Zhang, Z.; Xu, D.; Li, W. Performance of Thermoelectric Conversion Device with Power Management Module Based on Shallow Soil-Air Temperature Difference. Case Stud. Therm. Eng. 2021, 28, 101582. [Google Scholar] [CrossRef]
- Paterova, T.; Prauzek, M.; Konecny, J.; Ozana, S.; Zmij, P.; Stankus, M.; Weise, D.; Pierer, A. Environment-Monitoring IoT Devices Powered by a TEG Which Converts Thermal Flux between Air and Near-Surface Soil into Electrical Energy. Sensors 2021, 21, 8098. [Google Scholar] [CrossRef] [PubMed]
- Amagai, Y.; Ichinose, A.; Ikawa, R.; Sakamoto, M.; Ogiya, T.; Konishi, M.; Okawa, K.; Sakamoto, N.; Kaneko, N.-H. Harvesting Thermal Energy from Spring Water Using a Flexible Thermoelectric Generator. Energy Convers. Manag. 2024, 313, 118605. [Google Scholar] [CrossRef]
- Quintans, C.; Marcos-Acevedo, J.; Martinez-Penalver, C. Thermoelectric Energy Harvesting System Based on Water-Stored Energy and Daily Ambient Temperature Variations. IEEE Sens. J. 2020, 20, 13919–13929. [Google Scholar] [CrossRef]
- Verma, G.; Sharma, V. A Novel Thermoelectric Energy Harvester for Wireless Sensor Network Application. IEEE Trans. Ind. Electron. 2018, 66, 3530–3538. [Google Scholar] [CrossRef]
- Lv, J.-R.; Ma, J.-L.; Dai, L.; Yin, T.; He, Z.-Z. A High-Performance Wearable Thermoelectric Generator with Comprehensive Optimization of Thermal Resistance and Voltage Boosting Conversion. Appl. Energy 2022, 312, 118696. [Google Scholar] [CrossRef]
- Shi, Y.; Wang, Y.; Mei, D.; Chen, Z. Wearable Thermoelectric Generator with Copper Foam as the Heat Sink for Body Heat Harvesting. IEEE Access 2018, 6, 43602–43611. [Google Scholar] [CrossRef]
- Xia, C.; Zhang, D.; Pedrycz, W.; Fan, K.; Guo, Y. Human Body Heat Based Thermoelectric Harvester with Ultra-Low Input Power Management System for Wireless Sensors Powering. Energies 2019, 12, 3942. [Google Scholar] [CrossRef]
- Thielen, M.; Sigrist, L.; Magno, M.; Hierold, C.; Benini, L. Human Body Heat for Powering Wearable Devices: From Thermal Energy to Application. Energy Convers. Manag. 2017, 131, 44–54. [Google Scholar] [CrossRef]
- Hyland, M.; Hunter, H.; Liu, J.; Veety, E.; Vashaee, D. Wearable Thermoelectric Generators for Human Body Heat Harvesting. Appl. Energy 2016, 182, 518–524. [Google Scholar] [CrossRef]
- Newby, S.; Mirihanage, W.; Fernando, A. Body Heat Energy Driven Knitted Thermoelectric Garments with Personal Cooling. Appl. Therm. Eng. 2025, 258, 124546. [Google Scholar] [CrossRef]
- Elmoughni, H.M.; Atalay, O.; Ozlem, K.; Menon, A.K. Thermoelectric Clothing for Body Heat Harvesting and Personal Cooling: Design and Fabrication of a Textile-Integrated Flexible and Vertical Device. Energy Technol. 2022, 10, 2200528. [Google Scholar] [CrossRef]
- Ahmed, R.; Zeeshan; Mehmood, M.U.; Mannan, A.; Lee, J.Y.; Lim, S.H.; Chun, W. Design and Performance Analysis of Powering a Wireless Earphone by a Thermoelectric Generator. IEEE Access 2021, 9, 54457–54465. [Google Scholar] [CrossRef]
- Kim, D.; Seo, S.; Kim, S.; Shin, S.; Son, K.; Jeon, S.; Han, S. Design and Performance Analyses of Thermoelectric Coolers and Power Generators for Automobiles. Sustain. Energy Technol. Assess. 2022, 51, 101955. [Google Scholar] [CrossRef]
- Merkel, J.; Yee, S.; Nelson, C.; Jenkins, B.; ElBidweihy, H.; Joyce, P.; Brownell, C.; Mechtel, D. High-Energy Laser Detection through Thermoelectric Generators. Opt. Eng. 2020, 59, 117105. [Google Scholar] [CrossRef]
- Shi, Y.; Wang, Y.; Deng, Y.; Gao, H.; Lin, Z.; Zhu, W.; Ye, H. A Novel Self-Powered Wireless Temperature Sensor Based on Thermoelectric Generators. Energy Convers. Manag. 2014, 80, 110–116. [Google Scholar] [CrossRef]
- Bonin, R.; Boero, D.; Chiaberge, M.; Tonoli, A. Design and Characterization of Small Thermoelectric Generators for Environmental Monitoring Devices. Energy Convers. Manag. 2013, 73, 340–349. [Google Scholar] [CrossRef]
Disclaimer/Publisher’s Note: The statements, opinions and data contained in all publications are solely those of the individual author(s) and contributor(s) and not of MDPI and/or the editor(s). MDPI and/or the editor(s) disclaim responsibility for any injury to people or property resulting from any ideas, methods, instructions or products referred to in the content. |
© 2025 by the authors. Licensee MDPI, Basel, Switzerland. This article is an open access article distributed under the terms and conditions of the Creative Commons Attribution (CC BY) license (https://creativecommons.org/licenses/by/4.0/).





















