A New Indicator of Transient Stability for Controlled Islanding of Power Systems: Critical Islanding Time
Abstract
1. Introduction
2. Critical Islanding Time for Controlled Islanding Strategies in Interconnected Power Systems
2.1. Slow Coherency-Based Controlled Islanding Strategies
2.2. Critical Islanding Time for Transient Stability of Controlled Islanding
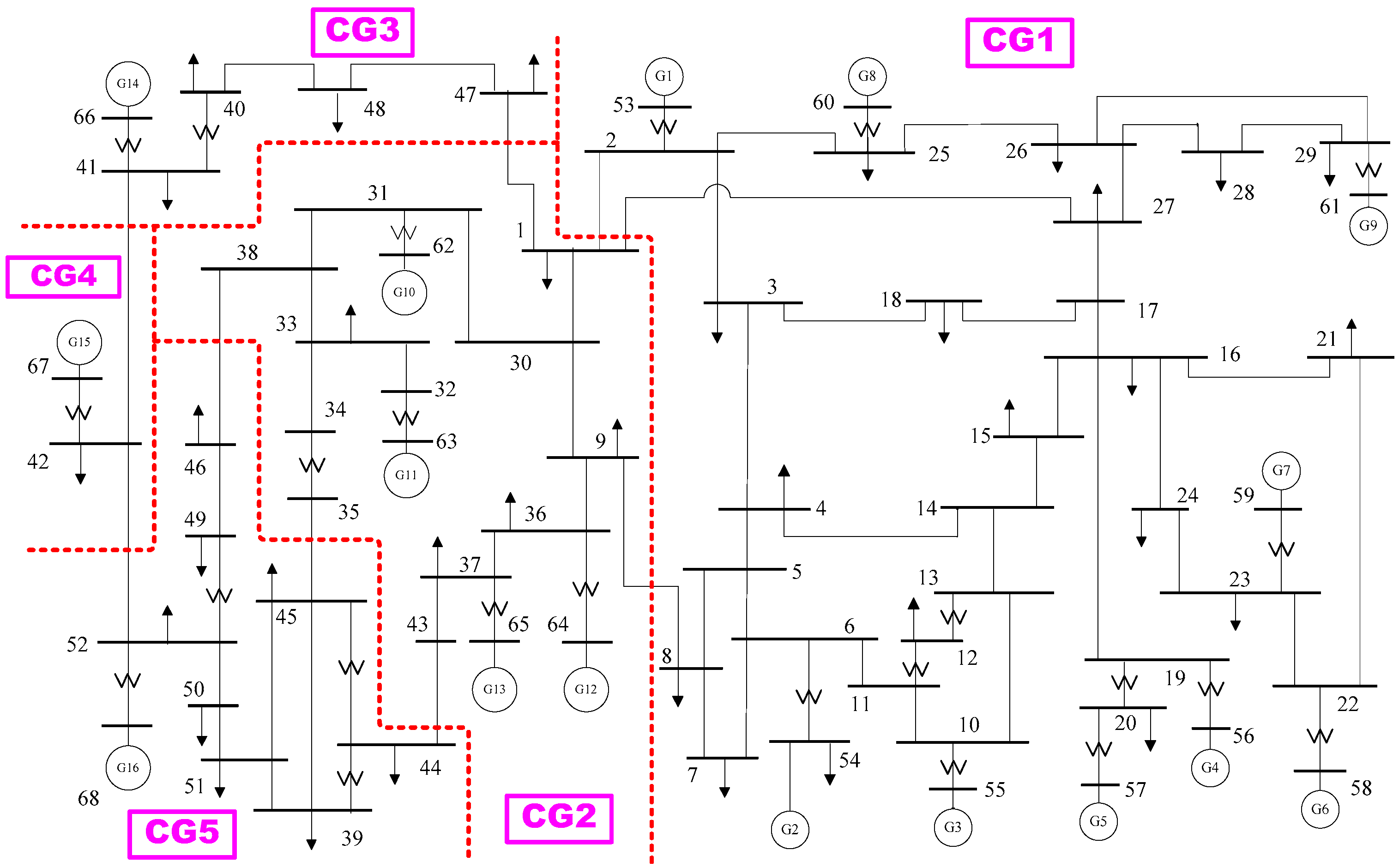
3. Simulation Results
- Coherent Group 1 (CG1): G1–G9;
- Coherent Group 2 (CG2): G10–G13;
- Coherent Group 3 (CG3): G14;
- Coherent Group 4 (CG4): G15;
- Coherent Group 5 (CG5): G16.
4. Conclusions
Author Contributions
Funding
Acknowledgments
Conflicts of Interest
References
- Vahidnia, A.; Ledwich, G.; Palmer, E.; Ghosh, A. Generator coherency and area detection in large power systems. IET Gener. Trans. Distrib. 2012, 6, 874–883. [Google Scholar] [CrossRef]
- Bai, F.F.; Liu, Y.; Liu, Y.L.; Sun, K.; Bhatt, N.; Rosso, A.D.; Farantatos, E. A measurement-based approach for power system instability early warning. Prot. Control Mod. Power Syst. 2016, 1, 17–25. [Google Scholar] [CrossRef]
- Huang, J.H.; Ge, S.Y.; Han, J.; Li, H.; Zhou, X.M.; Liu, H.; Wang, B.; Chen, Z.F. A diagnostic method for distribution networks based on power supply safety standards. Prot. Control Mod. Power Syst. 2016, 1, 1–8. [Google Scholar] [CrossRef]
- Sun, K.; Zheng, D.; Lu, Q. Splitting strategies for islanding operation of large-scale power systems using OBDD-based methods. IEEE Trans. Power Syst. 2003, 18, 912–923. [Google Scholar] [CrossRef]
- Franco, R.; Sena, C.; Taranto, G.N.; Giusto, A. Using synchrophasors for controlled islanding—A prospective application for the Uruguayan power system. IEEE Trans. Power Syst. 2013, 28, 2016–2024. [Google Scholar] [CrossRef]
- You, H.; Vittal, V.; Wang, X.M. Slow coherency-based islanding. IEEE Trans. Power Syst. 2004, 19, 483–491. [Google Scholar] [CrossRef]
- Han, C.; Zhao, Y.; Lin, Z.; Ding, Y.; Yang, L.; Lin, G.; Mo, T.; Ye, X. Critical lines identification for skeleton-network of power systems under extreme weather conditions based on the modified VIKOR method. Energies 2018, 11, 1355. [Google Scholar] [CrossRef]
- Song, H.; Wu, J.; Wu, K. A wide-area measurement systems-based adaptive strategy for controlled islanding in bulk power systems. Energies 2014, 7, 2631–2657. [Google Scholar] [CrossRef]
- Arraño-Vargas, F.; Rahmann, C.; Valencia, F.; Vargas, L. Active splitting in longitudinal power systems based on a WAMPC. Energies 2018, 11, 51. [Google Scholar] [CrossRef]
- Zhao, Y.; Lin, Z.; Ding, Y.; Liu, Y.; Sun, L.; Yan, Y. A model predictive control based generator start-up optimization strategy for restoration with microgrids as black-start resources. IEEE Trans. Power Syst. 2018, 33, 7189–7203. [Google Scholar] [CrossRef]
- Goo, B.; Hur, J. Estimation for expected energy not served of power systems using the screening methodology of cascading outages in south Korea. Energies 2018, 11, 81. [Google Scholar] [CrossRef]
- Lin, Z.; Wen, F.; Ding, Y.; Xue, Y. Data-driven coherency identification for generators based on spectral clustering. IEEE Trans. Ind. Inform. 2018, 14, 1275–1285. [Google Scholar] [CrossRef]
- Sun, K.; Zheng, D.; Lu, Q. A simulation study of OBDD-based proper splitting strategies for power systems under consideration of transient stability. IEEE Trans. Power Syst. 2005, 2, 389–399. [Google Scholar] [CrossRef]
- Wang, C.G.; Zhang, B.H.; Hao, Z.G.; Shu, J.P.; Li, P.; Bo, Z.Q. A novel real-time searching method for power system splitting boundary. IEEE Trans. Syst. 2010, 11, 1902–1909. [Google Scholar] [CrossRef]
- Ding, L.; Gonzalez-Longatt, F.M.; Wall, P.; Terzija, V. Two-step spectral clustering controlled islanding algorithm. IEEE Trans. Power Syst. 2013, 2, 75–84. [Google Scholar] [CrossRef]
- Sanchez-Garcia, R.J.; Fennelly, M.; Norris, S.; Wright, N.; Niblo, G.; Brodzki, J.; Bialek, J.W. Hierarchical spectral clustering of power grids. IEEE Trans. Power Syst. 2014, 9, 2229–2237. [Google Scholar] [CrossRef]
- Yang, B.; Vittal, V.; Heydt, G.T. Slow-coherency-based controlled islanding-a demonstration of the approach on the August 14, 2003 blackout scenario. IEEE Trans. Power Syst. 2006, 21, 1840–1847. [Google Scholar] [CrossRef]
- Senroy, N.; Heydt, G.T.; Vittal, V. Decision tree assisted controlled islanding. IEEE Trans. Power Syst. 2006, 21, 1790–1797. [Google Scholar] [CrossRef]
- Xu, G.Y.; Vittal, V. Slow coherency based cutset determination algorithm for large power systems. IEEE Trans. Power Syst. 2010, 25, 877–884. [Google Scholar] [CrossRef]
- Rogers, G. Power System Oscillations; Kluwer Academic Publishers: Boston, MA, USA, 2000. [Google Scholar]
- Machowski, J.; Bialek, J.W.; Bumby, J.R. Power System Dynamics: Stability and Control; John Wiley & Sons: West Sussex, UK, 2008. [Google Scholar]
- Jonsson, M.; Begovic, M.; Daalder, J. A new method suitable for real-time generator coherency determination. IEEE Trans. Power Syst. 2004, 19, 1473–1482. [Google Scholar] [CrossRef]
- Lin, Z.; Wen, F.; Ding, Y.; Xue, Y.; Liu, S.; Zhao, Y.; Yi, S. WAMS-based Coherency Detection for Situational Awareness in Power Systems with Renewables. IEEE Trans. Power Syst. 2018, 33, 5410–5426. [Google Scholar] [CrossRef]
- Ramaswamy, G.N.; Verghese, G.C.; Rouco, L.; Vialas, C.; DeMarco, C.L. Synchrony, aggregation, and multi-area eigenanalysis. IEEE Trans. Power Syst. 1995, 10, 1986–1993. [Google Scholar] [CrossRef]
- Chow, J.H. A nonlinear model reduction formulation for power system slow coherency and aggregation. Lect. Notes Contr. Inf. Sci. 1996, 208, 282–298. [Google Scholar]
- Lo, K.; Qi, Z.; Xiao, D. Identification of coherent generators by spectrum analysis. IEE Proc Gener. Transm. Distr. 1995, 142, 367–371. [Google Scholar] [CrossRef]
- Senroy, N. Generator coherency using the Hilbert–Huang transform. IEEE Trans. Power Syst. 2008, 23, 1701–1708. [Google Scholar] [CrossRef]
- Anaparthi, K.; Chaudhuri, B.; Thornhill, N.; Pal, B.C. Coherency identification in power systems through principal component analysis. IEEE Trans. Power Syst. 2005, 20, 1658–1660. [Google Scholar] [CrossRef]
- Ariff, M.A.M.; Pal, B.C. Coherency identification in interconnected power system-an independent component analysis approach. IEEE Trans. Power Syst. 2013, 28, 1747–1755. [Google Scholar] [CrossRef]
- Chow, J.H. Slow coherency and weak connections. Lect. Notes Contr. Inf. Sci. 1982, 46, 127–151. [Google Scholar]
- Chow, J.H. New algorithms for slow coherency aggregation of large power systems. Pro. Workshop Syst. Control Theory Power Syst. 1995, 64, 95–116. [Google Scholar]
- Joo, S.K.; Liu, C.C.; Jones, L.E.; Choe, J.W. Coherency and aggregation techniques incorporating rotor and voltage dynamics. IEEE Trans. Power Syst. 2004, 19, 1068–1075. [Google Scholar] [CrossRef]
- Liu, L.; Liu, L.; Cartes, D.A. Slow coherency and angle modulated particle swarm optimization based islanding of large scale power systems. Adv. Eng. Inform. 2009, 23, 45–56. [Google Scholar] [CrossRef]
- Lin, Z.; Wen, F.; Ding, Y.; Xue, Y. Wide-area coherency identification of generators in interconnected power systems with renewables. IET Gener. Trans. Distrib. 2017, 11, 4444–4455. [Google Scholar] [CrossRef]
- Milano, F. Advances in Power System Modelling, Control and Stability Analysis; IET: London, UK, 2016. [Google Scholar]






| Fault Bus No. | CCT (s) | CIT (s) | SII (s) | Fault Bus No. | CCT (s) | CIT (s) | SII (s) |
|---|---|---|---|---|---|---|---|
| 1 | 0.529 | 0 | (1.529, 1.529] | 35 | 0.66 | 0 | (1.660, 1.660] |
| 2 | 0.452 | 2.162 | (1.452, 3.614] | 36 | 0.277 | 2.248 | (1.277, 3.525] |
| 3 | 0.415 | 2.208 | (1.415, 3.623] | 37 | 0.235 | 2.371 | (1.235, 3.606] |
| 4 | 0.411 | 2.229 | (1.411, 3.640] | 38 | 0.790 | 0 | (1.790, 1.790] |
| 5 | 0.385 | 2.274 | (1.385, 3.659] | 39 | 2.192 | 0 | (2.192, 3.192] |
| 6 | 0.369 | 2.294 | (1.369, 3.663] | 40 | 2.641 | 0 | (2.641, 3.641] |
| 7 | 0.456 | 0 | (1.456, 1.456] | 41 | 0.538 | 0.190 | (1.538, 1.728] |
| 8 | 0.448 | 0 | (1.448, 1.448] | 42 | 0.711 | 0.804 | (1.711, 2.515] |
| 9 | 0.444 | 2.061 | (1.444, 3.505] | 43 | 0.799 | 0 | (1.799, 1.799] |
| 10 | 0.386 | 2.315 | (1.386, 3.701] | 44 | 3.905 | 0 | (3.905, 4.905] |
| 11 | 0.410 | 2.283 | (1.410, 3.693] | 45 | 0.765 | 0 | (1.765, 1.765] |
| 12 | >20 | 46 | >20 | ||||
| 13 | 0.425 | 2.271 | (1.425, 3.696] | 47 | >20 | ||
| 14 | 0.416 | 2.235 | (1.416, 3.651] | 48 | >20 | ||
| 15 | 0.398 | 2.238 | (1.398, 3.636] | 49 | >20 | ||
| 16 | 0.277 | 2.317 | (1.277, 3.594] | 50 | 0.658 | 0 | (1.658, 1.658] |
| 17 | 0.337 | 2.259 | (1.337, 3.596] | 51 | 0.739 | 0 | (1.739, 1.739] |
| 18 | 0.415 | 2.214 | (1.415, 3.629] | 52 | 0.226 | 0.248 | (1.226, 1.474] |
| 19 | 0.332 | 2.378 | (1.332, 3.710] | 53 | 0.653 | 2.062 | (1.653, 3.715] |
| 20 | 0.363 | 0 | (1.363, 1.363] | 54 | 0.430 | 2.487 | (1.430, 3.917] |
| 21 | 0.379 | 2.320 | (1.379, 3.699] | 55 | 0.405 | 2.455 | (1.405, 3.860] |
| 22 | 0.335 | 2.404 | (1.335, 3.739] | 56 | 0.349 | 2.437 | (1.349, 3.786] |
| 23 | 0.357 | 2.395 | (1.357, 3.752] | 57 | 0.371 | 0 | (1.371, 1.371] |
| 24 | 0.351 | 2.296 | (1.351, 3.647] | 58 | 0.377 | 2.445 | (1.377, 3.822] |
| 25 | 0.362 | 0 | (1.362, 1.362] | 59 | 0.383 | 2.517 | (1.383, 3.900] |
| 26 | 0.372 | 0 | (1.372, 1.372] | 60 | 0.360 | 0 | (1.360, 1.360] |
| 27 | 0.425 | 0 | (1.425, 1.425] | 61 | 0.305 | 2.655 | (1.305, 3.960] |
| 28 | 0.391 | 0 | (1.391, 1.391] | 62 | 0.470 | 0 | (1.470, 1.470] |
| 29 | 0.337 | 2.649 | (1.337, 3.986] | 63 | 0.283 | 0.605 | (1.283, 1.888] |
| 30 | 0.415 | 0 | (1.415, 1.415] | 64 | 0.371 | 2.282 | (1.371, 3.653] |
| 31 | 0.452 | 0 | (1.452, 1.452] | 65 | 0.160 | 2.34 | (1.160, 3.500] |
| 32 | 0.289 | 0 | (1.289, 1.289] | 66 | 0.375 | 0.505 | (1.375, 1.880] |
| 33 | 0.355 | 0 | (1.355, 1.355] | 67 | 0.406 | 4.164 | (1.406, 5.570] |
| 34 | 0.436 | 0 | (1.436, 1.436] | 68 | 0.184 | 0.364 | (1.184, 1.548] |
© 2018 by the authors. Licensee MDPI, Basel, Switzerland. This article is an open access article distributed under the terms and conditions of the Creative Commons Attribution (CC BY) license (http://creativecommons.org/licenses/by/4.0/).
Share and Cite
Lin, Z.; Zhao, Y.; Liu, S.; Wen, F.; Ding, Y.; Yang, L.; Han, C.; Zhou, H.; Wu, H. A New Indicator of Transient Stability for Controlled Islanding of Power Systems: Critical Islanding Time. Energies 2018, 11, 2975. https://doi.org/10.3390/en11112975
Lin Z, Zhao Y, Liu S, Wen F, Ding Y, Yang L, Han C, Zhou H, Wu H. A New Indicator of Transient Stability for Controlled Islanding of Power Systems: Critical Islanding Time. Energies. 2018; 11(11):2975. https://doi.org/10.3390/en11112975
Chicago/Turabian StyleLin, Zhenzhi, Yuxuan Zhao, Shengyuan Liu, Fushuan Wen, Yi Ding, Li Yang, Chang Han, Hao Zhou, and Hongwei Wu. 2018. "A New Indicator of Transient Stability for Controlled Islanding of Power Systems: Critical Islanding Time" Energies 11, no. 11: 2975. https://doi.org/10.3390/en11112975
APA StyleLin, Z., Zhao, Y., Liu, S., Wen, F., Ding, Y., Yang, L., Han, C., Zhou, H., & Wu, H. (2018). A New Indicator of Transient Stability for Controlled Islanding of Power Systems: Critical Islanding Time. Energies, 11(11), 2975. https://doi.org/10.3390/en11112975

