Data-Driven Predictive Control Applied to Gear Shifting for Heavy-Duty Vehicles
Abstract
1. Introduction
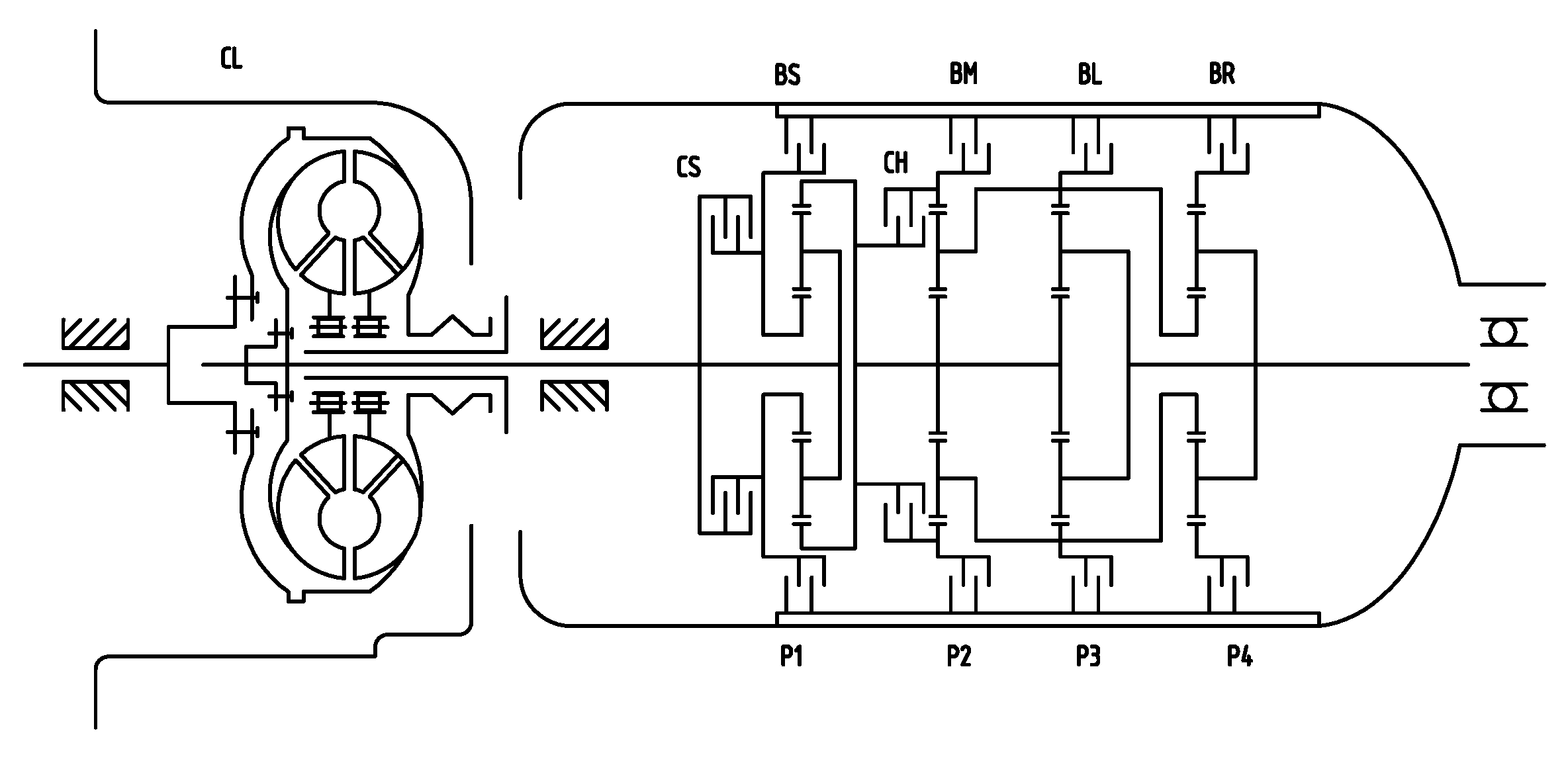
2. Topology Structure of Powertrain System
2.1. Diesel Engine Model
2.2. Torque Converter Model
2.3. Transmission Model
2.4. Output Shaft and Longitudinal Vehicle Model
2.5. Control Scheme
3. Shift Controller Design
- (1)
- Design an appropriate input to acquire the input data u and output data y;
- (2)
- Formulate the Hankel matrix , , and based on those input and output data;
- (3)
- Solving the subspace prediction equation for acquiring predictive factor and by least squares method;
- (4)
- Rewrite the predict equation as the incremental and build the initial relatively speed and reference output sequence .
- (5)
- Building the objective function J and defining the initial constraints;
- (6)
- Solving the objective function by QP method for acquiring the sequence of the future control variables . The first one would be used into the system input.
- (7)
- Updating the relatively speed and cbased on the system output.
- (8)
- Back to the sixth step until the end of shifting.
3.1. Data-Driven Shift Predictor
3.2. Data-Driven Shift Controller
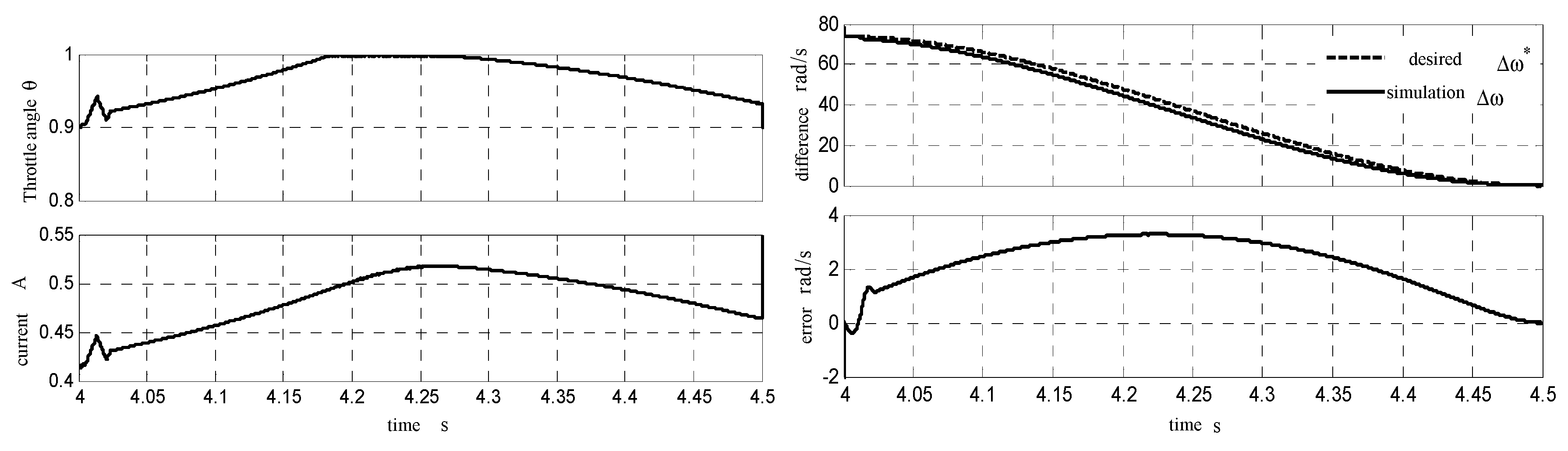
4. Simulation Results and Discussion
5. Conclusions
Author Contributions
Funding
Acknowledgments
Conflicts of Interest
References
- Wang, E.; Tao, G.; Chen, K. A research on power-on downshift control for automatic transmission. Autom. Eng. 2015, 37, 1313–1319. [Google Scholar]
- Zhao, X.; Yang, J.; Zhang, J.; Zhang, W. Optimizing gear shifting quality with backstepping control for automatic transmission. Trans. Chin. Soc. Agric. Eng. 2016, 32, 27–33. [Google Scholar]
- Meng, F.; Tao, G.; Zhang, T.; Hu, Y.; Geng, P. Optimal shifting control strategy in inertia phase of an automatic transmission for automotive applications. Mech. Syst. Signal Process. 2015, 60–61, 742–752. [Google Scholar] [CrossRef]
- Mishra, K.D.; Srinivasan, K. Robust nonlinear control of inertia phase in clutch-to-clutch shifts. In Proceedings of the 4th IFAC Workshop on Engine and Powertrain Control, Simulation, and Modeling E-COSM 2015, Columbus, OH, USA, 23–26 August 2015. [Google Scholar]
- Gao, B.; Chen, H.; Hu, Y.; Sanada, K. Nonlinear feedforward-feedback control of clutch-to-clutch shift technique. Veh. Syst. Dyn. 2011, 49, 1895–1911. [Google Scholar] [CrossRef]
- Depraetere, B.; Pinte, G.; Swevers, J. A reference free iterative learning strategy for wet clutch control. In Proceedings of the 2011 American Control Conference, San Francisco, CA, USA, 29 June–1 July 2011. [Google Scholar]
- Dutta, A.; Ionescu, C.M.; Keyser, R.D.; Wyns, B.; Stoev, J.; Pinte, G.; Symens, W. Robust and two-level (nonlinear) predictive control of switched dynamical systems with unknown references for optimal wet-clutch engagement. J. Syst. Control Eng. 2014, 228, 233–244. [Google Scholar] [CrossRef]
- Dutta, A.; Depraetere, B.; Ionescu, C.; Pinte, G.; Swevers, J.; Keyser, R.D. Comparison of two-level NMPC and ILC strategies for wet-clutch control. Control Eng. Pract. 2014, 22, 114–124. [Google Scholar] [CrossRef]
- Dutta, A.; Zhong, Y.; Depraetere, B.; Vaerenbergh, K.V.; Ionescu, C.; Wyns, B.; Pinte, G.; Nowe, A.; Swevers, J.; Keyser, R.D. Model-based and model-free learning strategies for wet clutch control. Mechatronics 2014, 24, 1008–1020. [Google Scholar] [CrossRef]
- Shi, G.; Dong, P.; Sun, H.Q.; Liu, Y.; Cheng, Y.J.; Xu, X.Y. Adaptive control of the shifting process in automatic transmissions. Int. J. Autom. Technol. 2016, 18, 179–194. [Google Scholar] [CrossRef]
- Hou, L. Research on Data-Driven Control Scheme Based on Subspace Identification. Master’s Thesis, Northeastern University, Shenyang, China, 2011. [Google Scholar]
- Hou, Z. On model-free adaptive control: the state of the art and perspective. Control Theory Appl. 2006, 23, 586–592. [Google Scholar]
- Hou, Z. Highlight and perspective on model free adaptive control. J. Syst. Sci. Math. Sci. 2014, 34, 1182–1191. [Google Scholar]
- Hou, Z.; Wang, Z. From model-based control to data-driven control: Survey, classification and perspective. Inf. Sci. Int. J. 2013, 235, 3–35. [Google Scholar] [CrossRef]
- Afram, A.; Janabi-Sharifi, F. Theory and applications of HVAC control systems—A review of model predictive control (MPC). Build. Environ. 2014, 72, 343–355. [Google Scholar] [CrossRef]
- Zhang, M.; Zhou, Z.; Xu, L.; Li, Y. Continuous mathematic model for governing characteristics of diesel engine. Trans. Chin. Soc. Agric. Eng. 2004, 20, 74–77. [Google Scholar]
- Yang, C. Dynamic Modeling and Integrated Control for Automatic Transmission Shift Process. Master’s Thesis, Jilin University, Changchun, China, 2014. [Google Scholar]
- Samanuhut, P. Modeling and Control of Automatic Transmission with Planetary Gears for Shift Quality. Ph.D. Thesis, University of Texas Arlington, Arlington, MA, USA, 2011. [Google Scholar]
- Meng, F.; Chen, H.; Zhang, T.; Zhu, X. Clutch fill control of an automatic transmission for heavy-duty vehicle applications. Mech. Syst. Signal Process. 2015, 64–65, 16–28. [Google Scholar] [CrossRef]
- Nezhadali, V.; Eriksson, L. A framework for modeling and optimal control of automatic transmission systems. In Proceedings of the 4th IFAC Workshop on Engine and Powertrain Control, Simulation and Modeling E-COSM 2015, Columbus, OH, USA, 23–26 August 2015. [Google Scholar]
- Gao, B.; Chen, H.; Sanada, K.; Hu, Y. Design of clutch-slip controller for automatic transmission using backstepping. IEEE/ASME Trans. Mechatron. 2011, 16, 498–508. [Google Scholar] [CrossRef]
- Lu, X.; Chen, H.; Gao, B.; Zhang, Z.; Jin, W. Data-driven predictive gearshift control for dual-clutch transmissions and FPGA implementation. IEEE Trans. Ind. Electron. 2015, 62, 599–610. [Google Scholar] [CrossRef]
- Liu, Z.; Gao, J.; Zheng, Q. Robust clutch slip controller design for automatic transmission. J. Automob. Eng. 2011, 225, 989–1005. [Google Scholar] [CrossRef]
- Depraetere, B.; Pinte, G.; Symens, W.; Swevers, J. A two-level iterative learning control scheme for the engagement of wet clutches. Mechatronics 2011, 21, 501–508. [Google Scholar] [CrossRef]
- Meng, F.; Tao, G.; Chen, H. Smooth shift control of an automatic transmission for heavy-duty vehicles. Neurocomputing 2015, 59, 197–206. [Google Scholar] [CrossRef]
- Katayama, T. Subspace Methods for System Identification; Springer: London, UK, 2005. [Google Scholar]
- Zhou, X. Data-Driven Air Path Predictive Control of Turbocharged Gasoline Engines. Master’s Thesis, Jilin University, Changchun, China, 2016. [Google Scholar]
- Ma, Y. Research on Predictive Control Based on Subspace in Gas-Collector Pressure of the Coke Oven. Master Thesis, Northeastern University, Shenyang, China, 2013. [Google Scholar]
- Sun, C. Data-Driven Subspace Methods and its Application in the Prediction. Master Thesis, Northeastern University, Shenyang, China, 2011. [Google Scholar]
- Li, T. Data-Driven Dual-Clutch Transmission Shift Control. Master Thesis, Jilin University, Changchun, China, 2014. [Google Scholar]
- Zhang, Z. Data-Driven Predictive Control of Gearshifts and FPGA Implementation for Dual-Clutch Transmissions. Master Thesis, Jilin University, Changchun, China, 2013. [Google Scholar]









| Gear | CS | BS | CH | BM | BL | BR | Ratio |
|---|---|---|---|---|---|---|---|
| 1 | √ | √ | 4.00 | ||||
| 2 | √ | √ | 2.67 | ||||
| 3 | √ | √ | 2 | ||||
| 4 | √ | √ | 1.33 | ||||
| 5 | √ | √ | 1.00 | ||||
| 6 | √ | √ | 0.67 | ||||
| R1 | √ | √ | −5.00 | ||||
| R2 | √ | √ | −3.33 |
© 2018 by the authors. Licensee MDPI, Basel, Switzerland. This article is an open access article distributed under the terms and conditions of the Creative Commons Attribution (CC BY) license (http://creativecommons.org/licenses/by/4.0/).
Share and Cite
Zhao, X.; Li, Z. Data-Driven Predictive Control Applied to Gear Shifting for Heavy-Duty Vehicles. Energies 2018, 11, 2139. https://doi.org/10.3390/en11082139
Zhao X, Li Z. Data-Driven Predictive Control Applied to Gear Shifting for Heavy-Duty Vehicles. Energies. 2018; 11(8):2139. https://doi.org/10.3390/en11082139
Chicago/Turabian StyleZhao, Xinxin, and Zhijun Li. 2018. "Data-Driven Predictive Control Applied to Gear Shifting for Heavy-Duty Vehicles" Energies 11, no. 8: 2139. https://doi.org/10.3390/en11082139
APA StyleZhao, X., & Li, Z. (2018). Data-Driven Predictive Control Applied to Gear Shifting for Heavy-Duty Vehicles. Energies, 11(8), 2139. https://doi.org/10.3390/en11082139
