Bidirectional Power Flow Control of a Multi Input Converter for Energy Storage System
Abstract
:1. Introduction
2. Circuit Configurations and Equivalent Models
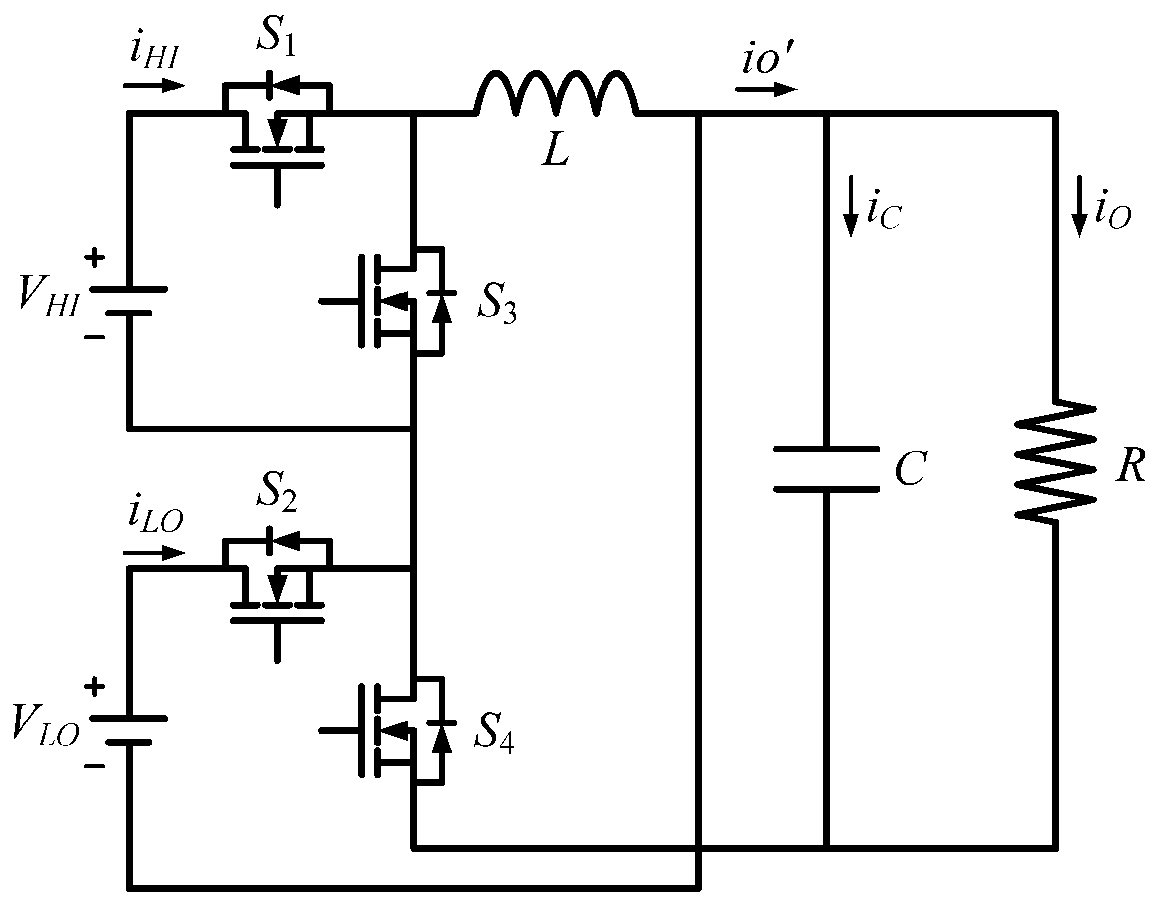
2.1. Circuit Diagrams of the Proposed Bidirectional MIC
2.2. Analyzation of Different Equivalent Models
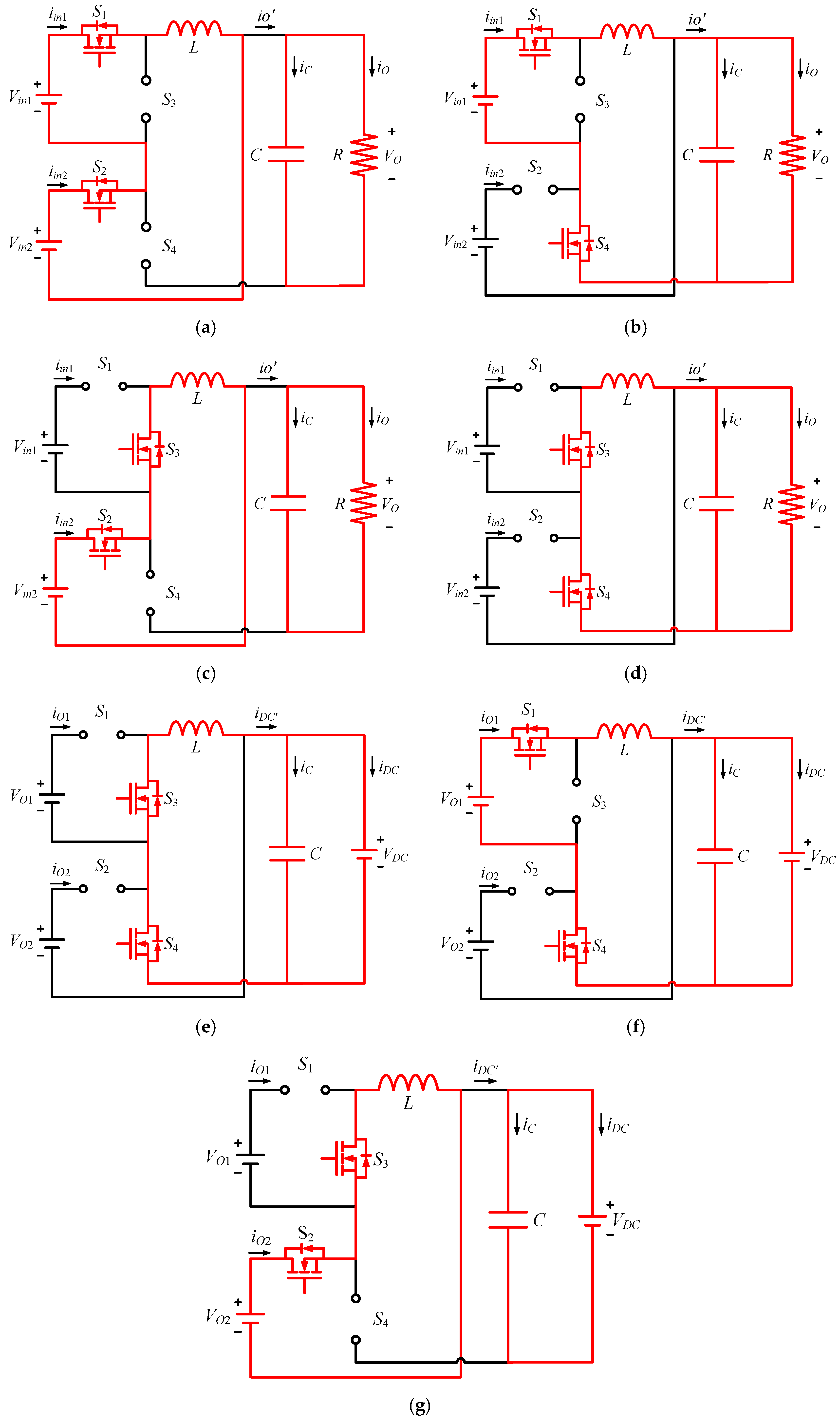
- ➢
- Mode I: The equivalent circuit of Mode I is shown in Figure 3a. In this mode, S1 and S2 are turned on while S3 and S4 are off. In the meantime, Vin1 and Vin2 are in series to charge the inductor, L. The demanded load energy is supplied from the capacitor, C.
- ➢
- Mode II: During this state, S1 and S4 conduct. S2 and S4 are off. Vin1 charges L and C by S1 and S4 as well as provide energy to the load, as shown in Figure 3b.
- ➢
- Mode III: The equivalent circuit of this mode is shown in Figure 3c. In this mode, S2 and S3 are turned on while S1 and S4 are turned off. Vin1 charges L whereas the load energy is supplied by C.
- ➢
- Mode IV: Figure 3d shows the equivalent circuit of Mode IV. Under this mode, Vin1 and Vin2 will not transfer energy due to the off state of S1 and S2. In the same time, S3 and S4 are turned on and the demanded load energy can be obtained from L and C.
- ➢
- Mode V: In this mode, S3 and S4 are turned on while S1 and S2 are turned off. L and C are charged by VDC, as shown in Figure 3e.
- ➢
- Mode VI: Figure 3f shows the equivalent circuit of Mode VI. Under this condition, S2 and S3 are off. VDC charges L, C and Vin1 in the same by S1 and S4.
- ➢
- Mode VII: Under this mode, S1 and S4 are off. VDC charges L, C and Vin2 in the same by S2 and S3. The equivalent circuit of Mode VII is shown in Figure 3g.
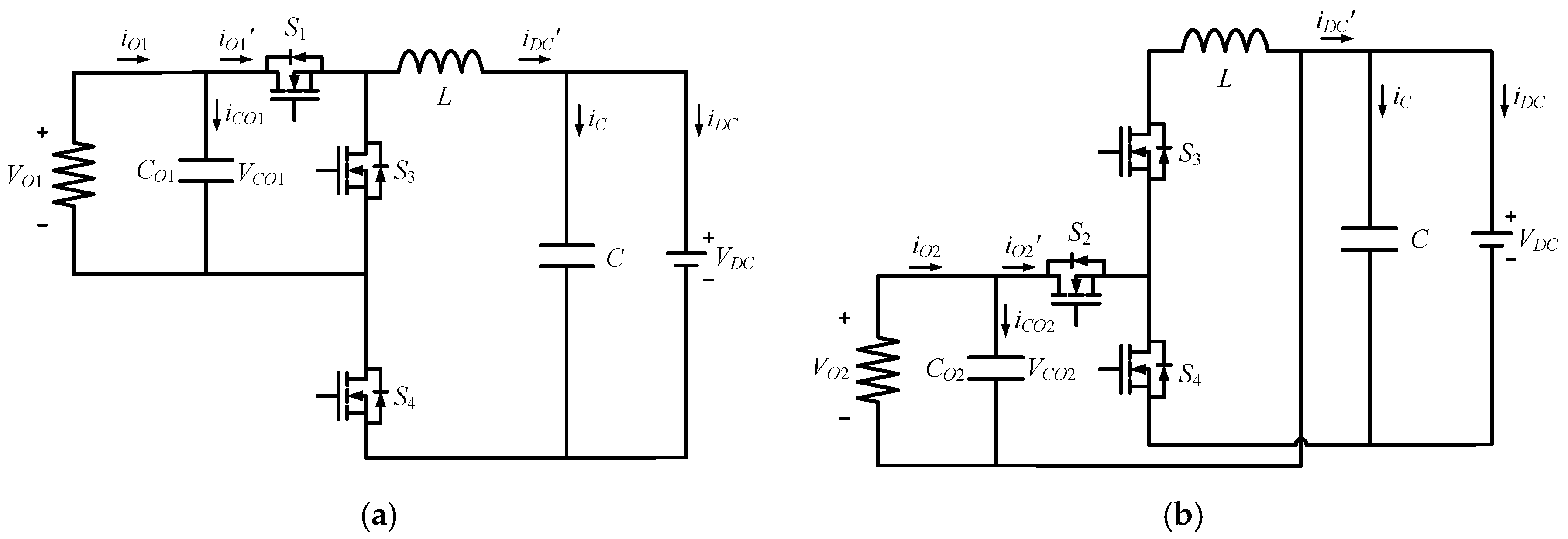
3. Circuit Operation Principles and the Proposed Bidirectional Power Flow Control
3.1. The Discharging Scenario
3.2. The Charging Scenario
3.2.1. The Charging Scenario A
3.2.2. The Charging Scenario B
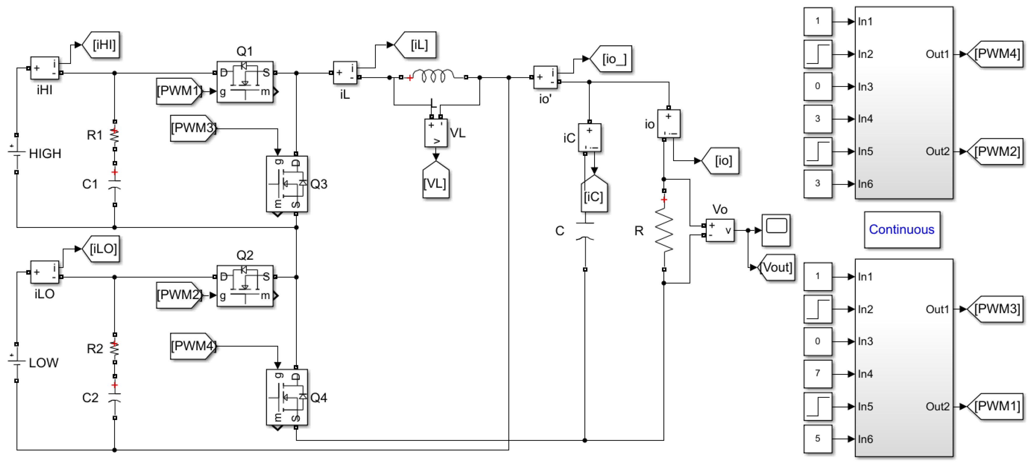
4. Simulation and Experimental Validations
4.1. Simulation Results
4.2. Experimental Validations
5. Conclusions
Author Contributions
Funding
Conflicts of Interest
References
- Zhuang, P.; Liang, H.; Pomphrey, M. Stochastic multi-timescale energy management of greenhouses with renewable energy sources. IEEE Trans. Sustain. Energy 2019, 10, 905–917. [Google Scholar] [CrossRef]
- Leithon, J.; Sun, S.; Lim, T.J. Demand response and renewable energy management using continuous-time optimization. IEEE Trans. Sustain. Energy 2018, 9, 991–1000. [Google Scholar] [CrossRef]
- Tang, C.; Kao, L.; Chen, Y.; Ou, S. Dynamic power decoupling strategy for three-phase PV power systems under unbalanced grid voltages. IEEE Trans. Sustain. Energy 2019, 10, 540–548. [Google Scholar] [CrossRef]
- Tang, C.; Chen, Y.; Chen, Y. PV power System with multi-mode operation and Llow-voltage ride-through capability. IEEE Trans. Ind. Electron. 2015, 62, 7524–7533. [Google Scholar] [CrossRef]
- Azizivahed, A.; Naderi, E.; Narimani, H.; Fathi, M.; Narimani, M.R. A new bi-objective approach to energy management in distribution networks with energy storage systems. IEEE Trans. Sustain. Energy 2018, 9, 56–64. [Google Scholar] [CrossRef]
- Wu, F.; Li, X.; Feng, F.; Gooi, H.B. Multi-topology-mode grid-connected inverter to improve comprehensive performance of renewable energy source generation system. IEEE Trans. Power Electron. 2017, 32, 3623–3633. [Google Scholar] [CrossRef]
- Zhang, Z.; Cai, Y.; Zhang, Y.; Gu, D.; Liu, Y. A distributed architecture based on microbank modules with self-reconfiguration control to improve the energy efficiency in the battery energy storage system. IEEE Trans. Power Electron. 2016, 31, 304–317. [Google Scholar] [CrossRef]
- Saez-de-Ibarra, A.; Martinez-Laserna, E.; Stroe, D.; Swierczynski, M.; Rodriguez, P. Sizing study of second life Li-ion batteries for enhancing renewable energy grid integration. IEEE Trans. Ind. Appl. 2016, 52, 4999–5008. [Google Scholar] [CrossRef]
- Varajão, D.; Araújo, R.E.; Miranda, L.M.; Lopes, J.A.P. Modulation strategy for a single-stage bidirectional and isolated AC–DC matrix converter for energy storage systems. IEEE Trans. Ind. Electron. 2018, 65, 3458–3468. [Google Scholar] [CrossRef]
- El Mejdoubi, A.; Chaoui, H.; Gualous, H.; Van Den Bossche, P.; Omar, N.; Van Mierlo, J. Lithium-ion batteries health prognosis considering aging conditions. IEEE Trans. Power Electron. 2019, 34, 6834–6844. [Google Scholar] [CrossRef]
- Kushwaha, R.; Singh, B. Power factor improvement in modified bridgeless landsman converter fed EV battery charger. IEEE Trans. Veh. Technol. 2019, 68, 3325–3336. [Google Scholar] [CrossRef]
- Lee, I. Hybrid DC–DC converter with phase-shift or frequency modulation for NEV battery charger. IEEE Trans. Ind. Electron. 2016, 63, 884–893. [Google Scholar] [CrossRef]
- Qu, X.; Chu, H.; Wong, S.; Tse, C.K. An IPT battery charger with near unity power factor and load-independent constant output combating design constraints of input voltage and transformer parameters. IEEE Trans. Power Electron. 2019, 34, 7719–7727. [Google Scholar] [CrossRef]
- Mangu, B.; Akshatha, S.; Suryanarayana, D.; Fernandes, B.G. Grid-connected PV-wind-battery-based multi-input transformer-coupled bidirectional DC-DC converter for household applications. IEEE J. Emerg. Sel. Top. Power Electron. 2016, 4, 1086–1095. [Google Scholar] [CrossRef]
- Baranwal, R.; Iyer, K.V.; Basu, K.; Castelino, G.F.; Mohan, N. A reduced switch count single-stage three-phase bidirectional rectifier with high-frequency isolation. IEEE Trans. Power Electron. 2018, 33, 9520–9541. [Google Scholar] [CrossRef]
- Sha, D.; Xu, G.; Xu, Y. Utility direct interfaced charger/discharger employing unified voltage balance control for cascaded H-bridge units and decentralized control for CF-DAB modules. IEEE Trans. Ind. Electron. 2017, 64, 7831–7841. [Google Scholar] [CrossRef]
- Iyer, V.M.; Gulur, S.; Bhattacharya, S. Small-signal stability assessment and active stabilization of a bidirectional battery charger. IEEE Trans. Ind. Appl. 2019, 55, 563–574. [Google Scholar] [CrossRef]
- Chen, Y.-M.; Liu, Y.-C.; Wu, F.-Y. Multi-input DC/DC converter based on the multiwinding transformer for renewable energy applications. IEEE Trans. Ind. Appl. 2002, 38, 1096–1104. [Google Scholar] [CrossRef]
- Chen, Y.-M.; Liu, Y.-C.; Wu, F.-Y. Multiinput converter with power factor correction, maximum power point tracking, and ripple-free input currents. IEEE Trans. Power Electron. 2004, 19, 631–639. [Google Scholar] [CrossRef]
- Chen, Y.-M.; Liu, Y.-C.; Lin, S.-H. Double-input PWM DC/DC converter for high-/low-voltage sources. IEEE Trans. Ind. Electron. 2006, 53, 1538–1545. [Google Scholar] [CrossRef]
- Chen, Y.; Liu, Y.; Hung, S.; Cheng, C. Multi-input inverter for grid-connected hybrid PV/Wind power system. IEEE Trans. Power Electron. 2007, 22, 1070–1077. [Google Scholar] [CrossRef]
- Liu, Y.; Chen, Y. A systematic approach to synthesizing multi-input DC–DC converters. IEEE Trans. Power Electron. 2009, 24, 116–127. [Google Scholar] [CrossRef]
- Chen, C.; Liao, C.; Chen, K.; Chen, Y. Modeling and controller design of a semiisolated multiinput converter for a hybrid PV/Wind power charger system. IEEE Trans. Power Electron. 2015, 30, 4843–4853. [Google Scholar] [CrossRef]
- Shang, Y. Group pinning consensus under fixed and randomly switching topologies with acyclic partition. Netw. Heterog. Media 2014, 9, 553–573. [Google Scholar] [CrossRef]
- Shang, Y. Consensus seeking over Markovian switching networks with time-varying delays and uncertain topologies. Appl. Math. Comput. 2016, 273, 1234–1245. [Google Scholar] [CrossRef]
- Shang, Y. Resilient multiscale coordination control against adversarial nodes. Energies 2018, 11, 1844. [Google Scholar] [CrossRef]
- Shang, Y. Consensus of hybrid multi-agent systems with malicious nodes. IEEE Trans. Circuits Syst. II Express Briefs 2019. [Google Scholar] [CrossRef]















| Parameters | Value or Type |
|---|---|
| Rated power | 500 W |
| Inductance of L | 100 μH |
| Capacitance of C | 470 μF |
| Capacitance of Cin1 | 330 μF |
| Capacitance of Cin2 | 470 μF |
| Switches of S1, S2, S3 and S4 | MOSFET IRF640N |
| Switching frequency | 50 kHz |
| Gate driver IC for the switches | TLP250 |
| System controller | TI DSP TMS320F28335 |
© 2019 by the authors. Licensee MDPI, Basel, Switzerland. This article is an open access article distributed under the terms and conditions of the Creative Commons Attribution (CC BY) license (http://creativecommons.org/licenses/by/4.0/).
Share and Cite
Tang, C.-Y.; Lin, J.-T. Bidirectional Power Flow Control of a Multi Input Converter for Energy Storage System. Energies 2019, 12, 3756. https://doi.org/10.3390/en12193756
Tang C-Y, Lin J-T. Bidirectional Power Flow Control of a Multi Input Converter for Energy Storage System. Energies. 2019; 12(19):3756. https://doi.org/10.3390/en12193756
Chicago/Turabian StyleTang, Cheng-Yu, and Jun-Ting Lin. 2019. "Bidirectional Power Flow Control of a Multi Input Converter for Energy Storage System" Energies 12, no. 19: 3756. https://doi.org/10.3390/en12193756
APA StyleTang, C.-Y., & Lin, J.-T. (2019). Bidirectional Power Flow Control of a Multi Input Converter for Energy Storage System. Energies, 12(19), 3756. https://doi.org/10.3390/en12193756

