A Refined Loss Evaluation of a Three-Switch Double Input DC-DC Converter for Hybrid Vehicle Applications
Abstract
1. Introduction
2. Three-Switch Converter (3SC) Architecture and Modulation
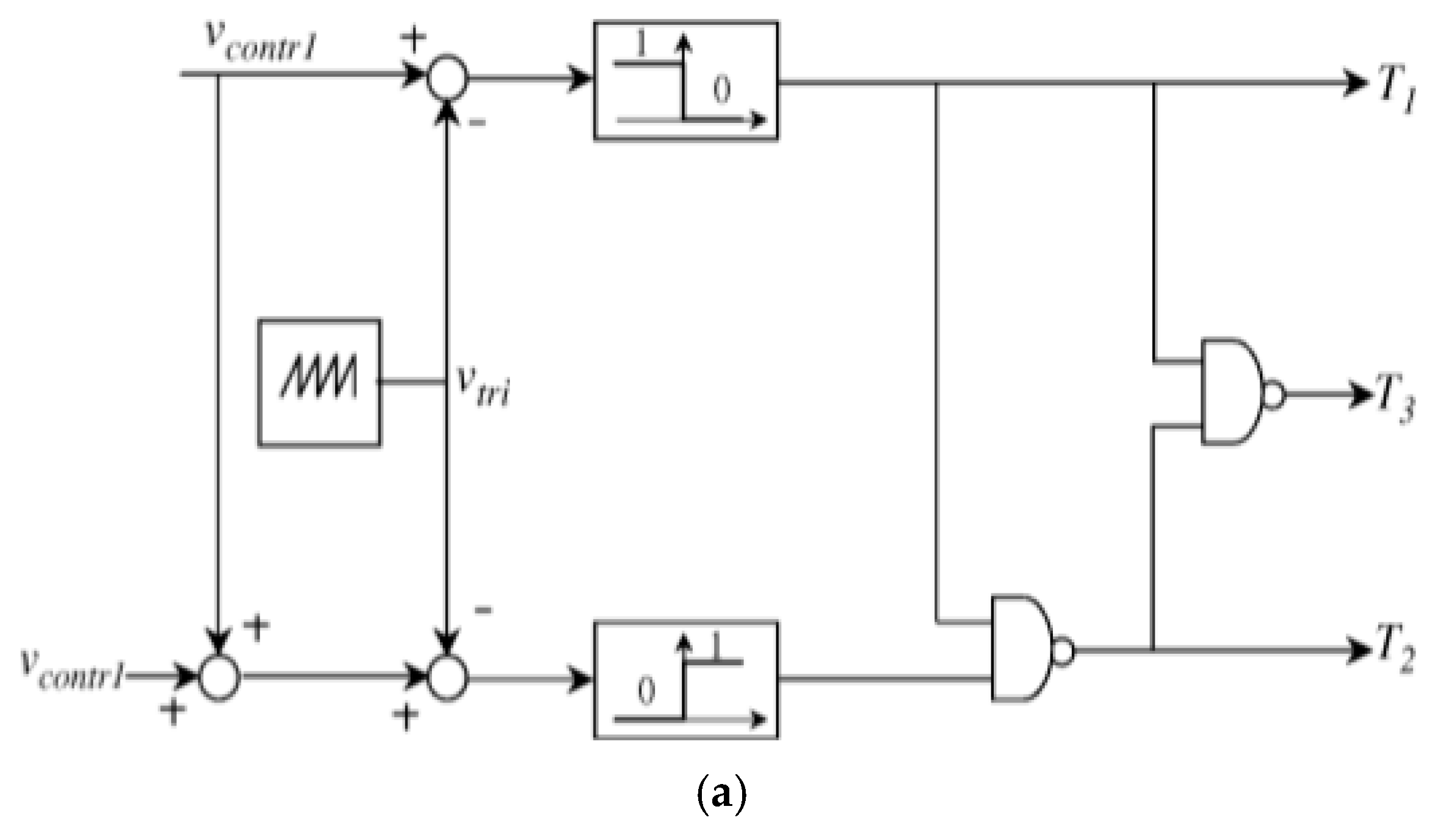
2.1. Modulation Strategy
2.2. MATLAB/Simulink Plecs Model
3. Simulation Results
4. Experimental Results
4.1. Experimental Test Bench and Validation Approach
- Comparing the current waveforms obtained via simulations with the ones obtained via experimental tests.
- Comparing the efficiency obtained via simulations with the one obtained via experimental tests.
4.2. Experimental Results
5. Conclusions
Author Contributions
Funding
Conflicts of Interest
References
- Burress, T.A.; Campbell, S.L.; Coomer, C.L.; Ayers, C.W.; Wereszczak, A.A.; Cunningham, J.P.; Marlino, L.D.; Seiber, L.E.; Lin, H.T. Evaluation of the 2010 toyota prius hybrid synergy drive system. Power Electronics and Electric Machinery Research Facility; Technical Report ORNL/TM2010/253; Oak Ridge National Laboratory (ORNL): Oak Ridge, TN, USA, 2011. [Google Scholar]
- Zhang, X.; Peng, H.; Wang, H.; Ouyang, M. Hybrid lithium iron phosphate battery and lithium titanate battery systems for electric buses. IEEE Trans. Veh. Technol. 2018, 67, 956–965. [Google Scholar] [CrossRef]
- Lanzarotto, D.; Marchesoni, M.; Passalacqua, M.; Prato, A.P.; Repetto, M. Overview of different hybrid vehicle architectures. IFAC-PapersOnLine 2018, 51, 218–222. [Google Scholar] [CrossRef]
- Sinkaram, C.; Asirvadam, V.S.; Nor, N.B.M. Capacity study of lithium ion battery for hybrid electrical vehicle (HEV) a simulation approach. In Proceedings of the 2013 IEEE International Conference on Signal and Image Processing Applications, Melaka, Malaysia, 8–10 October 2013; pp. 112–116. [Google Scholar]
- Xiong, R.; He, H.; Sun, F.; Zhao, K. Online estimation of peak power capability of li-ion batteries in electric vehicles by a hardware-in-loop approach. Energies 2012, 5, 1455–1469. [Google Scholar] [CrossRef]
- Bonfiglio, A.; Lanzarotto, D.; Marchesoni, M.; Passalacqua, M.; Procopio, R.; Repetto, M. Electrical-loss analysis of power-split hybrid electric vehicles. Energies 2017, 10, 2142. [Google Scholar] [CrossRef]
- Camara, M.B.; Gualous, H.; Gustin, F.; Berthon, A.; Dakyo, B. Dc/dc converter design for supercapacitor and battery power management in hybrid vehicle applications—polynomial control strategy. IEEE Trans. Ind. Electron. 2010, 57, 587–597. [Google Scholar] [CrossRef]
- Golchoubian, P.; Azad, N.L. Real-time nonlinear model predictive control of a battery–supercapacitor hybrid energy storage system in electric vehicles. IEEE Trans. Veh. Technol. 2017, 66, 9678–9688. [Google Scholar] [CrossRef]
- Liu, S.; Peng, J.; Li, L.; Gong, X.; Lu, H. A mpc based energy management strategy for battery-supercapacitor combined energy storage system of HEV. In Proceedings of the 2016 35th Chinese Control Conference (CCC), Chengdu, China, 27–29 July 2016; pp. 8727–8731. [Google Scholar]
- Cao, J.; Emadi, A. A new battery/ultracapacitor hybrid energy storage system for electric, hybrid, and plug-in hybrid electric vehicles. IEEE Trans. Power Electronics 2012, 27, 122–132. [Google Scholar]
- Sampietro, J.L.; Puig, V.; Costa-Castelló, R. Optimal sizing of storage elements for a vehicle based on fuel cells, supercapacitors, and batteries. Energies 2019, 12, 925. [Google Scholar] [CrossRef]
- Cheng, L.; Wang, W.; Wei, S.; Lin, H.; Jia, Z. An improved energy management strategy for hybrid energy storage system in light rail vehicles. Energies 2018, 11, 423. [Google Scholar] [CrossRef]
- Zhang, C.; Min, H.; Yu, Y.; Wang, D.; Luke, J.; Opila, D.; Saxena, S. Using cpe function to size capacitor storage for electric vehicles and quantifying battery degradation during different driving cycles. Energies 2016, 9, 903. [Google Scholar] [CrossRef]
- Zhang, Q.; Deng, W. An adaptive energy management system for electric vehicles based on driving cycle identification and wavelet transform. Energies 2016, 9, 341. [Google Scholar] [CrossRef]
- Odeim, F.; Roes, J.; Heinzel, A. Power management optimization of an experimental fuel cell/battery/supercapacitor hybrid system. Energies 2015, 8, 6302–6327. [Google Scholar] [CrossRef]
- Marchesoni, M.; Savio, S. Reliability analysis of a fuel cell electric city car. In Proceedings of the 2005 European Conference on Power Electronics and Applications, Dresden, Germany, 11–14 September 2005; p. 10. [Google Scholar]
- Passalacqua, M.; Lanzarotto, D.; Repetto, M.; Marchesoni, M. Advantages of using supercapacitors and silicon carbide on hybrid vehicle series architecture. Energies 2017, 10, 920. [Google Scholar] [CrossRef]
- Zhao, Y.; Yao, J.; Zhong, Z.m.; Sun, Z.c. The research of powertrain for supercapacitor-based series hybrid bus. In Proceedings of the 2008 IEEE Vehicle Power and Propulsion Conference, Harbin, China, 3–5 September 2008; pp. 1–4. [Google Scholar]
- Wu, W.; Partridge, J.; Bucknall, R. Development and evaluation of a degree of hybridisation identification strategy for a fuel cell supercapacitor hybrid bus. Energies 2019, 12, 142. [Google Scholar] [CrossRef]
- Passalacqua, M.; Lanzarotto, D.; Repetto, M.; Vaccaro, L.; Bonfiglio, A.; Marchesoni, M. Fuel economy and ems for a series hybrid vehicle based on supercapacitor storage. IEEE Trans. Power Electron. 2019, 34, 9966–9977. [Google Scholar] [CrossRef]
- Moreno, J.; Ortúzar, M.E.; Dixon, J.W. Energy-management system for a hybrid electric vehicle, using ultracapacitors and neural networks. IEEE Trans. Ind. Electron. 2006, 53, 614–623. [Google Scholar] [CrossRef]
- Passalacqua, M.; Carpita, M.; Gavin, S.; Marchesoni, M.; Repetto, M.; Vaccaro, L.; Wasterlain, S. Supercapacitor storage sizing analysis for a series hybrid vehicle. Energies 2019, 12, 1759. [Google Scholar] [CrossRef]
- Partridge, J.; Abouelamaimen, D.I. The role of supercapacitors in regenerative braking systems. Energies 2019, 12, 2683. [Google Scholar] [CrossRef]
- Thounthong, P.; Chunkag, V.; Sethakul, P.; Davat, B.; Hinaje, M. Comparative study of fuel-cell vehicle hybridization with battery or supercapacitor storage device. IEEE Trans. Veh. Technol. 2009, 58, 3892–3904. [Google Scholar] [CrossRef]
- Fadil, H.E.; Giri, F.; Guerrero, J.M.; Tahri, A. Modeling and nonlinear control of a fuel cell/supercapacitor hybrid energy storage system for electric vehicles. IEEE Trans. Veh. Technol. 2014, 63, 3011–3018. [Google Scholar] [CrossRef]
- Passalacqua, M.; Lanzarotto, D.; Repetto, M.; Marchesoni, M. Conceptual design upgrade on hybrid pow ertrains resulting from electric improv ements. Int. J. Transp. Dev. Integr. 2018, 2, 146–154. [Google Scholar] [CrossRef]
- Zhang, R.; Tao, J.; Zhou, H. Fuzzy optimal energy management for fuel cell and supercapacitor systems using neural network based driving pattern recognition. IEEE Trans. Fuzzy Syst. 2019, 27, 45–57. [Google Scholar] [CrossRef]
- Lanzarotto, D.; Passalacqua, M.; Repetto, M. Energy comparison between different parallel hybrid vehicles architectures. Int. J. Energy Prod. Manag. 2017, 2, 370–380. [Google Scholar] [CrossRef][Green Version]
- Lukic, S.M.; Wirasingha, S.G.; Rodriguez, F.; Cao, J.; Emadi, A. Power management of an ultracapacitor/battery hybrid energy storage system in an HEV. In Proceedings of the 2006 IEEE Vehicle Power and Propulsion Conference, Windsor, UK, 6–8 September 2006; pp. 1–6. [Google Scholar]
- Onar, O.C.; Khaligh, A. A novel integrated magnetic structure based dc/dc converter for hybrid battery/ultracapacitor energy storage systems. IEEE Trans. Smart Grid 2012, 3, 296–307. [Google Scholar] [CrossRef]
- Shen, J.; Khaligh, A. A supervisory energy management control strategy in a battery/ultracapacitor hybrid energy storage system. IEEE Trans. Transp. Electrif. 2015, 1, 223–231. [Google Scholar] [CrossRef]
- Marchesoni, M.; Vacca, C. New dc–dc converter for energy storage system interfacing in fuel cell hybrid electric vehicles. IEEE Trans. Power Electron. 2007, 22, 301–308. [Google Scholar] [CrossRef]
- Carpaneto, M.; Ferrando, G.; Marchesoni, M.; Vacca, C. The average switch model of a new double-input dc/dc boost converter for hybrid fuel-cell vehicles. In Proceedings of the IEEE International Symposium on Industrial Electronics(ISIE 2005), Dubrovnik, Croatia, 20–23 June 2005; pp. 601–607. [Google Scholar]
- Carpaneto, M.; Ferrando, G.; Marchesoni, M.; Savio, S. A new conversion system for the interface of generating and storage devices in hybrid fuel-cell vehicles. In Proceedings of the IEEE International Symposium on Industrial Electronics (ISIE 2005), Dubrovnik, Croatia, 20–23 June 2005; pp. 1477–1482. [Google Scholar]
- Barabino, G.; Carpaneto, M.; Comacchio, L.; Marchesoni, M.; Novella, G. A new energy storage and conversion system for boat propulsion in protected marine areas. In Proceedings of the 2009 International Conference on Clean Electrical Power, Capri, Italy, 9–11 June 2009; pp. 363–369. [Google Scholar]
- Chen, G.; Jin, Z.; Deng, Y.; He, X.; Qing, X. Principle and topology synthesis of integrated single-input dual-output and dual-input single-output dc–dc converters. IEEE Trans. Ind. Electron. 2018, 65, 3815–3825. [Google Scholar] [CrossRef]
- Wai, R.; Lin, C.; Chen, B. High-efficiency dc–dc converter with two input power sources. IEEE Trans. Power Electron. 2012, 27, 1862–1875. [Google Scholar] [CrossRef]
- Liu, Y.; Chen, Y. A systematic approach to synthesizing multi-input dc–dc converters. IEEE Trans. Power Electron. 2009, 24, 116–127. [Google Scholar] [CrossRef]
- Ganjavi, A.; Ghoreishy, H.; Ahmad, A.A. A novel single-input dual-output three-level dc–dc converter. IEEE Trans. Ind. Electron. 2018, 65, 8101–8111. [Google Scholar] [CrossRef]
- Semikron. Available online: https://www.semikron.com (accessed on 31 December 2019).















| Parameter | Value |
|---|---|
| E1 | 100 V |
| L1 | 200 µH |
| R1 | 20 mΩ |
| E2 | 50 V |
| L2 | 100 µH |
| R2 | 10 mΩ |
| Cout | 10 mF |
| Vout | 400 V |
| fsw | 10 kHz |
| Parameter | Value |
|---|---|
| IGBTs | SKM400GA124D |
| E1 | 12 V |
| L1 | 330 µH |
| E2 | 22 V |
| L2 | 950 µH |
| Cout | 10 mF |
| Vout | 100 V |
| fsw | 10 kHz |
| Test | Efficiency via Simulation | Efficiency via Experimental Test |
|---|---|---|
| 1 | ||
| 2 | ||
| 3 |
| Test | I 1 (V1) | I 2 (V2) | I out (Vout) | Simulation Losses (of which for Conduction) | η Simulation | η Experimental |
|---|---|---|---|---|---|---|
| 1 | 6 A (12 V) | 0.5 A (22 V) | 0.6 A (100 V) | 21.5 W (1.2 W) | 74% | 72% |
| 2 | 14 A (12 V) | −2 A (22 V) | 0.6 A (100 V) | 70 W (9 W) | 60% | 62% |
| 3 | −2 A (12 V) | 5 A (22 V) | 0.6 A (100 V) | 27.6 W (1.5 W) | 75% | 76% |
© 2020 by the authors. Licensee MDPI, Basel, Switzerland. This article is an open access article distributed under the terms and conditions of the Creative Commons Attribution (CC BY) license (http://creativecommons.org/licenses/by/4.0/).
Share and Cite
Marchesoni, M.; Passalacqua, M.; Vaccaro, L. A Refined Loss Evaluation of a Three-Switch Double Input DC-DC Converter for Hybrid Vehicle Applications. Energies 2020, 13, 204. https://doi.org/10.3390/en13010204
Marchesoni M, Passalacqua M, Vaccaro L. A Refined Loss Evaluation of a Three-Switch Double Input DC-DC Converter for Hybrid Vehicle Applications. Energies. 2020; 13(1):204. https://doi.org/10.3390/en13010204
Chicago/Turabian StyleMarchesoni, Mario, Massimiliano Passalacqua, and Luis Vaccaro. 2020. "A Refined Loss Evaluation of a Three-Switch Double Input DC-DC Converter for Hybrid Vehicle Applications" Energies 13, no. 1: 204. https://doi.org/10.3390/en13010204
APA StyleMarchesoni, M., Passalacqua, M., & Vaccaro, L. (2020). A Refined Loss Evaluation of a Three-Switch Double Input DC-DC Converter for Hybrid Vehicle Applications. Energies, 13(1), 204. https://doi.org/10.3390/en13010204

