Analysis and Design of Coupled Inductor for Interleaved Buck-Type Voltage Balancer in Bipolar DC Microgrid
Abstract
1. Introduction
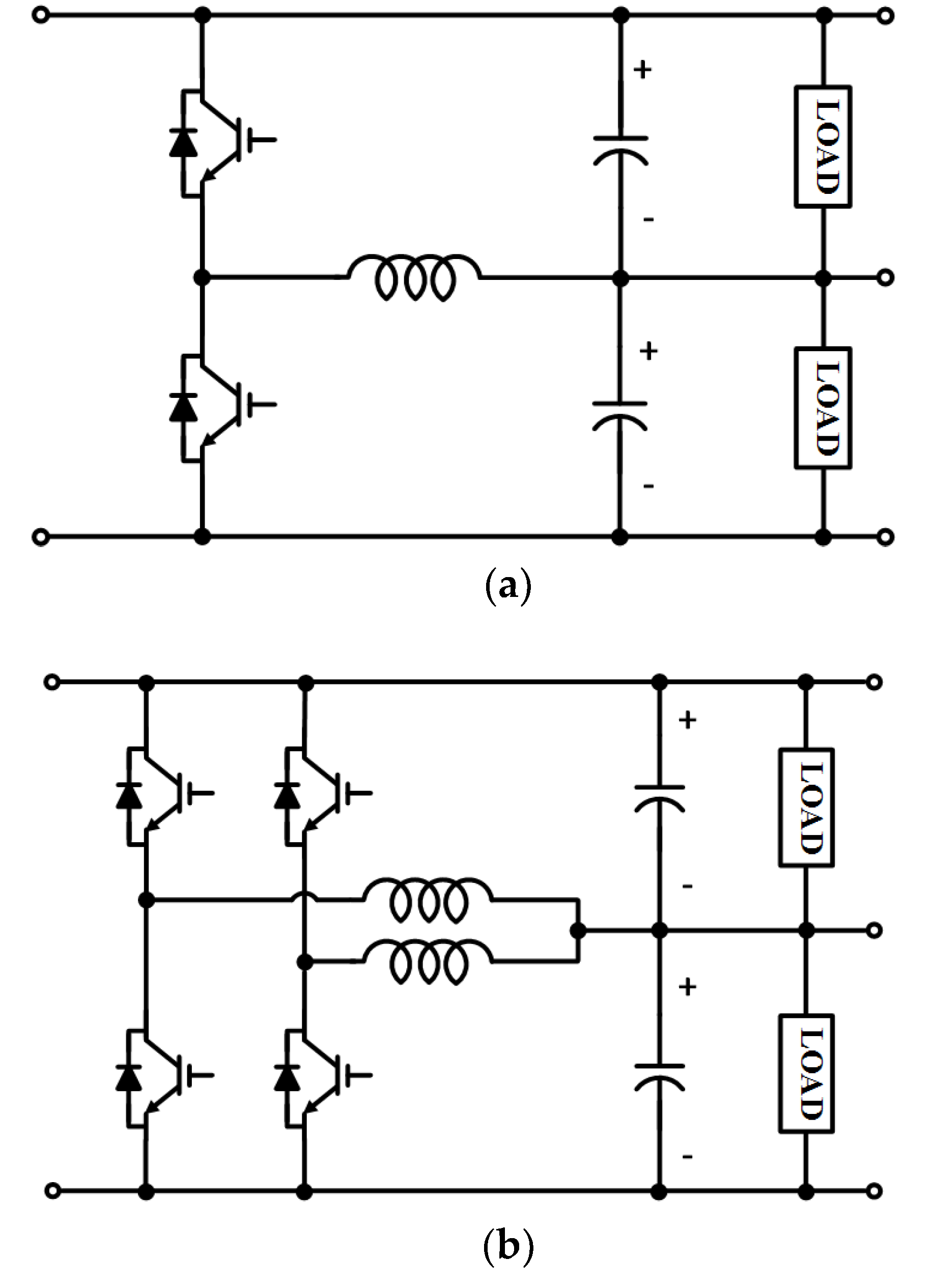
2. Proposed Interleaved Buck-Type VB with Two-Phase CI
- (1)
- The CI is modeled as an ideal transformer, which has a turns ratio of 1:1, magnetizing inductor, and leakage inductor. The winding resistance is neglected.
- (2)
- The proposed VB is operated only under continuous conduction mode (CCM), and the corresponding values of each air gap area, cross section, and air gap length in the two-phase CI have similar values.
- (3)
- The equations can be applied respectively to the primary and secondary windings of the CI. In this paper, the following equations are derived for the primary winding.
3. Switching Operation
3.1. Analysis of Switching Mode under Unbalanced Load Condition
- Mode 1Switch SW1 and SW4 are turned on, and the current ILp that flows through the leakage inductor (Lp) increases. Conversely, when SW2 and SW4 are turned off, the current ILs that flows through the leakage inductor Ls decreases. In Mode 1, the duty of each switching pole is restricted by half of duty.
- Mode 2This operating mode is similar to that in Mode 1, where the switching pattern of Mode 2 is contrary to Mode 1. SW2 and SW3 are turned on and ILs that flows through Ls increases, whereas ILp decreases.
- Mode 3In mode 3, the currents ILp and ILs begin to increase due to increased load variation when SW1 and SW2 are turned on. Vin stores energy through Lp and Ls, and inductive current rises linearly. In summary, this mode shows up through duty variation between mode 1 and mode 2.
- Mode 4In mode 4, the currents ILp and ILs begin to decrease due to decreased load variation. Contrary to Mode 3, SW1 and SW3 are turned off. Conversely, SW2 and SW4 are turned on.
3.2. Analysis of Swtiching Patterns Under Transient State
4. Simulation Results
4.1. Comparison of Inductance and Dynamic Response of CI
4.2. Performance Characteristic under Load Variation
5. Experiment Results
6. Conclusions
Author Contributions
Funding
Acknowledgments
Conflicts of Interest
References
- Kwasinski, A.; Onwuchekwa, C.N. Dynamic behavior and stabilization of dc microgrids with instantaneous Constant-Power loads. IEEE Trans. Power Electron. 2010, 26, 822–834. [Google Scholar] [CrossRef]
- Mohammadi, J.; Ajaei, F.B.; Stevens, G. Grounding the DC microgrid. IEEE Trans. Ind. Appl. 2019, 55, 4490–4499. [Google Scholar] [CrossRef]
- Kumar, D.; Zare, F.; Ghosh, A. DC microgrid technology: System architectures, AC grid interfaces, grounding schemes, power quality, communication networks, applications, and standardizations aspects. IEEE Access 2017, 5, 12230–12256. [Google Scholar] [CrossRef]
- Anand, S.; Fernandes, B.G.; Guerrero, J.M. Distributed control to ensure proportional load sharing and improve voltage regulation in Low-Voltage DC microgrids. IEEE Trans. Power Electron. 2012, 28, 1900–1913. [Google Scholar] [CrossRef]
- Che, L.; Shahidehpour, M.; AlAbdulwahab, A.; Al-Turki, Y. Hierarchical coordination of a community microgrid with ac and dc microgrids. IEEE Trans. Smart Grid 2015, 6, 3042–3051. [Google Scholar] [CrossRef]
- Roldán-Porta, C.; Roldán-Blay, C.; Escrivá-Escrivá, G.; Quiles, E. Improving the sustainability of Self-Consumption with cooperative DC microgrids. Sustainablity 2019, 11, 5472. [Google Scholar] [CrossRef]
- Han, Y.; Ning, X.; Yang, P.; Xu, L. Review of power sharing, voltage restoration and stabilization techniques in hierarchical controlled DC microgrids. IEEE Access 2019, 7, 149202–149223. [Google Scholar] [CrossRef]
- Liu, S.; Li, Z.; Liu, W.; Liu, X. Multi-Level bus voltage compensation of droop control with enhanced Load-Sharing capability for DC microgrid. J. Eng. 2019, 2019, 3056–3061. [Google Scholar] [CrossRef]
- Gao, F.; Bozhko, S.; Asher, G.; Wheeler, P.; Patel, C. An improved voltage compensation approach in a Droop-Controlled DC power system for the more electric aircraft. IEEE Trans. Power Electron. 2015, 31, 7369–7383. [Google Scholar] [CrossRef]
- Loh, P.C.; Li, D.; Chai, Y.K.; Blaabjerg, F. Autonomous control of interlinking converter with energy storage in hybrid AC–DC microgrid. IEEE Trans. Ind. Appl. 2013, 49, 1374–1382. [Google Scholar] [CrossRef]
- Wang, F.; Lei, Z.; Xu, X.; Shu, X. Topology deduction and analysis of voltage balancers for DC Micro-Grid. IEEE J. Emerg. Sel. Top. Power Electron. 2016, 5, 672–680. [Google Scholar] [CrossRef]
- Tavakoli, S.D.; Sheshyekani, K.; Khajesalehi, J.; Hamzeh, M. Decentralised voltage balancing in bipolar dc microgrids equipped with Trans-Z-Source Interlinking converter. IET Renew. Power Gener. 2016, 10, 703–712s. [Google Scholar] [CrossRef]
- Han, B. A Half-Bridge voltage balancer with new controller for bipolar dc distribution systems. Energies 2016, 9, 182. [Google Scholar] [CrossRef]
- Wai, R.; Liaw, J. High-Efficiency Coupled-Inductor-Based Step-Down converter. IEEE Trans. Power Electron. 2016, 31, 4265–4279. [Google Scholar] [CrossRef]
- Wu, H.; Lu, J.; Shi, W.; Xing, Y. Nonisolated bidirectional DC–DC Converters with Negative-Coupled inductor. IEEE Trans. Power Electron. 2011, 27, 2231–2235. [Google Scholar] [CrossRef]
- Yang, F.; Ruan, X.; Yang, Y.; Ye, Z. Interleaved critical current mode boost PFC Converter with coupled inductor. IEEE Trans. Power Electron. 2011, 26, 2404–2413. [Google Scholar] [CrossRef]
- Tavakoli, S.D.; Zhang, P.; Lu, X.; Hamzeh, M. mutual interactions and stability analysis of bipolar DC microgrids. CSEE J. Power Energy Syst. 2019, 5, 444–453. [Google Scholar]
- Zhu, G.; McDonald, B.A.; Wang, K. Modeling and analysis of coupled inductors in power converters. IEEE Trans. Power Electron. 2010, 26, 1355–1363. [Google Scholar] [CrossRef]













| Parameter | Value |
|---|---|
| Vin | 760 V |
| Reference voltage Vout_P and Vout_N | 380 V |
| Initial value of R1 and R2 | 20 Ω |
| Parameter | Value |
|---|---|
| k | 0.9 |
| L | 1.25 mH |
| Lm | 1.125 mH |
| LLk_p and LLk_s | 125 µH |
| Switching frequency | 20 kHz |
| Parameter | Description |
|---|---|
| Load variation of R2 | 20 Ω ↔ 10 Ω |
| 0 ~ 0.49 s | Balanced load |
| 0.5 ~ 0.69 s | Unbalanced load (increased load) |
| 0.7 ~ 1 s | Unbalanced load (decreased load) |
| Parameter | Value |
|---|---|
| Vin | 380 V |
| Reference voltage Vout_P and Vout_N | 190 V |
| Rated power | 1.6 kW |
| Initial value of R1 and R2 | 62.7 Ω and 62.1 Ω |
| Load variation of R2 | 62.1 Ω ↔ 36.8 Ω |
| Parameter | Value |
|---|---|
| k | 0.95 |
| Lm | 644 µH |
| LLk_p and LLk_s | 68 µH |
| Switching frequency | 20 kHz |
| Core size | EE 7066 |
© 2020 by the authors. Licensee MDPI, Basel, Switzerland. This article is an open access article distributed under the terms and conditions of the Creative Commons Attribution (CC BY) license (http://creativecommons.org/licenses/by/4.0/).
Share and Cite
Park, J.-m.; Byun, H.-j.; Kim, B.-j.; Kim, S.-h.; Won, C.-y. Analysis and Design of Coupled Inductor for Interleaved Buck-Type Voltage Balancer in Bipolar DC Microgrid. Energies 2020, 13, 2775. https://doi.org/10.3390/en13112775
Park J-m, Byun H-j, Kim B-j, Kim S-h, Won C-y. Analysis and Design of Coupled Inductor for Interleaved Buck-Type Voltage Balancer in Bipolar DC Microgrid. Energies. 2020; 13(11):2775. https://doi.org/10.3390/en13112775
Chicago/Turabian StylePark, Jung-min, Hyung-jun Byun, Bum-jun Kim, Sung-hun Kim, and Chung-yuen Won. 2020. "Analysis and Design of Coupled Inductor for Interleaved Buck-Type Voltage Balancer in Bipolar DC Microgrid" Energies 13, no. 11: 2775. https://doi.org/10.3390/en13112775
APA StylePark, J.-m., Byun, H.-j., Kim, B.-j., Kim, S.-h., & Won, C.-y. (2020). Analysis and Design of Coupled Inductor for Interleaved Buck-Type Voltage Balancer in Bipolar DC Microgrid. Energies, 13(11), 2775. https://doi.org/10.3390/en13112775
