Research on Safety Technology for High-Speed Interruption for Mining Flameproof Movable Substation
Abstract
:1. Introduction
2. Background
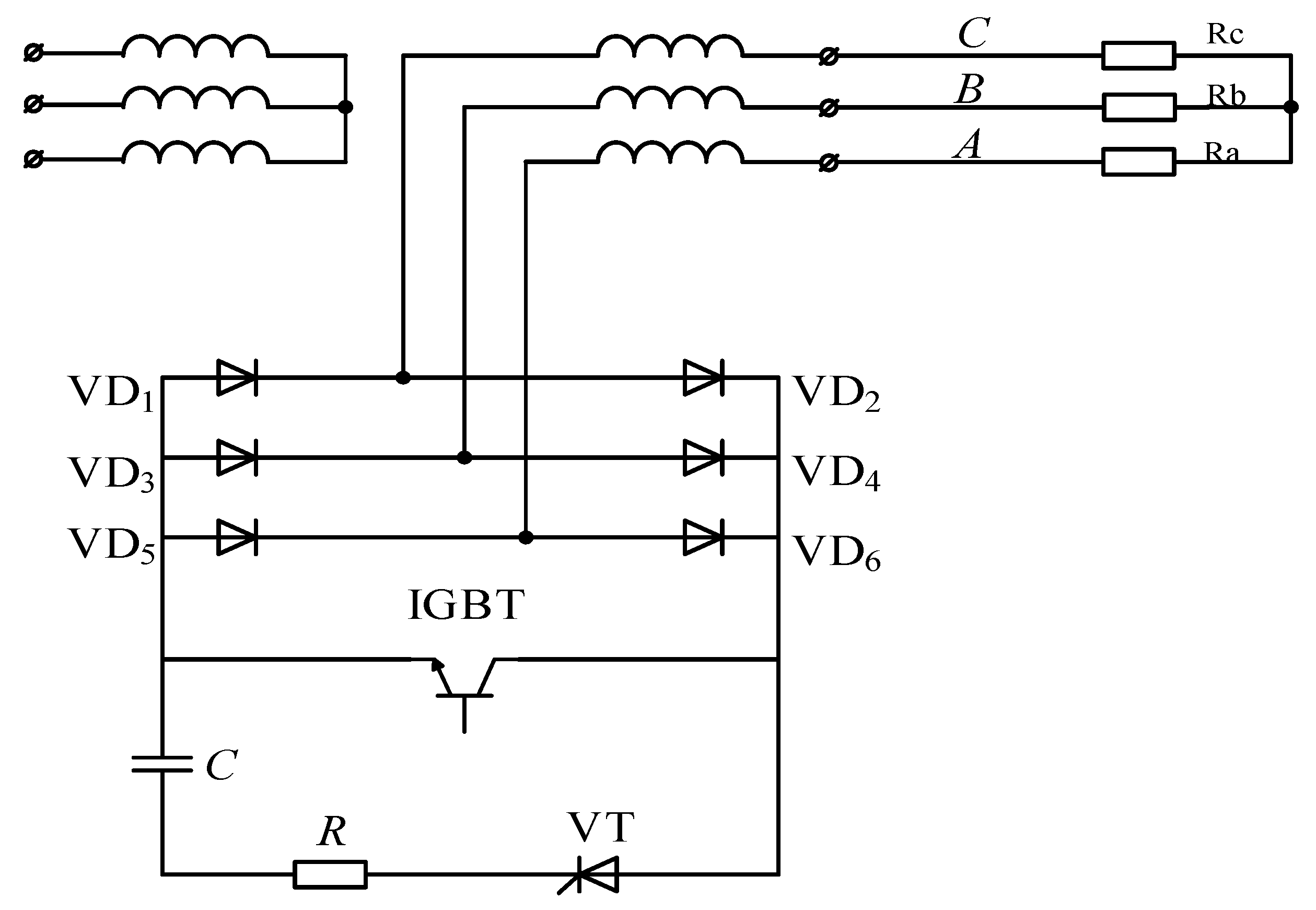
2.1. Solid-State Circuit Breaker-Neutral (SSCB-N)
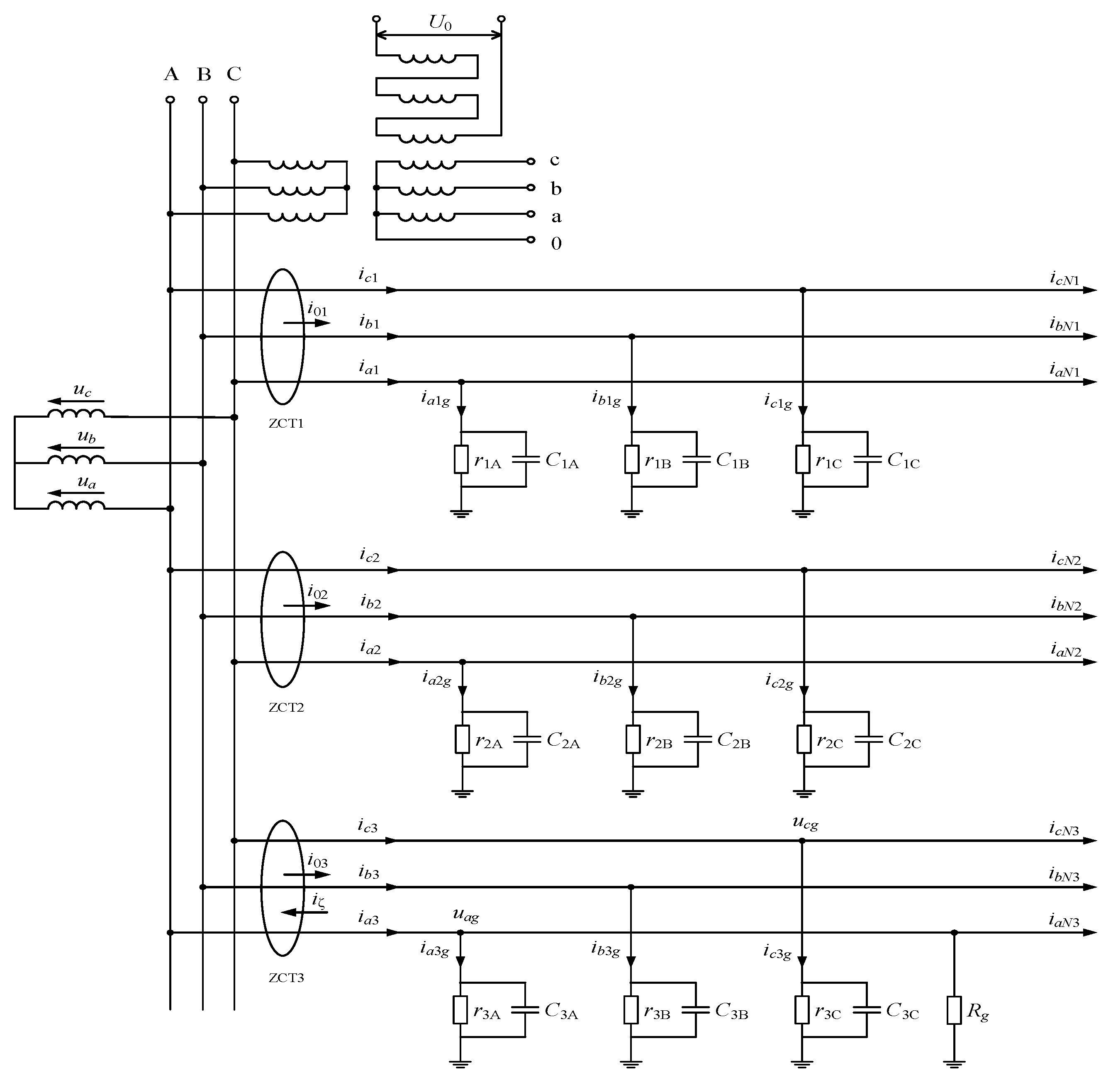
2.2. Ultra-High-Speed Single-Phase Earth Leakage Protection
2.3. Ultra-High-Speed Short-Circuit Protection
2.3.1. Rate of Change of the Short-Circuit Current
- is the periodic component amplitude of the short-circuit current, , A.
- is the impedance of the short-circuit branch, .
- is the amplitude of the load current before short-circuit occurrence, A.
- is the impedance angle of the loop of the short-circuit, , rad.
- is the initial phase angle of the voltage at the time of short-circuit occurrence, rad.
- is the time constant of short-circuit loop, , s.
2.3.2. Rate of Change of the Motor Starting Current
- is the peak value of motor starting current, A.
- is the initial phase angle of phase voltage, rad.
- is the impedance angle of starting loop, rad.
- is the time constant of starting loop, , s.
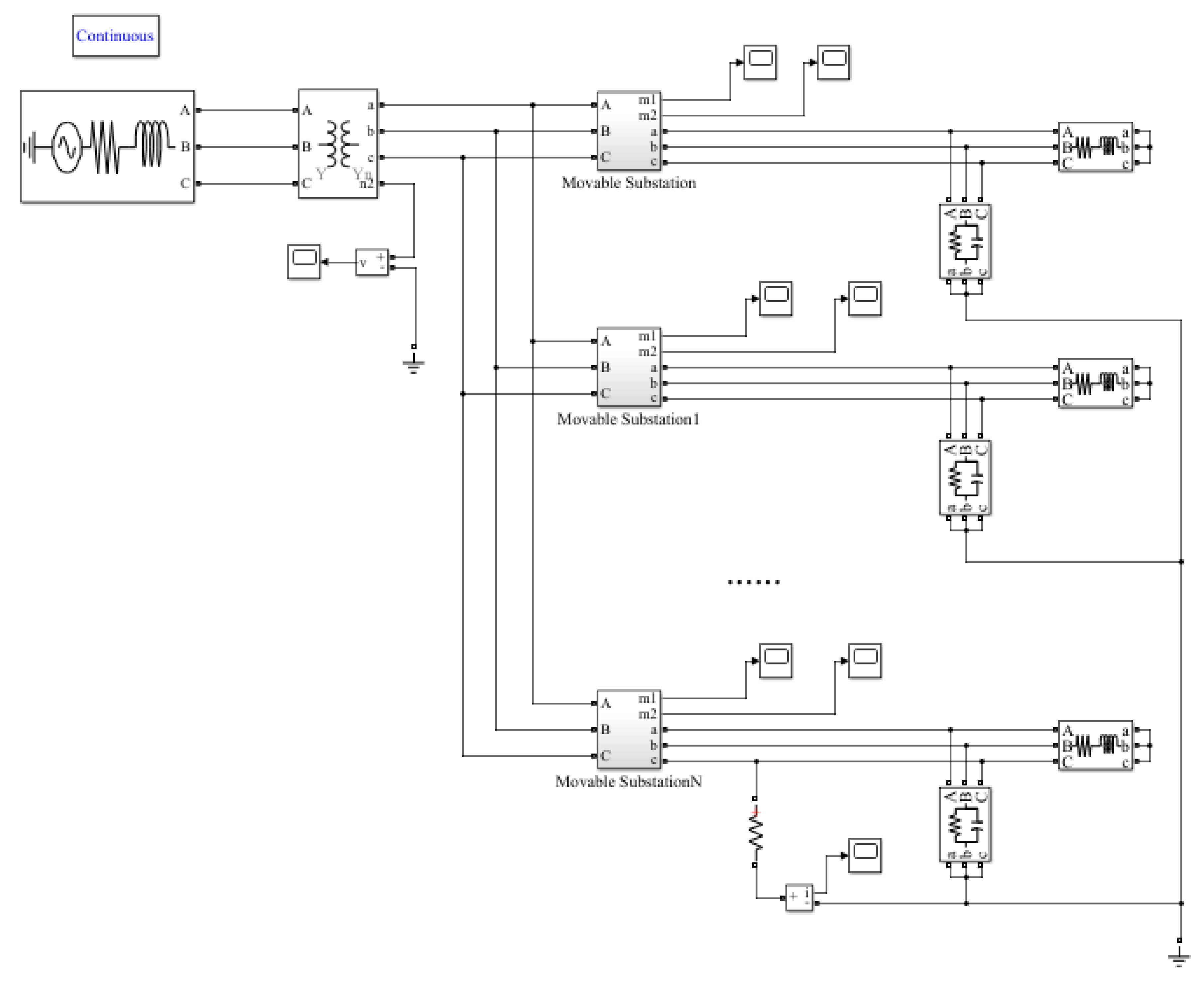
3. The Verification the Algorithm
3.1. Ultra-High-Speed Earth Leakage Protection
3.2. Ultra-High-Speed Short-Circuit Protection
4. Experiments
5. Discussion of Results
Author Contributions
Funding
Conflicts of Interest
References
- Wang, Y.; Gao, Y. Coal Power Technology; China University of Mining and Technology: Xuzhou, China, 2013. [Google Scholar]
- Tang, Y. Mine Electrical Engineering; China University of Mining and Technology: Beijing, China, 2011. [Google Scholar]
- Wang, Y. Ultra-High-Speed Interruption Safety Technology; Coal Industry Press: Beijing, China, 1996. [Google Scholar]
- Gao, S. Research on the Safe Technology of Rapid Broken-Circuit Protection for 127V Power Pupply System of Mine. Coal Technol. 2001, 20, 14–15. [Google Scholar]
- Ji, L.; Liu, Y.; Chen, D.; Wang, J.; Su, L.; Zhou, X. Status Analysis and Research Progress of the Air-Blast Arc Extinguishing of Low Voltage Circuit Breaker. Smart Grid 2016, 4, 152–156. [Google Scholar]
- Liu, Y. Three Coal Mine Power Supply Protection; Coal Industry Press: Beijing, China, 1999. [Google Scholar]
- HU, T. Mine Grid Leakage Protection; Coal Industry Press: Beijing, China, 1987. [Google Scholar]
- Zou, Y.; Zang, G.; Liu, S. Industrial and Mining Enterprises Leakage Protection Technology; Coal Industry Press: Beijing, China, 2004. [Google Scholar]
- Wang, Y.; Yang, J.; Wang, Y. Application of Solid-State Circuit Breaker in Coal Mine Low -pressure System. Mine Saf. 2012, 43, 110–113. [Google Scholar]
- Zhang, Y. Analysis of Measuring Methods of Grounding Insulation Resistant and Distributed Capacitance of Underground Low-voltage Power Grid. Ind. Mine Autom. 2011, 37, 93–95. [Google Scholar]
- Mou, L.; Meng, Q.; Liu, J. Research on Communication-capable Ground-fault Protection System with Intelligence and Selectivity. J. Electr. Technol. 2003, 18, 82–86. [Google Scholar]
- Wang, Y.W.; Liu, W.J.; Gao, Y.; Wang, N.B.; Qiu, Y.J. New Selective Earth Leakage Protection Scheme Based on Zero-Sequence Current Amplitude and Phase Comparison. J. China Coal Soc. 2010, 35, 515–519. [Google Scholar]
- Wang, Y.W.; Wang, N.B.; Yang, X.Q.; Xing, Q. Selective Leakage Protective System Based on Zero Sequence Power Direction Colliery. Mech. Electr. Technol. 2006, 1, 24–26, 30. [Google Scholar]
- Zhang, C.; Ke, X. Actuality and Development Trend of Leakage Protection for Low-Voltage Mine Electric Network. Colliery Mech. Electr. Technol. 2005, 5, 73–77. [Google Scholar]
- Chen, K.; Chen, S.; Tang, Y. Research on Ground-Fault Protection System for Underground Distribution Networks. Electr. Eng. 2004, 11, 61–64. [Google Scholar]
- Zhao, M. Research of Short Circuit Protection Technology Based on Current Variance Quantity. Power Syst. Technol. 2008, 32, 105–108. [Google Scholar]
- Pang, Y.; Ji, Z. Research of Short Circuit Detecting & Protection Technology Based on Current Variance Ratio. Mine Saf. 2008, 9, 17–20. [Google Scholar]
- HDSP-SUPER2812[ER/OL]. (4 July 2013). Available online: http://www.hellodsp.com/?p=343 (accessed on 10 November 2019).
- Shao, Y. Principles of Relay Protection, 2nd.ed; China Electric Power Press: Beijing, China, 2015. [Google Scholar]
- He, J. The Power System Relay Protection; China Electric Power Press: Beijing, China, 2001. [Google Scholar]
- Wang, L.; Xie, J. Ground Line of the Small Current System by the Rate Change of the Zero Sequence Current Calculating by Simulation. J. Shanghai Univ. Electr. Power 2012, 28, 427–430. [Google Scholar]
- Xue, Y.; Fen, Z.; Xu, B. Earth Fault Protection in Non-Solidly Earthed Network based on Transient Zero Sequence Current Comparison. Autom. Electr. Power Syst. 2003, 27, 48–53. [Google Scholar]
- Chen, K.; Tang, Y. Single-Phase-To-Ground Fault Protection for Indirect Grounding Power System. High Volt. Eng. 2007, 33, 180–184. [Google Scholar]
- Sang, Z.; Pan, Z.; Li, L. A New Approach of Fault Line Identification, Fault Distance Measurement and Fault Location for Single Phase-To-Ground Fault in Small Current Neutral Grounding System. Power Syst. Technol. 1997, 21, 50–52. [Google Scholar]
- Chen, L.; Chen, Q. A Survey on Faulty Line Selection Technology for Single-Phase Grounded Transmission Line in Small Current Neutral Grounded System. Power Syst. Technol. 2009, 18, 219–224. [Google Scholar]
- Liu, J. Analysis and Solutions About Short-Circuit Protection’s Failure of the 127-volt Signal Lighting Integrated under the Coal Mine. J. Beijing Polytech. Coll. 2012, 3, 23–26. [Google Scholar]
- Zhang, L.; Zhang, B.; Yu, H.; Du, L. Research and Development Setting System of Shout Circuit Protection of Mine Low Voltage Network. Technol. Innov. Product. 2013, 1, 70–72. [Google Scholar]
- Chen, K.; Zhang, L.; Sun, C. A New Technology of HV Flameproof Switchgear Comprehensive Protection in Coal Mine. Power Syst. Prot. Control 2009, 37, 137–141. [Google Scholar]
- Chang, X.; Wang, X.; Fang, X. Fundamental Current Instantaneous Value Detection and Synchronized Current Phasor Measurement Method. Power Syst. Prot. Control 2013, 41, 60–66. [Google Scholar]
- Chen, J. A Method of Calculating Electric Capacity Based on Instantaneous Voltage and Instantaneous Current of Two Points. J. Electr. Power 2002, 17, 168–170, 183. [Google Scholar]
- Yang, C. Study on Adaptive Action Criterion of Current Differential Protection Based on Instantaneous Values. Guangdong Electr. Power 2006, 19, 8–13. [Google Scholar]
- Ma, X.; Li, L.; Li, Z.; Han, P. Improvement and Research on the Setting Calculation Method of Overcurret Protection of the Underground High-Voltage Distribution Network of Coal Mine. Power Syst. Prot. Control 2014, 42, 90–95. [Google Scholar]
- The Technical Specification of Setting for Controlling and Protection in HVDC System; State Grid Corporation of China: Beijing, China, 2012; TF; Power Industry Stand of The People’s Republic China: DL/T 277-2012.















| Branch Number | Condition | Actual Settings | Calculated Parameters | |||||||||
|---|---|---|---|---|---|---|---|---|---|---|---|---|
| R | C | t = 1.4–1.43 | t = 1.44–1.47 | t = 1.48–1.51 | … | t = 1.96–1.99 | ||||||
| … | ||||||||||||
| 1 | normal | 10,000 | 0.001 | 1522 | 0.0010 | 991.8 | 0.0011 | 2933.7 | 0.0010 | … | 3316 | 0.001 |
| 2 | normal | 1000 | 0.15 | 17.7 | 0.155 | 9.15 | 0.16 | 109.5 | 0.150 | … | 309 | 0.150 |
| 3 | normal | 100 | 0.3 | 7.29 | 0.31 | 4.32 | 0.32 | 23.7 | 0.30 | … | 32.8 | 0.30 |
| 4 | normal | 35 | 0.5 | 3.78 | 0.52 | 2.27 | 0.53 | 9.42 | 0.50 | … | 11.6 | 0.50 |
| 5 | fault | 100 | 0.1 | −2.18 | −98.3 | −1.26 | −1.01 | −6.33 | −95.3 | … | −8.30 | −95.1 |
| Branch Number | Condition | Actual Settings | Calculated Parameters | |||||||||
|---|---|---|---|---|---|---|---|---|---|---|---|---|
| R | C | t = 1.4–1.43 | t = 1.44–1.47 | t = 1.48–1.51 | … | t = 1.96–1.99 | ||||||
| … | ||||||||||||
| 1 | normal | 10,000 | 0.001 | 3387.3 | 0.00102 | 3383.9 | 0.00103 | 3194.3 | 0.00102 | … | 2943.1 | 0.00102 |
| 2 | normal | 1000 | 0.15 | 438.00 | 0.152 | 429.65 | 0.152 | 201.64 | 0.153 | … | 111.51 | 0.153 |
| 3 | normal | 100 | 0.3 | 35.00 | 0.305 | 34.9 | 0.3 | 29.48 | 0.306 | … | 23.85 | 0.305 |
| 4 | normal | 35 | 0.5 | 12.00 | 0.508 | 11.98 | 0.51 | 10.84 | 0.511 | … | 9.47 | 0.509 |
| 5 | fault | 100 | 0.1 | −8.74 | −0.97 | −8.71 | −0.97 | −7.61 | −0.97 | … | −6.38 | −0.97 |
| Branch Number | Condition | Actual Settings | Calculated Parameters | |||||||||
|---|---|---|---|---|---|---|---|---|---|---|---|---|
| R | C | t = 1.4–1.43 | t = 1.44–1.47 | t = 1.48–1.51 | … | t = 1.96–1.99 | ||||||
| … | ||||||||||||
| 1 | normal | 10,000 | 0.001 | 3484.7 | 0.00102 | 3439.1 | 0.00101 | 3378.8 | 0.00102 | … | 3140.4 | 0.00102 |
| 2 | normal | 1000 | 0.15 | 956.4 | 0.152 | 618.91 | 0.153 | 417.7 | 0.153 | … | 173.5 | 0.153 |
| 3 | normal | 100 | 0.3 | 38.3 | 0.305 | 36.72 | 0.305 | 34.7 | 0.306 | … | 28.9 | 0.305 |
| 4 | normal | 35 | 0.5 | 12.6 | 0.508 | 12.3 | 0.51 | 11.9 | 0.51 | … | 10.5 | 0.509 |
| 5 | fault | 100 | 0.1 | −9.38 | −0.966 | −9.07 | −0.97 | −8.68 | −0.97 | … | −7.32 | −0.968 |
| = 0.1 | |||||||||||
| 0.30 | 0.32 | 0.34 | 0.36 | 0.38 | 0.40 | 0.42 | 0.44 | 0.46 | 0.48 | 0.50 | |
| 1.01 | 1.02 | 1.03 | 1.03 | 1.04 | 1.05 | 1.06 | 1.06 | 1.07 | 1.09 | 1.10 | |
| (ms) | 0 | 0 | 0 | 0 | 0 | 0 | 0 | 0 | 0 | 0 | 0 |
| 90 | 90 | 90 | 90 | 90 | 90 | 90 | 90 | 90 | 90 | 90 | |
| = 0.01 | |||||||||||
| 0.30 | 0.32 | 0.34 | 0.36 | 0.38 | 0.40 | 0.42 | 0.44 | 0.46 | 0.48 | 0.50 | |
| 1.07 | 1.07 | 1.07 | 1.07 | 1.08 | 1.09 | 1.09 | 1.10 | 1.11 | 1.13 | 1.15 | |
| (ms) | 14.0 | 14.0 | 13.9 | 13.7 | 0 | 0 | 0 | 0 | 0 | 0 | 0 |
| 0 | 0 | 0 | 0 | 90 | 90 | 90 | 90 | 90 | 90 | 90 | |
| = 0 | |||||||||||
| 0.30 | 0.32 | 0.34 | 0.36 | 0.38 | 0.40 | 0.42 | 0.44 | 0.46 | 0.48 | 0.50 | |
| 1.07 | 1.07 | 1.07 | 1.07 | 1.08 | 1.09 | 1.10 | 1.11 | 1.13 | 1.14 | 1.15 | |
| (ms) | 14.0 | 13.9 | 13.8 | 0 | 0 | 0 | 0 | 0 | 0 | 0 | 0 |
| 180 | 0 | 0 | 90 | 90 | 90 | 90 | 90 | 90 | 90 | 90 | |
| 0.01 | 0.1 | 0.2 | 0.3 | 0.4 | 0.5 | 0.6 | 0.7 | 0.8 | 0.9 | 0.99 | 0.999 | ||
|---|---|---|---|---|---|---|---|---|---|---|---|---|---|
| TA KL | |||||||||||||
| 1.5 | 5.5 | 5.0 | 5.1 | 5.1 | 11.7 | 12.0 | 12.2 | 11.9 | 10.9 | 2.6 | 0.7 | 0.1 | |
| 2.0 | 3.6 | 3.6 | 3.6 | 3.5 | 3.5 | 3.0 | 2.9 | 2.7 | 2.4 | 1.7 | 0.4 | 0.1 | |
| 2.5 | 2.6 | 2.6 | 2.6 | 2.6 | 2.5 | 2.4 | 2.4 | 1.9 | 1.7 | 1.3 | 0.4 | 0.1 | |
| 3.0 | 2.3 | 2.3 | 2.3 | 2.3 | 2.3 | 1.8 | 1.7 | 1.6 | 1.4 | 0.7 | 0.3 | 0.1 | |
| 3.5 | 1.7 | 1.7 | 1.7 | 1.7 | 1.6 | 1.6 | 1.5 | 1.4 | 1.3 | 0.6 | 0.2 | 0.1 | |
© 2020 by the authors. Licensee MDPI, Basel, Switzerland. This article is an open access article distributed under the terms and conditions of the Creative Commons Attribution (CC BY) license (http://creativecommons.org/licenses/by/4.0/).
Share and Cite
Wang, Y.; Wang, L.; Bilén, S.G.; Gao, Y. Research on Safety Technology for High-Speed Interruption for Mining Flameproof Movable Substation. Energies 2020, 13, 934. https://doi.org/10.3390/en13040934
Wang Y, Wang L, Bilén SG, Gao Y. Research on Safety Technology for High-Speed Interruption for Mining Flameproof Movable Substation. Energies. 2020; 13(4):934. https://doi.org/10.3390/en13040934
Chicago/Turabian StyleWang, Yanwen, Le Wang, Sven G. Bilén, and Yan Gao. 2020. "Research on Safety Technology for High-Speed Interruption for Mining Flameproof Movable Substation" Energies 13, no. 4: 934. https://doi.org/10.3390/en13040934
APA StyleWang, Y., Wang, L., Bilén, S. G., & Gao, Y. (2020). Research on Safety Technology for High-Speed Interruption for Mining Flameproof Movable Substation. Energies, 13(4), 934. https://doi.org/10.3390/en13040934
