Enhancement of Induction Motor Dynamics Using a Novel Sensorless Predictive Control Algorithm
Abstract
:1. Introduction
- -
- The study presents a new PVC scheme for a sensorless IM drive with the advantages of robustness, ripples reduction, simple construction, and faster dynamics.
- -
- The design of the PVC is accomplished in sequence steps clarifying the base principle upon which each stage depends on.
- -
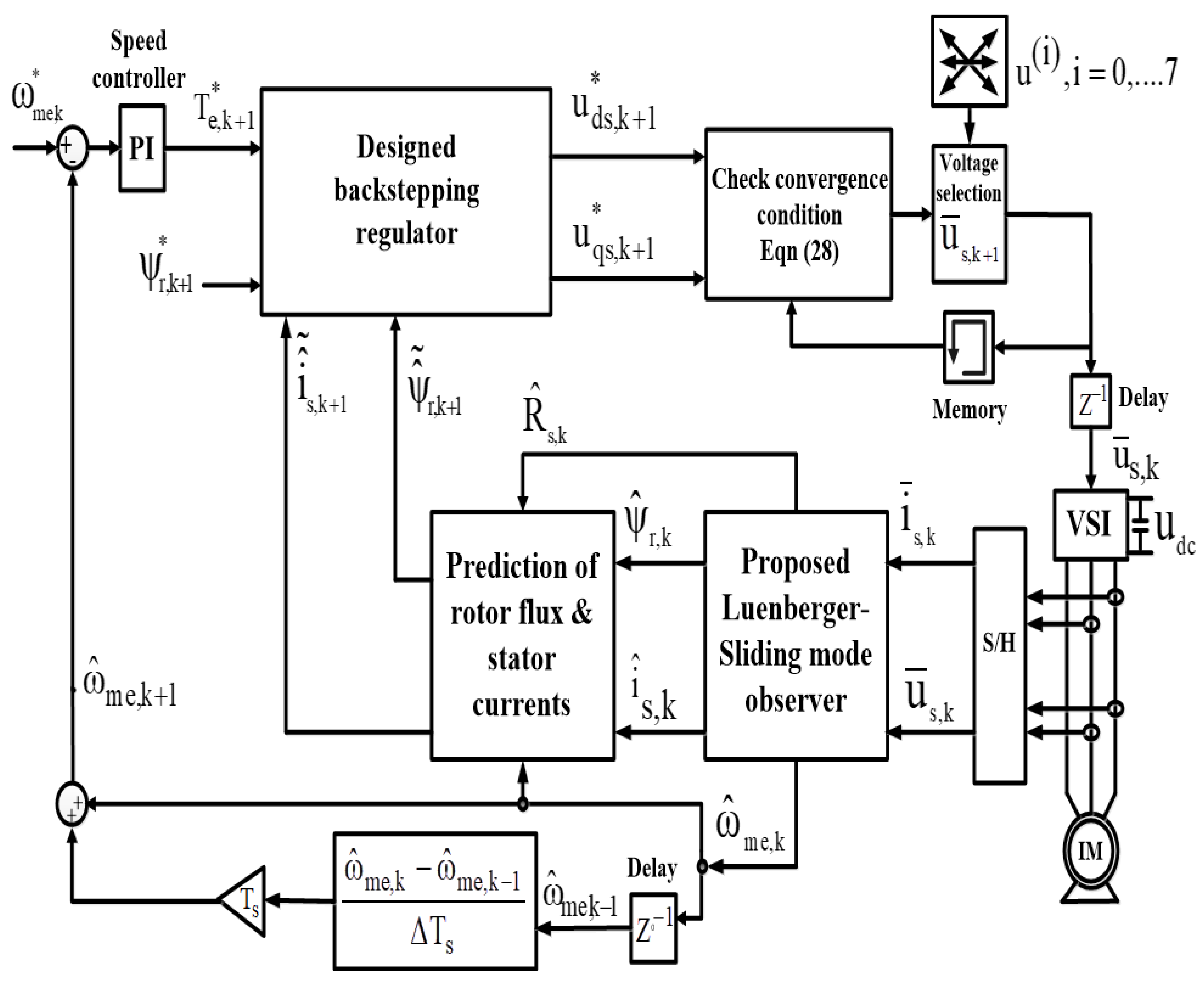
- To enhance the system’s robustness and reliability, a Luenberger–sliding mode (L-SMO) estimator is designed to observe the speed, stator currents, stator resistance and rotor flux as well.
- -
- The IM performance is tested with the designed PVC and L-SMO under external load changes and parameters variation as well.
- -
- A detailed comparative study between the classic PTC and proposed PVC considering the sensorless operation is accomplished, which clarifies the superiority of PVC over the well-known PTC.
- -
- The designed PVC scheme can be utilized with different machine drives after considering the principle of operation and physical model of each type.
2. Modeling of IM
3. Generation of Voltages Using Backstepping Regulator
3.1. Stage 1: Generation of Reference Currents
3.2. Stage 2: Calculation of Reference Voltages ( and )
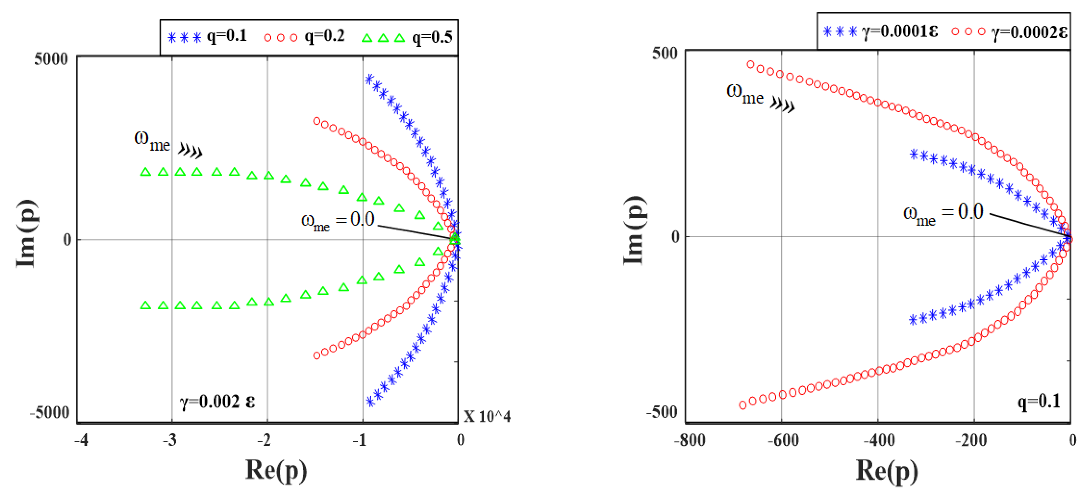
4. Proposed Luenberger-Sliding Mode Observer
5. Test Results
6. Conclusions
- The paper formulated a new PVC scheme to be used as an alternative to the classic PTC.
- The operation principle of the designed PVC is based on regulating the stator voltage components instead of regulating the torque and flux as in PTC.
- The back-stepping theory is utilized to generate the voltage commands needed by the designed cost function of the PVC.
- The designed PVC is used with a L-SMO observer to enhance the overall system robustness.
- The designed L-SMO is performed systematically, describing the gain selection mechanism and checking the stability of the observer.
- Extensive dynamic analysis is performed for the PTC and designed PVC to outline the superiority of the proposed controller.
- Ripple reduction, faster dynamic response, reduced number of commutations, and reduced THD are the remarkable improvements achieved by the PVC.
- For future study, the designed PVC scheme can be utilized with different machine drives after considering the principle of operation and physical model of each type.
Author Contributions
Funding
Conflicts of Interest
Appendix A
| Constant | Value | Constant | Value |
|---|---|---|---|
| Power | 3000 W | Leakage factor | 0.07576 |
| Stator resistance | 1.50 Ω | Ki, Kp(Speed regulator) | 1267 and 14.24 |
| Rotor resistance | 0.85 Ω | ,,, | 450, 200, 150, 55 |
| Stator inductance | 178.5 mH | a | 200 |
| Rotor inductance | 184.5 mH | p | 1 |
| Mutual inductance | 174.5 mH | DC voltage | 300 V |
References
- Holakooie, M.; Ojaghi, M.; Taheri, A. Direct Torque Control of Six-Phase Induction Motor with a Novel MRAS-Based Stator Resistance Estimator. IEEE Trans. Ind. Electron. 2018, 65, 7685–7696. [Google Scholar] [CrossRef]
- Ziaeinejad, S.; Sangsefidi, Y.; Nabi, H.; Shoulaie, A. Direct Torque Control of Two-Phase Induction and Synchronous Motors. IEEE Trans. Ind. Electron. 2013, 28, 4041–4050. [Google Scholar] [CrossRef]
- Toh, C.; Idris, N.; Yatim, A. Constant and high switching frequency torque controller for DTC drives. IEEE Power Electron. Lett. 2005, 3, 76–80. [Google Scholar] [CrossRef] [Green Version]
- Lin, X.; Huang, W.; Jiang, W.; Zhao, Y.; Zhu, S. A Stator Flux Observer with Phase Self-Tuning for Direct Torque Control of Permanent Magnet Synchronous Motor. IEEE Trans. Ind. Electron. 2020, 35, 6140–6152. [Google Scholar] [CrossRef]
- Pandit, J.; Aware, M.; Nemade, R.; Levi, E. Direct Torque Control Scheme for a Six-Phase Induction Motor with Reduced Torque Ripple. IEEE Trans. Ind. Electron. 2017, 32, 7118–7129. [Google Scholar] [CrossRef]
- Gunabalan, R.; Sanjeevikumar, P.; Blaabjerg, F.; Ojo, O.; Subbiah, V. Analysis and Implementation of Parallel Connected Two-Induction Motor Single-Inverter Drive by Direct Vector Control for Industrial Application. IEEE Trans. Ind. Electron. 2015, 30, 6472–6475. [Google Scholar] [CrossRef]
- Sira-Ramírez, H.; González-Montañez, F.; Cortés-Romero, J.; Luviano-Juárez, A. A Robust Linear Field-Oriented Voltage Control for the Induction Motor: Experimental Results. IEEE Trans. Ind. Electron. 2013, 60, 3025–3033. [Google Scholar] [CrossRef]
- Wang, Z.; Chen, J.; Cheng, M.; Chau, K. Field-Oriented Control and Direct Torque Control for Paralleled VSIs Fed PMSM Drives with Variable Switching Frequencies. IEEE Trans. Ind. Electron. 2016, 31, 2417–2428. [Google Scholar] [CrossRef]
- Wang, K.; Li, Y.; Ge, Q.; Shi, L. An Improved Indirect Field-Oriented Control Scheme for Linear Induction Motor Traction Drives. IEEE Trans. Ind. Electron. 2018, 65, 9928–9937. [Google Scholar] [CrossRef]
- Masiala, M.; Vafakhah, B.; Salmon, J.; Knight, A. Fuzzy Self-Tuning Speed Control of an Indirect Field-Oriented Control Induction Motor Drive. IEEE Trans. Ind. Appl. 2008, 44, 1732–1740. [Google Scholar] [CrossRef]
- Panda, V.; Singh, S. A Three-Level Fuzzy-2 DTC of Induction Motor Drive Using SVPWM. IEEE Trans. Ind. Electron. 2016, 63, 1467–1479. [Google Scholar]
- Buja, G.; Kazmierkowski, M. Direct torque control of PWM inverter-fed AC motors—A survey. IEEE Trans. Ind. Electron. 2004, 51, 744–757. [Google Scholar] [CrossRef]
- Jnayah, S.; Khedher, A. Fuzzy-Self-Tuning PI Speed Regulator for DTC of Three-Level Inverter fed IM. In Proceedings of the 17th International Multi-Conference on Systems, Signals & Devices (SSD), Monastir, Tunisia, 23–25 July 2020; pp. 709–714. [Google Scholar]
- Yang, J.; Huang, J. Direct torque control system for induction motors with fuzzy speed PI regulator. In Proceedings of the International Conference on Machine Learning and Cybernetics, Guangzhou, China, 18–21 August 2005; pp. 778–783. [Google Scholar]
- Meesala, R.; Thippiripati, V. An Improved Direct Torque Control of Three-Level Dual Inverter Fed Open-Ended Winding Induction Motor Drive Based on Modified Look-Up Table. IEEE Trans. Ind. Electron. 2020, 35, 3906–3917. [Google Scholar]
- Ajlan, A.; Idris, N.; Lee, S. Improving flux regulation of DTC induction motor drive by modifying the index to the FPGA-based lookup table. In Proceedings of the IEEE Conference on Energy Conversion (CENCON), Kuala Lumpur, Malaysia, 30–31 October 2017; pp. 139–144. [Google Scholar]
- Mitronikas, E.; Safacas, A. An improved sensorless vector-control method for an induction motor drive. IEEE Trans. Ind. Electron. 2005, 52, 1660–1668. [Google Scholar] [CrossRef]
- Huang, S.; Liaw, C. Improved field-weakening control for IFO induction motor. IEEE Trans. Aerosp. Electron. Syst. 2003, 39, 647–659. [Google Scholar] [CrossRef]
- Forestieri, J.; Farasat, M.; Trzynadlowski, A. Indirect Real- and Reactive-Power Control of Induction Motor Drives. IEEE J. Emerg. Sel. Top. Power Electron. 2018, 6, 2109–2125. [Google Scholar] [CrossRef]
- Uddin, M.; Wen, H. Development of a Self-Tuned Neuro-Fuzzy Controller for Induction Motor Drives. IEEE Trans. Ind. Appl. 2007, 43, 1108–1116. [Google Scholar] [CrossRef]
- Mossa, M.; Bolognani, S. Effective sensorless model predictive direct torque control for a doubly fed induction machine. In Proceedings of the Nineteenth International Middle East Power Systems Conference (MEPCON), Cairo, Egypt, 19–21 December 2017; pp. 1201–1207. [Google Scholar]
- Su, J.; Gao, R.; Husain, I. Model Predictive Control Based Field-Weakening Strategy for Traction EV Used Induction Motor. IEEE Trans. Ind. Appl. 2018, 54, 2295–2305. [Google Scholar] [CrossRef]
- Riveros, J.; Barrero, F.; Levi, E.; Durán, M.; Toral, S.; Jones, M. Variable-Speed Five-Phase Induction Motor Drive Based on Predictive Torque Control. IEEE Trans. Ind. Electron. 2013, 60, 2957–2968. [Google Scholar] [CrossRef]
- Mossa, M.; Bolognani, S. Effective model predictive direct torque control for an induction motor drive. In Proceedings of the International Symposium on Power Electronics, Electrical Drives, Automation and Motion (SPEEDAM), Capri, Italy, 22–24 June 2016; pp. 746–754. [Google Scholar]
- Mossa, M. Effective predictive current control for a sensorless five-phase induction motor drive. Int. J. Power Electron. 2021, 13, 502–532. [Google Scholar] [CrossRef]
- Xue, Y.; Meng, D.; Yin, S.; Han, W.; Yan, X.; Shu, Z.; Diao, L. Vector-Based Model Predictive Hysteresis Current Control for Asynchronous Motor. IEEE Trans. Ind. Electron. 2019, 66, 8703–8712. [Google Scholar] [CrossRef]
- Mossa, M.; Bolognani, S. Robust Predictive Current Control for a Sensorless IM Drive Based on Torque Angle Regulation. In Proceedings of the IEEE Conference on Power Electronics and Renewable Energy (CPERE), Aswan, Egypt, 23–25 October 2019; pp. 302–308. [Google Scholar]
- Wallscheid, O.; Ngoumtsa, E. Investigation of Disturbance Observers for Model Predictive Current Control in Electric Drives. IEEE Trans. Ind. Electron. 2020, 35, 13563–13572. [Google Scholar]
- Mossa, M.; Bolognani, S. Effective model predictive current control for a sensorless IM drive. In Proceedings of the IEEE International Symposium on Sensorless Control for Electrical Drives (SLED), Catania, Italy, 18–19 September 2017; pp. 37–42. [Google Scholar]
- Niu, L.; Yang, M.; Gui, X.; Xu, D. A comparative study of model predictive current control and FOC for PMSM. In Proceedings of the 17th International Conference on Electrical Machines and Systems (ICEMS), Hangzhou, China, 22–25 October 2014; pp. 3143–3147. [Google Scholar]
- Zhang, Y.; Xia, B.; Yang, H.; Rodriguez, J. Overview of model predictive control for induction motor drives. Chin. J. Electr. Eng. 2016, 2, 62–76. [Google Scholar]
- Arshad, M.; Abido, M.; Salem, A.; Elsayed, A. Weighting Factors Optimization of Model Predictive Torque Control of Induction Motor Using NSGA-II with TOPSIS Decision Making. IEEE Access 2019, 7, 177595–177606. [Google Scholar] [CrossRef]
- Bhowate, A.; Aware, M.; Sharma, S. Predictive Torque Control with Online Weighting Factor Computation Technique to Improve Performance of Induction Motor Drive in Low Speed Region. IEEE Access 2019, 7, 42309–42321. [Google Scholar] [CrossRef]
- Jin, X.; Zhang, Y.; Xu, D. Static Current Error Elimination Algorithm for Induction Motor Predictive Current Control. IEEE Access 2017, 5, 15250–15259. [Google Scholar] [CrossRef]
- Scoltock, J.; Geyer, T.; Madawala, U. A Comparison of Model Predictive Control Schemes for MV Induction Motor Drives. IEEE Trans. Ind. Inform. 2013, 9, 909–919. [Google Scholar] [CrossRef]
- Ertan, H.; Simsir, N. Comparison of PWM and PFM induction drives regarding audible noise and vibration for household applications. IEEE Trans. Ind. Appl. 2004, 40, 1621–1628. [Google Scholar] [CrossRef]
- Yan, L.; Dou, M.; Hua, Z.; Zhang, H.; Yang, J. Robustness Improvement of FCS-MPTC for Induction Machine Drives Using Disturbance Feed forward Compensation Technique. IEEE Trans. Ind. Electron. 2019, 34, 2874–2886. [Google Scholar]
- Devanshu, A.; Singh, M.; Kumar, N. An Improved Nonlinear Flux Observer Based Sensorless FOC IM Drive with Adaptive Predictive Current Control. IEEE Trans. Ind. Electron. 2020, 35, 652–666. [Google Scholar] [CrossRef]
- Habibullah, M.; Lu, D. A Speed-Sensorless FS-PTC of Induction Motors Using Extended Kalman Filters. IEEE Trans. Ind. Electron. 2015, 62, 6765–6778. [Google Scholar] [CrossRef] [Green Version]
- Cheng, L.; Tsai, M. Enhanced Model Predictive Direct Torque Control Applied to IPM Motor with Online Parameter Adaptation. IEEE Access 2020, 8, 42185–42199. [Google Scholar] [CrossRef]
- Li, H.; Lin, J.; Lu, Z. Three Vectors Model Predictive Torque Control Without Weighting Factor Based on Electromagnetic Torque Feedback Compensation. Energies 2019, 12, 1393. [Google Scholar] [CrossRef] [Green Version]
- Zhang, Y.; Yang, H.; Xia, B. Model predictive torque control of induction motor drives with reduced torque ripple. IET Electr. Power Appl. 2015, 9, 595–604. [Google Scholar] [CrossRef]
- Zhang, Y.; Yang, H. Model-Predictive Flux Control of Induction Motor Drives with Switching Instant Optimization. IEEE Trans. Energy Convers. 2015, 30, 1113–1122. [Google Scholar] [CrossRef]
- Abbasi, M.; Husain, A.; Idris, N.; Anjum, W.; Bassi, H.; Rawa, M. Predictive Flux Control for Induction Motor Drives with Modified Disturbance Observer for Improved Transient Response. IEEE Access 2020, 8, 112484–112495. [Google Scholar] [CrossRef]
- Mossa, M.; Al-Sumaiti, A.; Do, T.; Diab, A. Cost-Effective Predictive Flux Control for a Sensorless Doubly Fed Induction Generator. IEEE Access 2019, 7, 172606–172627. [Google Scholar] [CrossRef]
- Cirrincione, M.; Pucci, M.; Cirrincione, G.; Capolino, G. A new experimental application of least-squares techniques for the estimation of the induction motor parameters. IEEE Trans. Ind. Appl. 2003, 39, 1247–1256. [Google Scholar] [CrossRef]
- Orlowska-Kowalska, T. Application of extended Luenberger observer for flux and rotor time-constant estimation in induction motor drives. IEE Proc. D Control Theory Appl. 1989, 136, 324–330. [Google Scholar] [CrossRef]
- Marino, R.; Peresada, S.; Tomei, P. On-line stator and rotor resistance estimation for induction motor. IEEE Trans. Control Syst. Technol. 2000, 8, 570–579. [Google Scholar] [CrossRef]
- Ide, K.; Ha, J.; Sawamura, M.; Iura, H.; Yamamoto, Y. High frequency injection method improved by flux observer for sensorless control of an induction motor. In Proceedings of the Power Conversion Conference-Osaka (Cat. No.02TH8579), Osaka, Japan, 2–5 April 2002; pp. 516–521. [Google Scholar]
- Liu, C.; Chang, H.; Wang, C. Very low speed sensorless control of induction motor drives using high-frequency signal injection. J. Chin. Inst. Eng. 2005, 28, 957–966. [Google Scholar] [CrossRef]
- Karanayil, B.; Rahman, M.; Grantham, C. Implementation of an on-line resistance estimation using artificial neural networks for vector controlled induction motor drive. In Proceedings of the IECON’03. 29th Annual Conference of the IEEE Industrial Electronics Society (IEEE Cat. No. 03CH37468), Roanoke, VA, USA, 2–6 November 2003; Volume 2, pp. 1703–1708. [Google Scholar]
- Mossa, M.; Vu, Q.; Echeikh, H.; Do, T. Deadbeat-Based Model Predictive Voltage Control for a Sensorless Five-Phase Induction Motor Drive. Math. Probl. Eng. 2020, 2020, 4164526. [Google Scholar] [CrossRef]
- Kojabadi, H.; Chang, L.; Doraiswami, R. A MRAS-based adaptive pseudoreduced-order flux observer for sensorless induction motor drives. IEEE Trans. Ind. Electron. 2005, 20, 930–938. [Google Scholar] [CrossRef]
- Ohyama, K.; Asher, G.; Sumner, M. Comparative analysis of experimental performance and stability of sensorless induction motor drives. IEEE Trans. Ind. Electron. 2006, 53, 178–186. [Google Scholar] [CrossRef]
- Kanellakopoulos, I.; Kokotovic, P.; Morse, A. Systematic design of adaptive controllers for feedback linearizable systems. IEEE Trans. Autom. Control 1991, 36, 1241–1253. [Google Scholar] [CrossRef] [Green Version]
- Kokotovic, P. The joy of feedback: Nonlinear and adaptive. IEEE Control Syst. Mag. 1992, 12, 7–17. [Google Scholar]
- Lozano-Leal, R.; Brogliato, B. Adaptive Control of Robot Manipulators with Flexible Joints. In Proceedings of the American Control Conference, Los Angeles, CA, USA, 4–7 November 1991; pp. 938–943. [Google Scholar]
- Arbin, E.; Gregory, M. Adaptive Backstepping Control of a Speed Sensorless Induction Motor under Time-Varying Load Torque and Rotor Resistance Uncertainty. In Proceedings of the 38th Southeastern Symposium on System Theory, Cookeville, TN, USA, 4–6 March, 2006; pp. 512–518. [Google Scholar]
- Hwang, Y.; Park, K.; Yang, H. Robust adaptive backstepping control for efficiency optimization of induction motors with uncertainties. In Proceedings of the IEEE International Symposium on Industrial Electronics, Cambridge, UK, 30 June–2 July 2008; pp. 878–883. [Google Scholar]
- Tan, Y.; Chang, J.; Tan, H. Adaptive backstepping control and friction compensation for AC servo with inertia and load uncertainties. IEEE Trans. Ind. Electron. 2003, 50, 944–952. [Google Scholar]
- Yan, L.; Dou, M.; Zhang, H.; Hua, Z. Speed-Sensorless Dual Reference Frame Predictive Torque Control for Induction Machines. IEEE Trans. Ind. Electron. 2019, 34, 12285–12295. [Google Scholar] [CrossRef]
- Davari, S.; Nekoukar, V.; Garcia, C.; Rodriguez, J. Online Weighting Factor Optimization by Simplified Simulated Annealing for Finite Set Predictive Control. IEEE Trans. Ind. Inform. 2020, 17, 31–40. [Google Scholar] [CrossRef]


























| Algorithm | Current Spectrums | |
|---|---|---|
| PTC | Fundamental (8.74485 A) THD = 3.23% | Fundamental (8.55044 A) THD = 3.15% |
| Designed scheme | Fundamental (8.5752 A) THD = 2.50% | Fundamental (8.72869A) THD = 2.33% |
| Controller | Commutations | Switching Frequency |
|---|---|---|
| PTC | 11,540 | 1.923 KHz |
| Designed scheme | 8941 | 1.49 KHz |
Publisher’s Note: MDPI stays neutral with regard to jurisdictional claims in published maps and institutional affiliations. |
© 2021 by the authors. Licensee MDPI, Basel, Switzerland. This article is an open access article distributed under the terms and conditions of the Creative Commons Attribution (CC BY) license (https://creativecommons.org/licenses/by/4.0/).
Share and Cite
Echeikh, H.; Mossa, M.A.; Quynh, N.V.; Ahmed, A.A.; Alhelou, H.H. Enhancement of Induction Motor Dynamics Using a Novel Sensorless Predictive Control Algorithm. Energies 2021, 14, 4377. https://doi.org/10.3390/en14144377
Echeikh H, Mossa MA, Quynh NV, Ahmed AA, Alhelou HH. Enhancement of Induction Motor Dynamics Using a Novel Sensorless Predictive Control Algorithm. Energies. 2021; 14(14):4377. https://doi.org/10.3390/en14144377
Chicago/Turabian StyleEcheikh, Hamdi, Mahmoud A. Mossa, Nguyen Vu Quynh, Abdelsalam A. Ahmed, and Hassan Haes Alhelou. 2021. "Enhancement of Induction Motor Dynamics Using a Novel Sensorless Predictive Control Algorithm" Energies 14, no. 14: 4377. https://doi.org/10.3390/en14144377
APA StyleEcheikh, H., Mossa, M. A., Quynh, N. V., Ahmed, A. A., & Alhelou, H. H. (2021). Enhancement of Induction Motor Dynamics Using a Novel Sensorless Predictive Control Algorithm. Energies, 14(14), 4377. https://doi.org/10.3390/en14144377

