Control Algorithm for Parallel Connected Offshore Wind Turbine Generators
Abstract
:1. Introduction
2. Methodology
3. PCOWTG System Description
3.1. Overview
3.2. Problem Statement
3.3. Control System Architecture
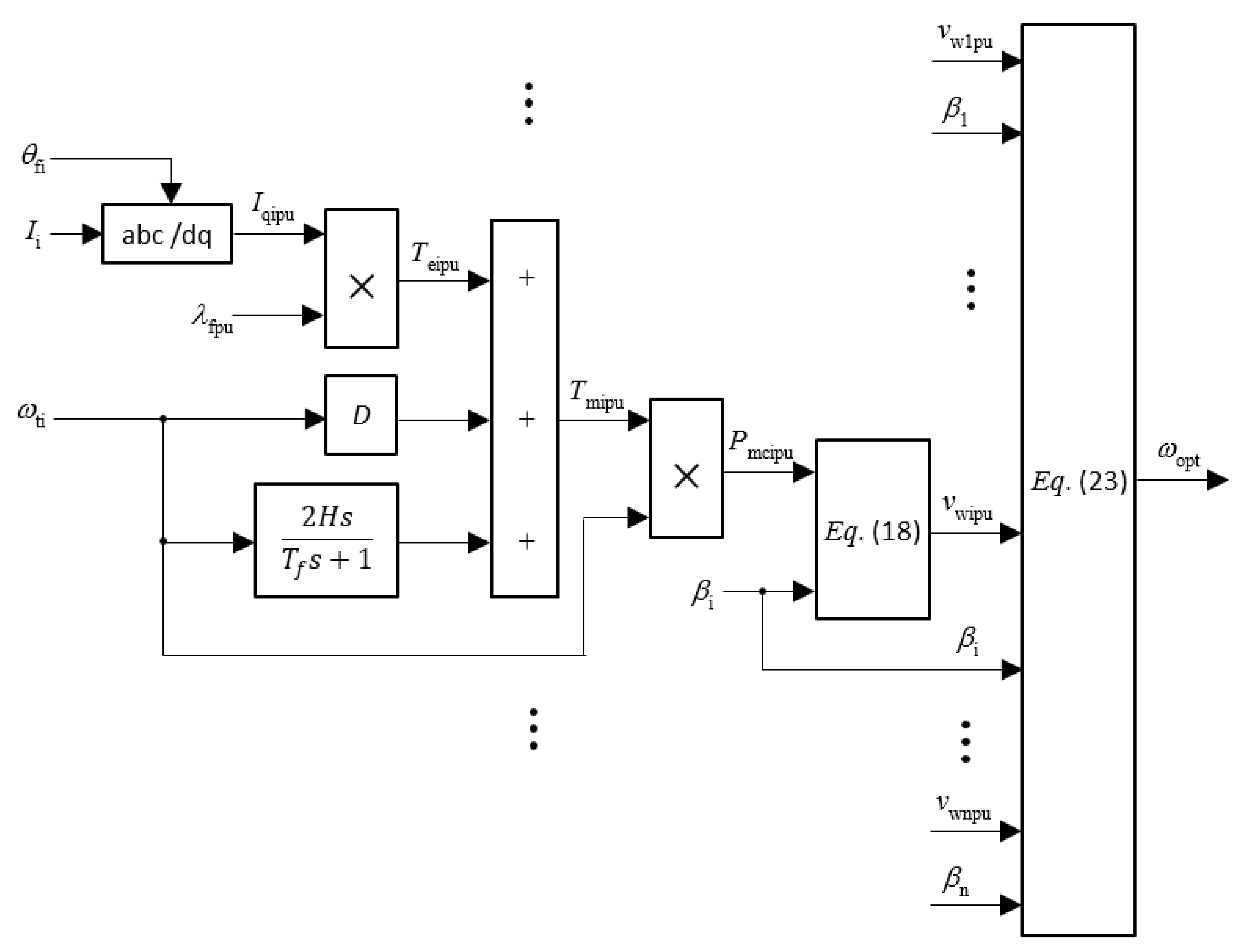
3.4. Estimation of WTG Mechanical Power, Wind Speed and Optimal WTG Speed
4. Case Study
4.1. System Parameters
4.2. Simulation Results
4.2.1. Steady-State Analysis
4.2.2. Dynamic Responses
5. Conclusions and Further Work
- The first published control algorithm for control of PCOWTG;
- A novel algorithm for estimation of wind speed and optimal collective speed for PCOWTG.
Author Contributions
Funding
Informed Consent Statement
Data Availability Statement
Acknowledgments
Conflicts of Interest
Abbreviations
| ACCG | AC Collection Grid |
| B2B | Back to Back converter |
| CAPEX | CApital EXpenditure |
| HVAC | High Voltage AC |
| HVDC | High Voltage DC |
| LCOE | Levelised Cost Of Energy |
| LFAC | Low-Frequency AC |
| MMC-HVDC | Modular Multi-level Converter-based High-Voltage Direct Current |
| OPEX | OPerational EXpenditure |
| PCOWTG | Parallel Connected Offshore Wind Turbine Generators |
| PMSG | Permanent Magnet Synchronous Generators |
| POI | Point Of Interconnection |
| PWM | Pulse Width Modulation |
| VLFAC | Variable Low-Frequency AC transmission grid |
| VSC | Voltage Source Converter |
| WG | Wind Generator |
| WT | Wind Turbine |
| WTG | Wind Turbine Generators |
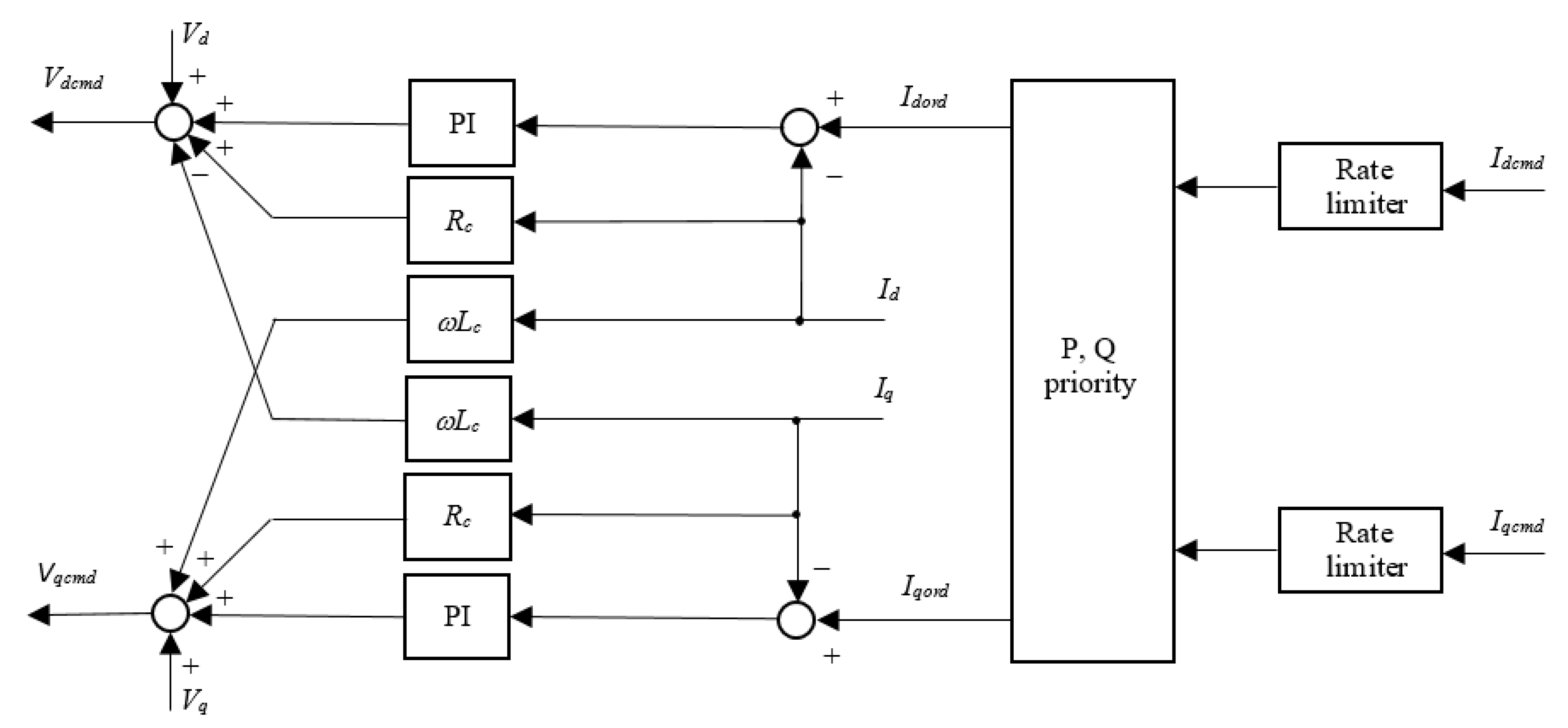
Appendix A. P, Q Priority Algorithm

References
- SINTEF. Report on Deep Offshore Wind Farm Grid Integration Aspects Including a Case Study. SINTEF Energy Research—Electric Power Systems. Available online: https://sintef.brage.unit.no/sintef-xmlui/bitstream/handle/11250/2368443/TR%2bA7482.pdf?sequence=3&isAllowed=y (accessed on 26 May 2021).
- Himanshu, J.B.; Bruce, A.M.; Hans, K.H. Comparison of wind farm topologies for offshore applications. In Proceedings of the 2012 IEEE Power and Energy Society General Meeting, San Diego, CA, USA, 22–26 July 2012. [Google Scholar]
- Daniel, J.; Liu, S.; Ibanez, E.; Pennock, K.; Reed, G.; Hanes, S. National Offshore Wind Energy Grid Inter-Connection Study Executive Summary (PDF). Available online: https://www.energy.gov/sites/prod/files/2014/08/f18/NOWEGIS%20Executive%20Summary.pdf, (accessed on 23 May 2021).
- Pican, E.; Omerdic, E.; Toal, D.; Leahy, M. Direct interconnection of offshore electricity generators. Energy 2011, 36, 1543–1553. [Google Scholar] [CrossRef] [Green Version]
- Pican, E.; Omerdic, E.; Toal, D.; Leahy, M. Analysis of parallel connected synchronous generators in a novel offshore wind farm model. Energy 2011, 36, 6387–6397. [Google Scholar] [CrossRef]
- Hole, A.N. A Slim Wind Turbine Concept with Low Frequency AC Connection. Master’s Thesis, Norwegian University of Science and Technology Level, Trondheim, Norway, 2016. [Google Scholar]
- Chen, H.; Johnson, M.H.; Aliprantis, D.C. Low frequency AC transmission for offshore wind power. IEEE Trans. Power Deliv. 2013, 28, 2236–2244. [Google Scholar] [CrossRef]
- Pfaffel, S.; Faulstich, S.; Rohrig, K. Performance and Reliability of Wind Turbines: A Review. Energies 2017, 10, 1904. [Google Scholar] [CrossRef] [Green Version]
- Spinato, F.; Tavner, P.J.; van Bussel, G.J.W.; Koutoulakos, E. Reliability of wind turbine subassemblies. IET Renew. Power Gener. 2009, 3, 387–401. [Google Scholar] [CrossRef] [Green Version]
- Hahn, B.; Durstewitz, M.; Rohrig, K. Reliability of wind turbines—Experience of 15 years with 1500 WTs. Wind. Energy Proc. Euromech Colloq. 2012, 101, 329–332. [Google Scholar]
- Fischer, W.; Braun, R.; Erlich, I. Low frequency high voltage offshore grid for transmission of renewable power. In Proceedings of the 3rd IEEE PES Innovative Smart Grid Technologies Europe, Berlin, Germany, 14–17 October 2012. [Google Scholar]
- Xifan, W.; Chengjun, C.; Zhichao, Z. Experiment on fractional frequency transmission system. IEEE Trans. Power Syst. 2006, 21, 372–377. [Google Scholar] [CrossRef]
- Ruddy, J.; Meere, R.; O’Donnell, T. Low Frequency AC Transmission as an Alternative to VSC-HVDC for Grid Interconnection of Offshore Wind. In Proceedings of the 2015 IEEE Eindhoven PowerTech, Eindhoven, The Netherlands, 29 June–2 July 2015. [Google Scholar]
- Ruddy, J.; Meere, R.; O’Loughlin, C.; O’Donnell, T. Design of VSC Connected Low Frequency AC Offshore Transmission with Long HVAC Cables. IEEE Trans. Power Deliv. 2018, 33, 960–970. [Google Scholar] [CrossRef]
- Meere, R.; Ruddy, J.; McNamara, P.; O’Donnell, T. Variable AC transmission frequencies for offshore wind farm interconnection. Renew. Energy 2017, 103, 321–332. [Google Scholar] [CrossRef]
- Zhang, Z.; Tang, Y.; Xu, Z. Miniaturization of an Offshore Platform with Medium-Frequency Offshore Wind Farm and MMC-HVDC Technology. Energies 2021, 14, 2058. [Google Scholar] [CrossRef]
- Safder, M.U.; Rizvi, S.T.H.; Meng, Y.; Javed, M.Y.; Jaffery, M.H.; Hassan, M.S. Low-Frequency AC Power Transmission and Distribution for Subsea Application Using Hexverter. Electronics 2020, 9, 61. [Google Scholar] [CrossRef] [Green Version]
- Omerdic, E.; Osmic, J.; Toal, D.; O’Donnell, C.W. A New Control Algorithm for Directly Interconnected Offshore Wind Turbine Generators. In Proceedings of the 54th International University Power Engineering Conference, UPEC 2019, Bucharest, Romania, 3–6 September 2019. [Google Scholar]
- Gevorian, V.; Singh, M.; Muljadi, E. Variable frequency operations of an offshore wind power plant with HVDC-VSC. In Proceedings of the IEEE Power and Energy Society General Meeting, San Diego, CA, USA, 22–26 July 2012. [Google Scholar]
- Meere, R.; Ruddy, J.; O’Donnell, T. Variable frequency operation for the future offshore wind farm—Design: A comparison with conventional wind turbines. Energy Procedia 2014, 53, 280–289. [Google Scholar] [CrossRef] [Green Version]
- Heier, S. Grid Integration of Wind Energy Conversion Systems; John Wiley and Sons: Hoboken, NJ, USA, 1998. [Google Scholar]
- Clark, K.; Miller, N.W.; Sanchez-Gasca, J.J. Modelling of GE Wind Turbine-Generators for Grid Studies; Tech. Rep.; Version 4.5; General Electric International: Schenectady, NY, USA, 2010. [Google Scholar]
- Garcia-Sanz, M.; Houpis, C.H. Wind Energy Systems—Control Engineering Design; CRC Press: Boca Raton, FL, USA, 2012; p. 253. [Google Scholar]
- NOWITECH. Available online: https://www.sintef.no/projectweb/nowitech/ (accessed on 14 October 2020).
- XLPE Submarine Cable Systems Attachment to XLPE Land Cable Systems—User’s Guide. Available online: https://new.abb.com/docs/default-source/ewea-doc/xlpe-submarine-cable-systems-2gm5007.pdf (accessed on 11 December 2020).
- Kundur, P. Power System Stability and Control, 1st ed.; McGraw-Hill: New York, NY, USA, 1994; pp. 22, 630. [Google Scholar]
- Ly, U.; Chan, Y. Time-Domain Computation of Aircraft Gust Covariance Matrices. AIAA Paper 80-1615. In Proceedings of the Atmospheric Flight Mechanics Conference, Danvers, MA, USA, 11–13 August 1980. [Google Scholar]




























| WTG Nominal/Rated Parameters | Value | Unit |
|---|---|---|
| Power output | 10 | MW |
| Line to line RMS voltage | 4 | kV |
| Stator frequency | 16.67 | Hz |
| Number of pole pairs | 65 | - |
| Phase resistance | 36.6 | mΩ |
| Phase inductance | 5.29 | mH |
| Rotor flux linkage | 1 | pu |
| Inertial constant | 3.48 | MWs/MVA |
| Damping coefficient | 0.01 | pu |
| Transformer Rated Parameters | Tr1 | Tr2 | Tr3 |
|---|---|---|---|
| Power | 12 MVA | 47 MVA | 47 MVA |
| Frequency | 16.67 Hz | 16.67 Hz | 16.67 Hz |
| Primary winding inductance | 0.025 pu | 0.08 pu | 0.08 pu |
| Primary winding resistance | 0.025/30 pu | 0.08/30 pu | 0.08/30 pu |
| Secondary winding inductance | 0.025 pu | 0.08 pu | 0.08 pu |
| Secondary winding resistance | 0.025/30 pu | 0.08/30 pu | 0.08/30 pu |
| Magnetization inductance | 500 pu | 500 pu | 500 pu |
| Magnetization resistance | 500 pu | 500 pu | 500 pu |
| Cable Parameters | Collection Line | Transmission Line | Unit | ||
|---|---|---|---|---|---|
| LINE 1 | LINE 2 | LINE 3 | |||
| Length | 1 | 3 | 5 | 150 | km |
| Nominal voltage | 30 | 30 | 30 | 132 | kV |
| Cross section area | 70 | 70 | 70 | 185 | mm2 |
| Resistance | 0.2956 | 0.2956 | 0.2956 | 0.119 | Ω/km |
| Inductance | 46 | 46 | 46 | 47 | mH/km |
| Capacitance | 0.16 | 0.16 | 0.16 | 0.13 | μF/km |
Publisher’s Note: MDPI stays neutral with regard to jurisdictional claims in published maps and institutional affiliations. |
© 2021 by the authors. Licensee MDPI, Basel, Switzerland. This article is an open access article distributed under the terms and conditions of the Creative Commons Attribution (CC BY) license (https://creativecommons.org/licenses/by/4.0/).
Share and Cite
Omerdic, E.; Osmic, J.; O’Donnell, C.; Omerdic, E. Control Algorithm for Parallel Connected Offshore Wind Turbine Generators. Energies 2021, 14, 4670. https://doi.org/10.3390/en14154670
Omerdic E, Osmic J, O’Donnell C, Omerdic E. Control Algorithm for Parallel Connected Offshore Wind Turbine Generators. Energies. 2021; 14(15):4670. https://doi.org/10.3390/en14154670
Chicago/Turabian StyleOmerdic, Emir, Jakub Osmic, Cathal O’Donnell, and Edin Omerdic. 2021. "Control Algorithm for Parallel Connected Offshore Wind Turbine Generators" Energies 14, no. 15: 4670. https://doi.org/10.3390/en14154670
APA StyleOmerdic, E., Osmic, J., O’Donnell, C., & Omerdic, E. (2021). Control Algorithm for Parallel Connected Offshore Wind Turbine Generators. Energies, 14(15), 4670. https://doi.org/10.3390/en14154670

