Design of Hybrid (PV-Diesel) System for Tourist Island in Karimunjawa Indonesia
Abstract
:1. Introduction
2. Background Theory
2.1. Hybrid Power Generation
2.2. Diesel Power Plant (DPP) System
2.3. Photovoltaic (PV) Power Plant System
2.4. Power Storage System
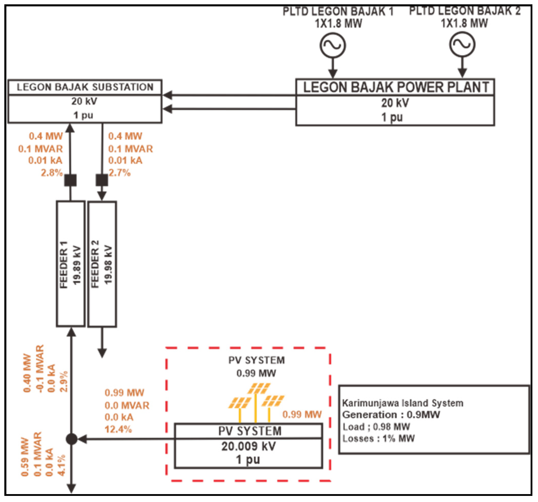
2.5. Power Flow Analysis and Short Circuit Ratio (SCR)
2.6. Levelized Cost of Energy (LCOE) and Electric Production Cost (EPC)
3. Materials and Methods
3.1. Karimunjawa Island
3.2. Power System Model and Scenario
4. Result and Discussion
4.1. Daily Load Characteristic in Karimunjawa Island
4.2. Solar Energy Potential in Karimunjawa Island
4.3. Wind Energy Potential in Karimunjawa Island
| IEC Wind Classes | I (High Wind) (m/s) | II (Medium Wind) (m/s) | III (Low Wind) (m/s) |
|---|---|---|---|
| Reference Wind Speed | 50 | 42.5 | 37.5 |
| Annual Average Wind Speed (Max) | 10 | 8.5 | 7.5 |
| 50-year Return Gust | 70 | 59.5 | 52.5 |
| 1-year Return Gust | 52.5 | 44.6 | 39.4 |
4.4. Levelized Cost of Electricity (LCOE) and Electric Production Cost (EPC) System
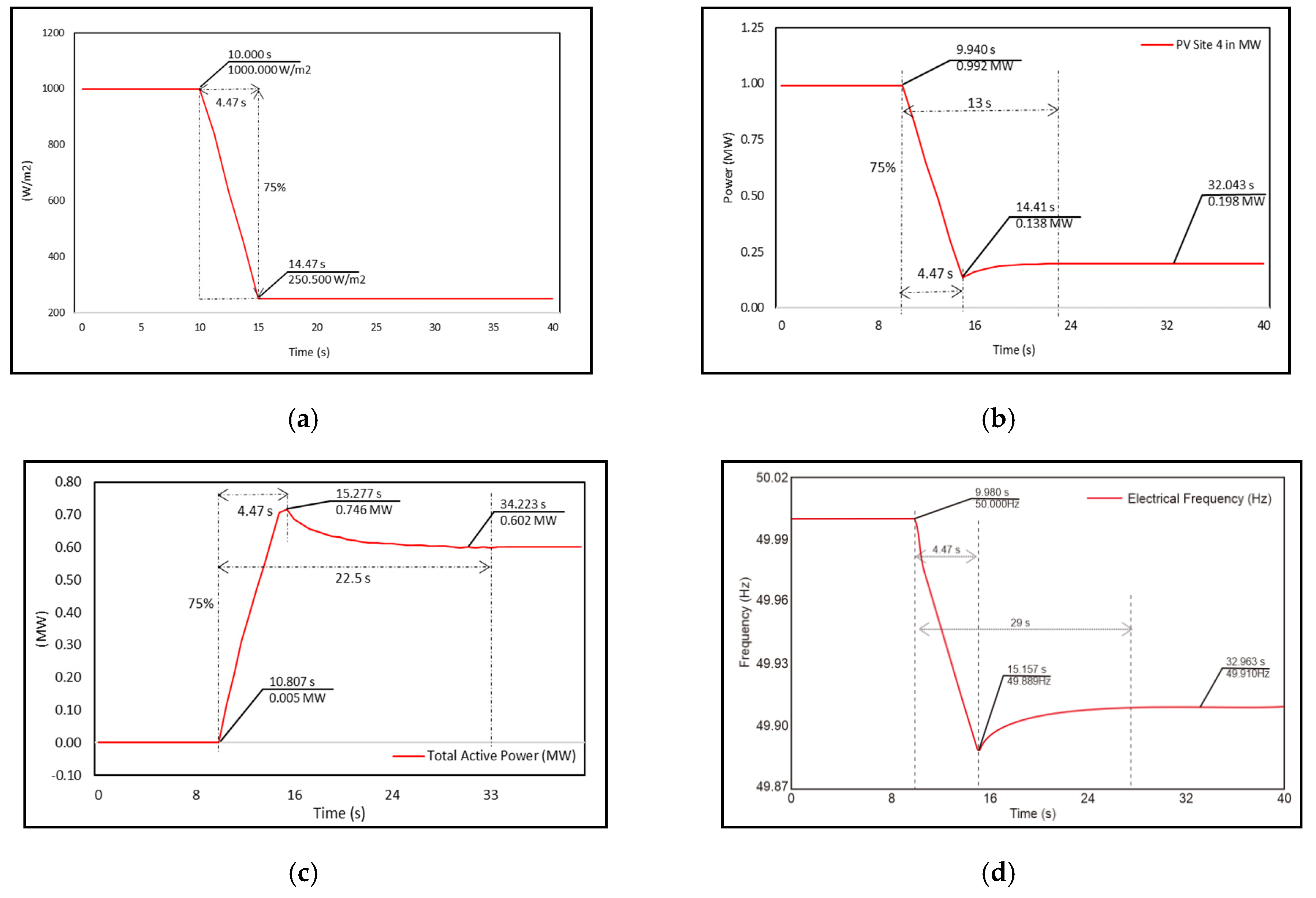
4.5. System Response Analysis vs. Irradiation Reduction
5. Conclusions
Author Contributions
Funding
Institutional Review Board Statement
Informed Consent Statement
Data Availability Statement
Acknowledgments
Conflicts of Interest
Nomenclature
| Symbol | Description | Unit |
| EDEG | A diesel generator’s hourly energy output | Wh |
| PDEG | a rate of power output | Watt |
| ηDEG | the diesel generator efficiency | % |
| EPVG | The daily energy in hourly that produced from solar radiation | Wh |
| G(t) | the hourly irradiance in | kWh/m2 |
| P | PV penetration level factor | |
| A | the surface area | m2 |
| ηPVG | The efficiency of PV generator | % |
| λ | solar radiation | |
| c | speed of light = 299,792,458 | (m/s) |
| h | Constanta Planck = 6.62607015×10−34 J⋅s | Joule. second |
| E | photon energy | Joule |
| EPVG-IN(t) | the hourly energy output from the inverter | kWh |
| EPVG(t) | the hourly energy output of the PV | kW |
| ηINV | the efficiency of the inverter | % |
| EBAT-INV(t) | the hourly energy output from the inverter | kWh |
| EBAT(t − 1) | the energy stored in a battery at hour t − 1 | kWh |
| ELOAD(t) | the hourly energy consumed by the load side | kWh |
| the efficiency of the inverter | % | |
| The battery discharging efficiency | % | |
| battery capacity | Ah | |
| I | Current capacity | A |
| t | duration of operation | hour |
| Ek | the energy needed by consumers | Watt |
| V | Nominal voltage | VDC |
| Power Factor | ||
| the battery discharging efficiency | % | |
| the efficiency of the inverter | % | |
| max current limit on current breaker module response | A | |
| Interconnect point apparent power capacity | MVA | |
| interconnect generator active power capacity | MW | |
| LCOE | Levelized Cost of Energy | |
| EPC | Electric Production Cost | |
| It | investment in year t | USD |
| Mt | operating and maintenance costs in year t | USD |
| Ft | fuel cost in year t | USD |
| Et | the electrical energy produced in year t | Wh |
| r | discount rate | |
| n | system operational period | Year |
| Total PV module | Unit | |
| Total number of PV module | Unit | |
| Number of strings | Unit | |
| Number of arrays | Unit | |
| converter output voltage | Volt | |
| maximum output voltage of the solar panel | Volt | |
| Vu | DC voltage to obtain AC voltage | Volt |
| Ma | constanta of inverter modulastio index | % |
| PA | power produced by one array | Watt |
| Pstring | string power | Watt |
| PVArea | Solar field area requirements | Watt |
| APV | area of PV modules | m2 |
| PV performance drop | % | |
| PPV | PV power | Watt |
| m | power drop gradient | MW/s |
| Vw | wind speed around PV | m/s |
| a | PV field area | m2 |
| clearness index | % | |
| R2 | coefficient of determination | |
| Irr(monthly) | monthly solar irradiation | kWh/m2/day |
| daily solar irradiation | % | |
| VWIND | rate of wind speed | m/s |
Appendix A

Appendix B

References
- RUPTL PLN. Rencana Usaha Penyediaan Tenaga Listrik PT. PLN (PERSERO) 2019–2028; State Electricity Enterprise, RUPTL PLN: Jakarta, Indonesia, 2019. [Google Scholar]
- Bagaskara, A. Skema Pola Operasi Pembangkit Listrik Hybrid, PLTS-PLTD-Baterai, Dengan Tingkat Penetrasi PLTS Tinggi; State Electricity Enterprise: Jakarta, Indonesia, 2018. [Google Scholar]
- Zulfakar, J.; Banartama, A. Sistem Tenaga Listrik Tenaga Hybrid (PLTH) Yang Dibuat Di Kedubes Austrian. Elektro. Undip. Ac. Id. 1953, 7. Available online: http://www.elektro.undip.ac.id/el_kpta/wp-content/uploads/2012/05/L2F606059_MKP.pdf (accessed on 9 September 2021).
- Moghaddam, S.; Bigdeli, M.; Moradlou, M.; Siano, P. Designing of stand-alone hybrid PV/wind/battery system using improved crow search algorithm considering reliability index. Int. J. Energy Environ. Eng. 2019, 10, 429–449. [Google Scholar] [CrossRef] [Green Version]
- Teleke, S.; Member, S.; Baran, M.E.; Member, S.; Bhattacharya, S.; Huang, A.Q. Rule-Based Control of Battery Energy Storage for Dispatching Intermittent Renewable Sources. IEEE Trans. Sustain. Energy 2010, 1, 117–124. [Google Scholar] [CrossRef]
- Hiron, N.; Andang, A.; Mubarok, H. Energy Information System (EIS) As Energy Mix Projections with Trend Analysis Approach for The Scenario Achievement of the National Energy Policy in 2025. In Proceedings of the 14 International Conference on QIR, 2015; pp. 679–763. Available online: https://qir.eng.ui.ac.id/wp-content/uploads/2016/08/Qir-Proceeding-2015.pdf (accessed on 9 September 2021).
- NREL. Life Cycle Greenhouse Gas Emissions from Solar Photovoltaics. Renew. Sustain. Energy Rev. 2012, 50, 80. [Google Scholar]
- Hu, A.H.; Huang, L.H.; Lou, S.; Kuo, C.H.; Huang, C.Y.; Chian, K.J.; Chien, H.T.; Hong, H.F. Assessment of the carbon footprint, social benefit of carbon reduction, and energy payback time of a high-concentration photovoltaic system. Sustainability 2017, 9, 27. [Google Scholar] [CrossRef] [Green Version]
- Khaboot, N.; Srithapon, C.; Siritaratiwat, A.; Khunkitti, P. Increasing Benefits in High PV Penetration Distribution System by Using Battery Enegy Storage and Capacitor Placement Based on Salp Swarm Algorithm. Energies 2019, 12, 4817. [Google Scholar] [CrossRef] [Green Version]
- Aleem, S.A.; Suhail Hussain, S.M.; Ustun, T.S. A review of strategies to increase PV penetration level in smart grids. Energies 2020, 13, 636. [Google Scholar] [CrossRef] [Green Version]
- Oladeji, A.S.; Akorede, M.F.; Aliyu, S.; Mohammed, A.A.; Salami, A.W. Simulation-based optimization of hybrid renewable energy system for off-grid rural electrification. Int. J. Renew. Energy Dev. 2021, 10, 667–686. [Google Scholar] [CrossRef]
- Sawle, Y.; Gupta, S.C.; Bohre, A.K. PV-wind hybrid system: A review with case study. Cogent Eng. 2016, 3, 1189305. [Google Scholar] [CrossRef]
- Susanto, I.; Sunanda, W.; Gusa, R.F.; Kurniawan, R.; Tiandho, Y. Hybrid of Photovoltaic and Diesel Power Plant in Celagen Island. In IOP Conference Series: Earth and Environmental Science; IOP Publishing: Bristol, UK, 2020; Volume 463. [Google Scholar] [CrossRef] [Green Version]
- Syahputra, R.; Soesanti, I. Planning of hybrid micro-hydro and solar photovoltaic systems for rural areas of central Java, Indonesia. J. Electr. Comput. Eng. 2020, 2020, 5972342. [Google Scholar] [CrossRef] [Green Version]
- Hiron, N.; Andang, A.; Busaeri, N. Investigation of NdFeB N52 Magnet Field as Advanced Material at Air Gap of Axial Electrical Generator. In IOP Conference Series: Materials Science and Engineering; IOP Publishing: Bristol, UK, 2019; Volume 550. [Google Scholar] [CrossRef]
- Jakhrani, A.Q.; Rigit, A.R.H.; Othman, A.K.; Samo, S.R.; Kamboh, S.A. Estimation of carbon footprints from diesel generator emissions. In Proceedings of the International Conference in Green and Ubiquitous Technology, Jakarta, Indonesia, 7–8 July 2012; pp. 78–81. [Google Scholar] [CrossRef]
- Roh, G.; Kim, H.; Jeon, H.; Yoon, K. Fuel consumption and CO2 emission reductions of ships powered by a fuel-cell-based hybrid power source. J. Mar. Sci. Eng. 2019, 7, 230. [Google Scholar] [CrossRef] [Green Version]
- Ghaderi, M.; Javadikia, H.; Naderloo, L.; Mostafaei, M.; Rabbani, H. An analysis of noise pollution emitted by moving MF285 Tractor using different mixtures of biodiesel, bioethanol and diesel through artificial intelligence. J. Low Freq. Noise Vib. Act. Control 2019, 38, 270–281. [Google Scholar] [CrossRef] [Green Version]
- Burke, B.J. A Record for Plant Efficiency. Diesel Gas Turbine Worldw. 2018. Available online: https://www.dieselgasturbine.com/news/a-record-for-plant-efficiency/7005451 (accessed on 9 September 2021).
- Benhamed, S.; Ibrahim, H.; Belmokhtar, K.; Hosni, H.; Ilinca, A.; Rousse, D.; Chandra, A.; Ramdenee, D. Dynamic modeling of diesel generator based on electrical and mechanical aspects. In Proceedings of the IEEE Electrical Power and Energy Conference EPEC, Ottawa, ON, Canada, 12–14 October 2016. [Google Scholar] [CrossRef]
- Hiron, N.; Andang, A.; Busaeri, N. Investigation of Wireless Communication from Under Seawater to Open Air with Xbee Pro S2B Based on IEEE 802.15.4 (Case Study: West Java Pangandaran Offshore Indonesia). Adv. Intell. Syst. Comput. 2019, 881, 672–681. [Google Scholar]
- Ani, V.A. Design of a Reliable Hybrid (PV/Diesel) Power System with Energy Storage in Batteries for Remote Residential Home. J. Energy 2016, 2016, 1–16. [Google Scholar] [CrossRef] [Green Version]
- Tambunan, H.B.; Hakam, D.F.; Prahastono, I.; Pharmatrisanti, A.; Purnomoadi, A.P.; Aisyah, S.; Wicaksono, Y.; Sandy, I. The challenges and opportunities of renewable energy source (RES) penetration in Indonesia: Case study of Java-Bali power system. Energies 2020, 13, 5903. [Google Scholar] [CrossRef]
- Nazara, S.; Amir, H. Kajian Analisis Dampak Insentif Fiskal terhadap Investasi dan Harga Listrik dan Energi Terbarukan. 2018. Available online: https://fiskal.kemenkeu.go.id/data/document/2019/kajian/KajianAnalisisDampakInsentifFiskal.pdf (accessed on 9 September 2021).
- Nurhayati, T. Pemodelan sistem pembangkit hybrid energi solar dan angin. Elektrika 2018, 10, 28–32. [Google Scholar]
- Wu, J.; Lan, Z.; Lin, J.; Huang, M.; Huang, Y.; Fan, L.; Luo, G.; Lin, Y.; Xie, Y.; Wei, Y. Counter electrodes in dye-sensitized solar cells. Chem. Soc. Rev. 2017, 46, 5975–6023. [Google Scholar] [CrossRef] [Green Version]
- Surindra, M.D. Analisis Karakteristik Electrical Modul Photovoltaic untuk Pembangkit Listrik Tenaga Surya Skala Laboratorium. Pros. SNST Fak. Tek. 2012, B.74, 74–78. [Google Scholar]
- Brigita, W. Studi Dampak Dan Respon Kestabilan Frekuensi Pada Sistem Kelistrikan Pulau Belitung Dengan Beberapa Jenis Konfigurasi Penetrasi Pembangkit Listrik Tenaga Surya; ITB: Surabaya City, Indonesia, 2013. [Google Scholar]
- Szott, M.; Wermiński, S.; Jarnut, M.; Kaniewski, J.; Benysek, G. Battery energy storage system for emergency supply and improved reliability of power networks. Energies 2021, 14, 720. [Google Scholar] [CrossRef]
- Szott, M.; Jarnut, M.; Kaniewski, J.; Pilimon, Ł.; Wermiński, S. Fault-tolerant control in a peak-power reduction system of a traction substation with multi-string battery energy storage system. Energies 2021, 14, 4565. [Google Scholar] [CrossRef]
- Nayak, C.K. Optimal Design of Battery Energy Storage System for Peak Load Shaving and Time of Use Pricing. In Proceedings of the Second International Conference on Electrical, Computer and Communication Technologies (ICECCT), Coimbatore, India, 22–24 February 2017. [Google Scholar] [CrossRef]
- Rozegnał, B.; Albrechtowicz, P.; Mamcarz, D.; Radwan-Pragłowska, N.; Cebula, A. The short-circuit protections in hybrid systems with low-power synchronous generators. Energies 2021, 14, 160. [Google Scholar] [CrossRef]
- Koseoglu, C.; Altin, N.; Zengin, F.; Kelebek, H.; Sefa, I. A hybrid overload current limiting and short circuit protection scheme for voltage mode inverters. Int. J. Renew. Energy Res. 2020, 10, 407–415. [Google Scholar]
- Ates, Y.; Gökçket, T.; Arabul, A.Y. Impact of hybrid power generation on voltage, losses, and electricity cost in distribution networks. Turkish J. Electr. Eng. Comput. Sci. 2021, 29, 1720–1735. [Google Scholar] [CrossRef]
- Marignetti, F.; Volpe, G.; Mirimani, S.M.; Cecati, C. Electromagnetic Design and Modeling of a Two-Phase Axial-Flux Printed Circuit Board Motor. IEEE Trans. Ind. Electron. 2018, 65, 67–76. [Google Scholar] [CrossRef]
- Wang, Y.; Zhou, S.; Huo, H. Cost and CO2 reductions of solar photovoltaic power generation in China: Perspectives for 2020. Renew. Sustain. Energy Rev. 2014, 39, 370–380. [Google Scholar] [CrossRef]
- Šimić, Z.; Topić, D.; Crnogorac, I.; Knežević, G. Method for sizing of a PV system for family home using economic indicators. Energies 2021, 14, 4529. [Google Scholar] [CrossRef]
- DISPARBUD. Statistik Kunjungan Wisatawan. 2021. Available online: https://disparbud.jepara.go.id/category/statistik/ (accessed on 19 September 2021).
- Setiawan, B.; Rijanta, R.; Baiquni, M. Sustainable Tourism Development: The Adaptation and Resilience of the Rural Communities in (the Tourist Villages of) Karimunjawa, Central Java. Forum Geogr. 2017, 31, 232–245. [Google Scholar] [CrossRef] [Green Version]
- Keyhani, A. Design of Smart Power Grid Renewable Energy Systems, 3rd ed.; Wiley-VCH: Weinheim, Germany, 2019. [Google Scholar]
- Engerer, N.A.; Mills, F.P. KPV: A clear-sky index for photovoltaics. Sol. Energy 2014, 105, 679–693. [Google Scholar] [CrossRef]
- Aldihani, A.; Mahmoud, S.; Al-Dadah, R.K.; Al-Qattan, A. Performance and cost assessment of three different crystalline silicon PV modules in Kuwait environments. Int. J. Renew. Energy Res. 2017, 7, 129–136. [Google Scholar]
- Ninla Elmawati Falabiba, “Tourist Visit Report 2017,” Jepara, Indonesia. 2019. Available online: https://disparbud.jepara.go.id/wp-content/uploads/sites/72/2020/01/Statistik-2019.pdf (accessed on 9 September 2021).
- Ismanto, A.; Ismunarti, D.H.; Sugianto, D.N.; Maisyarah, S.; Subardjo, P.; Suryoputro, A.A.D.; Siagian, H. The potential of ocean current as electrical power sources alternatives in Karimunjawa Islands Indonesia. Adv. Sci. Technol. Eng. Syst. 2019, 4, 126–133. [Google Scholar] [CrossRef] [Green Version]
- Langer, J.; Quist, J.; Blok, K. Review of renewable energy potentials in Indonesia and their contribution to a 100% renewable electricity system. Energies 2021, 14, 7033. [Google Scholar] [CrossRef]
- Kalmikov, A. Introduction to Wind Power; University of Wisconsin: Madison, WI, USA, 2014. [Google Scholar] [CrossRef]
- Filom, S.; Radfar, S.; Panahi, R.; Amini, E.; Neshat, M. Exploring wind energy potential as a driver of sustainable development in the southern coasts of iran: The importance of wind speed statistical distribution model. Sustainability 2021, 13, 7702. [Google Scholar] [CrossRef]
- Ibrahim, M.Z.; Yong, K.H.; Ismail, M.; Albani, A. Spatial analysis of wind potential for Malaysia. Int. J. Renew. Energy Res. 2015, 5, 201–209. [Google Scholar] [CrossRef]
- Baffoe, P.E.; Sarpong, D. Selecting Suitable Sites for Wind Energy Development in Ghana. Ghana Min. J. 2016, 16, 8. [Google Scholar] [CrossRef] [Green Version]
- Hiron, N.; Giriantari, I.A.D.; Jasa, L.; Kumara, I.N.S. Fish-ridge wind turbine aerodynamics characteristics in Oscillating Water Column (OWC) system. Ocean Syst. Eng. 2021, 11, 141–159. [Google Scholar] [CrossRef]
- Hiron, N.; Giriantari, I.A.D.; Jasa, L.; Kumara, I.N.S. The Performance of a Three-blades Fish-ridge Turbine in an Oscillating Water Column System for Low Waves. In Proceedings of the International Conference on Sustainable Engineering and Creative Computing (ICSECC), Bandug, Indonesia, 20–22 August 2019; pp. 30–35. [Google Scholar] [CrossRef]
- Gul, M.; Tai, N.; Huang, W.; Nadeem, M.H.; Yu, M. Assessment of wind power potential and economic analysis at Hyderabad in Pakistan: Powering to local communities using wind power. Sustainability 2019, 11, 1391. [Google Scholar] [CrossRef] [Green Version]
- Empung, N.H.; Chobir, A. Oscillating Water Column (OWC) Building Performance Analysis as Beach Abrasion Reducing. IIOAB J. 2016, 7, 515–520. [Google Scholar]


















| Total Load (MW) | PV Field Area (m2) | PV System (MW) | Battery (MAh) | DPP System (MW) | LCOE ($/kWh) | V Wind (m/s) |
|---|---|---|---|---|---|---|
| 1.41 | 11.300 | 0.99 | 4.1 | 2 × 2.7 | 257.770 | 18 |
| No | Item | Value | Contribution (%) |
|---|---|---|---|
| 1 | It = Investation (USD) | 288.33 | 96.76% |
| 2 | Mt = OM Cost (USD) | 9.59 | 3.22% |
| 3 | Ft = Fuel cost (USD) | 51 | 0.02% |
| 4 | Et = Energy produced (MWh) | 966.47 | 100% |
| Penetration (%) | LCOE = EPC ($/MWh) |
|---|---|
| 10 | 299.554 |
| 20 | 294.911 |
| 30 | 290.269 |
| 40 | 285.626 |
| 50 | 280.983 |
| 60 | 276.340 |
| 70 | 271.697 |
| 80 | 265.827 |
| 90 | 261.184 |
| 100 | 257.770 |
| Substation | Ib (kA) |
|---|---|
| Legon Bajak | 0.65173 |
| Time | Load (kW) | PV (kW) | DPP (kW) | Batt Charge (kW) | Batt Discharge (kW) |
|---|---|---|---|---|---|
| 0:00 | 1126 | 0 | 1126 | 0 | 0 |
| 1:00 | 1105 | 0 | 1105 | 0 | 0 |
| 2:00 | 1052 | 0 | 1052 | 0 | 0 |
| 3:00 | 1031 | 0 | 1031 | 0 | 0 |
| 4:00 | 1044 | 0 | 1044 | 0 | 0 |
| 5:00 | 1104 | 0 | 1104 | 0 | 1104 |
| 6:00 | 1152 | 310 | 0 | 0 | 1178.8 |
| 7:00 | 1004 | 846 | 0 | 0 | 1027 |
| 8:00 | 995 | 995 | 0 | 353 | 1000 |
| 9:00 | 976 | 976 | 0 | 745 | 0 |
| 10:00 | 942 | 942 | 0 | 1013 | 0 |
| 11:00 | 936 | 936 | 0 | 1054 | 0 |
| 12:00 | 949 | 949 | 0 | 964 | 0 |
| 13:00 | 985 | 985 | 0 | 746 | 0 |
| 14:00 | 974 | 974 | 0 | 421 | 0 |
| 15:00 | 934 | 934 | 0 | 11 | 950 |
| 16:00 | 926 | 423 | 0 | 0 | 950 |
| 17:00 | 1003 | 0 | 0 | 0 | 1003 |
| 18:00 | 1367 | 0 | 0 | 0 | 1367 |
| 19:00 | 1422 | 0 | 0 | 0 | 1422 |
| 20:00 | 1377 | 0 | 1377 | 0 | 1390 |
| 21:00 | 1351 | 0 | 1351 | 0 | 0 |
| 22:00 | 1264 | 0 | 1264 | 0 | 0 |
| 23:00 | 1195 | 0 | 1195 | 0 | 0 |
Publisher’s Note: MDPI stays neutral with regard to jurisdictional claims in published maps and institutional affiliations. |
© 2021 by the authors. Licensee MDPI, Basel, Switzerland. This article is an open access article distributed under the terms and conditions of the Creative Commons Attribution (CC BY) license (https://creativecommons.org/licenses/by/4.0/).
Share and Cite
Hiron, N.; Busaeri, N.; Sutisna, S.; Nurmela, N.; Sambas, A. Design of Hybrid (PV-Diesel) System for Tourist Island in Karimunjawa Indonesia. Energies 2021, 14, 8311. https://doi.org/10.3390/en14248311
Hiron N, Busaeri N, Sutisna S, Nurmela N, Sambas A. Design of Hybrid (PV-Diesel) System for Tourist Island in Karimunjawa Indonesia. Energies. 2021; 14(24):8311. https://doi.org/10.3390/en14248311
Chicago/Turabian StyleHiron, Nurul, Nundang Busaeri, Sutisna Sutisna, Nurmela Nurmela, and Aceng Sambas. 2021. "Design of Hybrid (PV-Diesel) System for Tourist Island in Karimunjawa Indonesia" Energies 14, no. 24: 8311. https://doi.org/10.3390/en14248311
APA StyleHiron, N., Busaeri, N., Sutisna, S., Nurmela, N., & Sambas, A. (2021). Design of Hybrid (PV-Diesel) System for Tourist Island in Karimunjawa Indonesia. Energies, 14(24), 8311. https://doi.org/10.3390/en14248311

