Abstract
This paper proposes a photovoltaic (PV) string-level isolated DC–DC power optimizer with wide voltage range. A hybrid control scheme in which pulse frequency modulation (PFM) control and pulse width modulation (PWM) control are combined with a variable switching frequency is employed to regulate the wide PV voltage range. By adjusting the switching frequency in the above region during the PWM control process, the circulating current period can be eliminated and the turn-on period of the bidirectional switch of the dual-bridge LLC (DBLLC) resonant converter is reduced compared to that with a conventional PWM control scheme with a fixed switching frequency, resulting in better switching and conduction loss. Soft start-up control under a no-load condition is proposed to charge the DC-link electrolytic capacitor from 0 V. A laboratory prototype of a 6.25 kW DBLLC resonant converter with a transformer, including integrated resonant inductance, is built and tested in order to verify the performance and theoretical claims.
1. Introduction
Photovoltaic (PV) converters are key components in solar systems. These converters maximize the power extracted from PV cells for delivery to the grid. The power transferred to the utility grid is processed and organized in different concepts, as illustrated in Figure 1 [1,2,3,4,5,6,7,8]. Each grid-tie concept is a series of paralleled PV panels or strings connected to a couple of power converters (DC–DC converter and DC–AC inverter) based on the power level as well as the output voltage of the PV cells. According to the state-of-the-art technologies, grid-tie PV systems are single-stage and two-stage structures. The single-stage PV systems shown in Figure 1a,b contain only a DC–AC inverter. However, the two-stage structure employs DC-DC converters with DC–AC inverter, as shown in Figure 1c,d. Single-stage PV systems are simple and promise high efficiency due to the reduced power processing stages. Under certain ambient conditions, it is not possible to guarantee a DC-link requirement for the inverter [9,10]. Therefore, it is necessary to step up or step down the voltage of a PV string/multi-string to the required DC-link voltage for grid connection. Furthermore, the single-stage architecture does not extract the maximum energy from the PV modules, as the global maximum power point (MPP) is not the MPP for all individual modules, especially under partial shading, soiling, and mismatched conditions [11,12,13]. The drawbacks of the single-stage design can be alleviated using a two-stage type of architecture. Therefore, PV plants now favor two-stage architectures with DC–DC converters that reduce the effects of partial shading, improve the energy yield, provide more flexibility in the plant design process, and improve the monitoring and diagnostics capabilities [14,15].
Figure 1.
Grid-tie photovoltaic (PV) systems. (a) Centralized structure. (b) String structure. (c) Multi-string structure with non-isolated DC–DC converters. (d) Multi-string structure with isolated DC–DC converters.
Furthermore, in the two-stage structure, the DC–DC converter can be selectively designed as a buck, boost, or the buck–boost converter according to the PV connection. The boost converter is the best candidate if a significant step-up process is required. The basic non-isolated boost converter is the simplest solution due to its low part count and simple design. However, this converter tracks the MPP within a limited range and is associated with a limited switching frequency due to the hard switching operation. Moreover, PV systems employing a basic non-isolated boost converter necessitate a low-frequency transformer for the grid connection. Hence, the system cost and size are significantly increased. On the other hand, high-frequency isolated converters eliminate the need for a low-frequency transformer, reducing both the system size and the cost [16,17,18].
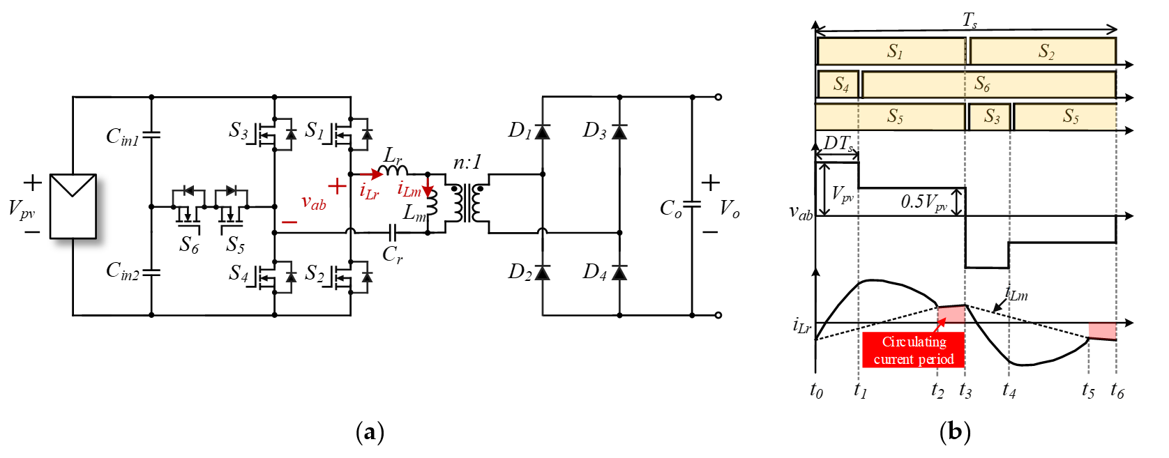
As a result, the isolated DC–DC converter has been considered to eliminate the low-frequency transformer [19,20,21,22,23,24]. In particular, the conventional full-bridge LLC resonant converter has an inherent entire-range zero-voltage switching (ZVS) characteristic with a low turn-off current of the primary switches [25,26,27,28,29]. For this reason, the resonant DC–DC converter with high-frequency isolation is widely used in various applications. However, the converter operates within a wide switching frequency range (above and below regions) under a wide PV voltage range, and low magnetizing inductance is required. The low magnetizing inductance increases the circulating current and conduction losses, especially at frequencies greater than the resonant frequency (fr). The dual-bridge LLC (DBLLC) resonant converter presented in [30] is shown in Figure 2a. The topology operates with a fixed switching frequency (fs) and the PV voltage Vpv is regulated by the mode change between the full-bridge (FB) and the half-bridge (HB) components within a half switching cycle, as shown in Figure 2b. The primary-side switches achieve ZVS turn-on while the secondary diodes are turned off with the zero-current switching (ZCS). The resonant tank of the aforementioned converter is simple given that the voltage gain is independent of the quality factor, and the magnetizing inductance has little influence on the voltage gain. Moreover, the topology utilizes high magnetizing inductance, leading to high efficiency.
Figure 2.
Dual-bridge LLC resonant converter. (a) Circuit configuration. (b) Key waveforms of the conventional pulse width modulation (PWM) control with fixed switching frequency (fs = fr).
However, in this topology, the circulating current flows for a longer duration, leading to a high root mean square (RMS) and peak current in the resonant tank. Moreover, the converter voltage gain is limited between 0.5 (HB mode) and 1 (FB mode) due to the implemented pulse width modulation (PWM) control at a fixed switching frequency. Furthermore, a soft start-up control scheme cannot be implemented as part of the traditional PWM method.
This paper proposes the PV string-level isolated power optimizer for wide voltage range. The aforementioned drawbacks of a DBLLC resonant converter are eliminated and the performance of the DBLLC resonant converter is improved. That is, the proposed power optimizer achieves wider gain and high efficiency compared to the conventional DBLLC resonant converter. Major contributions of this paper are listed as follows:
- The RMS and peak value of the resonant current are decreased by eliminating the circulating current, resulting in a reduced level of conduction loss.
- The implemented hybrid control method significantly increases the overall voltage gain. Hence, a wider voltage range is achieved.
- The current stress of the bidirectional switch is decreased because the conduction time is shorter with a minimized RMS current.
- Phase shift control is implemented for soft start-up operation, guaranteeing the initial charging of the DC-link electrolytic capacitor.
The proposed DBLLC resonant converter is presented in Section 2. In addition, design methods of the switching frequency range and transformer with integrated leakage inductance are presented in Section 3. In Section 4, the experimental results from a laboratory prototype of the proposed DBLLC resonant converter are provided to verify the theoretical analysis.
2. The Proposed Dual-Bridge LLC (DBLLC) Resonant Converter
2.1. Operation Principle and Characteristics
The dual-bridge LLC resonant converter has been considered to achieve wide voltage range [31,32,33,34,35,36,37,38]. As shown in Figure 2a, the DBLLC resonant converter has a bidirectional switch added to the conventional LLC full-bridge resonant converter for the wide PV voltage range. The DBLLC resonant converter with a fixed switching frequency in [30] operates in HB mode and/or the FB mode, providing the wide range operation with maximum gain of 2. Moreover, the DBLLC converter maintains the ZVS of all switches under entire voltage and load range. However, due to PWM control, the DBLLC converter generates a large circulating current, resulting in limitation on the efficiency.
This paper introduces the pulse frequency modulation (PFM) control operating under very wide voltage range from 300 V to 900 V based on the topology presented in [30]. In addition, in order to eliminate circulating current period, the boundary conduction mode (BCM) was introduced, thereby increasing the converter efficiency. Figure 3 shows the operation principle of the DBLLC resonant converter. The MPPT algorism is implemented by using two control methods: PFM control and PWM control. The PFM control is applied when the voltage gain M is between 0.33 and 0.5, and PWM control is applied when voltage gain M is between 0.5 and 1. Since the DBLLC resonant converter operates at the nominal MPPT voltage with PWM control, increasing the efficiency is important during the PWM control. Unlike conventional PWM control with a fixed switching frequency, the switching frequency of the proposed PWM control is varied according to the duty cycle D to increase the efficiency.
Figure 3.
Operation principle of the dual-bridge LLC (DBLLC). (a) The proposed hybrid control scheme. (b) Key waveforms of the DBLLC resonant converter with Pulse Frequency Modulation (PFM) control at 300 V–450 V. (c) Key waveforms of the DBLLC resonant converter with the proposed PWM control scheme with a variable switching frequency of 450 V–900 V.
2.1.1. Pulse Frequency Modulation (PFM) Control
Figure 3b shows the key waveforms of the DBLLC resonant converter with PFM control for the voltage gain M ϵ [0.33, 0.5]. The converter is controlled by PFM at frequencies below the resonant frequency (fs < fr). Switches S1 and S2 operate in a diagonal manner with S3 and S4 at fixed 50% duty, while the bidirectional switch consisting of S5 and S6 is turned off. The voltage across the primary side of the transformer vab is denoted as Vpv. The operating principles of the DBLLC resonant converter in the PFM mode are not covered in this paper given that they are similar to the operating principles of a conventional full-bridge LLC resonant converter [39].
2.1.2. Pulse Width Modulation (PWM) Control with a Variable Switching Frequency
Figure 3c shows the key waveforms of the DBLLC resonant converter with PWM control of a varying switching frequency. This mode is considered within voltage gain M between 0.5 and 1. When operating in this mode, both the duty cycle D and the switching frequency are varied. Switches S3 and S4 operate in a diagonal manner with bidirectional switch S5 and S6, respectively. The duty cycles of S3 and S4 are also varied, while S1 and S2 operate at a fixed duty cycle of 0.5. The magnitude of the voltage across the resonant tank vab is Vpv in the FB mode and 0.5 Vpv in the HB mode. Because different voltages across the resonant tank lead to a circulating current period, the switching frequency is also varied in the above region such that the switching frequency fs is higher than the resonant frequency fr according to the duty cycle D to eliminate the circulating current period. Three operation modes during the half switching cycle are presented.
• Mode 1 [t0–t1];
This mode starts when S1 and S4 are turned on. ZVS operations of the S1 and S4 are achieved with the magnetizing current of the transformer. The resonant tank voltage vab equals the PV voltage Vpv. The series resonance between Lr and Cr starts while the voltage across the magnetizing inductor is clamped at nVo. The equivalent circuit during this mode is shown in Figure 4a and the voltage across to the resonant tank is Vpv-Vo/n The resonant inductor current, resonant capacitor voltage and magnetizing current are expressed as shown below.
where the angular frequency between Lr and Cr , resonant tank impedance of Lr and Cr and t1 − t0 = DTs. The power is delivered from PV to load in this mode.
Figure 4.
Equivalent circuit of the Pulse Width Modulation (PWM) control operation in the dual-bridge LLC resonant converter. (a) t0–t1. (b) t1–t2. (c) t2–t3.
• Mode 2 [t1–t2];
When S3 is turned off and S6 is ZVS-turned on with resonant current, the resonant tank voltage vab equals half of the PV voltage of 0.5Vpv, while the voltage across the magnetizing inductor is still clamped at nVo. The equivalent circuit in this mode is shown in Figure 4b and the voltage across to the resonant tank is Vpv/2−Vo/n. The resonant inductor current, resonant capacitor voltage, and magnetizing current are expressed as follows:
The power is delivered from PV to load in this mode. Mode 2 begins when the resonant inductor current iLr equals the magnetizing current iLm. However, in the proposed PWM control scheme with a variable switching frequency, since S1 and S5 are turned off when the resonant inductor current iLr equals the magnetizing current iLm, mode 3 can be eliminated.
• Mode 3 [t2–t3];
In this mode, the resonant tank voltage vab still equals half of the PV voltage of 0.5Vpv and the voltage across the magnetizing inductor is no longer clamped due to the ZCS turn-off of the secondary diode. The magnetizing inductance Lm starts the resonance together with resonant inductor Lr and resonant capacitor Cr. The equivalent circuit while in this mode is shown in Figure 4b and the voltage across to the resonant tank is only Vpv/2. The resonant inductor current, resonant capacitor voltage, and magnetizing current are expressed as
where the angular frequency , resonant tank impedance containing Lm, and t3–t0 = 0.5Ts.
In this mode, the load power is not supplied from Vpv to Vo, and the circulating current is conducted on the primary side. This circulating current period increases the peak and RMS values of the resonant current, resulting in high switching loss and conduction loss. In the proposed PWM control scheme with a variable frequency, this period can be eliminated by operating in the above region.
Figure 5a shows the circulating current period in the conventional PWM control scheme with a fixed switching frequency according to duty cycle period D. The resonant current iLr becomes equal to iLm at the instant t2. The circulating current period is calculated by numerically solving Equations (1)–(4) and (6). The circulating current period is varied according to the Q factor, which is defined as n2wrLr/RL and which can be shorter with a high value of Q. Figure 5b shows the switching frequency boundary for the BCM mode when Q is 0.83. The switching frequency boundary for the BCM mode is determined when the t3 − t2 is zero. The switching frequency for the BCM mode is expressed as shown below:
Figure 5.
Selection of the switching frequency for the Boundary Conduction Mode (BCM). (a) Circulating current period of the PWM control scheme with a fixed switching frequency (fs = fr). (b) Switching frequency boundary for the BCM mode.
When the switching frequency is lower than fs_BCM, the DBLLC resonant converter operates in the discontinuous conduction mode (DCM), which has a circulating current period. When the switching frequency is higher than fs_BCM, the DBLLC resonant converter operates in the continuous conduction mode (CCM). Despite the fact that there is no circulating current period, the turn-off losses of S1–S2 and S5–S6 and the reverse recovery loss of the secondary diodes are increased. In the BCM mode, not only is the circulating current period eliminated, but the small turn-off current is also ensured, which results in the optimal efficiency.
Figure 6 shows the results of a steady-state trajectory comparison between the proposed PWM control method with a variable switching frequency and the conventional PWM control with a fixed switching frequency using Equations (1)–(9). It should be noted that the proposed control scheme leads to lower magnitudes of the resonant current and resonant voltage compared to the conventional control method. Figure 6b is the resonant current comparison at time domain, which shows that the rms value of the resonant current in the proposed PWM control is smaller than that of the conventional PWM control by 15%.
Figure 6.
Steady-state waveform comparison between the proposed PWM control scheme with a variable switching frequency and the conventional PWM control scheme with a fixed switching frequency. (a) Steady-state trajectory; (b) Time domain.
Figure 7 shows a comparison of the voltage gains between the proposed PWM control and the conventional PWM control schemes. The proposed scheme requires a higher duty cycle in the entire voltage gain range than the conventional scheme. At a voltage gain of 0.65, the duty cycle of the proposed scheme is 0.23, while that of the conventional scheme is 0.3. Therefore, the period of circulating current of the proposed scheme is 0.2, which is smaller than that of the conventional scheme of 0.27. As a result, the proposed scheme eliminates the circulating current and minimizes the turn-off losses of the switches, thereby achieving high efficiency. The voltage gain of the proposed PWM control scheme is expressed using the first harmonic approximation (FHA) method as:
where quality factor , reflected load resistance , inductance ratio Ln = Lm/Lr, and nominalized switching frequency fn = fs/fr. Since the proposed PWM control scheme operates at frequencies higher than fr, higher voltage gain is achieved compared to that of the conventional PWM control scheme.
Figure 7.
Voltage gain comparison between the proposed PWM control scheme and the conventional PWM control scheme.
Therefore, a longer turn-on period of S3–S4 and a shorter turn-on period of the bidirectional switch S5 and S6 are required to regulate the same PV voltage with the conventional PWM control method. Since operating the bidirectional switch instead of operating S3 or S4 increases the conduction loss due to conduction though three switches together and the doubling of the conduction period during one switching cycle, as shown in Figure 7, the proposed PWM control scheme can release the current stress of the bidirectional switch S5 and S6.
2.2. Start-up Control of the Proposed Dual-Bridge LLC (DBLLC) Resonant Converter
If the system power of the inverter is supplied from the DC-link side, an isolated DC–DC converter should maintain the enough DC-link voltage to supply the system power of the inverter, as shown in Figure 8a, and soft-start-up control during which the DC-link voltage is increased from 0 V is required. This system can eliminate the initial charging circuit of the DC-link. However, because the minimum voltage gain is 0.5 in the DBLLC resonant converter and the voltage gain is increased when under a virtual no-load condition due to the parasitic capacitor of the secondary diode, soft start-up control with the conventional PWM scheme or the PFM control scheme is not possible.
Figure 8.
Selection of the switching frequency for the Boundary Conduction Mode (BCM) mode. (a) Circulating current period of the PWM control scheme with a fixed switching frequency (fs = fr). (b) The switching frequency boundary for the Boundary Conduction Mode (BCM) mode.
During the start-up process, the DBLLC resonant converter regulates the output voltage by means of phase-shift (PS) control between S1–S2 and S3–S4 while the bidirectional switch S5 and S6 is turned off, as shown in Figure 8b. The magnitude of the resonant tank voltage vab is the PV voltage vpv during duty cycle D and is 0 V during 0.5-D. Moreover, the DC-link voltage can be increased from 0 V by increasing the duty cycle gradually from 0.
2.3. Proposed Control Scheme
Some MPPT algorithms for tracking the PV string voltage more effectively are suggested in [40,41], and the well-known perturb and observe (P&O) algorithm is applied in this paper to validate only the converter performance. When the inverter regulates the DC-link voltage, the proposed DBLLC resonant converter controls the PV string voltage by means of the perturb and observe (P&O) MPPT control, as shown in Figure 9. In this paper [42], the PV module data are listed in Table A1 of the Appendix A. The PV voltage is given as from 300 V to 900 V, and the output voltage of the converter is fixed at 900 V, as shown in Table 1. In order to operate the wide PV voltage range, the transformer turn ratio is designed to be 0.5. Thus, when the PV voltage is larger than 450 V, the converter performs PWM control to regulate the output voltage to 900 V. However, when the PV voltage is less than 450 V, it operates in PFM control to boost the output voltage to 900 V due to low PV voltage. Accordingly, when K is lower than 0.5, the duty cycle of S3 and S4 is the control variable and the switching frequency is varied according to fs_BCM, which is calculated using Equation (10). Therefore, the DBLLC converter operates in the BCM that eliminates the circulating current period, thereby achieving high efficiency. Meanwhile, when K is higher than 0.5, the switching frequency is the control variable to operate in PFM control and the duty cycle of S3 and S4 is fixed at 0.5. Since the voltage gain is linear between the PWM control scheme and the PFM control scheme, there is no transient state during a mode change. When the inverter is in a pause state, one of the DBLLC resonant converters controls the DC-link voltage via PS control. The duty cycle D is increased slowly from 0 to charge the DC-link capacitor.
Figure 9.
Proposed control scheme for Dual-Bridge LLC (DBLLC) converter with wide photovoltaic (PV) voltage range.
Table 1.
System specification and designed parameters of the proposed Dual-Bridge LLC (DBLLC) resonant converter.
3. Design Procedure
3.1. Selecting the Switching Frequency Range
The resonant tank parameters are designed considering both the switching frequency range and the magnetizing inductance value. When the resonant frequency is 120 kHz, the resonant capacitor value is determined by the resonant inductance value. Figure 10 shows the voltage gain of the PFM control scheme with different resonant inductance Lr values.
Figure 10.
Voltage gain of the PFM control with different resonant inductance values when Vo = 900 V and Lm = 120 μH.
When the output voltage is 900 V and the magnetizing inductance value is fixed at 120 μH, the voltage gain of the PFM control scheme is expressed using the first harmonic approximation (FHA) method, as shown below.
where quality factor , reflected load resistance , inductance ratio Ln = Lm/Lr, and nominalized switching frequency fn = fs/fr. With a small Lr value (green line), a wide switching frequency range is required to satisfy the requirements of the desired voltage gain due to the flat gain curve. Because the minimum switching frequency is limited to 70 kHz, considering the volume of the transformer, a small magnetizing inductance value design is required to increase the voltage gain, which increases the conduction loss and the switching loss. The maximum switching frequency for the BCM mode is increased due to the low Q factor. Although the voltage gain curve is sharp with a high Lr value (red line), the desired voltage gain in this case as well cannot be acquired due to the reduced peak voltage gain. Therefore, a design with a small magnetizing inductance value is required to increase the voltage gain. A resonant inductance value of 22 μH is selected considering the maximum switching frequency for the BCM mode and the magnetizing inductance value.
3.2. Soft Switching
The magnetizing current of the transformer discharges the output capacitor of the primary switches, while ZVS operation of S3 and S4 is ensured when using the PWM control scheme due to the high turn-off current of the resonant current. Therefore, the peak value of the magnetizing current should be high enough to discharge the output capacitor of the switches. The peak current of the magnetizing current for ZVS operation is expressed as
where Coss is the output capacitance value of the switches and td is the dead-time period. The peak value of the magnetizing current is expressed as
where Ts_min denotes a single switching cycle at the maximum switching frequency. From Equations (13) and (14), the magnetizing inductance value for the entire range of ZVS operation of the switches is expressed as
where Vpv = 900 V, the output voltage Vo = 900 V, turn ratio of the transformer n = 0.5, dead-time td = 80 ns, Coss = 80 pF (from the CREE C2M0025120D datasheet), and one switching period is considered as the maximum operation switching frequency of 160 kHz of the proposed DBLLC resonant converter. The magnetizing inductance value in the PFM control scheme was set to 120 μH according to the design procedure in Section 3.1, a value which satisfies the Equation (15) requirement, the condition for the entire range of ZVS operation.
3.3. Transformer with Integrated Leakage Inductance
Generally, both primary and secondary windings are wound on the center leg, as shown in Figure 11a [43,44]. The Lm value can easily be adjusted by changing the air gap distance of the core; however, there is limitation to the Lk value because it can only be adjusted by changing the distance between the primary and secondary wires. This winding method has the lowest Lk value because the distance between the primary and secondary windings is narrow [45]. Therefore, for this winding method, an additional resonant inductor should be used when a sufficiently large Lk value is required to operate over a wide voltage range. An example of this would be an LLC resonant converter. Meanwhile, by placing some of the secondary turns on the outer legs of the core, as shown in Figure 11b, the leakage inductance can be increased since there is more leakage magnetic flux flowing into the air. The leakage inductance can be increased further by distributing more windings on the outer legs. The largest Lk value can be obtained by winding all of the secondary side turns on the outer leg, as shown in Figure 11c, in which case the internal Lk of the transformer can be used as the resonant inductor without using an additional inductor [46].
Figure 11.
Secondary-side winding methods. (a) Winding only the center leg of the core. (b) Winding both the center leg and the outer legs of the core. (c) Winding only the outer legs of the core.
Figure 12a shows the relationship between the number of turns of the secondary winding on the outer legs, T1, and the leakage inductance value. In this paper, the winding method in Figure 11c was adopted because at least 20 μH is required for the regulation of the LLC converter. PM12/EE555S (TODA ISU Co. Ltd., Wonju, Korea) was selected as the transformer core. To minimize heat generation in the core, the maximum flux density (Bmax) was chosen to be 0.3 T. To achieve the desired Bmax, the required number of primary turns is 11, which is wound around the core center leg. A 3D finite element analysis (FEA) simulation was conducted on ANSYS Maxwell, and these results are shown Figure 12b.
Figure 12.
Finite Element Analysis (FEA) simulation result. (a) Relationship between the number of turns of the secondary winding on the outer legs and the leakage inductance. (b) The magnetic flux density distributions of the core.
4. Experimental Results
In order to verify the performance of the proposed DBLLC resonant converter, a 6.25 kW laboratory prototype was built, as shown in Figure 13. The system specifications and designed parameters of the proposed DBLLC resonant converter are summarized in Table 1. The primary switches and secondary-side diodes were implemented using SiC devices (S1–S6: C2M0025120D from CREE, D1–D4: FFSH30120A from ON Semiconductor). The transformer was implemented with EE55/55 ferrite cores from Core Electronics. Values of 40 μF for input capacitors Cpv1 and Cpv2 and 10 μF for output capacitor Co were selected, respectively, considering the voltage ripple. The control algorithm was implemented in a floating-point digital signal processing (DSP) platform TMS320F28377S, and a power analyzer (YOKOGAWA WT3000) was used to measure the efficiency.
Figure 13.
Prototype of the proposed 6.25 kW DBLLC resonant converter.
Figure 14 shows the experimental waveforms of the proposed hybrid control in a wide PV voltage while the output voltage is constant at 900 V. When the PV voltage is 300 V, the DBLLC resonant converter operates in the FB mode, and the switching frequency of 84 kHz is lower than the resonant frequency. The amplitude of the resonant tank voltage vab is equal to the PV voltage, and the PV voltage is regulated using the PFM control scheme. When the PV voltage is 450 V, the DBLLC resonant converter operates in the FB mode, and the switching frequency is near to the resonant frequency of 120 kHz. The amplitude of the resonant tank voltage vab is still equal to the PV voltage. When the PV voltage is equal to 720 V, the DBLLC resonant converter operates with the proposed PWM control scheme, and the switching frequency is varied in the above region in order to eliminate the circulating current period. The FB mode and the HB mode are varied to regulate the PV voltage. When Vpv is 900 V, the DBLLC resonant converter operates in the HB mode and the switching frequency is near to the resonant frequency of 120 kHz. The amplitude of the resonant tank voltage vab is equal to half of the PV voltage. As a result, the peak and RMS values of the resonant tank current iLr are able to be minimized by the proposed PWM control scheme with a variable switching frequency. Furthermore, a wide PV voltage range (300 V–900 V) is regulated by the PFM control scheme.
Figure 14.
Experimental waveforms of the proposed hybrid control in a wide PV voltage range.
Figure 15 shows the results of a comparison of the experimental waveforms between the proposed PWM control scheme and the conventional PWM control scheme in terms of the peak current value and the RMS value of the resonant current when Vpv = 720 V, Vo = 900 V, and Po = 6.25 kW. In the proposed PWM control scheme, the circulating current period is eliminated by operating in the above region, as shown in Figure 15a, and the peak value and RMS value of the resonant current are 29.3 A and 18.1 A, respectively. In the conventional PWM control scheme shown in Figure 15b, the peak value and RMS value of the resonant current are 34.2 A and 20.9 A, respectively, due to the circulating current period. The proposed PWM control scheme provides a smaller peak value and a smaller RMS value of the resonant current by 17% and 15%, respectively, resulting in less turn-off loss and conduction loss.
Figure 15.
Experimental waveforms of the PWM control scheme: (a) proposed variable switching frequency; (b) conventional fixed switching frequency.
Figure 16 shows the experimental waveforms of the proposed soft-start up and initial operation sequence. This method is used to smoothly charge the bulky electrolytic capacitors of the DC-link to decrease inrush current. Therefore, the resistive pre-charge circuits of the inverter were eliminated. In period (a), the DBLLC resonant converter regulates the DC-link voltage gradually from 0 V to supply the system power such as in the inverter condition using the PS control scheme. Then, the inverter regulates the DC-link voltage during period (b), while the DBLLC resonant converter is paused. In period (c), the DBLLC resonant converter regulates the PV voltage with the proposed hybrid control scheme to track the MPPT point.
Figure 16.
Experimental waveforms of the soft-start up and initial operation sequence.
Figure 17 shows a comparison of the measured efficiency rates between the proposed PWM control and the conventional PWM control schemes when VPV = 720 V and Vo = 900 V. The maximum and California energy commission (CEC) efficiency of the proposed PWM control are 98.23% and 98.04%, respectively, values greater than those by the conventional PWM control by 0.1% and 0.2%, respectively. This is because the switches losses are reduced by eliminating the circulating current period by the proposed PWM control. Figure 18 shows the results of a loss analysis when Po = 6.25 kW with PWM control. Despite the fact that the switching loss is higher due to the increased switching frequency, the conduction losses of the primary switches of the proposed PWM control scheme are smaller due to the elimination of the circulating current period and the reduced turn-on period of the bidirectional switch.
Figure 17.
Measured efficiency comparison between the proposed PWM control scheme and the conventional PWM control scheme when Vpv = 720 V and Vo = 900 V.
Figure 18.
Loss analysis under the full load condition with PWM control.
5. Conclusions
This paper proposes an isolated DC–DC power optimizer for a wide PV string voltage range, and this wide PV voltage range (300 V–900 V) is regulated by the proposed hybrid control combining the PFM control scheme and PWM control scheme with a variable switching frequency. By operating in the above region of the LLC resonant converter with PWM control, the circulating current period is eliminated and the peak and RMS values of the resonant current are decreased to 17% and 15% under the rated power, respectively, compared to the conventional PWM control scheme with a fixed switching frequency. The current stress of the bidirectional switches is also decreased due to the reduced turn-on cycle. To charge the DC-link capacitor, the start-up control is proposed and validated with experimental results. The leakage inductance integrated transformer with a distributed secondary turn ratio is designed for high efficiency and a high power density. From a 6.25 kW laboratory prototype, it is shown that the maximum efficiency and CEC efficiency are 98.22% and 98.04%, respectively, which are increased by 0.1% and 0.2%, respectively, compared to those of the conventional PWM control scheme with a fixed switching frequency. It should be noted that the proposed hybrid control in a DBLLC resonant converter provides higher efficiency and a wider voltage range without extra components.
Author Contributions
The authors contributed to the paper as follows: Study conception and idea: H.K. and S.C.; design procedure: G.Y., experiment and results: J.K.; draft manuscript preparation: H.K., G.Y., J.K. and S.C. All authors have read and agreed to the published version of the manuscript.
Funding
This research was funded by the Korea government (MSIT).
Institutional Review Board Statement
Not applicable.
Informed Consent Statement
Not applicable.
Data Availability Statement
Not applicable.
Acknowledgments
This work was supported by the National Research Foundation of Korea(NRF) grant funded by the Korea government(MSIT). (No. 2020R1A2C2006301).
Conflicts of Interest
The authors declare no conflict of interest.
Appendix A
Table A1.
Specification of the one PV Module [42].
Table A1.
Specification of the one PV Module [42].
| Parameter | Values |
|---|---|
| Total maximum power | 400 W |
| MPP voltage | 40.6 V |
| MPP current | 9.86 A |
| Open circuit voltage | 49.3 V |
| Short circuit current | 10.47 A |
| Number of series | 16 |
References
- Yang, Y.; Blaabjerg, F. Overview of Single-phase Grid-connected Photovoltaic Systems. Electr. Power Compon. Syst. 2015, 43, 1352–1363. [Google Scholar] [CrossRef]
- Choi, H.; Ciobotaru, M.; Jang, M.; Agelidis, V.G. Performance of Medium-Voltage DC-Bus PV System Architecture Utilizing High-Gain DC–DC Converter. IEEE Trans. Sustain. Energy 2015, 6, 464–473. [Google Scholar] [CrossRef]
- Kouro, S.; Leon, J.I.; Vinnikov, D.; Franquelo, L.G. Grid-Connected Photovoltaic Systems: An Overview of Recent Research and Emerging PV Converter Technology. IEEE Ind. Electron. Mag. 2015, 9, 47–61. [Google Scholar] [CrossRef]
- Teodorescu, R.; Liserre, M.; Rodriguez, P. Grid Converters for Photovoltaic and Wind Power Systems; Wiley: New York, NY, USA, 2011. [Google Scholar]
- Blaabjerg, F.; Iov, F.; Kerekes, T.; Teodorescu, R. Trends in power electronics and control of renewable energy systems. In Proceedings of the 14th International Power Electronics and Motion Control Conference EPE-PEMC, Ohrid, Republic of Macedonia, 6–8 September 2010; pp. K-1–K-19. [Google Scholar] [CrossRef]
- Rivera, S.; Kouro, S.; Wu, B.; Leon, J.I.; Rodríguez, J.; Franquelo, L.G. Cascaded H-bridge multilevel converter multistring topology for large scale photovoltaic systems. In Proceedings of the 2011 IEEE International Symposium on Industrial Electronics, Gdansk, Poland, 27–30 June 2011; pp. 1837–1844. [Google Scholar] [CrossRef]
- Acharya, A.B.; Ricco, M.; Sera, D.; Teoderscu, R.; Norum, L.E. Performance Analysis of Medium-Voltage Grid Integration of PV Plant Using Modular Multilevel Converter. IEEE Trans. Energy Convers. 2019, 34, 1731–1740. [Google Scholar] [CrossRef]
- Shi, Y.; Li, R.; Xue, Y.; Li, H. High-Frequency-Link-Based Grid-Tied PV System With Small DC-Link Capacitor and Low-Frequency Ripple-Free Maximum Power Point Tracking. IEEE Trans. Power Electron. 2016, 31, 328–339. [Google Scholar] [CrossRef]
- Abramovitz, A.; Zhao, B.; Smedley, K.M. High-Gain Single-Stage Boosting Inverter for Photovoltaic Applications. Ieee Trans. Power Electron. 2016, 31, 3550–3558. [Google Scholar] [CrossRef]
- Sathyan, S.; Suryawanshi, H.M.; Shitole, A.B.; Ballal, M.S.; Borghate, V.B. Soft-Switched Interleaved DC/DC Converter as Front-End of Multi-Inverter Structure for Micro Grid Applications. IEEE Trans. Power Electron. 2018, 33, 7645–7655. [Google Scholar] [CrossRef]
- Sharma, P.; Agarwal, V. Exact Maximum Power Point Tracking of Grid-Connected Partially Shaded PV Source Using Current Compensation Concept. IEEE Trans. Power Electron. 2014, 29, 4684–4692. [Google Scholar] [CrossRef]
- Rani, B.I.; Ilango, G.S.; Nagamani, C. Enhanced Power Generation From PV Array Under Partial Shading Conditions by Shade Dispersion Using Su Do Ku Configuration. IEEE Trans. Sustain. Energy 2013, 4, 594–601. [Google Scholar] [CrossRef]
- Patel, H.; Agarwal, V. MATLAB-Based Modeling to Study the Effects of Partial Shading on PV Array Characteristics. IEEE Trans. Energy Convers. 2008, 23, 302–310. [Google Scholar] [CrossRef]
- Zapata, J.W.; Kouro, S.; Carrasco, G.; Renaudineau, H.; Meynard, T.A. Analysis of Partial Power DC–DC Converters for Two-Stage Photovoltaic Systems. IEEE J. Emerg. Sel. Top. Power Electron. 2019, 7, 591–603. [Google Scholar] [CrossRef]
- Sangwongwanich, A.; Yang, Y.; Blaabjerg, F. High-Performance Constant Power Generation in Grid-Connected PV Systems. IEEE Trans. Power Electron. 2016, 31, 1822–1825. [Google Scholar] [CrossRef]
- Vázquez, N.; Rosas, M.; Hernández, C.; Vázquez, E.; Perez-Pinal, F.J. A New Common-Mode Transformerless Photovoltaic Inverter. IEEE Trans. Ind. Electron. 2015, 62, 6381–6391. [Google Scholar] [CrossRef]
- Chen, L.; Amirahmadi, A.; Zhang, Q.; Kutkut, N.; Batarseh, I. Design and Implementation of Three-Phase Two-Stage Grid-Connected Module Integrated Converter. IEEE Trans. Power Electron. 2014, 29, 3881–3892. [Google Scholar] [CrossRef]
- Calais, M.; Myrzik, J.; Spooner, T.; Agelidis, V.G. Inverters for single-phase grid connected photovoltaic systems-an overview. In Proceedings of the 2002 IEEE 33rd Annual IEEE Power Electronics Specialists Conference. Proceedings (Cat. No.02CH37289), Cairns, QLD, Australia, 23–27 June 2002; Volume 4, pp. 1995–2000. [Google Scholar] [CrossRef]
- Zhu, H.; Zhang, D.; Athab, H.S.; Wu, B.; Gu, Y. PV Isolated Three-Port Converter and Energy-Balancing Control Method for PV-Battery Power Supply Applications. IEEE Trans. Ind. Electron. 2015, 62, 3595–3606. [Google Scholar] [CrossRef]
- Vakacharla, V.R.; Rathore, A.K. Isolated Soft Switching Current Fed LCC-T Resonant DC–DC Converter for PV/Fuel Cell Applications. IEEE Trans. Ind. Electron. 2019, 66, 6947–6958. [Google Scholar] [CrossRef]
- De Oliveira, R.N.M.; Mazza, L.C.d.S.; Filho, H.M.d.; Oliveira, D.d.S. A Three-Port Isolated Three-Phase Current-Fed DC–DC Converter Feasible to PV and Storage Energy System Connection on a DC Distribution Grid. IEEE Trans. Ind. Appl. 2019, 55, 4910–4919. [Google Scholar] [CrossRef]
- Prasanna, U.R.; Rathore, A.K. Analysis, Design, and Experimental Results of a Novel Soft-Switching Snubberless Current-Fed Half-Bridge Front-End Converter-Based PV Inverter. IEEE Trans. Power Electron. 2013, 28, 3219–3230. [Google Scholar] [CrossRef]
- Liu, Y.; Abu-Rub, H.; Ge, B. Front-End Isolated Quasi-Z-Source DC–DC Converter Modules in Series for High-Power Photovoltaic Systems—Part II: Control, Dynamic Model, and Downscaled Verification. IEEE Trans. Ind. Electron. 2017, 64, 359–368. [Google Scholar] [CrossRef]
- Buticchi, G.; Barater, D.; Costa, L.F.; Liserre, M. A PV-Inspired Low-Common-Mode Dual-Active-Bridge Converter for Aerospace Applications. IEEE Trans. Power Electron. 2018, 33, 10467–10477. [Google Scholar] [CrossRef]
- Kundu, U.; Yenduri, K.; Sensarma, P. Accurate ZVS Analysis for Magnetic Design and Efficiency Improvement of Full-Bridge LLC Resonant Converter. IEEE Trans. Power Electron. 2017, 32, 1703–1706. [Google Scholar] [CrossRef]
- Kathiresan, R.; Das, P.; Reindl, T.; Panda, S.K. A Novel ZVS DC–DC Full-Bridge Converter With Hold-Up Time Operation. IEEE Trans. Ind. Electron. 2017, 64, 4491–4500. [Google Scholar] [CrossRef]
- Wang, H.; Dusmez, S.; Khaligh, A. Design and Analysis of a Full-Bridge LLC-Based PEV Charger Optimized for Wide Battery Voltage Range. IEEE Trans. Veh. Technol. 2014, 63, 1603–1613. [Google Scholar] [CrossRef]
- Wang, H.; Li, Z. A PWM LLC Type Resonant Converter Adapted to Wide Output Range in PEV Charging Applications. IEEE Trans. Power Electron. 2018, 33, 3791–3801. [Google Scholar] [CrossRef]
- Awasthi, A.; Bagawade, S.; Jain, P. Analysis of a Hybrid Variable Frequency-Duty Cycle Modulated low-Q LLC Resonant Converter for Improving Light-Load Efficiency for Wide Input Voltage Range. IEEE Trans. Power Electron. 2020. [Google Scholar] [CrossRef]
- Sun, X.; Li, X.; Shen, Y.; Wang, B.; Guo, X. Dual-Bridge LLC Resonant Converter With Fixed-Frequency PWM Control for Wide Input Applications. IEEE Trans. Power Electron. 2017, 32, 69–80. [Google Scholar] [CrossRef]
- Li, X.; Bhat, A.K.S. Analysis and Design of High-Frequency Isolated Dual-Bridge Series Resonant DC/DC Converter. IEEE Trans. Power Electron. 2010, 25, 850–862. [Google Scholar] [CrossRef]
- Li, X. A LLC-Type Dual-Bridge Resonant Converter: Analysis, Design, Simulation, and Experimental Results. IEEE Trans. Power Electron. 2014, 29, 4313–4321. [Google Scholar] [CrossRef]
- Wu, H.; Chen, L.; Xing, Y. Secondary-Side Phase-Shift-Controlled Dual-Transformer-Based Asymmetrical Dual-Bridge Converter with Wide Voltage Gain. IEEE Trans. Power Electron. 2015, 30, 5381–5392. [Google Scholar] [CrossRef]
- Hu, S.; Li, X. Performance Evaluation of a Semi-Dual-Bridge Resonant DC/DC Converter With Secondary Phase-Shifted Control. IEEE Trans. Power Electron. 2017, 32, 7727–7738. [Google Scholar] [CrossRef]
- Wu, J.; Li, Y.; Sun, X.; Liu, F. A New Dual-Bridge Series Resonant DC–DC Converter With Dual Tank. IEEE Trans. Power Electron. 2018, 33, 3884–3897. [Google Scholar] [CrossRef]
- Zhou, S.; Li, X.; Zhong, Z.; Zhang, X. Wide ZVS operation of a semi-dual-bridge resonant converter under variable-frequency phase-shift control. Iet Power Electron. 2020, 13, 1746–1755. [Google Scholar] [CrossRef]
- Wu, F.; Wang, Z.; Luo, S. Buck-Boost Three-Level Semi-Dual-Bridge Resonant Isolated DC-DC Converter. IEEE J. Emerg. Sel. Top. Power Electron. 2020. [Google Scholar] [CrossRef]
- Wei, Y.; Luo, Q.; Du, X.; Altin, N.; Nasiri, A.; Alonso, J.M. A Dual Half-Bridge LLC Resonant Converter With Magnetic Control for Battery Charger Application. IEEE Trans. Power Electron. 2020, 35, 2196–2207. [Google Scholar] [CrossRef]
- Kazimierczuk, M.K.; Czarkowski, D. Resonant Power Converters; Wiley: New York, NY, USA, 2012. [Google Scholar]
- Olivares-Rodríguez, C.; Castillo-Calzadilla, T.; Kamara-Esteban, O. Bio-inspired Approximation to MPPT Under Real Irradiation Conditions. In IDC 2018. Studies in Computational Intelligence; Springer: Cham, Switzerland, 2018; Volume 798. [Google Scholar]
- De Brito, M.A.G.; Galotto, L.; Sampaio, L.P.; Melo, G.d.A.e.; Canesin, C.A. Evaluation of the Main MPPT Techniques for Photovoltaic Applications. IEEE Trans. Ind. Electron. 2013, 60, 1156–1167. [Google Scholar] [CrossRef]
- Available online: https://www.lg.com/us/business/solar-panels/lg-lg400n2w-v5 (accessed on 26 March 2021).
- Naradhipa, A.M.; Kim, S.; Yang, D.; Choi, S.; Yeo, I.; Lee, Y. Power Density Optimization of 700 kHz GaN-Based Auxiliary Power Module for Electric Vehicles. IEEE Trans. Power Electron. 2021, 36, 5610–5621. [Google Scholar] [CrossRef]
- Ouyang, Z.; Thomsen, O.C.; Andersen, M.A.E. Optimal Design and Tradeoff Analysis of Planar Transformer in High-Power DC–DC Converters. IEEE Trans. Ind. Electron. 2012, 59, 2800–2810. [Google Scholar] [CrossRef]
- McLyman, C.W.T. Transformer and Inductor Design Handbook; Marcel Dekker: New York, NY, USA, 1988; Chapter 17. [Google Scholar]
- Li, S.; Min, Q.; Rong, E.; Zhang, R.; Du, X.; Lu, S. A Magnetic Integration Half-Turn Planar Transformer and its Analysis for LLC Resonant DC-DC Converters. IEEE Access 2019, 7, 128408–128418. [Google Scholar] [CrossRef]
Publisher’s Note: MDPI stays neutral with regard to jurisdictional claims in published maps and institutional affiliations. |
© 2021 by the authors. Licensee MDPI, Basel, Switzerland. This article is an open access article distributed under the terms and conditions of the Creative Commons Attribution (CC BY) license (https://creativecommons.org/licenses/by/4.0/).

















