Analysis of Heat Exchange Rate for Low-Depth Modular Ground Heat Exchanger through Real-Scale Experiment
Abstract
1. Introduction
| Year | Author(s) | Description | |
|---|---|---|---|
| Numerical Study | 2008 | Nam et al. [6] | Development of a numerical model to predict heat exchange rates of a GSHP system |
| 2011 | Congedo et al. [7] | CFD simulations of horizontal GHXs, comparison of different configurations | |
| 2015 | Dasare and Saha [8] | Numerical study of horizontal GHX for high energy demand applications | |
| 2015 | Oh et al. [18] | Performance analysis of a low-depth unit-type GHX using numerical simulation | |
| 2015 | Yoon et al. [14] | Thermal efficiency evaluation and cost analysis of different types of GHXs in energy piles | |
| 2016 | Gabrielli and Bottarelli [19] | Financial and economic analysis of ground-coupled HP using shallow GHX | |
| 2016 | Selamat et al. [9] | Numerical study of horizontal GHXs for design optimization through CFD simulation | |
| 2018 | Habibi and Hakkaki-Fard [20] | Evaluation and improvement of thermal performance of different types of horizontal GHXs based on techno-economic analysis | |
| 2018 | Saeidi et al. [21] | Numerical simulation of a novel spiral type GHX for enhancing heat transfer performance of geothermal HP | |
| 2020 | Kim and Nam [10] | Development of performance prediction equation for a modular GHX | |
| Experimental Study | 1999 | Shonder et al. [22] | A new comparison of design methods for vertical GHXs for residential applications |
| 2006 | Esen et al. [11] | Energy and exergy analysis of a ground-coupled HP system with two horizontal GHXs | |
| 2013 | Luo et al. [12] | Thermal performance and economic evaluation of double U-tube borehole heat exchanger with three different borehole diameters | |
| 2015 | Yoon et al. [23] | Evaluation of thermal efficiency in different types of horizontal GHXs | |
| 2016 | Luo et al. [13] | Thermo-economic analysis of four different types of GHXs in energy piles | |
| 2017 | Sipio and Bertermann [15] | Factors influencing thermal efficiency of horizontal GHXs | |
| 2018 | Kayaci and Demir [24] | Long time performance analysis of GSHPs for space heating and cooling applications based on thermo-economic optimization criteria | |
| 2019 | Arif et al. [16] | GSHP with horizontal GHXs for space cooling in hot tropical climates | |
| 2020 | Kim et al. [17] | Analysis on the effect of performance factor on GSHP system |
2. Low-Depth Modular Ground Heat Exchanger
3. Materials and Methods
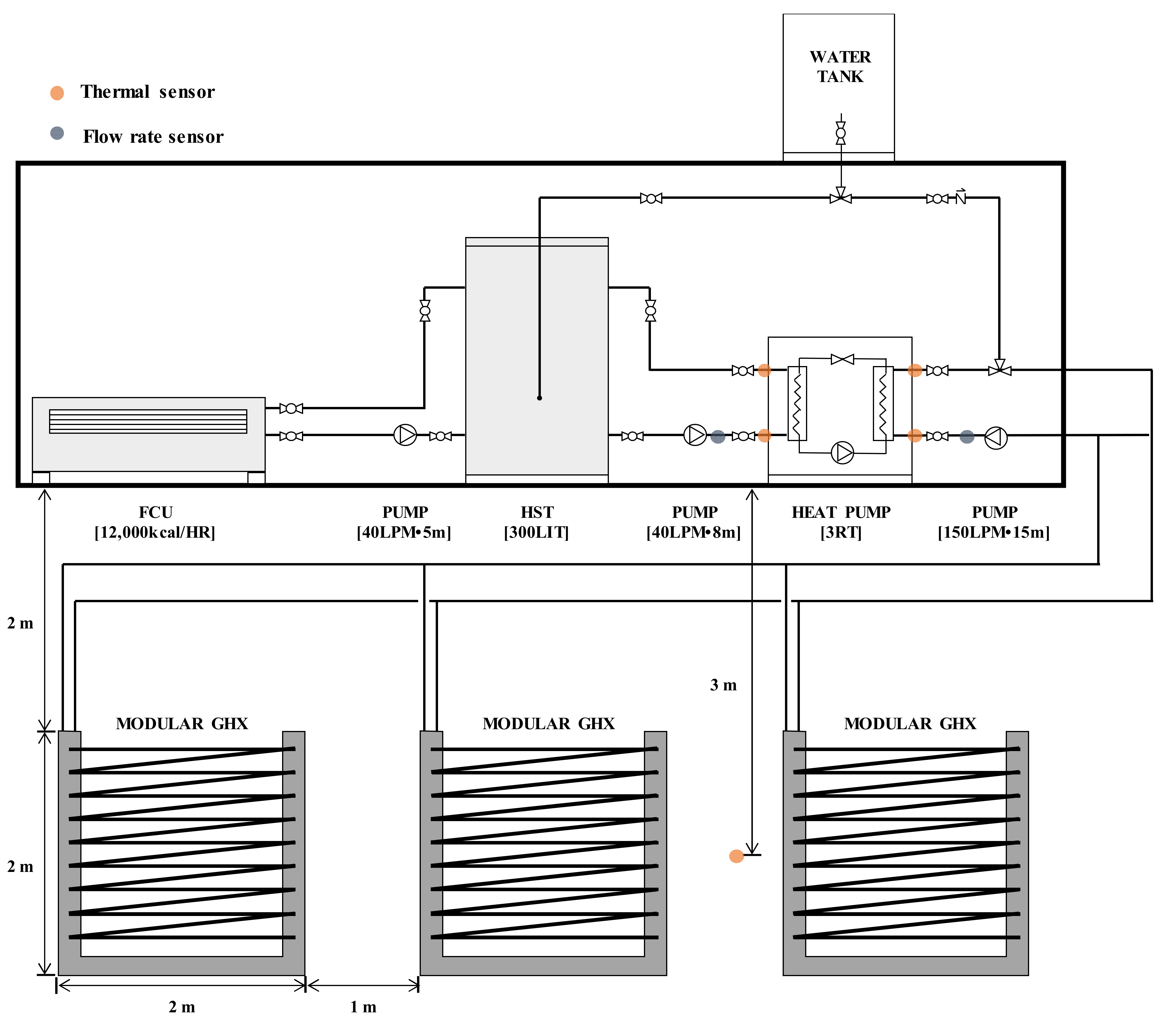
3.1. Set-up of Real-Scale Experiment
3.2. Experiment Conditions
4. Results
4.1. Heating Period
4.2. Cooling Period
4.3. Variation in Underground Temperature
5. Conclusions
- (1)
- The heat exchange rate during the heating period was 78.98 W/m in the short term and 51.21 W/m in the long term. For stability during continuous operation, the heat exchange rate must be below 39 W/m.
- (2)
- The heat exchange rate during the cooling period was 88.83 W/m and 120.57 W/m in the short term and long term, respectively. For stability during continuous operation, the heat exchange rate must be below 59 W/m.
- (3)
- The average heat exchange rate during the cooling period was 102.57 W/m, with a flow rate of 30 LPM, and increased to 116.77 W/m when the flow rate increased to 80 LPM; as the flow rate increased, the heat exchange rate increased.
- (4)
- During the heating operation, the underground temperature decreased by 1.2 °C. On the contrary, during the cooling operation, the underground temperature increased by 4.4 °C up to the maximum point.
Author Contributions
Funding
Institutional Review Board Statement
Informed Consent Statement
Conflicts of Interest
Abbreviations
| GSHP | Ground source heat pump |
| GHX | Ground heat exchanger |
| EWT | Entering water temperature |
| LWT | Leaving water temperature |
| HDPE | High-density polyethylene |
| HP | Heat pump |
| FCU | Fan coil unit |
| HST | Heat storage tank |
| TRT | Thermal response test |
| RMSE | Root mean square deviation |
| CFD | Computational fluid dynamics |
| LPM | Liter per meter |
| COP | Coefficient of performance |
| KMA | Korea Meteorological Administration |
References
- International Energy Agency. Available online: http://iea.or/report (accessed on 1 October 2020).
- U.S. Energy Information Administration. U.S. Energy Facts Explained; U.S. Energy Information Administration: Washington, DC, USA. Available online: http://eig.gov/energyexplained (accessed on 1 April 2020).
- Rybach, L.; Eugster, W.J. Sustainability Aspects of Geothermal Heat Pumps. In Proceedings of the Twenty-Seventh Workshop on Geothermal Reservoir Engineering, Stanford, CA, USA, 10–12 February 2020. [Google Scholar]
- Florides, G.; Kalogirou, S. Ground heat exchanger—A review of systems, models and applications. Renew. Energy 2007, 32, 2461–2478. [Google Scholar] [CrossRef]
- Department of Energy and Climate Change. Potential Cost Reductions for Ground Source Heat Pumps; Department of Energy and Climate Change: London, UK, 2016.
- Nam, Y.J.; Ooka, R.; Hwang, S.H. Development of a numerical model to predict heat exchange rates for a ground-source heat pump system. Energy Build. 2008, 40, 2133–2140. [Google Scholar] [CrossRef]
- Congedo, R.M.; Colangelo, G.; Starace, G. CFD simulations of horizontal ground heat exchangers: A comparison among different configurations. Appl. Therm. Engin. 2011, 33–34, 24–32. [Google Scholar] [CrossRef]
- Dasare, R.R.; Saha, S.K. Numerical study of horizontal ground heat exchanger for high energy demand applications. Appl. Therm. Eng. 2015, 85, 252–263. [Google Scholar] [CrossRef]
- Selamat, S.; Miyara, A.; Kariya, K. Numerical study of horizontal ground heat exchangers for design optimization. Renew. Energy 2016, 95, 561–573. [Google Scholar] [CrossRef]
- Kim, J.; Nam, Y. Development of the Performance Prediction Equation for a Modular Ground Heat Exchanger. Energies 2020, 13, 6005. [Google Scholar] [CrossRef]
- Esen, H.; Inalli, M.; Esen, M.; Pihitili, K. Energy and exergy analysis of a ground-coupled heat pump system with two horizontal ground heat exchangers. Build. Environ. 2006, 42, 3606–3615. [Google Scholar] [CrossRef]
- Luo, J.; Rohn, J.; Bayer, M.; Priess, A. Thermal performance and economic evaluation of double U-tube borehole heat exchanger with three different borehole diameters. Energy Build. 2013, 67, 217–224. [Google Scholar] [CrossRef]
- Luo, J.; Zhao, H.; Gui, S.; Xiang, W.; Rohn, J.; Blum, P. Thermo-economic analysis of four different types of ground heat exchangers in energy piles. Appl. Therm. Engin. 2016, 18, 11–19. [Google Scholar] [CrossRef]
- Yoon, S.; Lee, S.R.; Go, G.H. Evaluation of thermal efficiency in different types of horizontal ground heat exchanger. Energy Build. 2015, 105, 100–105. [Google Scholar] [CrossRef]
- Sipio, E.; Bertermann, D. Factors Influencing the Thermal Efficiency of Horizontal Ground Heat Exchangers. Energies 2017, 10, 1897. [Google Scholar] [CrossRef]
- Arif, W.C.; Sasimook, C.; Isao, T.; Yohei, U.; Kasumi, Y.; Srilert, C.; Punya, C. Ground-Source Heat Pumps with Horizontal Heat Exchangers for Space Cooling in the Hot Tropical Climate of Thailand. Energies 2019, 12, 1274. [Google Scholar]
- Kim, H.K.; Nam, Y.J.; Bae, S.M.; Choi, J.S.; Kim, S.B. A study on the Effect of Performance Factor on GSHP System through Real-Scale Experiments in Korea. Energies 2020, 13, 554. [Google Scholar] [CrossRef]
- Oh, J.H.; Seo, J.H.; Nam, Y.J. Performance Analysis of a Low-Depth Unit-Type Ground Heat Exchanger using Numerical Simulation. Korean J. Air Cond. Refrig. Eng. 2015, 27, 169–173. [Google Scholar]
- Gabrielli, L.; Bottarelli, M. Financial and economic analysis for ground-coupled heat pumps using shallow ground heat exchangers. Sustain. Cities Soc. 2016, 20, 71–80. [Google Scholar] [CrossRef]
- Habibi, M.; Hakkaki-Fard, A. Evaluation and improvement of the thermal performance of different types of horizontal ground heat exchangers based on techno-economic analysis. Energy Convers. Manag. 2018, 171, 1177–1192. [Google Scholar] [CrossRef]
- Saeidi, R.; Noorollahi, Y.; Esfahanian, V. Numerical simulation of a novel spiral type ground heat exchanger for enhancing heat transfer performance of geothermal heat pump. Energy Convers. Manag. 2018, 168, 296–307. [Google Scholar] [CrossRef]
- Shonder, J.; Baxter, V.; Thornton, J.; Hughes, P. A new comparison of vertical ground heat exchanger design methods for residential applications. ASHRAE Trasns. 1999, 105, 1179. [Google Scholar]
- Yoon, S.; Lee, S.R.; Xue, J.; Zosseder, K.; Go, G.H.; Park, H. Evaluation of the thermal efficiency and a cost analysis of different types of ground heat exchangers in energy piles. Energy Convers. Manag. 2015, 105, 393–402. [Google Scholar] [CrossRef]
- Kayaci, N.; Demir, H. Long time performance analysis of ground source heat pump for space heating and cooling applications based on thermo-economic optimization criteria. Energy Build. 2018, 163, 121–139. [Google Scholar] [CrossRef]
- Renewable Energy Data Center. Available online: https://kier-solar.org/ (accessed on 28 October 2020).
















| COST | ||
|---|---|---|
| Vertical GHX (Unit: $) | Modular GHX (Unit: $) | |
| Drilling | 4770 | 620 |
| Casing | 350 | - |
| Grouting | 620 | 440 |
| Making | 620 | 1770 |
| Labor | 530 | 270 |
| Total | 6890 | 3000 |
| Equipment | Specification | |
|---|---|---|
| HP | Capacity | Heating: 10.69 kW Cooling: 11.16 kW |
| Power consumption | Heating: 3.35 kW Cooling: 2.6 kW | |
| GHX | Pipe (HDPE) | Diameter: 40 mm Length: 67.3 m (per unit) Thickness: 2.5 mm |
| Grouting | Concrete | |
| Circulation pump | Pump-1 | Flow rate: 40 L/m Length: 5 m |
| Pump-2 | Flow rate: 40 L/m Length: 8 m | |
| Pump-3 | Flow rate: 150 L/m Length: 15 m | |
| HST | Capacity | 300 L |
| Dimension | Diameter: 610 mm Height: 1530 mm | |
| FCU | Capacity | Heating: 14.3 kW Cooling: 10.2 kW |
| Power consumption | 55 W | |
| Case | Operation Mode | Operating Time (Period) | Flow Rate | Limited Temperature of Heat Source | Limited Temperature of HST | FCU Capabilities |
|---|---|---|---|---|---|---|
| 1 | Heating | 1/14 (4 h) | 80 LPM | 4 °C | 50 °C | Heating: 14.3 kW Cooling: 10.2 kW |
| 2 | 4/11 (4 h) | Heating: 28.6 kW Cooling: 20.5 kW | ||||
| 3 | 4/11–4/13 | |||||
| 4 | Cooling | 6/23 (6 h) | 30 LPM | 30 °C | 15 °C | |
| 5 | 6/23–7/3 | |||||
| 6 | 7/4–7/17 | 80 LPM |
Publisher’s Note: MDPI stays neutral with regard to jurisdictional claims in published maps and institutional affiliations. |
© 2021 by the authors. Licensee MDPI, Basel, Switzerland. This article is an open access article distributed under the terms and conditions of the Creative Commons Attribution (CC BY) license (http://creativecommons.org/licenses/by/4.0/).
Share and Cite
Kim, K.; Kim, J.; Nam, Y.; Lee, E.; Kang, E.; Entchev, E. Analysis of Heat Exchange Rate for Low-Depth Modular Ground Heat Exchanger through Real-Scale Experiment. Energies 2021, 14, 1893. https://doi.org/10.3390/en14071893
Kim K, Kim J, Nam Y, Lee E, Kang E, Entchev E. Analysis of Heat Exchange Rate for Low-Depth Modular Ground Heat Exchanger through Real-Scale Experiment. Energies. 2021; 14(7):1893. https://doi.org/10.3390/en14071893
Chicago/Turabian StyleKim, Kwonye, Jaemin Kim, Yujin Nam, Euyjoon Lee, Eunchul Kang, and Evgueniy Entchev. 2021. "Analysis of Heat Exchange Rate for Low-Depth Modular Ground Heat Exchanger through Real-Scale Experiment" Energies 14, no. 7: 1893. https://doi.org/10.3390/en14071893
APA StyleKim, K., Kim, J., Nam, Y., Lee, E., Kang, E., & Entchev, E. (2021). Analysis of Heat Exchange Rate for Low-Depth Modular Ground Heat Exchanger through Real-Scale Experiment. Energies, 14(7), 1893. https://doi.org/10.3390/en14071893

