A Novel Gate Drive Circuit for Suppressing Turn-on Oscillation of Non-Kelvin Packaged SiC MOSFET
Abstract
1. Introduction
2. Analysis of Turn-on Loss
2.1. Turn-on Process of Kelvin Packaged SiC MOSFET
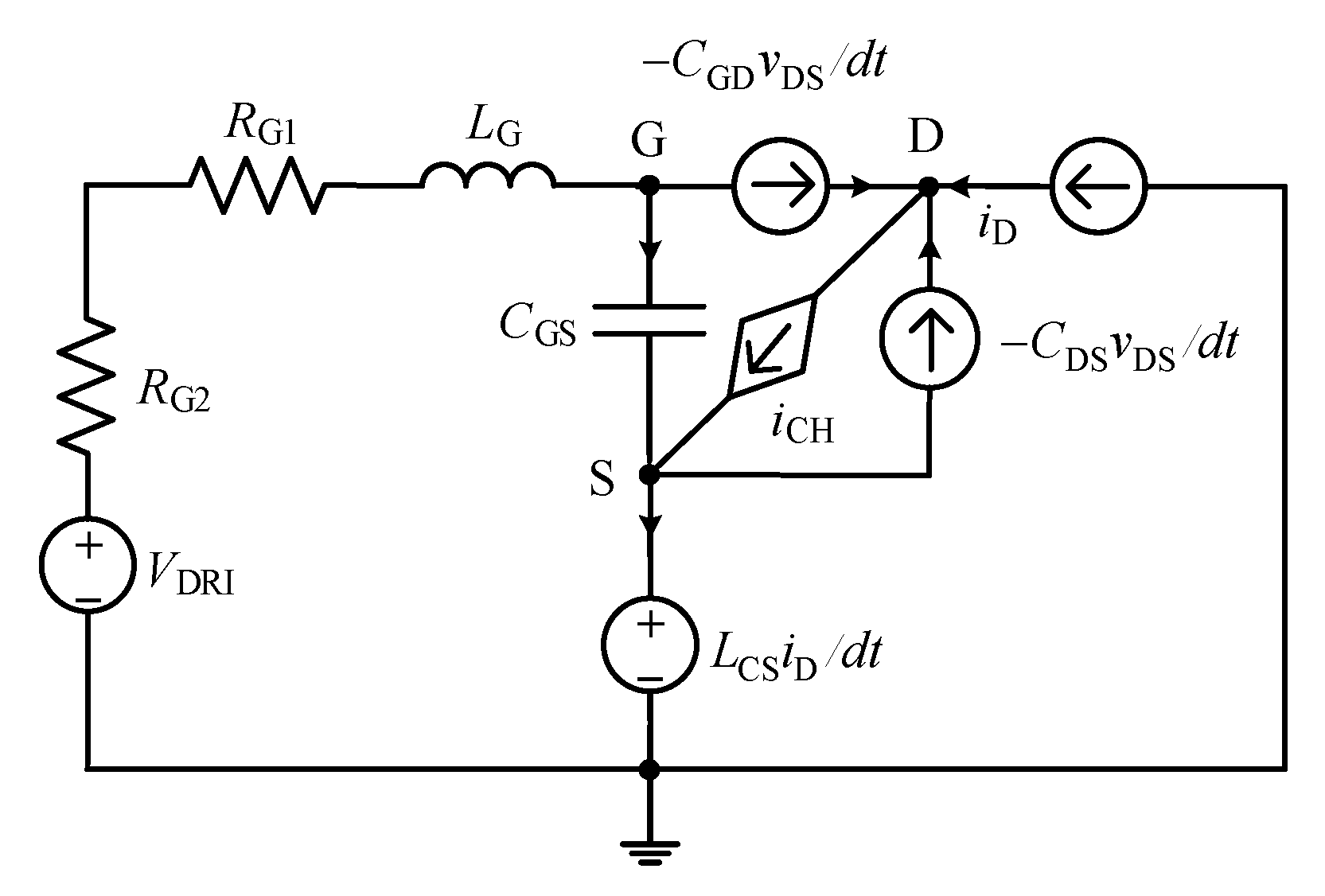
2.2. Turn-on Process of Non-Kelvin Packaged SiC MOSFET
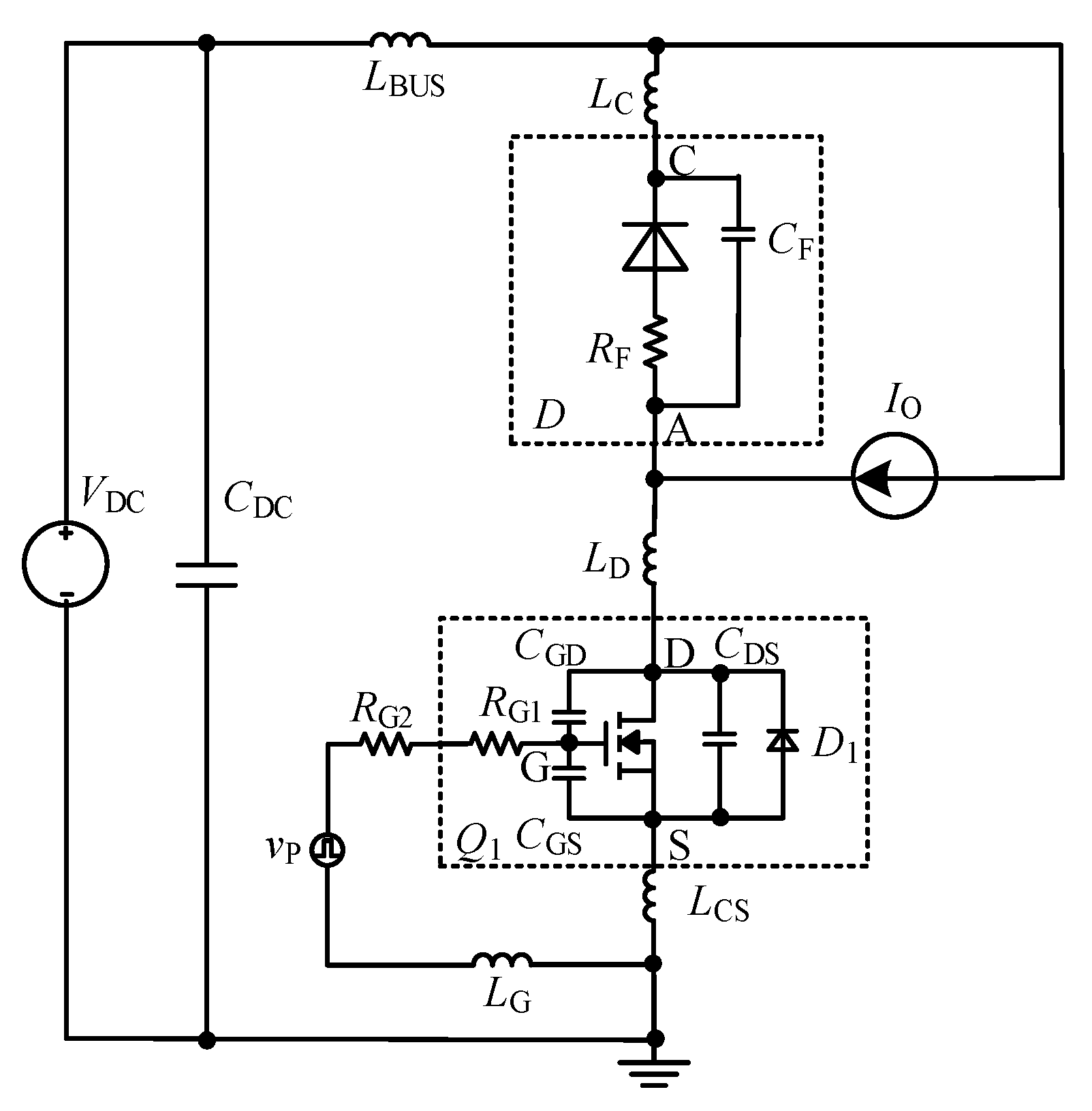
3. SRD-Type Drive Circuit
3.1. Operating Principle of SRD-Type Drive Circuit
3.2. Simulation Verification
4. Experimental Verification
5. Conclusions
Author Contributions
Funding
Institutional Review Board Statement
Informed Consent Statement
Data Availability Statement
Conflicts of Interest
References
- Wrzecionko, B.; Bortis, D.; Biela, J.; Kolar, J.W. Novel AC-coupled gate driver for ultrafast switching of normally off SiC JFETs. IEEE Trans. Power Electron. 2012, 27, 3452–3463. [Google Scholar] [CrossRef]
- Chen, J.G.; Li, Y.; Liang, M. A Gate Driver Based on Variable Voltage and Resistance for Suppressing Overcurrent and Overvoltage of SiC MOSFETs. Energies 2019, 12, 1640. [Google Scholar] [CrossRef]
- Han, D.; Noppakunkajorn, J.; Sarlioglu, B. Analysis of a SiC three-phase voltage source inverter under various current and power factor operations. In Proceedings of the IECON 2013-39th Annual Conference of the IEEE Industrial Electronics Society, Vienna, Austria, 10–13 November 2013; pp. 447–452. [Google Scholar]
- Jouha, W.; El Oualkadi, A.; Dherbecourt, P.; Joubert, E.; Masmoudi, M. Silicon Carbide Power MOSFET Model: An Accurate Parameter Extraction Method Based on the Levenberg–Marquardt Algorithm. IEEE Trans. Power Electron. 2018, 33, 9130–9133. [Google Scholar] [CrossRef]
- Han, D.; Noppakunkajorn, J.; Sarlioglu, B. Efficiency comparison of SiC and Si-based bidirectional DC-DC converters. In Proceedings of the 2013 IEEE Transportation Electrification Conference and Expo (ITEC), Detroit, MI, USA, 16–19 June 2013. [Google Scholar]
- Hashimoto, K.; Okuda, T.; Hikihara, T. A Flyback Converter with SiC Power MOSFET Operating at 10 MHz: Reducing Leakage Inductance for Improvement of Switching Behaviors. In Proceedings of the 2018 International Power Electronics Conference (IPEC-Niigata 2018 -ECCE Asia), Niigata, Japan, 20–24 May 2018; pp. 3757–3761. [Google Scholar]
- Zhang, W.; Xu, Z.; Zhang, Z.; Wang, F.; Tolbert, L.M.; Blalock, B.J. Evaluation of 600 V cascode GaN HEMT in device characterization and all-GaN-based LLC resonant converter. In Proceedings of the Energy Conversion Congress and Exposition, Denver, CO, USA, 15–19 September 2013; pp. 3571–3578. [Google Scholar]
- Zhang, W.; Zhang, Z.Y.; Wang, F.; Tolbert, L.M.; Costinett, D.; Blalock, B. Characterization and Modeling of a SiC MOSFET’s Turn-Off Overvoltage. Mater. Sci. Forum 2018, 924, 827–831. [Google Scholar] [CrossRef]
- Kadavelugu, A.; Baek, S.; Dutta, S.; Bhattacharya, S.; Das, M.; Agarwal, A.; Scofield, J. High-frequency design considerations of dual active bridge 1200 V SiC MOSFET DC-DC converter. In Proceedings of the 2011 Twenty-Sixth Annual IEEE Applied Power Electronics Conference and Exposition (APEC), Fort Worth, TX, USA, 6–11 March 2011; pp. 314–320. [Google Scholar]
- Wang, Y.; De Haan, S.W.H.; Ferreira, J.A. Potential of improving PWM converter power density with advanced components. In Proceedings of the 2009 13th European Conference on Power Electronics and Applications, Barcelona, Spain, 8–10 September 2009; pp. 1–10. [Google Scholar]
- Strydom, J.; De Rooij, M.; Van Wyk, J. A comparison of fundamental gate-driver topologies for high frequency applications. In Proceedings of the Nineteenth Annual IEEE Applied Power Electronics Conference and Exposition, APEC’04, Anaheim, CA, USA, 22–26 February 2004; Institute of Electrical and Electronics Engineers (IEEE): New York, NY, USA, 2004; Volume 2, pp. 1045–1052. [Google Scholar]
- Zhang, Z.; Wang, F.; Tolbert, L.M.; Blalock, B.J.; Costinett, D.J. Realization of high speed switching of SiC power devices in voltage source converters. In Proceedings of the 2015 IEEE 3rd Workshop on Wide Bandgap Power Devices and Applications (WiPDA); Institute of Electrical and Electronics Engineers (IEEE), Blacksburg, VA, USA, 2–4 November 2015; pp. 28–33. [Google Scholar]
- Zhang, Z.; Wang, F.; Tolbert, L.M.; Blalock, B.J. Active Gate Driver for Crosstalk Suppression of SiC Devices in a Phase-Leg Configuration. IEEE Trans. Power Electron. 2014, 29, 1986–1997. [Google Scholar] [CrossRef]
- Swamy, M.M.; Kume, T.; Takada, N. An efficient resonant gate-drive scheme for high-frequency applications. IEEE Trans. Ind. Appl. 2012, 48, 1418–1431. [Google Scholar] [CrossRef]
- Jorge, G.; Sara, S.; Emre, G.; Alberto, C. Self-Powering High Frequency Modulated SiC Power MOSFET Isolated Gate Driver. IEEE Trans. Ind. Appl. 2019, 55, 3967–3977. [Google Scholar]
- Gui, H.; Zhang, Z.; Chen, R.; Niu, J.; Tolbert, L.M.; Wang, F.F.; Costinett, D.; Blalock, B.J.; Choi, B.B. Gate Drive Technology Evaluation and Development to Maximize Switching Speed of SiC Discrete Devices and Power Modules in Hard Switching Applications. IEEE J. Emerg. Sel. Top. Power Electron. 2020, 8, 4160–4172. [Google Scholar] [CrossRef]
- Wang, X.; Zhao, Z.; Li, K.; Zhu, Y.; Chen, K. Analytical Methodology for Loss Calculation of SiC MOSFETs. IEEE J. Emerg. Sel. Top. Power Electron. 2019, 7, 71–83. [Google Scholar] [CrossRef]
- Li, C.; Lu, Z.; Chen, Y.; Li, C.; Luo, H.; Li, W.; He, X. High Off-State Impedance Gate Driver of SiC MOSFETs for Crosstalk Voltage Elimination Considering Common-Source Inductance. IEEE Trans. Power Electron. 2020, 35, 2999–3011. [Google Scholar] [CrossRef]
- Zhao, J.; Wu, L.; Li, Z.; Chen, Z.; Chen, G. Analysis and Suppression for Crosstalk in SiC MOSFET Turn-off Transient. In Proceedings of the 2020 IEEE 9th International Power Electronics and Motion Control Conference, Nanjing, China, 29 November–2 December 2020; pp. 1145–1150. [Google Scholar]
- Sakib, N.; Manjrekar, M.; Ebong, A. An overview of advances in high reliability gate driving mechanisms for SiC MOSFETs. In Proceedings of the 2017 IEEE 5th Workshop on Wide Bandgap Power Devices and Applications (WiPDA), Albuquerque, NM, USA, 30 October–1 November 2017; pp. 291–294. [Google Scholar]
- Gui, H.; Sun, J.; Tolbert, L.M. Charge Pump Gate Drive to Reduce Turn-ON Switching Loss of SiC MOSFETs. IEEE Trans. Power Electron. 2020, 35, 13136–13147. [Google Scholar] [CrossRef]
- Xiao, L.; Zhao, J.; Li, P.; Dongdong, C.; Wu, L. Analysis and Suppression of High Speed Dv/Dt Induced False Turn-on in GaN HEMT Phase-Leg Topology. Access IEEE 2021, 9, 45259–45269. [Google Scholar]
- Zhou, Z.; Li, H.; Wu, X. A Constant Frequency ZVS Control System for the Four-Switch Buck–Boost DC–DC Converter With Reduced Inductor Current. IEEE Trans. Power Electron. 2018, 34, 5996–6003. [Google Scholar] [CrossRef]
- Choudhury, A. Present Status of SiC based Power Converters and Gate Drivers—A Review. In Proceedings of the International Power Electronics Conference (IPEC-Niigata 2018-ECCE Asia), Niigata, Japan, 20–24 May 2018; pp. 3401–3405. [Google Scholar]
- Li, Y.; Liang, M.; Chen, J.G.; Zheng, T.Q.; Guo, H.B. A Low Gate Turn-OFF Impedance Driver for Suppressing Crosstalk of SiC MOSFET Based on Different Discrete Packages. IEEE J. Emerg. Sel. Top. Power Electron. 2019, 7, 353–365. [Google Scholar] [CrossRef]












| Test Conditions | |
|---|---|
| Input voltage VDC | 600 V |
| Output current IO | 15 A |
| Gate resistance Ron/Roff | 3 Ω |
| Contents of Comparison | Traditional Driving Circuit | SRD-Type Drive Circuit |
|---|---|---|
| Turn-on loss | 0.20 mJ | 0.21 mJ |
| Gate-source voltage spike | 36.5 V | 16.8 V |
| Drain current spike | 47 A | 25 A |
| Drain-source voltage spike | 768 V | 600 V |
Publisher’s Note: MDPI stays neutral with regard to jurisdictional claims in published maps and institutional affiliations. |
© 2021 by the authors. Licensee MDPI, Basel, Switzerland. This article is an open access article distributed under the terms and conditions of the Creative Commons Attribution (CC BY) license (https://creativecommons.org/licenses/by/4.0/).
Share and Cite
Zhao, H.; Chen, J.; Li, Y.; Lin, F. A Novel Gate Drive Circuit for Suppressing Turn-on Oscillation of Non-Kelvin Packaged SiC MOSFET. Energies 2021, 14, 2449. https://doi.org/10.3390/en14092449
Zhao H, Chen J, Li Y, Lin F. A Novel Gate Drive Circuit for Suppressing Turn-on Oscillation of Non-Kelvin Packaged SiC MOSFET. Energies. 2021; 14(9):2449. https://doi.org/10.3390/en14092449
Chicago/Turabian StyleZhao, Hongyan, Jiangui Chen, Yan Li, and Fei Lin. 2021. "A Novel Gate Drive Circuit for Suppressing Turn-on Oscillation of Non-Kelvin Packaged SiC MOSFET" Energies 14, no. 9: 2449. https://doi.org/10.3390/en14092449
APA StyleZhao, H., Chen, J., Li, Y., & Lin, F. (2021). A Novel Gate Drive Circuit for Suppressing Turn-on Oscillation of Non-Kelvin Packaged SiC MOSFET. Energies, 14(9), 2449. https://doi.org/10.3390/en14092449

