A Study Exploring Opportunities to Utilize Wind Charge in Bangladesh
Abstract
1. Introduction
2. Basis of Principle
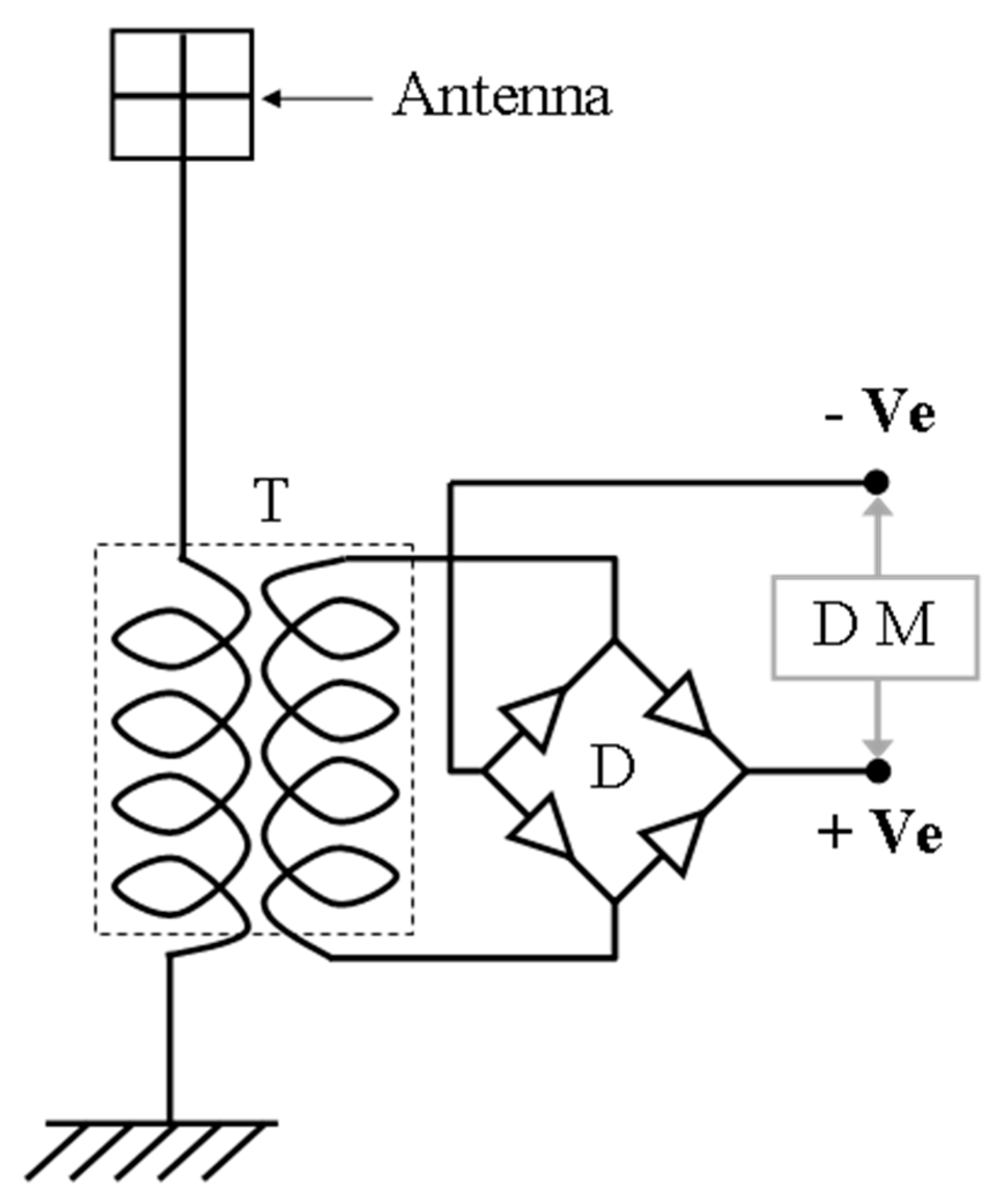
3. Experimental Details
- The output power was recorded with different antenna gaps. Other parameters were almost constant in these observations. It was difficult to maintain constant environment for long periods of time, so the work had to be carried out as rapidly as possible. Galvanized iron (GI) wires were used to make the antennas. Five antennas were used in this observation. The gross antenna size was 72 × 72 cm2, and the wire diameter was 1.6 mm. The sizes of the gaps were 6 × 6 cm2, 12 × 12 cm2, 24 × 24 cm2, 36 × 36 cm2, and 72 × 72 cm2, as shown in Figure 2.
- Output power was recorded with different humidity levels, and other parameters were constant in these observations. The antenna size was 72 × 72 cm2, the gap size was 24 × 24 cm2, and the wire diameter was 3.0 mm. It was difficult to take readings with constant air speeds and temperatures. We have done the experiment several times to get suitable meaning for the presentable data.
- Output power was recorded using different diameters of the antenna wire. Other parameters were constant during these experiments. Five antennas were used in this observation. The antenna size was 72 × 72 cm2, and the gap size was 24 × 24 cm2. The variations in the diameters were 0.5 mm, 1.2 mm, 2.4 mm, 2.6 mm, and 3.0 mm, as shown in Figure 3.
- Output power was recorded with different air speeds. Other parameters were constant in these observations. The antenna size was 72 × 72 cm2, the gap size was 24 × 24 cm2, and the wire diameter was 1.2 mm.
- Output power was recorded with different antenna lengths. Other parameters were constant in these observations. Five antennas were used in this observation. The gap size was 24 × 24 cm2, the width of the antenna was 72 cm, and the wire diameter was 3.0 mm. The lengths of the antenna were 48 cm, 96 cm, 144 cm, 192 cm, and 240 cm, as shown in Figure 4.
- Output power was recorded with different heights from the ground. Other parameters were constant during these observations. The antenna size was 72 × 72 cm2, the gap size was 24 × 24 cm2, and the wire diameter was 3.0 mm in these observations.
- Output power was recorded in different cities. Other parameters were constant in these observations. The antenna size was 72 × 72 cm2, the gap size was 24 × 24 cm2, and the wire diameter was 3.0 mm in these observations. The speed of air was around 3.1 m/s, and the temperature was 33 °C.
4. Results and Discussion
5. Conclusions
Author Contributions
Funding
Institutional Review Board Statement
Informed Consent Statement
Data Availability Statement
Acknowledgments
Conflicts of Interest
References
- United Nations Environment Programme (UNEP). Global Environment Outlook (GEO)—2000; Earth—Scan Publications Ltd.: London, UK, 2000. [Google Scholar]
- Spencer, M.; Tipper, W.A.; Coats, E. UK Offshore Wind in the 2020s. In Creating the Conditions for Cost Effective Decarbonisation; Green Alliance: London, UK, 2014. [Google Scholar]
- Hydroelectric Power. Reclamation Managing Water in the West; Power Resource Office—US Department of Interior, Bureau of Reclamation: Washington, DC, USA, 2005. [Google Scholar]
- Vikas, M.; Rao, S.; Seelam, J.K. Tidal energy: A review. In Proceedings of the International Conference on Hydraulics, Water Resources and Coastal Engineering (Hydro2016), Pune, India, 8–10 December 2016. [Google Scholar]
- Wang, Z.J.; Wang, Z.W. A review on tidal power utilization and operation optimization. IOP Conf. Ser. Earth Environ. Sci. 2019, 240, 052015. [Google Scholar] [CrossRef]
- Muhibbullah, M.; Sadat, Q.T.; Rahman, S.K.; Sutradhar, A.C.; Shaikh, M.E. Characterization of a Linear Generator for Sea Wave. In Proceedings of the 2020 IEEE Region 10 Symposium (TENSYMP), Dhaka, Bangladesh, 5–7 June 2020. [Google Scholar] [CrossRef]
- Muhibbullah, M.; Ichimura, M. Fabrication of Heterojunctions Based on Chemically Deposited Copper Oxide Thin Films for Solar Cell Application. Trans. Mater. Res. Soc. Jpn. 2011, 36, 195–198. [Google Scholar] [CrossRef][Green Version]
- Rowe, M.D. Thermoelectric Power; John Wiley & Sons, Inc.: Hoboken, NJ, USA, 1999. [Google Scholar]
- Sharma, A.; Lee, J.H.; Kim, K.H.; Jung, J.P. Recent Advances in Thermoelectric Power Generation Technology. J. Microelectron. Packag. Soc. 2017, 24, 9–16. [Google Scholar] [CrossRef][Green Version]
- Abu, M.; Md, S.A.; Asha’ri, H. Compact microstrip monopole antenna with enhanced gain using artificial magnetic conductor (AMC). J. Phys. Conf. Ser. 2010, 1502, 012001. [Google Scholar] [CrossRef]
- Supreeyatitikul, N.; Jantori, S.; Boontamchau, P. Design of circular monopole antenna using a ground plane modifications for LTE and UWB Applications. In Proceedings of the 7th International Conference on Information, Communication and Networks, Macau, China, 23–26 April 2019. [Google Scholar] [CrossRef]
- Khalifa, M.; Khashan, L.; Fawzy, I.B.H. Broadband printed-dipole antenna for 4g/5g smartphones. J. Phys. Conf. Ser. 2020, 1447, 012049. [Google Scholar] [CrossRef]
- Muhibbullah, M.; Alhazime, A.A.; Amin, M.; El-Zohary, S.E. Antenna designing for efficient rectenna solar cells. Phys. Scr. 2022, 97, 065505. [Google Scholar] [CrossRef]
- Holle, L.R. The Number of Documented Global Lighting Fatalities. In Proceedings of the 24th International Lighting Detection Conference and 6th International Lighting Meteorology Conference, San Diego, CA, USA, 18–21 April 2016. [Google Scholar]
- Holle, L.R. A summary of recent national-scale lighting fatality studies. Weather Clim. Soc. 2016, 8, 35–42. [Google Scholar] [CrossRef]
- Holle, L.R. Lighting-cuased deaths and injuires related to agriculture. In Proceedings of the 24th International Lighting Detection Conference and 6th International Lighting Meteorology Conference, San Diego, CA, USA, 18–21 April 2016; p. 4. [Google Scholar]
- Baddeley, P.F.H. Whirlwinds and Dust-Storms of India; Bell & Daldy: London, UK, 1860; pp. 3–4. [Google Scholar]
- Shaw, P.E. The electrical charges from like solids. Nature 1926, 118, 659–660. [Google Scholar] [CrossRef]
- Lowell, J.; Truscott, W.S. Triboelectrification of identical insulators. J. Phys. D Appl. Phys. 1986, 19, 1273–1280. [Google Scholar] [CrossRef]
- Shaw, P.E. Electrical separation between identical solid surfaces. Proc. Phys. Soc. 1927, 39, 449–452. [Google Scholar] [CrossRef]
- Lacks, D.J.; Levandovsky, A. Effect of particle size distribution on the polarity of triboelectric charging in granular insulator systems. J. Electrost. 2007, 65, 107–112. [Google Scholar] [CrossRef]
- Wu, Y.; Castle, G.S.P.; Inculet, I.I.; Petigny, S.; Swei, G. Induction charge on freely levitating particles. Powder Technol. 2003, 135–136, 59–64. [Google Scholar] [CrossRef]
- Whitesides, G.M.; Carty, M.L.S. Electrostatic charging due to separation of ions at interfaces: Contact electrification of ionic electrets. Angew. Chem. Int. Ed. 2008, 47, 2188–2207. [Google Scholar] [CrossRef]
- Ristenpart, W.D.; Bird, J.C.; Belmonte, A.; Dollar, F.; Stone, H.A. Non-coalescence of oppositely charged drops. Nature 2009, 461, 377–380. [Google Scholar] [CrossRef] [PubMed]
- Wilson, C.T.R. Some thundercloud problems. J. Frankl. Inst. 1929, 208, 1–12. [Google Scholar] [CrossRef]
- Coates, A.J.; Wellbrock, A.; Lewis, G.R.; Jones, G.H.; Young, D.T.; Crary, F.J.; Waite, J.H., Jr. Heavy negative ions in Titan’s ionosphere: Altitude and latitude dependence. Planet. Space Sci. 2009, 57, 1866–1871. [Google Scholar] [CrossRef]
- Gomes, C. Lighting safety of animals. Int. J. Biometeorol. 2012, 56, 1011–1023. [Google Scholar] [CrossRef] [PubMed]











Publisher’s Note: MDPI stays neutral with regard to jurisdictional claims in published maps and institutional affiliations. |
© 2022 by the authors. Licensee MDPI, Basel, Switzerland. This article is an open access article distributed under the terms and conditions of the Creative Commons Attribution (CC BY) license (https://creativecommons.org/licenses/by/4.0/).
Share and Cite
Muhibbullah, M.; Sadat, Q.T.; Subramaniam, U. A Study Exploring Opportunities to Utilize Wind Charge in Bangladesh. Energies 2022, 15, 6997. https://doi.org/10.3390/en15196997
Muhibbullah M, Sadat QT, Subramaniam U. A Study Exploring Opportunities to Utilize Wind Charge in Bangladesh. Energies. 2022; 15(19):6997. https://doi.org/10.3390/en15196997
Chicago/Turabian StyleMuhibbullah, Muhammad, Quazi Taif Sadat, and Umashankar Subramaniam. 2022. "A Study Exploring Opportunities to Utilize Wind Charge in Bangladesh" Energies 15, no. 19: 6997. https://doi.org/10.3390/en15196997
APA StyleMuhibbullah, M., Sadat, Q. T., & Subramaniam, U. (2022). A Study Exploring Opportunities to Utilize Wind Charge in Bangladesh. Energies, 15(19), 6997. https://doi.org/10.3390/en15196997

