Dual Three-Phase Permanent Magnet Synchronous Machines Vector Control Based on Triple Rotating Reference Frame
Abstract
1. Introduction
2. Mathematical Model of Dual Three-phase Machines Based on Triple Stationary Reference Frame
3. Interpretation of Phase Currents Using VSD and Triple Stationary Transformation Modeling Approaches
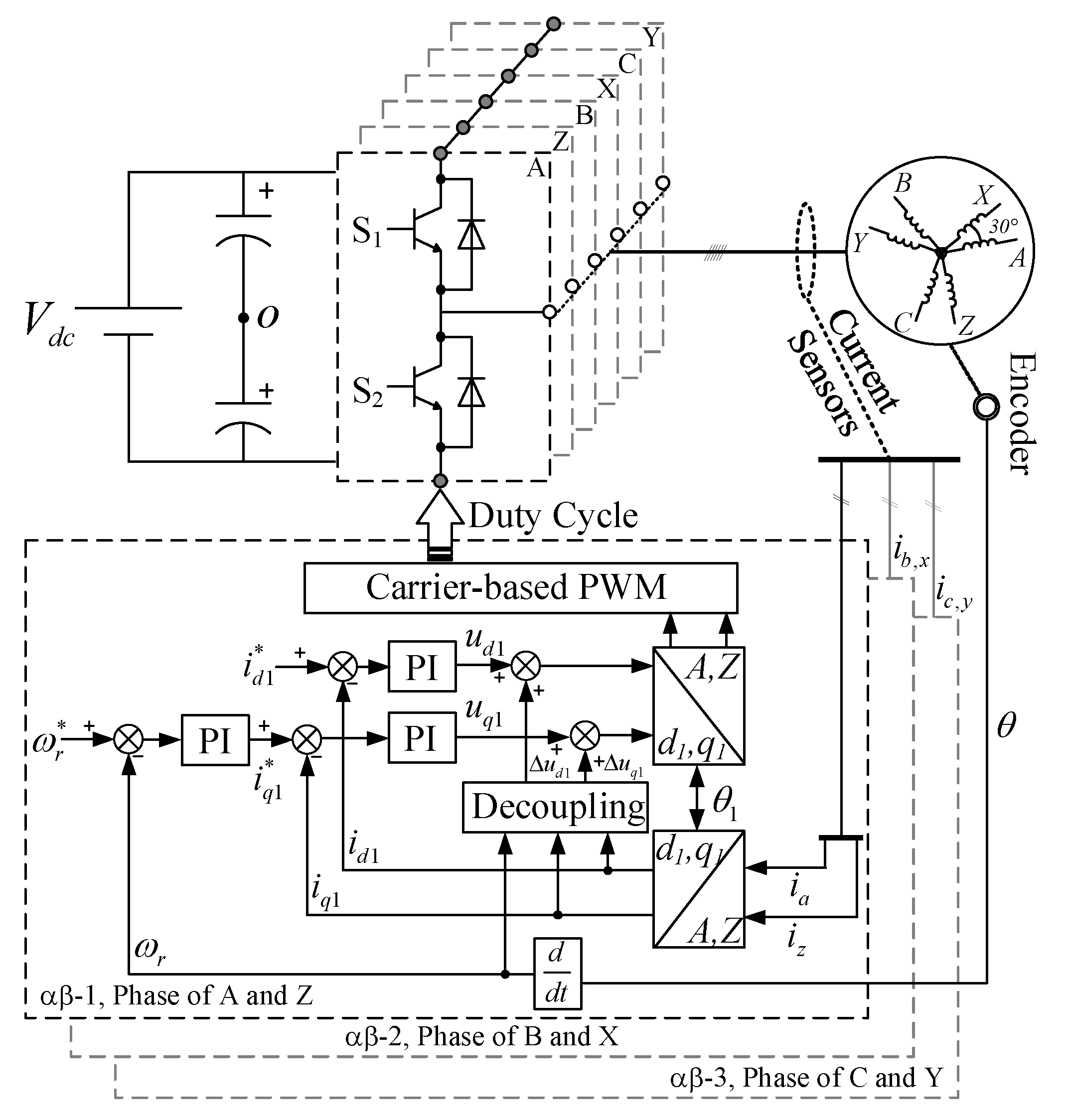
4. Control Scheme of Triple Stationary Reference Frame
5. Experimental Results
5.1. Experimental Setup
5.2. Dynamic Performance Observation
5.3. Compensation of Imbalance Currents
6. Conclusions
Author Contributions
Funding
Conflicts of Interest
Nomenclature
u | Voltage | Laaq | Q-axis self-inductance |
i | Current | Te | Torque |
ψ | Flux | pn | Pole pairs |
R | Resistance | θe | Rotor position |
Wc | magnetic co energy | θm | Mechanical position |
Ls | inductance matrix | ωe | Electric angular frequency |
Laal | Leakage inductance | Is | Current matrix |
Laad | D-axis self-inductance | ψs | Flux matrix |
References
- Barani, N.; Sarabandi, K. Mechanical Antennas: Emerging Solution for Very-Low Frequency (VLF) Communication. In Proceedings of the 2018 IEEE International Symposium on Antennas and Propagation & USNC/URSI National Radio Science Meeting, Boston, MA, USA, 8–13 July 2018; pp. 95–96. [Google Scholar] [CrossRef]
- Bickford, J.A.; Duwel, A.E.; Weinberg, M.S.; McNabb, R.S.; Freeman, D.K.; Ward, P.A. Performance of Electrically Small Conventional and Mechanical Antennas. IEEE Trans. Antennas Propag. 2019, 67, 2209–2223. [Google Scholar] [CrossRef]
- Gong, S.; Liu, Y.; Liu, Y. A Rotating-magnet based mechanical antenna (RMBMA) for ELF-ULF wireless communication. Prog. Electromagn. Res. M 2018, 72, 125–133. [Google Scholar] [CrossRef]
- Prasad, M.N.S.; Huang, Y.K.; Wang, E. Going beyond Chu Harrington limit: ULF radiation with a spinning magnet array. In Proceedings of the 2017 XXXIInd General Assembly and Scientific Symposium of the International Union of Radio Science (URSI GASS), Montreal, QC, Canada, 19–26 August 2017. [Google Scholar]
- Selvin, S.; Prasad, M.S.; Huang, Y.; Wang, E. Spinning magnet antenna for VLF transmitting. In Proceedings of the 2017 IEEE International Symposium on Antennas and Propagation & USNC/URSI National Radio Science Meeting, San Diego, CA, USA, 9–14 July 2017. [Google Scholar]
- Prasad, M.S.; Selvin, S.; Tok, R.U.; Huang, Y.; Wang, Y. Directly modulated spinning magnet arrays for ULF communications. In Proceedings of the 2018 IEEE Radio and Wireless Symposium (RWS), Anaheim, CA, USA, 15–18 January 2018; pp. 171–173. [Google Scholar]
- Fawole, O.C.; Tabib-Azar, M. An electromechanically modulated permanent magnet antenna for wireless communication in Harsh electromagnetic environments. IEEE Trans. Antennas Propag. 2017, 65, 6927–6936. [Google Scholar] [CrossRef]
- Lyra, R.O.C.; Lipo, T.A. Torque density improvement in a six-phase induction motor with third harmonic current in-jection. IEEE Trans. Ind. Appl. 2022, 38, 1351–1360. [Google Scholar] [CrossRef]
- Hu, Y.S.; Zhu, Z.Q.; Odavic, M. Torque capability enhancement of dual three-phase pmsm drive with fifth and seventh current harmonics injection. IEEE Trans. Ind. Appl. 2017, 53, 4526–4535. [Google Scholar] [CrossRef]
- Wang, K.; Zhang, J.Y.; Gu, Z.Y.; Sun, H.Y.; Zhu, Z.Q. Torque Improvement of Dual Three-Phase Permanent Magnet Machine Using Zero Sequence Components. IEEE Trans. Magn. 2017, 53, 8109004. [Google Scholar] [CrossRef]
- Levi, E. Multiphase Electric Machines for Variable-Speed Applications. IEEE Trans. Ind. Electron. 2008, 55, 1893–1909. [Google Scholar] [CrossRef]
- Eldeeb, H.M.; Abdel-Khalik, A.S.; Hackl, C.M. Dynamic Modeling of Dual Three-Phase IPMSM Drives with Different Neutral Configurations. IEEE Trans. Ind. Electron. 2019, 66, 141–151. [Google Scholar] [CrossRef]
- Karttunen, J.; Kallio, S.; Peltoniemi, P.; Silventoinen, P.; Pyrhonen, O. Decoupled Vector Control Scheme for Dual Three-Phase Permanent Magnet Synchronous Machines. IEEE Trans. Ind. Electron. 2014, 61, 2185–2196. [Google Scholar] [CrossRef]
- Che, H.S.; Levi, E.; Jones, M.; Hew, W.-P.; Rahim, N.A. Current Control Methods for an Asymmetrical Six-Phase Induction Motor Drive. IEEE Trans. Power Electron. 2014, 29, 407–417. [Google Scholar] [CrossRef]
- Bojoi, I.R.; Tenconi, A.; Griva, G.; Profumo, F. Vector control of dual-three phase induction motor drives using two current sensors. IEEE Trans. Ind. Appl. 2006, 42, 1284–1292. [Google Scholar] [CrossRef]
- Singh, G.; Nam, K.; Lim, S. A Simple Indirect Field-Oriented Control Scheme for Multiphase Induction Machine. IEEE Trans. Ind. Electron. 2005, 52, 1177–1184. [Google Scholar] [CrossRef]
- Duran, M.; Kouro, S.; Wu, B.; Levi, E.; Barrero, F.; Alepuz, S. Six-phase PMSG wind energy conversion system based on medium-voltage multilevel converter. In Proceedings of the 2011 14th European Conference on Power Electronics and Applications, Birmingham, UK, 30 August–1 September 2011; pp. 1–10. [Google Scholar]
- He, Y.; Wang, Y.; Wu, J.; Feng, Y.; Liu, J. A simple current sharing scheme for dual three-phase permanent-magnet synchronous motor drives. In Proceedings of the 2010 Twenty-Fifth Annual IEEE Applied Power Electronics Conference and Exposition (APEC), Palm Springs, CA, USA, 21–25 February 2010; pp. 1093–1096. [Google Scholar] [CrossRef]
- Wang, X.; Wang, Z.; Gu, M.; Xiao, D.; He, J.; Emadi, A. Diagnosis-Free Self-Healing Scheme for Open-Circuit Faults in Dual Three-Phase PMSM Drives. IEEE Trans. Power Electron. 2020, 35, 12053–12071. [Google Scholar] [CrossRef]
- Barrero, F.; Duran, M.J. Recent advances in the design, modeling, and control of multiphase machines—Part I. IEEE Trans. Ind. Electron. 2016, 63, 449–458. [Google Scholar] [CrossRef]
- Hu, Y.; Zhu, Z.-Q.; Liu, K. Current Control for Dual Three-Phase Permanent Magnet Synchronous Motors Accounting for Current Unbalance and Harmonics. IEEE J. Emerg. Sel. Top. Power Electron. 2014, 2, 272–284. [Google Scholar] [CrossRef]
Parameter | Value |
---|---|
Resistance (Ω) | 0.48 |
Leakage inductance (mH) | 0.262 |
d-axis self-inductance (mH) | 0.28 |
q-axis self-inductance (mH) | 0.28 |
PM flux linkage (Wb) | 0.07 |
Pole pairs | 5 |
DC link voltage (V) | 50 |
Publisher’s Note: MDPI stays neutral with regard to jurisdictional claims in published maps and institutional affiliations. |
© 2022 by the authors. Licensee MDPI, Basel, Switzerland. This article is an open access article distributed under the terms and conditions of the Creative Commons Attribution (CC BY) license (https://creativecommons.org/licenses/by/4.0/).
Share and Cite
Zhang, J.-Y.; Zhou, Q.; Wang, K. Dual Three-Phase Permanent Magnet Synchronous Machines Vector Control Based on Triple Rotating Reference Frame. Energies 2022, 15, 7286. https://doi.org/10.3390/en15197286
Zhang J-Y, Zhou Q, Wang K. Dual Three-Phase Permanent Magnet Synchronous Machines Vector Control Based on Triple Rotating Reference Frame. Energies. 2022; 15(19):7286. https://doi.org/10.3390/en15197286
Chicago/Turabian StyleZhang, Jian-Ya, Qiang Zhou, and Kai Wang. 2022. "Dual Three-Phase Permanent Magnet Synchronous Machines Vector Control Based on Triple Rotating Reference Frame" Energies 15, no. 19: 7286. https://doi.org/10.3390/en15197286
APA StyleZhang, J.-Y., Zhou, Q., & Wang, K. (2022). Dual Three-Phase Permanent Magnet Synchronous Machines Vector Control Based on Triple Rotating Reference Frame. Energies, 15(19), 7286. https://doi.org/10.3390/en15197286