Research on Energy Conversion in the Arc-Extinguishing Process of a Long-Gap Gas Lightning-Protection Device
Abstract
:1. Introduction
2. Experimental Principles
2.1. Arc-extinguishing Lightning-Protection Technology
2.2. MHD Theoretical Simulation of the Arc
3. Impulse Current Experiment
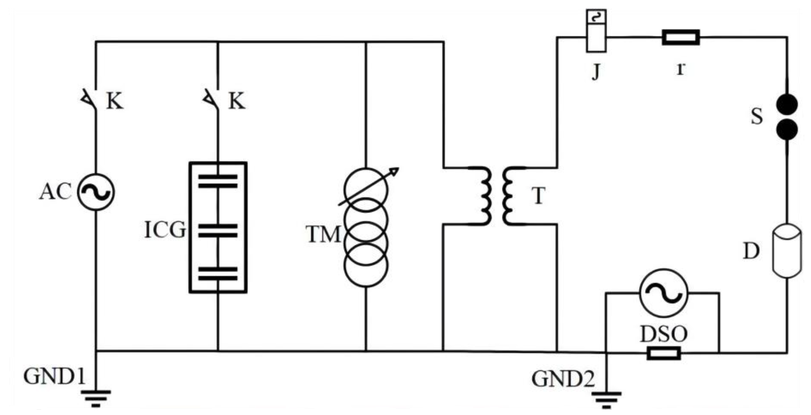
3.1. Experimental Scheme
3.2. Experiment Preparation
- (1)
- It was determined that the experimental device was well-installed, the grounding and insulation were good, and the discharge gap distance was adjusted to 20 cm and fixed for the experimental device.
- (2)
- A high-speed camera was set up, the shot and shooting time were adjusted, it was determined the oscilloscope was in the trigger state, and the range was adjusted.
- (3)
- The experimental high-voltage device was charged, the boost transformer was adjusted, and the spheric gap was narrowed until it closed.
- (4)
- The experimental apparatus was checked and the experimental phenomena recorded.
3.3. Experiment of 70 kV Impulse Current in 100 cm Gas Arc-extinguishing Chamber
3.4. Comparison of Theory and Practice
4. Conclusions
Author Contributions
Funding
Institutional Review Board Statement
Informed Consent Statement
Data Availability Statement
Conflicts of Interest
References
- Lei, X.; Lan, Q.; Liu, S.; Cui, T. Research on lightning overvoltage and its prevention and control methods of 10 kV distribution transformer. Sichuan Electr. Power Technol. 2020, 43, 48–52. [Google Scholar]
- Li, Y.; Li, S.; Guo, Y.; Yan, J. The influence of arc extinguishing chamber parameters on the breaking performance of self energy circuit breakers. Electr. Manuf. 2013, 4, 40–42+61. [Google Scholar]
- Wang, J.; Bi, J. Summary of research on lightning protection measures for transmission lines. High Tech. Commun. 2019, 29, 1025–1032. [Google Scholar]
- Liang, P.; Groll, R. Numerical Study of Plasma–Electrode Interaction During Arc Discharge in a DC Plasma Torch. IEEE Trans. Plasma Sci. 2018, 46, 363–372. [Google Scholar] [CrossRef]
- Zhang, H.; Wang, J.; Zhou, X. Research and application of multi pipeline compressed gas arc extinguishing lightning protection gap. Electr. Porcelain Arrester 2019, 3, 27–31. [Google Scholar] [CrossRef]
- Xing, Z.; Wang, Z.; Cao, Y. Characteristics of direct impact pressure in plasma channel of pulsed arc discharge in water. High Volt. Eng. 2019, 45, 832–838. [Google Scholar] [CrossRef]
- Zhao, C.; Lei, M.; Chen, J.; Gu, S.; Wang, P.; Zhao, J. Statistical Method of Lightning Current Amplitude Distribution in Transmission Line Corridor. High Volt. Technol. 2017, 43, 1609–1614. [Google Scholar] [CrossRef]
- Gong, X.; Shen, H.; Dai, H.; Guo, J.; Li, L. Peak value of shock wave overpressure of high current pulsed arc and its influencing factors. High Volt. Technol. 2021, 47, 4412–4419. [Google Scholar] [CrossRef]
- Ai, J.; Xu, L.; Niu, H.; Zhuang, X.; Luo, X. Micro simulation of air positive corona discharge and influence of model coefficients on pulse current characteristics. High Volt. Technol. 2021, 47, 4377–4387. [Google Scholar] [CrossRef]
- Xia, L.; Yang, J.; Deng, B. Research and design of integrated lightning protection system for radar station power supply. Power Syst. Prot. Control 2019, 47, 143–150. [Google Scholar] [CrossRef]
- Wang, J.; Huang, Z.; Wang, Y. A dynamic model of explosive gas field coupled arc based on chain. Chin. J. Electr. Eng. 2012, 32, 154–160, 204. [Google Scholar] [CrossRef]
- Yan, Z.; Sun, Z.; Zhang, B.; Ma, C.; Li, J. Application of AC Air Arc Generator in Arc Characterization Study. In Proceedings of the 2021 IEEE 2nd China International Youth Conference on Electrical Engineering(CIYCEE), Chengdu, China, 15 December 2021; pp. 1–5. [Google Scholar]
- Wang, J.; Liang, X.; Guo, W. Demonstration of the effectiveness of the new jet arc extinguishing lightning protection gap based on Navier Stokes equation. High Volt. Technol. 2015, 41, 28–34. [Google Scholar] [CrossRef]
- Ge, G.; Cheng, X.; Liao, M.; Xue, Q.; Zou, J. Influence of the pulsed AMF arc control on the vacuum arc and post arc characteristic in vacuum interrupters. In Proceedings of the 2017 4th International Conference on Electric Power Equipment-Switching Technology (ICEPE-ST), Xi’an, China, 22–25 October 2017; pp. 157–160. [Google Scholar] [CrossRef]
- You, T.; Dong, X.; Zhou, W. SF_6 in medium voltage equipment experimental research on alternative gases. Electr. Mach. Control 2022, 26, 59–65. [Google Scholar] [CrossRef]
- Zhang, H.; Yao, Y.; Wang, Z.; Zhang, B.; Hao, X.; Liu, Y.; Du, Y. Application of arc breaking simulation in development of extra high voltage SF6 circuit breaker. In The 16th IET International Conference on AC and DC Power Transmission (ACDC 2020); IET: London, UK, 2020; pp. 842–845. [Google Scholar] [CrossRef]
- Wang, J.; Lu, J.; Peng, Y. Measurement of lightning parameters and its device research. Power Grid Technol. 2009, 33, 162–165. [Google Scholar]
- Dadda, S.; Bouthiba, T.; Seghir, S. Primary Arc Modeling in Transmission Line. In Proceedings of the 2018 International Conference on Electrical Sciences and Technologies in Maghreb (CISTEM), Algiers, Algeria, 28–31 October 2018; pp. 1–3. [Google Scholar] [CrossRef]
- Ye, Q. A Simple Analytical Method of Gas Discharge Based on Logistic Model. IEEE Trans. Plasma Sci. 2019, 47, 1413–1420. [Google Scholar] [CrossRef]
- Liu, X.; Huang, X.; Cao, Q. Simulation and Experimental Analysis of DC Arc Characteristics in Different Gas Conditions. IEEE Trans. Plasma Sci. 2021, 49, 1062–1071. [Google Scholar] [CrossRef]
- Yin, J.; Li, X.; Gao, T.; Liu, C. Analysis of Arc Dynamic Characteristics in DC Disconnecting Switch. In Proceedings of the 2021 IEEE 4th International Electrical and Energy Conference (CIEEC), Wuhan, China, 28–30 May 2021; pp. 1–4. [Google Scholar] [CrossRef]
- Chen, Y.; Wang, J.; Yang, Z.; Li, Q. Research on arc extinguishing characteristics of semi enclosed structures based on normal reflection theory of shock wave. J. Guangxi Univ. (Nat. Sci. Ed.) 2022, 47, 399–405. [Google Scholar] [CrossRef]
- Xia, Y.; Wu, X. Study on conductivity calculation of arc plasma in local thermodynamic equilibrium. Electr. Switch 2020, 58, 19–23. [Google Scholar]
- Feng, N.; Ma, T.; Chen, C.; Yao, B.; Gao, W. Simulation and Study of DC Corona Discharge Characteristics of Bar-Plate Gap. Energies 2022, 15, 6431. [Google Scholar] [CrossRef]
- Li, Q.; Wang, J.; Zhang, Y.; Wang, Y.; Chen, Y.; Yang, Z.; Tan, S.; Wang, X. Research on the performance of the air blowing arc extinguishing device based on the magnetic fluid theory. Power Grid Technol. 2022, 46, 2025–2031. [Google Scholar]
- Shi, Y.; Cui, B.; Chen, Y.; Lin, S.; Zhang, J.; Zhong, J.; Wu, Y. Research on non-equilibrium conductivity of switching arc. High Volt. Appar. 2020, 56, 27–33. [Google Scholar]
- Andreotti, A.; Pierno, A.; Verolino, L. A New Channel-Base Current Model for Lightning-Induced Voltage Calculations. IEEE Trans. Electromagn. Compat. 2019, 61, 617–622. [Google Scholar] [CrossRef]
- Lu, S. Research on the Electronic Electrothermal Current Calculation Method of a Small Terminal Circuit Breaker; Shenyang University of Technology: Shenyang, China, 2021. [Google Scholar] [CrossRef]
- Wang, J.; Zhu, L.; Lu, J. Simulation analysis of gap lightning protection based on improved Mayer arc model. Guangxi Electr. Power 2008, 5, 50–52, 64. [Google Scholar] [CrossRef]
- Yu, Q.; Zhang, H.; Yang, R. Numerical simulation of hydroelectric shock wave based on LS-DYNA. Explos. Shock. 2022, 42, 128–139. [Google Scholar]
- Wang, J.; Lu, X.; Han, L.; Mao, C. Experimental study on extinguishing DC arc by self-energy multi fracture arc extinguishing device. Electr. Meas. Instrum. 2022, 09–14, 1–6. Available online: http://kns.cnki.net/kcms/detail/23.1202.TH.20210107.1404.010.html (accessed on 10 September 2022).














| Voltage/kV | 20 | 30 | 40 | 50 | 60 | 70 |
| Current/kA | 10 | 12 | 14 | 17 | 20 | 25 |
Publisher’s Note: MDPI stays neutral with regard to jurisdictional claims in published maps and institutional affiliations. |
© 2022 by the authors. Licensee MDPI, Basel, Switzerland. This article is an open access article distributed under the terms and conditions of the Creative Commons Attribution (CC BY) license (https://creativecommons.org/licenses/by/4.0/).
Share and Cite
He, Q.; Wang, J.; Lu, Y.; Song, Y.; Jia, Z.; Li, H.; Wang, Y.; Zhang, Y. Research on Energy Conversion in the Arc-Extinguishing Process of a Long-Gap Gas Lightning-Protection Device. Energies 2022, 15, 7490. https://doi.org/10.3390/en15207490
He Q, Wang J, Lu Y, Song Y, Jia Z, Li H, Wang Y, Zhang Y. Research on Energy Conversion in the Arc-Extinguishing Process of a Long-Gap Gas Lightning-Protection Device. Energies. 2022; 15(20):7490. https://doi.org/10.3390/en15207490
Chicago/Turabian StyleHe, Qiwen, Jufeng Wang, Yang Lu, Yongfeng Song, Zhenghao Jia, Hao Li, Yanlei Wang, and Yiyi Zhang. 2022. "Research on Energy Conversion in the Arc-Extinguishing Process of a Long-Gap Gas Lightning-Protection Device" Energies 15, no. 20: 7490. https://doi.org/10.3390/en15207490
APA StyleHe, Q., Wang, J., Lu, Y., Song, Y., Jia, Z., Li, H., Wang, Y., & Zhang, Y. (2022). Research on Energy Conversion in the Arc-Extinguishing Process of a Long-Gap Gas Lightning-Protection Device. Energies, 15(20), 7490. https://doi.org/10.3390/en15207490
