A Harmonic Suppression SVPWM Strategy for the Asymmetric Six-Phase Motor Fed by Two-Level Six-Phase VSI Operating in the Overmodulation Region
Abstract
1. Introduction
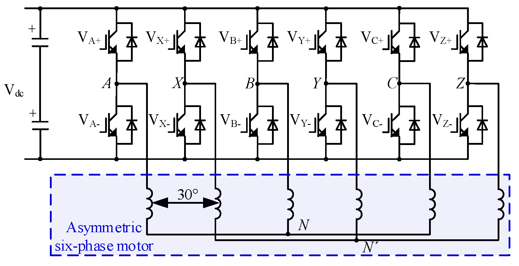
2. The Six-Phase Two-Level VSI Model
3. The Proposed HSOS
3.1. The Traditional Four-Vector Overmodulation Strategy (TFOS)
3.2. The Proposed HSOS Strategy
3.2.1. Modulation in Linear Region Z1
3.2.2. Overmodulation Region
Modulation in Region Z2
Modulation in Region Z3
Modulation in Region Z4
4. Simulation Results
5. Experiment
6. Conclusions
Author Contributions
Funding
Conflicts of Interest
References
- Sharma, S.; Aware, M.V.; Bhowate, A. Symmetrical Six-Phase Induction Motor-Based Integrated Driveline of Electric Vehicle with Predictive Control. IEEE Trans. Transp. Electrif. 2020, 6, 635–646. [Google Scholar] [CrossRef]
- Sun, K.; Mou, S.; Qiu, J.; Wang, T.; Gao, H. Adaptive Fuzzy Control for Nontriangular Structural Stochastic Switched Nonlinear Systems with Full State Constraints. IEEE Trans. Fuzzy Syst. 2019, 27, 1587–1601. [Google Scholar] [CrossRef]
- Gopakumar, K.; Ranganathan, V.; Bhat, S. Split phase induction motor operation from PWM voltage source inverter. IEEE Trans. Ind. Appl. 1993, 29, 927–932. [Google Scholar] [CrossRef]
- Acikgoz, H.; Yildiz, C.; Coteli, R.; Dandil, B. DC-link voltage control of three-phase PWM rectifier by using artificial bee colony based type-2 fuzzy neural network. Microprocess. Microsyst. 2020, 78, 103250. [Google Scholar] [CrossRef]
- Acikgoz, H.; Coteli, R.; Dandil, B.; Ata, F. Experimental evaluation of dynamic performance of three-phase AC–DC PWM rectifier with PD-type-2 fuzzy neural network controller. IET Power Electron. 2019, 12, 693–702. [Google Scholar] [CrossRef]
- Dujic, D.; Jones, M.; Levi, E. Analysis of Output Current Ripple rms in Multiphase Drives Using Space Vector Approach. IEEE Trans. Power Electron. 2009, 24, 1926–1938. [Google Scholar] [CrossRef]
- Huang, Y.; Walden, J.; Zhang, X.; Yan, Y.; Bai, H.; Jin, F.; Cheng, B. A Novel Zero/Reduced Common-Mode Voltage Modulation Scheme for a Dual Three-Phase Motor Drive System in Full Modulation Span. IEEE Trans. Power Electron. 2022, 37, 6765–6779. [Google Scholar] [CrossRef]
- Liwei, Z.; Xuhui, W.; Jun, L.; Zheng, T.Q. Math Demonstration and Practical Application of Fundamental Voltage Amplitude Linear Output Based SVPWM Overmodulation Control. In Proceedings of the IEEE Industry Applications Conference Forty-First IAS Annual Meeting, Tampa, FL, USA, 8–12 October 2006; pp. 583–587. [Google Scholar] [CrossRef]
- Hren, A.; Mihalič, F. An Improved SPWM-Based Control with Over-Modulation Strategy of the Third Harmonic Elimination for a Single-Phase Inverter. Energies 2018, 11, 881. [Google Scholar] [CrossRef]
- Lee, D.-C.; Lee, G.-M. A novel overmodulation technique for space-vector PWM inverters. IEEE Trans. Power Electron. 1998, 13, 1144–1151. [Google Scholar] [CrossRef]
- Fan, Y.; Qu, W.L.; Lu, H.F. SVPWM over-modulation algorithm based on superposition principle. J. Tsinghua Univ. 2008, 48, 461–464. [Google Scholar]
- Fang, H.; Feng, X.; Song, W.; Ge, X.; Ding, R. Relationship between two-level space-vector pulse-width modulation and carrier-based pulse width modulation in the over-modulation region. IET Power Electron. 2014, 7, 189–199. [Google Scholar] [CrossRef]
- Sola, T.E.; Chiu, H.-J.; Liu, Y.-C.; Rahman, A.N. Extending DC Bus Utilization for Induction Motors with Stator Flux Oriented Direct Torque Control. Energies 2022, 15, 374. [Google Scholar] [CrossRef]
- Carrasco, G.; Silva, C. Space Vector PWM Method for Five-Phase Two-Level VSI With Minimum Harmonic Injection in the Overmodulation Region. IEEE Trans. Ind. Electron. 2013, 60, 2042–2053. [Google Scholar] [CrossRef]
- Iqbal, A.; Moinuddin, S. Comprehensive Relationship Between Carrier-Based PWM and Space Vector PWM in a Five-Phase VSI. IEEE Trans. Power Electron. 2009, 24, 2379–2390. [Google Scholar] [CrossRef]
- Hu, Y.; Zhu, Z.Q.; Odavic, M. Comparison of Two-Individual Current Control and Vector Space Decomposition Control for Dual Three-Phase PMSM. IEEE Trans. Ind. Appl. 2017, 53, 4483–4492. [Google Scholar] [CrossRef]
- Bojoi, R.; Profumo, F.; Tenconi, A. Digital synchronous frame current regulation for dual three-phase induction motor drives. In Proceedings of the IEEE 34th Annual Conference on Power Electronics Specialist, Acapulco, Mexico, 15–19 June 2003; pp. 1475–1480. [Google Scholar] [CrossRef]
- Singh, G.; Nam, K.; Lim, S. A Simple Indirect Field-Oriented Control Scheme for Multiphase Induction Machine. IEEE Trans. Ind. Electron. 2005, 52, 1177–1184. [Google Scholar] [CrossRef]
- Gopakumar, K.; Ranganathan, V.T.; Bhat, S.R. An efficient PWM technique for split-phase induction motor operation using dual voltage source inverters. In Proceedings of the Conference Record of the 1993 IEEE Industry Applications Conference Twenty-Eighth IAS Annual Meeting, Toronto, ON, Canada, 2–8 October 1993; pp. 582–587. [Google Scholar]
- Zhao, Y.; Lipo, T. Space vector PWM control of dual three-phase induction machine using vector space decomposition. IEEE Trans. Ind. Appl. 1995, 31, 1100–1109. [Google Scholar] [CrossRef]
- Hadiouche, D.; Baghli, L.; Rezzoug, A. Space-vector PWM techniques for dual three-phase AC machine: Analysis, performance evaluation, and DSP implementation. IEEE Trans. Ind. Appl. 2006, 42, 1112–1122. [Google Scholar] [CrossRef]
- Prieto, J.; Levi, E.; Barrero, F.; Toral, S. Output current ripple analysis for asymmetrical six-phase drives using double ze-ro-sequence injection PWM. In Proceedings of the IECON 2011-37th Annual Conference of the IEEE Industrial Electronics Society, Melbourne, VIC, Australia, 7–10 November 2011; pp. 3692–3697. [Google Scholar]
- Shen, Z.; Jiang, D.; Liu, Z.; Ye, D.; Li, J. Common-Mode Voltage Elimination for Dual Two-Level Inverter-Fed Asymmetrical Six-Phase PMSM. IEEE Trans. Power Electron. 2020, 35, 3828–3840. [Google Scholar] [CrossRef]
- Abid, M.E.; Shaikh, M.S.; Maurya, R. Performance Investigation on SVPWM Sequences Based on Reduced Common-Mode Voltage in Dual Three-Phase Asymmetrical Machine. IEEE Trans. Power Electron. 2021, 36, 2884–2893. [Google Scholar]
- Suhel, S.M.; Maurya, R. Realization of 24-Sector SVPWM With New Switching Pattern for Six-Phase In-duction Motor Drive. IEEE Trans. Power Electron. 2019, 34, 5079–5092. [Google Scholar] [CrossRef]
- Prieto, J.; Barrero, F.; Durán, M.J.; Marín, S.T.; Perales, M.A. TFOS Procedure for n-Phase VSI With Low Harmonic Distortion in the Overmodulation Region. IEEE Trans. Ind. Electron. 2014, 61, 92–97. [Google Scholar] [CrossRef]
- Yazdani, D.; Khajehoddin, S.A.; Bakhshai, A.; Joos, G. Full Utilization of the Inverter in Split-Phase Drives by Means of a Dual Three-Phase Space Vector Classification Algorithm. IEEE Trans. Ind. Electron. 2009, 56, 120–129. [Google Scholar] [CrossRef]
- Zhou, C.; Su, J.; Yang, G. The SVPWM strategy in full modulation region for dual three-phase PMSM. Trans. China Electrotech. Soc. 2015, 30, 90–100. [Google Scholar]
- Yang, J.; Yang, G.; Li, T. PWM techniques for six-phase voltage-source inverters. Trans. China Electrotech. Soc. 2012, 27, 205–211. [Google Scholar]
- Xu, H.; Wang, S.; Wu, S.Y. Optimization Methods, Theory and Applications; Springer: Berlin/Heidelberg, Germany, 2015; pp. 185–207. [Google Scholar]
- Jones, M.; Dujic, D.; Levi, E.; Prieto, J.; Barrero, F. Switching Ripple Characteristics of Space Vector PWM Schemes for Five-Phase Two-Level Voltage Source Inverters—Part 2: Current Ripple. IEEE Trans. Ind. Electron. 2011, 58, 2799–2808. [Google Scholar] [CrossRef]

















| Voltage Vector | Amplitude |
|---|---|
| VL | 0.644 Udc |
| VM | 0.471 Udc |
| VS | 0.333 Udc |
| VE | 0.173 Udc |
| The TFOS Strategy (% of Fundamental) | The HSOS Strategy (% of Fundamental) | ||||||||
|---|---|---|---|---|---|---|---|---|---|
| 5th | 7th | 17th | 19th | 5th | 7th | 17th | 19th | 5th Reduction (%) | |
| m = 0.585 | 0.69 | 0.21 | 0.6 | 0.18 | 0.51 | 0.47 | 0.22 | 0.17 | 26.09 |
| m = 0.605 | 6.2 | 2 | 1 | 0.7 | 4 | 0.8 | 0.7 | 0.5 | 35.48 |
| m = 0.615 | 9.5 | 3.7 | 0.8 | 0.4 | 8 | 1.7 | 0.7 | 0.6 | 15.79 |
| m = 0.622 | 11.7 | 4.65 | 0.55 | 0.2 | 11 | 4 | 0.2 | 0.1 | 5.98 |
| The TFOS Strategy (%) | The Proposed HSOS Strategy (%) | Reduction by HSOS (%) | |
|---|---|---|---|
| m = 0.585 | 0.9575 | 0.7472 | 21.96 |
| m = 0.605 | 6.628 | 4.1689 | 37.1 |
| m = 0.615 | 10.2343 | 8.2304 | 19.58 |
| m = 0.622 | 12.6038 | 11.7068 | 7.12 |
| rated frequency | 50 Hz |
| moment of inertia | 0.112 kg·m2 |
| stator resistance | 1.2 Ω |
| rotor resistance | 1.4 Ω |
| stator leakage inductance | 0.0178 H |
| rotor leakage inductance | 0.0178 H |
| mutual inductance | 0.2987 H |
| synchronous speed | 1500 r/min |
| The TFOS Strategy (% of Fundamental) | The HSOS Strategy (% of Fundamental) | ||||||||||
|---|---|---|---|---|---|---|---|---|---|---|---|
| THD | 5th | 7th | 17th | 19th | THD | 5th | 7th | 17th | 19th | 5th Reduction (%) | |
| m = 0.585 | 0.98 | 0.7 | 0.21 | 0.61 | 0.18 | 0.75 | 0.51 | 0.47 | 0.21 | 0.19 | 27.14 |
| m = 0.605 | 6.68 | 6.15 | 2 | 1.1 | 0.75 | 4.19 | 4 | 0.8 | 0.75 | 0.55 | 34.96 |
| m = 0.615 | 10.27 | 9.5 | 3.7 | 0.75 | 0.45 | 8.26 | 8 | 1.75 | 0.65 | 0.6 | 15.79 |
| m = 0.622 | 12.65 | 11.7 | 4.7 | 0.6 | 0.2 | 11.71 | 11 | 4 | 0.25 | 0.15 | 5.98 |
| The TFOS Strategy (% of Fundamental) | The HSOS Strategy (% of Fundamental) | |||||||||
|---|---|---|---|---|---|---|---|---|---|---|
| THD | 5th | 7th | 17th | 19th | THD | 5th | 7th | 17th | 19th | |
| m = 0.585 | 0.79 | 0.74 | 0.17 | 0.19 | 0.05 | 0.65 | 0.52 | 0.37 | 0.06 | 0.05 |
| m = 0.605 | 7.55 | 7.3 | 1.7 | 0.3 | 0.2 | 4.69 | 4.5 | 0.8 | 0.2 | 0.1 |
| m = 0.615 | 11.9 | 11.4 | 3.15 | 0.25 | 0.1 | 9.79 | 9.6 | 1.6 | 0.15 | 0.1 |
| m = 0.622 | 15.03 | 14.4 | 4.2 | 0.2 | 0.1 | 13.79 | 13.3 | 3.4 | 0.1 | 0.05 |
| Current Values (THDZ1Z2) | Voltage Values (THDZ1Z2) | ||||
|---|---|---|---|---|---|
| TFOS (%) | HSOS (%) | TFOS (%) | HSOS (%) | Reduction by HSOS (%) | |
| m = 0.585 | 0.7843 | 0.643 | 0.9667 | 0.7491 | 22.51 |
| m = 0.605 | 7.504 | 4.576 | 6.6027 | 4.1839 | 36.63 |
| m = 0.615 | 11.8303 | 9.7341 | 10.2325 | 8.2368 | 19.52 |
| m = 0.622 | 15.0017 | 13.7282 | 12.6246 | 11.7083 | 7.26 |
Publisher’s Note: MDPI stays neutral with regard to jurisdictional claims in published maps and institutional affiliations. |
© 2022 by the authors. Licensee MDPI, Basel, Switzerland. This article is an open access article distributed under the terms and conditions of the Creative Commons Attribution (CC BY) license (https://creativecommons.org/licenses/by/4.0/).
Share and Cite
Zhao, L.; Huang, S.; Zheng, J.; Gao, Y. A Harmonic Suppression SVPWM Strategy for the Asymmetric Six-Phase Motor Fed by Two-Level Six-Phase VSI Operating in the Overmodulation Region. Energies 2022, 15, 7589. https://doi.org/10.3390/en15207589
Zhao L, Huang S, Zheng J, Gao Y. A Harmonic Suppression SVPWM Strategy for the Asymmetric Six-Phase Motor Fed by Two-Level Six-Phase VSI Operating in the Overmodulation Region. Energies. 2022; 15(20):7589. https://doi.org/10.3390/en15207589
Chicago/Turabian StyleZhao, Li, Shoudao Huang, Jian Zheng, and Yuan Gao. 2022. "A Harmonic Suppression SVPWM Strategy for the Asymmetric Six-Phase Motor Fed by Two-Level Six-Phase VSI Operating in the Overmodulation Region" Energies 15, no. 20: 7589. https://doi.org/10.3390/en15207589
APA StyleZhao, L., Huang, S., Zheng, J., & Gao, Y. (2022). A Harmonic Suppression SVPWM Strategy for the Asymmetric Six-Phase Motor Fed by Two-Level Six-Phase VSI Operating in the Overmodulation Region. Energies, 15(20), 7589. https://doi.org/10.3390/en15207589

