Overview and Assessment of HVDC Current Applications and Future Trends
Abstract
:1. Introduction
2. Main Areas of HVDC Applications
- -
- Long-distance power transmission lines;
- -
- Submarine cable transmission (connections with lengths greater than 50 km usually used for offshore wind power plants power evacuation);
- -
- Interconnection of systems that operate asynchronously;
- -
- Multi-terminal HVDC systems.
- Long-distance bulk power transmission
- Submarine Cable Transmission
- Asynchronous Ties
- Offshore Wind Power Plant Transmission
- -
- DolWin 1 (2015—800 MW), DolWin 2 (2015—900 MW), DolWin 3 (2018—900 MW);
- -
- BorWin 1 (2009—400 MW), BorWin 2 (2015—800 MW), BorWin 3 (2019—900 MW);
- -
- HelWin 1 (2015—576 MW), HelWin 2 (2015—690 MW);
- -
- SylWin 1 (2015—864 MW).
- Multi-Terminal HVDC Systems
- -
- MTDC Italy–Corsica–Sardinia (SACOI–CSC-HVDC-1992)—three terminals (200/50/200MW);
- -
- MTDC Quebec-New England (1992—CSC-HVDC)—five terminals (2250/2139/690/1800MW);
- -
- MTDC Nanao (China, 2013—VSC-HVDC)—three terminals (200/100/50MW);
- -
- MTDC Zhoushan (China, 2014—VSC-HVDC)—five terminals (400/300/100/100/100 MW).
3. Types of HVDC Links Topology
3.1. Monopolar Links
3.2. Bipolar Links
- Bipolar Link with Ground Return Path
- Bipolar Link with Dedicated Metallic Return Path
3.3. Back-to-Back Links
3.4. Homopolar Links
4. Main Components of HVDC Substations and Control Strategies
4.1. Main Components of HVDC Converter Substations
- The main types of equipment associated with the AC part of the converter substation include the following [31]: AC-OHL/UGC; busbar system/systems; AC switchgear (disconnector switchers/circuit breakers); conversion power transformers; measuring instruments AC (voltage/current transformers); AC harmonic filters; AC shunt capacitors.
- The main pieces of equipment associated with the DC part of the converter substation include the following [31]: DC-OHL/UGC (usually XLPE cable in case of VSC technology); DC harmonic filters; phase reactor (VSC-HVDC); DC capacitor (VSC-HVDC); smoothing reactor; measuring instruments DC (voltage/current transformers); DC switchgear (disconnector switchers/circuit breakers);
4.2. CSC-HVDC Control Methods and Strategies
- Pdr, Pdi—active power at the level of rectifier and inverter;
- Udr, Udi—DC voltage at the level of rectifier and inverter;
- Id—current through the DC link;
- Rcr, Rci—commutation resistance at the level of rectifier and inverter;
- RL—resistance of the DC link;
- Xkr, Xki—short-circuit reactance at the level of rectifier and inverter.
- CCR—constant-current characteristic rectifier
- CCI—constant-current characteristic inverter
- CIA—constant ignition angle (α)
- CEA—constant extinction angle (γ)
4.3. VSC-HVDC Control Methods and Strategies
4.3.1. “Power Angle” Control Strategy
- RPC (reactive power control)
- AVC (active voltage control)
- APC (active power control)
- PLL (phase-locked loop)
4.3.2. “Vector Current” Control Strategy
- Lc—phase - reactor inductance of the VSC;
- idq—current associated with the converter (in the d-q plane);
- udq—voltage associated with the VSC converter control loop;
- ΔP, ΔQ—small changes of active/reactive power at the level of the converter station;
- U0f—converter station AC filter voltage level;
- Δicd, Δicq—small changes of the current in the d and q axis, respectively, at the level of the converter station.
5. Key Challenges Arising from the Use of HVDC Systems
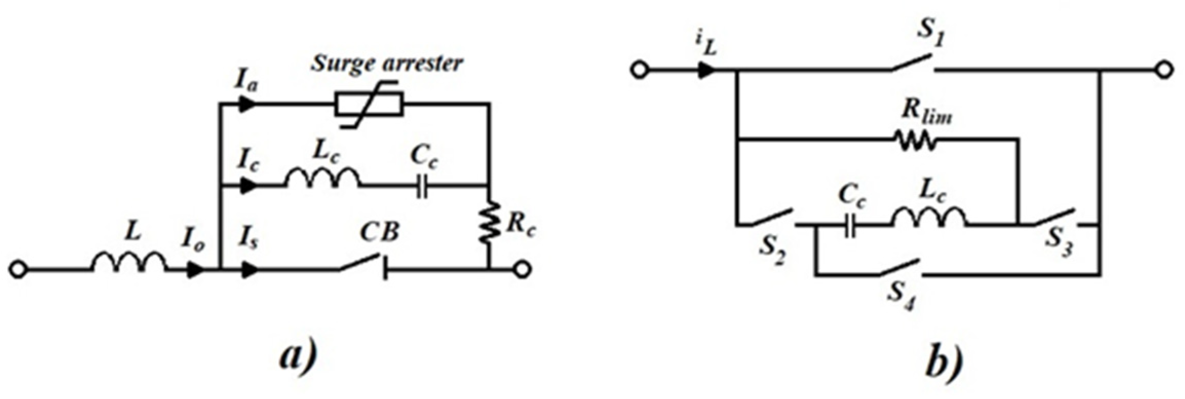
5.1. DC Circuit Breaker Solutions
5.1.1. Electromechanical Circuit Breaker
5.1.2. Solid-State Circuit Breakers (SSCB)
5.1.3. Hybrid Circuit Breaker
5.2. Reliability and Maintenance of HVDC Converter Substations
5.3. Multi-Terminal HVDC System Operation
- In a LCC-MTDC configuration, it is absolutely necessary to implement a communication path between the converters to control the power flow and to coordinate the change of voltage polarity in the case of a change in power flow direction at one of the terminals (in the case of LCC-HVDC, DC current flows only in one direction; the change of power direction is achieved by changing the voltage polarity. In the case of VSC-HVDC technology, the voltage polarity never changes, allowing current flow in both directions).
- In a VSC-MTDC configuration, there is no need for communication between terminals; balancing the power flow is achieved by monitoring the system voltage. Therefore, VSC-HVDC technology is better suited for MTDC connections.
6. Future Trends and Applications of HVDC Transmission Systems
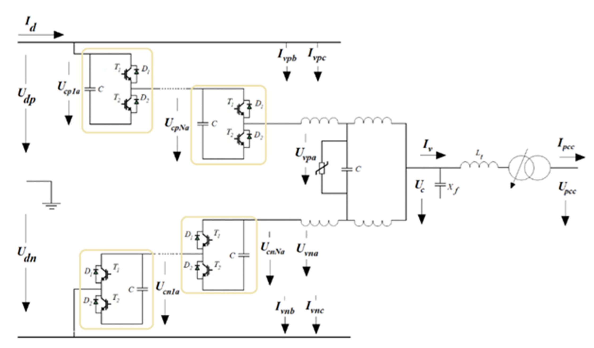
6.1. Modular Multilevel Converter (MMC) HVDC
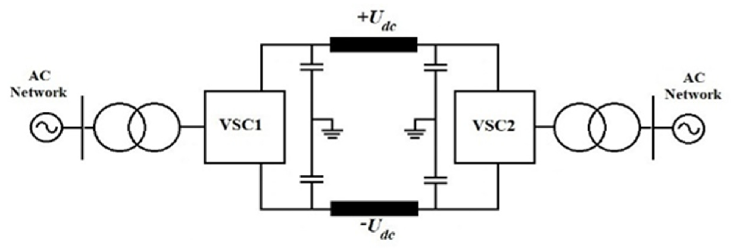
6.2. Cascaded Two-Level (CTL) HVDC
6.3. Classical Hybrid VSC-CSC HVDC Links
6.4. Recent HVDC Innovations and Developments
6.4.1. New VSC- HVDC Bipolar Topologies
- Pseudo-bipolar HVDC link
- True bipolar HVDC link
- Hybrid bipolar HVDC link
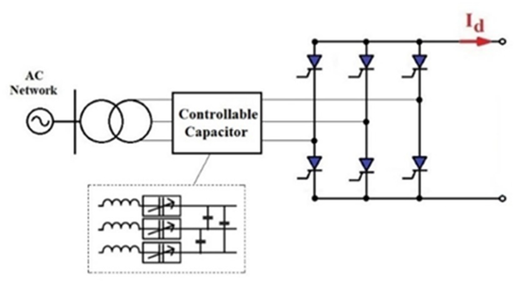
6.4.2. Flexible LCC Converter
6.4.3. Use of VSC-HVDC for Voltage Stabilization and Transient Stabilization
7. Conclusions
- The most used applications of HVDC technologies are summarized as the following: long-distance bulk power transmission, submarine cable transmission, asynchronous ties, offshore wind power plant transmission, and multi-terminal HVDC systems;
- At the moment, the main types of HVDC topologies used are the monopolar link, bipolar link (both with metallic return conductor or ground return path), back-to-back link, and homopolar link;
- The primary components of the HVDC converter stations are presented for both VSC technology (particularly the use of phase reactor and DC capacitors) and CSC technology (particularly the use of DC and AC filters);
- The main control strategies and U-I characteristics used for CSC-HVDC control are summarized (CCR, CCI, CIA, and CEA). Also, the main strategies for VSC-HVDC (power angle and vector control strategies) are presented with the associated active and reactive power control loops and the PLL loop (phase-locked loop) implementation;
- Furthermore, the following series of key challenges arising from the use of HVDC technologies are discussed: DC circuit breaker solutions (the main types of existing circuit breakers are as follows: electromechanical, solid-state, and hybrid circuit breakers are presented), reliability and maintenance of HVDC converter substation, multi-terminal operation;
- The study also takes a look at the future trends and applications of HVDC technologies such as MMC, CTL converters, hybrid implementation of HVDC links, new types of bipolar topologies, and network stability improvement applications of HVDC technology;
Future Considerations and Developments:
- -
- One of the challenges of VSC-HVDC technology that needs to be addressed in the near future is increasing the transfer capacity of the cables. At the moment, superconducting cables are being researched in order to achieve a transfer capacity higher than 3 GW, which will make VSC-HVDC a viable option for bulk power transmission.
- -
- Seeing the increase in renewables in modern networks, another challenge related to power system stability that will be addressed by the implementation of VSC-HVDC links is the synthetic inertia and fast frequency support. Modern converters must have a control system calibrated in order to respond as fast as possible to the changes in the AC network;
- -
- Considering an increase in the spread of the use of HVDC technology, the reliability of the power electronics devices needs to be improved. One of the technologies that will enable us to improve the reliability of HVDC systems is condition and health monitoring, which will improve the estimation of the state-of-health and end-of-life of the power electronic devices;
- -
- In order to reduce the cost of the converters and also improve the reliability and conduction losses, SiC semiconductor technology (Silicon-Carbide-Based) should be implemented in future HVDC projects. At the moment, SiC technology is being researched for HVDC systems.
Author Contributions
Funding
Institutional Review Board Statement
Informed Consent Statement
Data Availability Statement
Conflicts of Interest
References
- Peake, O. The history of high voltage direct current transmission. Aust. J. Multi-Discip. Eng. 2010, 8, 47–55. [Google Scholar] [CrossRef]
- Asplund, G.; Carlsson, L.; Tollerz, O. 50 years HVDC Part I, ABB – from pioneer to world leader. ABB Rev. 2003, 4, 6–13. [Google Scholar]
- Haglöf, L. HVDC Veterans’ Presentations—The History of HVDC Part 1: The Mercury Arc Valve Era; HVDC 50 years: Presentation at the Gotland seminar, 6 May 2004; ABB: Zürich, Switzerland, 2004. [Google Scholar]
- Melhem, Z. Electricity Transmission, Distribution and Storage Systems; Woodhead Pub: Oxford, UK, 2013. [Google Scholar]
- Okba, M.H.; Saied, M.H.; Mostafa, M.Z.; Abdel Moneim, T.M. High voltage direct current transmission—A review, part I. In Proceedings of the 2012 IEEE Energytech, Cleveland, OH, USA, 29–31 May 2012; pp. 1–7. [Google Scholar] [CrossRef]
- Flisberg, G.; Carlsson, C.; Moni, R.; Boveri, A. Global Trends in Bulk Power Transmission; ABB Group: Ludvika, Sweden, 2009. [Google Scholar]
- Bahrman, M.; Johnson, B. The ABCs of HVDC transmission technologies. IEEE Power Energy Mag. 2007, 5, 32–44. [Google Scholar] [CrossRef]
- Andersen, B.; Barker, C. A new era in HVDC? IEEE Rev. 2000, 46, 33–39. [Google Scholar] [CrossRef]
- Liu, Z.; Zhang, F.; Yu, J.; Gao, K.; Ma, W. Research on key technologies in ±1100 kV ultra-high voltage DC transmission. High Volt. 2018, 3, 279–288. [Google Scholar] [CrossRef]
- Meier, A. Electric Power Systems, 1st ed.; Wiley: Hoboken, NJ, USA; IEEE Press: Piscatway, NJ, USA, 2006. [Google Scholar]
- Setréus, J.; Eriksson, R.; Karlsson, S.; Swaitti, O.; Leelaruji, R.; Yu, L. Study visit at the SwePol HVDC Link; Royal Institute of Technology (KTH), School of Electrical Engineering: Stockholm, Sweden , 2006. [Google Scholar]
- Skog, J.; Koreman, K.; Pääjärvi, B.; Andersröd, T. The Norned HVDC Cable Link–A Power Transmission Highway between Norway and The Netherlands; ENERGEX: Stavanger, Norway, 2006. [Google Scholar]
- Pourbeik, P.; Bahrman, M.; John, E.; Wong, W. Modern countermeasurus to blackouts. IEEE Power Energy Mag. 2006, 4, 36–45. [Google Scholar] [CrossRef]
- Wang, H.; Redfern, M.A. The advantages and disadvantages of using HVDC to interconnect AC networks. In Proceedings of the 45th International Universities Power Engineering Conference (UPEC), Cardiff, UK, 31 August–3 September 2010; pp. 1–5. [Google Scholar]
- Dong, C.; Zhang, H.; Li, Y.; Jiang, W.; Gao, X. Security and stability control strategy of Gaoling back-to-back HVDC project. Dianwang Jishu Power Syst. Technol. 2015, 39, 1240–1245. [Google Scholar]
- Kirby, N.; Siepmann, W.; Xu, L.; Luckett, M. HVDC transmission for large offshore wind farms. Power Eng. J. 2002, 16, 135–141. [Google Scholar] [CrossRef]
- Muyeen, S.M.; Takahashi, R.; Tamura, J. Operation and control of HVDC-connected offshore wind farm. IEEE Trans. Sustain. Energy 2010, 1, 30–37. [Google Scholar] [CrossRef]
- GE Grid Solutions. DolWin3 HVDC Voltage Source Converters for Efficient Connection of Renewable Energy; GE Grid Solutions: Stafford, UK, 2018. [Google Scholar]
- UL. Offshore Wind Energy in Germany Status 31.12.2018 and Prospects until 2030; UL–Empowering Trust: Northbrook, IL, USA, 2018. [Google Scholar]
- Bahrman, M.P. HVDC transmission overview. In Proceedings of the 2008 IEEE/PES Transmission and Distribution Conference and Exposition, Chicago, IL, USA, 21–24 April 2008; pp. 1–7. [Google Scholar] [CrossRef]
- Chen, Y. Review of the development of multi-terminal HVDC and DC power grid. IOP Conf. Ser. Earth Environ. Sci. 2017, 93, 012044. [Google Scholar] [CrossRef]
- Rodriguez, P.; Rouzbehi, K. Multi-terminal DC grids: Challenges and prospects. J. Mod. Power Syst. Clean Energy 2017, 5, 515–523. [Google Scholar] [CrossRef] [Green Version]
- Chitode, J.S. Power Electronics, 4th ed.; Technical Publications: Maharashtra, India, 2009. [Google Scholar]
- Kuruganty, S. HVDC transmission system models for power system reliability evaluation. In Proceedings of the IEEE WESCANEX 95: Communications, Power, and Computing Conference, Winnipeg, MB, Canada, 15–16 May 1995; Volume 2, pp. 501–507. [Google Scholar] [CrossRef]
- Billinton, R.; Fotuhi-Firuzabad, M.; Faried, S.O.; Aboreshaid, S. Composite system reliability evaluation incorporating an HVDC link and a static synchronous series compensator. In Proceedings of the IEEE CCECE2002: Canadian Conference on Electrical and Computer Engineering (Cat. No. 02CH37373), Winnipeg, MB, Canada, 12–15 May 2002; Volume 1, pp. 42–47. [Google Scholar] [CrossRef]
- Singh, M.D.; Khanchandai, K.B. Power Electronics, 2nd ed.; Tata McGraw-Hill Publishing Company Limited: New York, NY, USA, 2008. [Google Scholar]
- Zhang, C. UHV Transmission Technology; Edited by The China Electric Power Research Institute; Elsevier Science: Amsterdam, The Netherlands, 2018. [Google Scholar]
- Sivanagaraju, S.; Satyanarayana, S. Electric Power Transmission and Distribution; Dorling Kindersley: New Delhi, India, 2012. [Google Scholar]
- Sood, V. HVDC and FACTS Controllers: Applications of Static Converters in Power Systems; Kluwer Academic Publishers: Amsterdam, The Netherlands, 2004. [Google Scholar]
- Retzmann, D.; Siemens, A.G. HVDC Station Layout, Equipment LCC & VSC and Integration of Renewables Using HVDC; Cigré Tutorial; CIGRE: Paris, France, 2012. [Google Scholar]
- Alstom, H.V.D.C. HVDC for Beginners and Beyond; Alstom: Saint-Ouen, France, 2010. [Google Scholar]
- Csutar, V.G.; Kallikuppa, S.; Charles, L. Introduction to HVDC Architecture and Solutions for Control and Protection; Texas Instruments: Dallas, TX, USA, 2020. [Google Scholar]
- Jonsson, T. High Power Electronics for HVDC Power Transmission; TSTE19 Power Electronics Lecture 14; ABB Grid Systems: Västerås, Sweden, 2015. [Google Scholar]
- Roy, R.; Amin, M. A paper of determination of controlling characteristics of the monopolar HVDC system. Int. J. Hybrid Inf. Technol. 2014, 7, 105–120. [Google Scholar] [CrossRef]
- Brand, L.; de Silva, R.; Bebbington, E.; Chilukuri, K. Grid West Project HVDC Technology Review; EirGrid, PSC Specialist Consultants for Electricity Industry: Dublin, Ireland, 2014. [Google Scholar]
- Larruskain, D.M.; Zamora, I.; Mazón, A.; Abarrategui, O.; Monasterio, J. Transmission and distribution networks: AC versus DC. In Proceedings of the 9th Spanish Portuguese Congress on Electrical Engineering, Marbella, Spain, 30 June–2 July 2005. [Google Scholar]
- Setréus, J.; Bertling Tjernberg, L. Introduction to HVDC technology for reliable electrical power systems. In Proceedings of the 10th International Conference on Probablistic Methods Applied to Power Systems, Rincon, Puerto Rico, 25–29 May 2008; pp. 1–8. [Google Scholar]
- Eremia, M.; Liu, C.-C.; Edris, A.-A. Advanced Solutions in Power Systems: HVDC, FACTS, and Artificial Intelligence; IEEE Press: Piscatway, NJ, USA; Wiley: Hoboken, NJ, USA, 2016. [Google Scholar]
- Lluch, J.R. Modelling, Control and Simulation of LCCHVDC Systems for Stability Studies. Master’s Thesis, Escola Tècnica Superior d’Enginyeria Industrial de Barcelona, Barcelona, Spain, June 2017. [Google Scholar]
- Yin, H. Modeling and Control of Wind Generation and Its HVDC Delivery System. Ph.D. Thesis, University of South Florida, Tampa, FL, USA, 2011. [Google Scholar]
- Zhang, L. Modeling and Control of VSC–HVDC Links Connected to Weak AC Systems. Ph.D. Thesis, Royal Institute of Technology, School of Electrical Engineering Electrical Machines and Power Electronics, Stockholm, Sweden, 2010. [Google Scholar]
- Zheng, X.; Li, Y.; Liu, Z.; Wang, C. Steady-state control strategy of VSC-HVDC transmission system based on full-order terminal sliding mode control method. J. Eng. 2019, 2019, 987–990. [Google Scholar] [CrossRef]
- Stan, A.; Stroe, D.; da Silva, R. Control strategies for VSC-based HVDC transmission system. In Proceedings of the 2011 IEEE International Symposium on Industrial Electronics, Gdansk, Poland, 27–30 June 2011; pp. 1387–1392. [Google Scholar] [CrossRef]
- Hannan, M.A.; Hussin, I.; Ker, P.J.; Hoque, M.M.; Lipu, M.H.; Hussain, A.; Rahman, M.A.; Faizal, C.W.M.; Blaabjerg, F. Advanced control strategies of VSC based HVDC transmission system: Issues and potential recommendations. IEEE Access 2018, 6, 78352–78369. [Google Scholar] [CrossRef]
- Song, R.; Zheng, C.; Li, R.; Zhou, X. VSCs based HVDC and its control strategy. In Proceedings of the 2005 IEEE/PES Transmission & Distribution Conference & Exposition: Asia and Pacific, Dalian, China, 18 August 2005; pp. 1–6. [Google Scholar]
- Muriuki, J.K.; Muriithi, C.M.; Ngoo, L.; Nyakoe, G. Review of HVDC circuit breakers topologies. IOSR J. Electr. Electron. Eng. 2017, 12, 109–117. [Google Scholar] [CrossRef]
- Padiyar, K. HVDC Power Transmission Systems—Technology and System Interactions, 1st ed.; New Age International Limited: New Delhi, India, 2005. [Google Scholar]
- Nakanishi, K. Switching Phenomena in High-Voltage Circuit Breakers, 1st ed.; Marcel Dekker, Inc.: New York, NY, USA, 1991. [Google Scholar]
- Kostoulas, N.; Sitokonstantinou, V.; Idris, M.; Sterling, P.; Sayed, S.; Karaiskos, P. DC Circuit Breakers and Their Use in HVDC Grids; Imperial College London: London, UK, 2011. [Google Scholar]
- Etxegarai, A.; Larruskain, D.M.; Abarrategi, O.; Eguia, P.; Buigues, G. HVDC Circuit Breakers for HVDC Grids. Int. J. Eng. Res. Technol. 2019, 8, 665–670. [Google Scholar] [CrossRef]
- Tristiu, I.; Bulac, C.; Costinas, S.; Toma, L.; Mandiş, A.; Zăbavă, T. A new and efficient algorithm for short-circuit calculation in distribution networks with distributed generation. In Proceedings of the 2015 9th International Symposium on Advanced Topics in Electrical Engineering (ATEE), Bucharest, Romania, 7–9 May 2015; pp. 816–821. [Google Scholar] [CrossRef]
- Mohammadi, F.; Rouzbehi, K.; Hajian, M.; Niayesh, K.; Gharehpetian, G.; Saad, H.; Hasan Ali, M.; Sood, V. HVDC circuit breakers: A comprehensive review. IEEE Trans. Power Electron. 2021, 36, 13726–13739. [Google Scholar] [CrossRef]
- Ahmad, M.; Wang, Z.; Shafique, M.; Nadeem, M.H. Significance of fault-current-limiters and parameters optimization in HVDC circuit breakers for increased capacity of VSC-HVDC transmission networks application. Energy Rep. 2022, 8, 878–892. [Google Scholar] [CrossRef]
- Zhu, C.; Li, K.; Li, R.; Zhang, H.; Sun, L.; Hu, Y. A new hybrid DC circuit breaker topology. IOP Conf. Ser. Earth Environ. Sci. 2018, 188, 012099. [Google Scholar] [CrossRef]
- Khorasaninejad, M.; Radmehr, M.; Firouzi, M.; Koochaki, A. Application of a resistive mutual-inductance fault current limiter in VSC-based HVDC system. Int. J. Electr. Power Energy Syst. 2022, 134, 107388. [Google Scholar] [CrossRef]
- Ciupăgeanu, D.; Costinas, S. Improving predictive maintenance for HVDC transmission systems through analytic hierarchy process. In Proceedings of the 2017 International Conference on Energy and Environment (CIEM), Bucharest, Romania, 19–20 October 2017; pp. 26–30. [Google Scholar] [CrossRef]
- Guo, J.; Wang, X.; Bie, Z.; Hou, Y. Reliability modeling and evaluation of VSC-HVDC transmission systems. In Proceedings of the 2014 IEEE PES General Meeting, Conference & Exposition, National Harbor, MD, USA, 27–31 July 2014; pp. 1–5. [Google Scholar] [CrossRef]
- Cochrane, J.; Emerson, M.; Donahue, J.; Wolf, G. A survey of HVDC operating and maintenance practices and their impact on reliability and performance. IEEE Trans. Power Deliv. 1996, 11, 514–518. [Google Scholar] [CrossRef]
- Georgiana, I.; Costinas, S.; Stan, A. Trends to increase the life cycle of a substation in context of smart grid; Power up our Future; In Proceedings of the 10th International Conference on Energy and Environment CIEM 2021, Bucharest, Romania, 14–15 October 2021.
- Tang, G.; Luo, X.; Wei, X. Multi-Terminal HVDC and DC-Grid Technology; Chinese Society for Electrical Engineering: Beijing, China, 2013; Volume 33, pp. 8–17. [Google Scholar]
- Zhu, J.; Booth, C. Future multi-terminal HVDC transmission systems using voltage source converters. In Proceedings of the 45th International Universities Power Engineering Conference (UPEC), Cardiff, UK, 31 August–3 September 2010; pp. 1–6. [Google Scholar]
- Beddard, A.; Barnes, M. Modelling of MMC-HVDC systems—An overview. Energy Procedia 2015, 80, 201–212. [Google Scholar] [CrossRef]
- Gomis-Bellmunt, O.; Liang, J.; Hertem, D. HVDC Grids: For Offshore and Supergrid of the Future; John Wiley & Sons Inc.: Hoboken, NJ, USA, 2016. [Google Scholar]
- Zhang, B.; Zhao, C.; Guo, C.; Xiao, X.; Zhou, L. Controller architecture design for MMC-HVDC. Adv. Electr. Comput. Eng. 2014, 14, 9–16. [Google Scholar] [CrossRef]
- Sharifabadi, K.; Harnefors, L.; Nee, H.; Norrga, S.; Teodorescu, R. Design, Control, and Application of Modular Multilevel Converters for HVDC Transmission Systems, 1st ed.; Wiley: Hoboken, NJ, USA; IEEE Press: Piscatway, NJ, USA, 2016. [Google Scholar]
- Jacobson, B.; Karlsson, P.; Asplund, G.; Harnefors, L.; Jonsson, T. VSC-HVDC Transmission with Cascaded Two-Level Converters; ABB Sweden: Zürich, Switzerland; CIGRE: Paris, France, 2010. [Google Scholar]
- Acha, E.; Jaén, A.; Kazemtabrizi, B.; Castro, L.; Roncero-Sánchez, P. VSC-FACTS-HVDC: Analysis, Modelling and Simulation in Power Grids, 1st ed.; Wiley: Hoboken, NJ, USA, 2019. [Google Scholar]
- Li, B.; Li, J. Probabilistic sizing of a low-carbon emission power system considering HVDC transmission and microgrid clusters. Appl. Energy 2021, 304, 117760. [Google Scholar] [CrossRef]
- Echeverría, J.; Kouro, S.; Pérez, M.; Abu-rub, H. Multi-modular cascaded DC-DC converter for HVDC grid connection of large-scale photovoltaic power systems. In Proceedings of the IECON 2013—39th Annual Conference of the IEEE Industrial Electronics Society, Vienna, Austria, 10–13 November 2013; pp. 6999–7005. [Google Scholar] [CrossRef]
- Cheah-Mane, M.; Song, J.; Ferrer-San-Jose, R.; Prieto-Araujo, E.; Gomis-Bellmunt, O. Analysis of hybrid LCC-VSC HVDC transmission system configurations. In Proceedings of the 15th IET International Conference on AC and DC Power Transmission (ACDC 2019), Coventry, UK, 5–7 February 2019; pp. 1–6. [Google Scholar] [CrossRef]
- Sun, P.; Wickramasinghe, H.R.; Konstantinou, G. Hybrid LCC-AAC HVDC transmission system. Electr. Power Syst. Res. 2021, 192, 106910. [Google Scholar] [CrossRef]
- Xiao, H.; Sun, K.; Pan, J.; Li, Y.; Liu, Y. Review of hybrid HVDC systems combining line communicated converter and voltage source converter. Int. J. Electr. Power Energy Syst. 2021, 129, 106713. [Google Scholar] [CrossRef]
- Perez-Molina, M.J.; Larruskain, D.M.; Lopez, P.E.; Buigues, G.; Valverde, V. Review of protection systems for multi-terminal high voltage direct current grids. Renew. Sustain. Energy Rev. 2021, 144, 111037. [Google Scholar] [CrossRef]
- Wang, M.; An, T.; Ergun, H.; Lan, Y.; Andersen, B.; Szechtman, M.; Leterme, W.; Beerten, J.; Van Hertem, D. Review and outlook of HVDC grids as backbone of the transmission system. CSEE J. Power Energy Syst. 2021, 7, 797–810. [Google Scholar]
- Nishioka, A.; Alvarez, F.; Omori, T. Global Innovation Report—Global Rise of HVDC and Its Background. Hitachi Rev. 2021, 69, 462–463. [Google Scholar]





























| Term | Meaning |
|---|---|
| HVDC | High-Voltage Direct Current |
| DC | Direct Current |
| AC | Alternative Current |
| LCC (CSC) | Line-Commutated Converter (Current-Source Converter) |
| VSC | Voltage-Source Converter |
| MMC | Modular Multi-Level Converter |
| CTL | Cascaded Two-Level Converter |
| GW | Gigawatt |
| IGBT | Insulated Gate Bipolar Transistor |
| BJT | Bipolar Junction Transistor |
| MOSFET | Metal-Oxide-Semiconductor Field-Effect Transistor |
| GTO | Gate Turn-Off Thyristor |
| IGCT | Integrated Gate Commutated Thyristor |
| OHL | Overhead Line |
| B2B | Back-to-Back |
| CB | Circuit Breaker |
| SSCB | Solid-State Circuit Breakers |
| SCC | Short Circuit Current |
| UFD | Ultra-Fast Disconnector |
| LCS | Load Commutation Switch |
| FEU | Forced Energy Utilization |
| FACTS | Flexible Alternating Current Transmission System |
| MTDC | Multi-Terminal DC Links |
| PLL | Phase-Locked Loop |
| RPV | Reactive Power Control Loop |
| AVC | Active Voltage Control Loop |
| APC | Active Power Control Loop |
| CCR | Constant Current Characteristic Rectifier |
| CCI | Constant Current Characteristic Inverter |
| CIA | Constant Ignition Angle (α) |
| CEA | Constant Extinction Angle (γ) |
| UGC | Underground Cables |
| XLPE | Cross-Linked Polyethylene Cable |
| CB | Circuit Breaker |
| SM | Submodule |
| Term | Meaning |
|---|---|
| Pd | Active power on DC link |
| Pdr | Active power at the level of rectifier |
| Pdi | Active power at the level of inverter |
| Ud | DC voltage on DC link |
| Udr | DC voltage at the level of rectifier |
| Udi | DC voltage at the level of inverter |
| Id | Current through the DC link |
| Rcr | Commutation resistance at the level of rectifier |
| Rci | Commutation resistance at the level of inverter |
| RL | Resistance of the DC link |
| Xkr | Short-circuit reactance at the level of rectifier |
| Xki | Short-circuit reactance at the level of inverter |
| Udr | DC voltage at the level of rectifier |
| Udi | DC voltage at the level of inverter |
| α | Ignition angle |
| γ | Extinction angle |
| Iref | Reference current (DC side) |
| Uref | Reference voltage (AC Side) |
| Pref | Reference active power (AC Side) |
| Qref | Reference reactive power (AC Side) |
| ΔIm | Current margin |
| I0r | Reference current value rectifier |
| I0i | Reference current value inverter |
| P | Active power at the AC side of HVDC Link |
| Q | Reactive power at the AC side of HVDC Link |
| U1 | Voltage level at the AC side—node 1 of HVDC Link |
| U2 | Voltage level at the AC side—node 2 of HVDC Link |
| θ | Voltage phase angle between the two AC nodes |
| X | X the reactance of the line between the two AC nodes |
| Lc | Phase—reactor inductance of the VSC |
| idq | Current associated with the converter (in the d-q plane) |
| udq | Voltage associated with the VSC converter control loop |
| ΔP | Small changes of active power at the level of the converter station |
| ΔQ | Small changes of reactive power at the level of the converter station |
| U0f | Converter station AC filter voltage level |
| Δicd | Small changes of the current in the d axis at the level of the converter station. |
| Δicq | Small changes of the current in the q axis at the level of the converter station. |
| vrefd | Reference voltages in d axis |
| vrefq | Reference voltages in q axis |
| ωt | Angular speed |
| Sd | Commutation device switch (dissipation device) |
| Rd | Impedance of the dissipation device |
| Sc | Commutation device switch (commutating device) |
| Zc | Impedance of the commutating device |
| Vb | Counter-voltage |
| id | Current through the DC circuit breaker before the commutation process |
| RV | Surge arrester resistance |
| vpa,b,c | Voltage drops over the submodules of the positive pole (MMC) |
| ipa,b,c | Currents through the submodules of the positive pole (MMC) |
| vna,b,c | Voltage drops over the submodules of the negative pole (MMC) |
| ina,b,c | Currents through the submodules of the negative pole (MMC) |
Publisher’s Note: MDPI stays neutral with regard to jurisdictional claims in published maps and institutional affiliations. |
© 2022 by the authors. Licensee MDPI, Basel, Switzerland. This article is an open access article distributed under the terms and conditions of the Creative Commons Attribution (CC BY) license (https://creativecommons.org/licenses/by/4.0/).
Share and Cite
Stan, A.; Costinaș, S.; Ion, G. Overview and Assessment of HVDC Current Applications and Future Trends. Energies 2022, 15, 1193. https://doi.org/10.3390/en15031193
Stan A, Costinaș S, Ion G. Overview and Assessment of HVDC Current Applications and Future Trends. Energies. 2022; 15(3):1193. https://doi.org/10.3390/en15031193
Chicago/Turabian StyleStan, Andrei, Sorina Costinaș, and Georgiana Ion. 2022. "Overview and Assessment of HVDC Current Applications and Future Trends" Energies 15, no. 3: 1193. https://doi.org/10.3390/en15031193
APA StyleStan, A., Costinaș, S., & Ion, G. (2022). Overview and Assessment of HVDC Current Applications and Future Trends. Energies, 15(3), 1193. https://doi.org/10.3390/en15031193
