An Energy Storage System Composed of Photovoltaic Arrays and Batteries with Uniform Charge/Discharge
Abstract
:1. Introduction
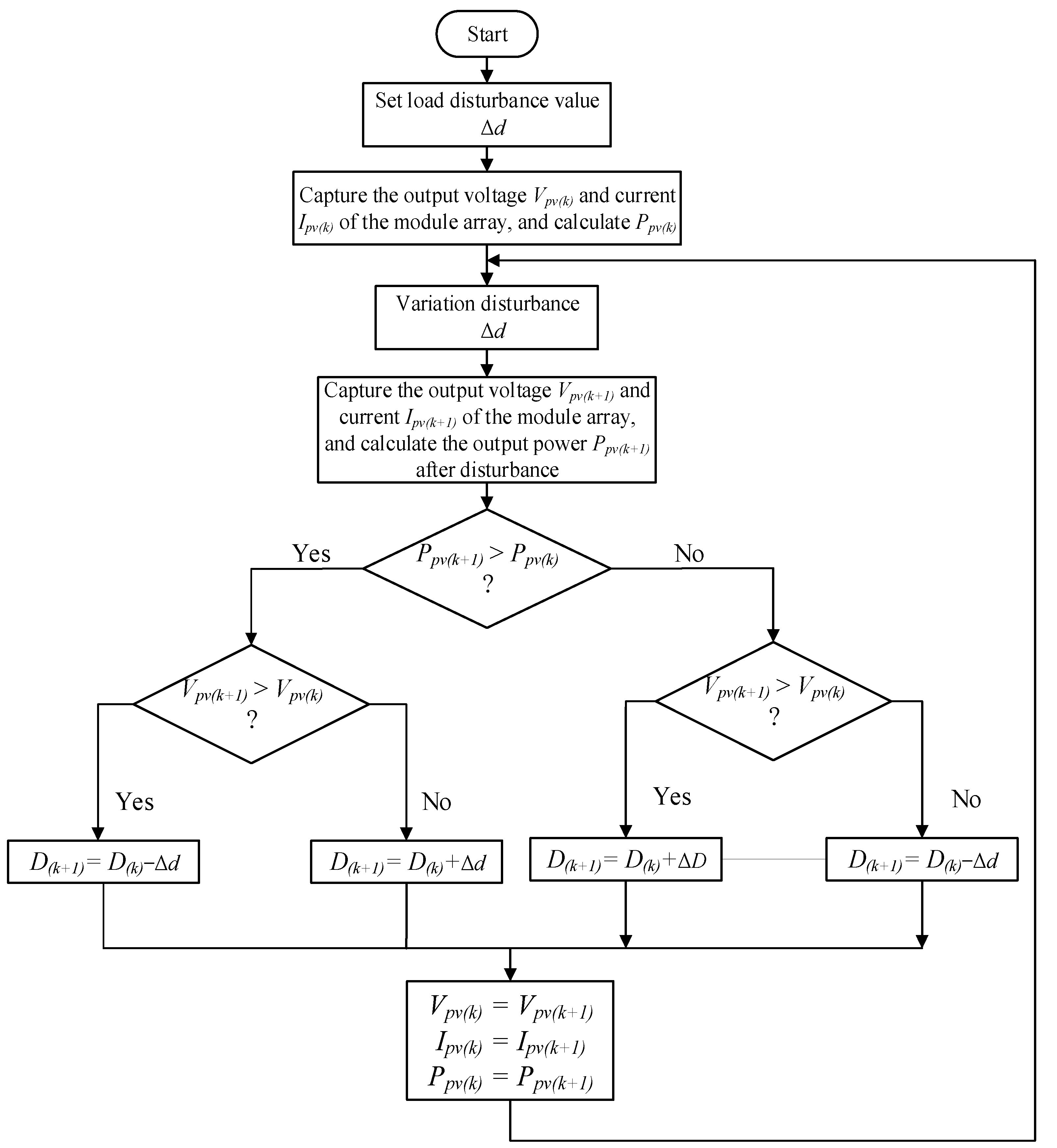
2. The Adopted Maximum Power Point Tracking (MPPT) Control Methodology
3. Bidirectional Buck–Boost Soft-Switching Converter
4. An Energy Storage System with Uniform Charge/Discharge Control
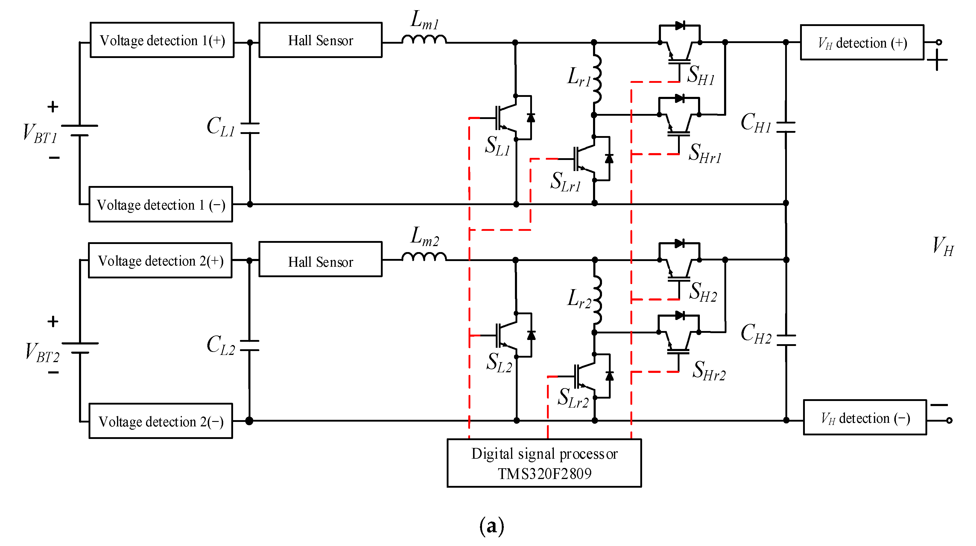
4.1. Battery Energy Storage System Architecture with Uniform Charge and Discharge Control
4.1.1. Main Inductance Lm1, Lm2 Design
4.1.2. Capacitor CL1, CL2, CH1, CH2 Design
4.1.3. The Design of the Main Power Switch Component and the Auxiliary Power Switch Component
4.1.4. Resonant Component Design
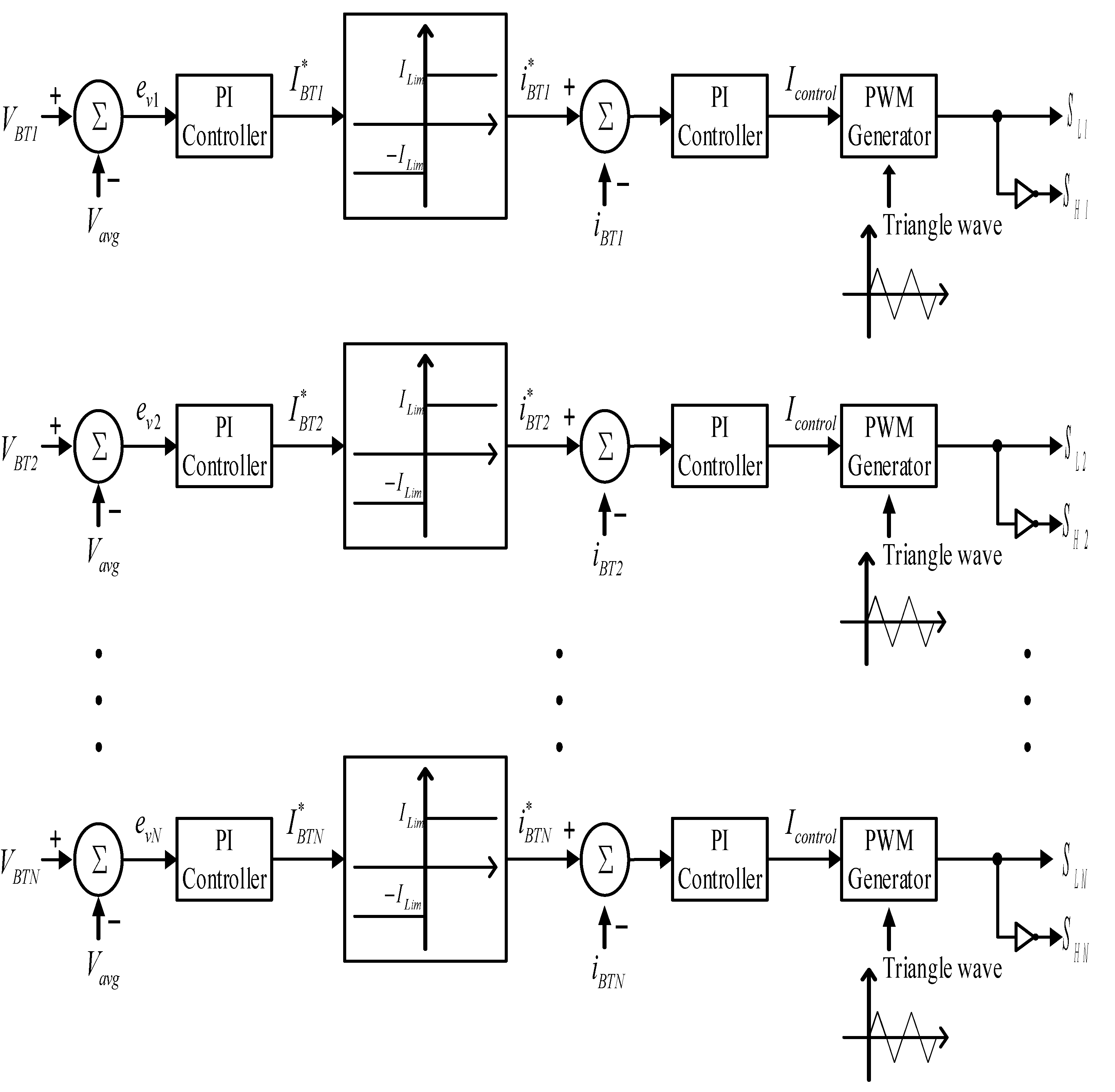
4.2. The Control Mode of Uniform Charging/Discharging
5. Test Results
5.1. The Actual Test for the Bidirectional Buck–Boost Soft-Switching Converter
5.2. The Actual Test on Associating Uniform Charging/Discharging Battery with Photovoltaic Power Generation System
6. Conclusions
Author Contributions
Funding
Institutional Review Board Statement
Informed Consent Statement
Data Availability Statement
Conflicts of Interest
References
- Georgious, R.; Refaat, R.; Garcia, J.; Daoud, A.A. Review on Energy Storage Systems in Microgrids. Electronics 2021, 10, 2134. [Google Scholar] [CrossRef]
- Portalo, J.M.; González, I.; Calderón, A.J. Monitoring System for Tracking a PV Generator in an Experimental Smart Microgrid: An Open-Source Solution. Sustainability 2021, 13, 8182. [Google Scholar] [CrossRef]
- Zhang, N.; Yang, N.C.; Liu, J.H. Optimal Sizing of PV/Wind/Battery Hybrid Microgrids Considering Lifetime of Battery Banks. Energies 2021, 14, 6655. [Google Scholar] [CrossRef]
- Koseoglou, M.; Tsioumas, E.; Jabbour, N.; Mademlis, C. Highly effective cell equalization in a lithium-ion battery management system. IEEE Trans. Power Electron. 2020, 35, 2088–2099. [Google Scholar] [CrossRef]
- Lozano, J.G.; Cadaval, E.R.; Montero, M.I.M.; Martinez, M.A.G. Battery equalization active methods. J. Power Sources 2014, 246, 934–949. [Google Scholar] [CrossRef]
- Kelkar, A.; Dasari, Y.; Williamson, S.S. A comprehensive review of power electronics enabled active battery cell balancing for smart energy management. In Proceedings of the 2020 IEEE International Conference on Power Electronics, Smart Grid and Renewable Energy (PESGRE2020), Cochin, India, 2–4 January 2020; pp. 1–6. [Google Scholar]
- Hoque, M.M.; Hannan, M.A.; Mohamed, A.; Ayob, A. Battery charge equalization controller in electric vehicle applications: A review. Renew. Sust. Energ. Rev. 2017, 75, 1363–1385. [Google Scholar] [CrossRef]
- Ye, Y.; Cheng, K.W.E.; Fong, Y.C.; Xue, X.; Lin, J. Topology, modeling, and design of switched-capacitor-based cell balancing systems and their balancing exploration. IEEE Trans. Power Electron. 2017, 32, 4444–4454. [Google Scholar] [CrossRef]
- Ye, Y.; Cheng, K.W.E. Analysis and design of zero-current switching switched-capacitor cell balancing circuit for series-connected battery/supercapacitor. IEEE Trans. Veh. Technol. 2018, 67, 948–955. [Google Scholar] [CrossRef]
- Caspar, M.; Eiler, T.; Hohmann, S. Systematic comparison of active balancing: A model-based quantitative analysis. IEEE Trans. Veh. Technol. 2018, 67, 920–934. [Google Scholar] [CrossRef]
- Shang, Y.; Lu, F.; Xia, B.; Zhang, C.; Cui, N.; Mi, C. A switched-coupling-capacitor equalizer for series-connected battery strings. In Proceedings of the 2017 IEEE Applied Power Electronics Conference and Exposition (APEC), Tampa, FL, USA, 26–30 March 2017; pp. 1425–1429. [Google Scholar]
- Zhou, Z.; Shang, Y.; Duan, B.; Zhang, C. An any-cell(s)-to-any-cell(s) equalizer based on bidirectional inductor converters for series connected battery string. In Proceedings of the 2016 IEEE 11th Conference on Industrial Electronics and Applications (ICIEA), Hefei, China, 5–7 June 2016; pp. 2511–2515. [Google Scholar]
- Dong, Y.; Li, F.; Li, W.; Wei, H. Voltage equalization optimization strategy for storage battery of power grid. In Proceedings of the 2021 IEEE 5th Information Technology, Networking, Electronic and Automation Control Conference (ITNEC), Xi’an, China, 15–17 October 2021; pp. 26–32. [Google Scholar]
- Lu, C.; Kang, L.; Wang, S. A novel symmetrical extensible battery balancing circuit based on inductor. In Proceedings of the 2018 21st International Conference on Electrical Machines and Systems (ICEMS), Jeju, Korea, 7–10 October 2018; pp. 2133–2136. [Google Scholar]
- Daowd, M.; Omar, N.; Bossche, P.V.D.; Mierlo, J.V. Passive and active battery balancing comparison based on MATLAB simulation. In Proceedings of the 2011 IEEE Vehicle Power and Propulsion Conference, Chicago, IL, USA, 6–9 September 2011; pp. 1–7. [Google Scholar]
- Li, Y.; Xu, J.; Mei, X.; Wang, J. A unitized multiwinding transformer-based equalization method for series-connected battery strings. IEEE Trans. Power Electron. 2019, 34, 11981–11989. [Google Scholar] [CrossRef]
- Shang, Y.; Cui, N.; Zhang, C. An optimized any-cell-to-any-cell equalizer based on coupled half-bridge converters for series-connected battery strings. IEEE Trans. Power Electron. 2019, 34, 8831–8841. [Google Scholar] [CrossRef]
- Zheng, L.; Zhu, J.; Wang, G.; Lu, D.D.C.; McLean, P.; He, T. Model predictive control based balancing strategy for series-connected lithium-ion battery packs. In Proceedings of the 2017 19th European Conference on Power Electronics and Applications (EPE’17 ECCE Europe), Warsaw, Poland, 11–14 September 2017; pp. 1–8. [Google Scholar]
- Shin, J.W.; Seo, G.S.; Chun, C.Y.; Cho, B.H. Selective flyback balancing circuit with improved balancing speed for series connected lithium-ion batteries. In Proceedings of the 2010 International Power Electronics Conference–ECCE ASIA, Sapporo, Japan, 21–24 June 2010; pp. 1180–1184. [Google Scholar]
- Li, S.; He, J.; Guo, Z. A novel lithium-ion battery active equalization structure and its control strategy based on buck converter unit. In Proceedings of the 2018 IEEE International Power Electronics and Application Conference and Exposition (PEAC), Shenzhen, China, 4–7 November 2018; pp. 1–5. [Google Scholar]
- Jangir, P.; Sangwan, V.; Kumar, R.; Rathore, A.K. Optimal power management of multiple battery units by power converter system in electric vehicle. In Proceedings of the 2018 IEEE International Conference on Power Electronics, Drives and Energy Systems (PEDES), Chennai, India, 18–21 December 2018; pp. 1–6. [Google Scholar]
- Femia, N.; Granozio, D.; Petrone, G.; Spagnuolo, G.; Vitelli, M. Predictive and adaptive MPPT perturb and observe method. IEEE Trans. Aerosp. Electron. Syst. 2007, 43, 934–950. [Google Scholar] [CrossRef]
- Femia, N.; Lisi, G.; Petrone, G.; Spagnuolo, G.; Vitelli, M. Distributed maximum power point tracking of photovoltaic arrays: Novel approach and system analysis. IEEE Trans. Ind. Electron. 2008, 55, 2610–2621. [Google Scholar] [CrossRef] [Green Version]
- Chao, K.H.; Huang, C.H. Bidirectional DC–DC soft-switching converter for stand-alone photovoltaic power generation systems. IET Power Electron. 2014, 7, 1557–1565. [Google Scholar] [CrossRef]
- Jian, J.J. Energy Storage System with Uniform Battery Charging and Discharging Control. Master Thesis, National Chin-Yi University of Technology, Taichung City, Taiwan, 23 July 2020. [Google Scholar]
- Texas Instruments TMS320F2809 Datasheet. Available online: https://www.ti.com/lit/ds/symlink/tms320f2809.pdf?ts=1594465026502&ref_url=https%253A%252F%252Fwww.ti.com%252Fproduct%252FTMS320F2809.pdf (accessed on 12 November 2021).
- Scarabaggio, P.; Carli, R.; Cavone, G.; Dotoli, M. Smart Control Strategies for Primary Frequency Regulation through Electric Vehicles: A Battery Degradation Perspective. Energies 2020, 13, 4586. [Google Scholar] [CrossRef]
- Yan, G.; Liu, D.; Li, J.; Mu, G. A cost accounting method of the Li-ion battery energy storage system for frequency regulation considering the effect of life degradation. Prot. Control Mod. Power Syst. 2018, 3, 4. [Google Scholar] [CrossRef]
- Carli, R.; Dotoli, M. A Distributed Control Algorithm for Optimal Charging of Electric Vehicle Fleets with Congestion Management. IFAC-PapersOnLine 2018, 51, 373–378. [Google Scholar] [CrossRef]
- Hoke, A.; Brissette, A.; Smith, K.; Pratt, A.; Maksimovic, D. Accounting for Lithium-Ion Battery Degradation in Electric Vehicle Charging Optimization. IEEE J. Emerg. Sel. Top. Power Electron. 2014, 2, 691–700. [Google Scholar] [CrossRef]





















| Parameters | Specifications |
|---|---|
| High voltage end DC link voltage (VH) | 240 V |
| Battery end battery voltage (VBT1) | 12 V |
| Battery end battery voltage (VBT2) | 12 V |
| Switching frequency (f) | 25 kHz |
| Maximum operating power (Pmax) | 300 W |
| High voltage end voltage ripple (∆VH,ripple) | 0.5% |
| Battery end voltage ripple (∆VBT1,ripple, ∆VBT2,ripple) | 0.5% |
| Error | Mode | Positive/Negative | Large/Small | |
|---|---|---|---|---|
| Discharging | Positive value | Large | Getting larger | |
| Small | Getting smaller | |||
| Charging | Negative value | Large | Getting larger | |
| Small | Getting smaller |
| Current | Mode | Positive/Negative | Large/Small | Power Switch Conduct Time |
|---|---|---|---|---|
| Discharging | Positive value | Large | getting longer | |
| Small | getting shorter | |||
| Charging | Negative value | Large | getting longer | |
| Small | getting shorter |
| Operating Mode | Voltage Status | |||
|---|---|---|---|---|
| Set 1 Initial Voltage | Final Uniform Charging/ Discharging Voltage | Set 2 Initial Voltage | Final Uniform Charging/ Discharging Voltage | |
| Discharging | VBT1 = 12.9 V | Vdischarge = 12.1 V (PV power = 150 W) | VBT1 = 12.6 V | Vdischarge = 11.8 V (PV power = 200 W) |
| VBT2 = 12.4 V | VBT2 = 12.1 V | |||
| Charging | VBT1 = 12.4 V | Vcharge = 12.6 V (PV power = 300 W) | VBT1 = 11.7 V | Vcharge = 12.1 V (PV power = 400 W) |
| VBT2 =11.9 V | VBT2 = 11.2 V | |||
Publisher’s Note: MDPI stays neutral with regard to jurisdictional claims in published maps and institutional affiliations. |
© 2022 by the authors. Licensee MDPI, Basel, Switzerland. This article is an open access article distributed under the terms and conditions of the Creative Commons Attribution (CC BY) license (https://creativecommons.org/licenses/by/4.0/).
Share and Cite
Chao, K.-H.; Huang, B.-Z.; Jian, J.-J. An Energy Storage System Composed of Photovoltaic Arrays and Batteries with Uniform Charge/Discharge. Energies 2022, 15, 2883. https://doi.org/10.3390/en15082883
Chao K-H, Huang B-Z, Jian J-J. An Energy Storage System Composed of Photovoltaic Arrays and Batteries with Uniform Charge/Discharge. Energies. 2022; 15(8):2883. https://doi.org/10.3390/en15082883
Chicago/Turabian StyleChao, Kuei-Hsiang, Bing-Ze Huang, and Jia-Jun Jian. 2022. "An Energy Storage System Composed of Photovoltaic Arrays and Batteries with Uniform Charge/Discharge" Energies 15, no. 8: 2883. https://doi.org/10.3390/en15082883
APA StyleChao, K.-H., Huang, B.-Z., & Jian, J.-J. (2022). An Energy Storage System Composed of Photovoltaic Arrays and Batteries with Uniform Charge/Discharge. Energies, 15(8), 2883. https://doi.org/10.3390/en15082883

