Control of Cascaded Multilevel Converter for Wave Energy Applications
Abstract
1. Introduction
2. Wave Energy Conversion System
2.1. Linear Generator
2.2. Power Converter
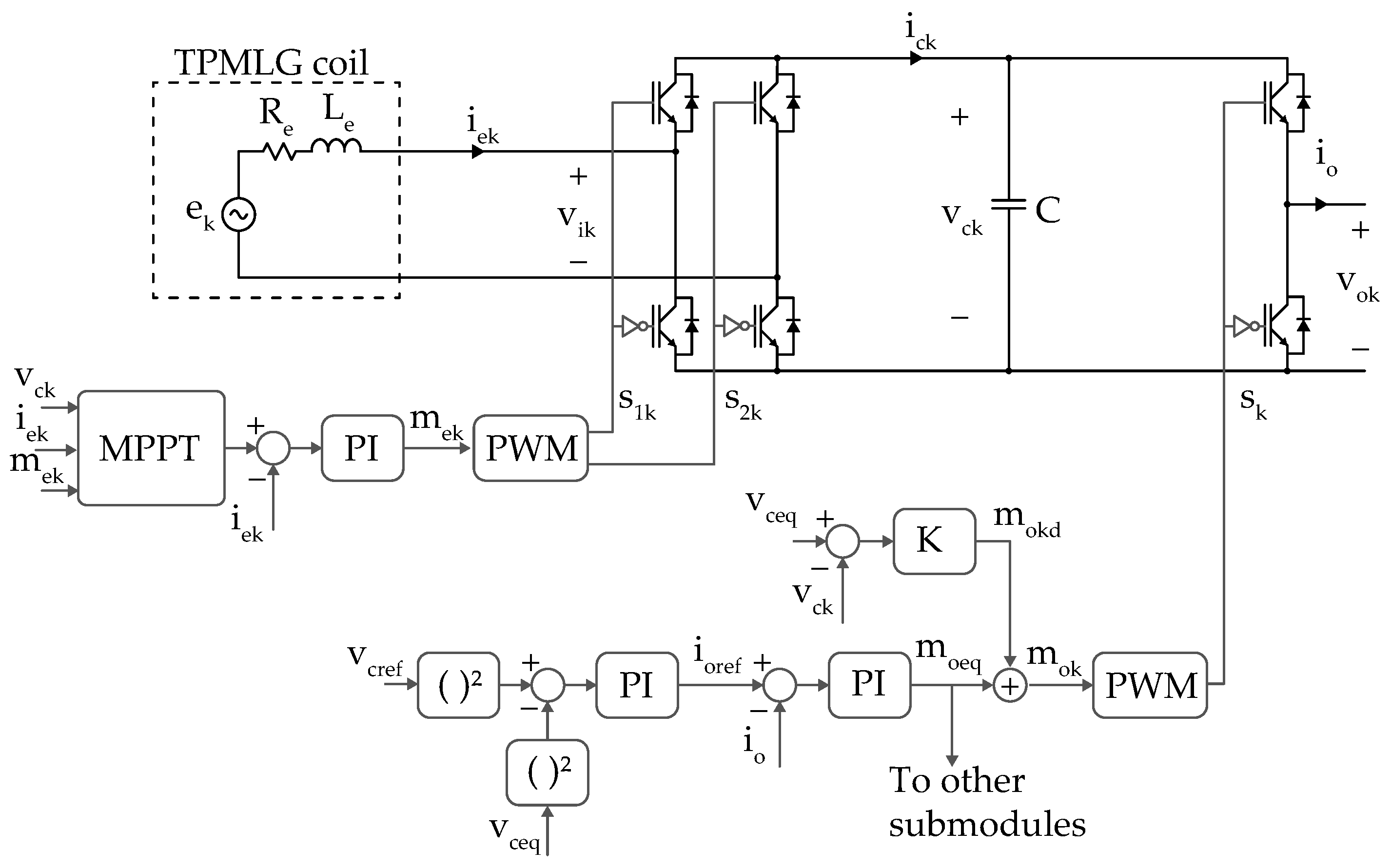
3. Proposed Control System
3.1. Full-Bridge Control
3.2. Half-Bridge Control
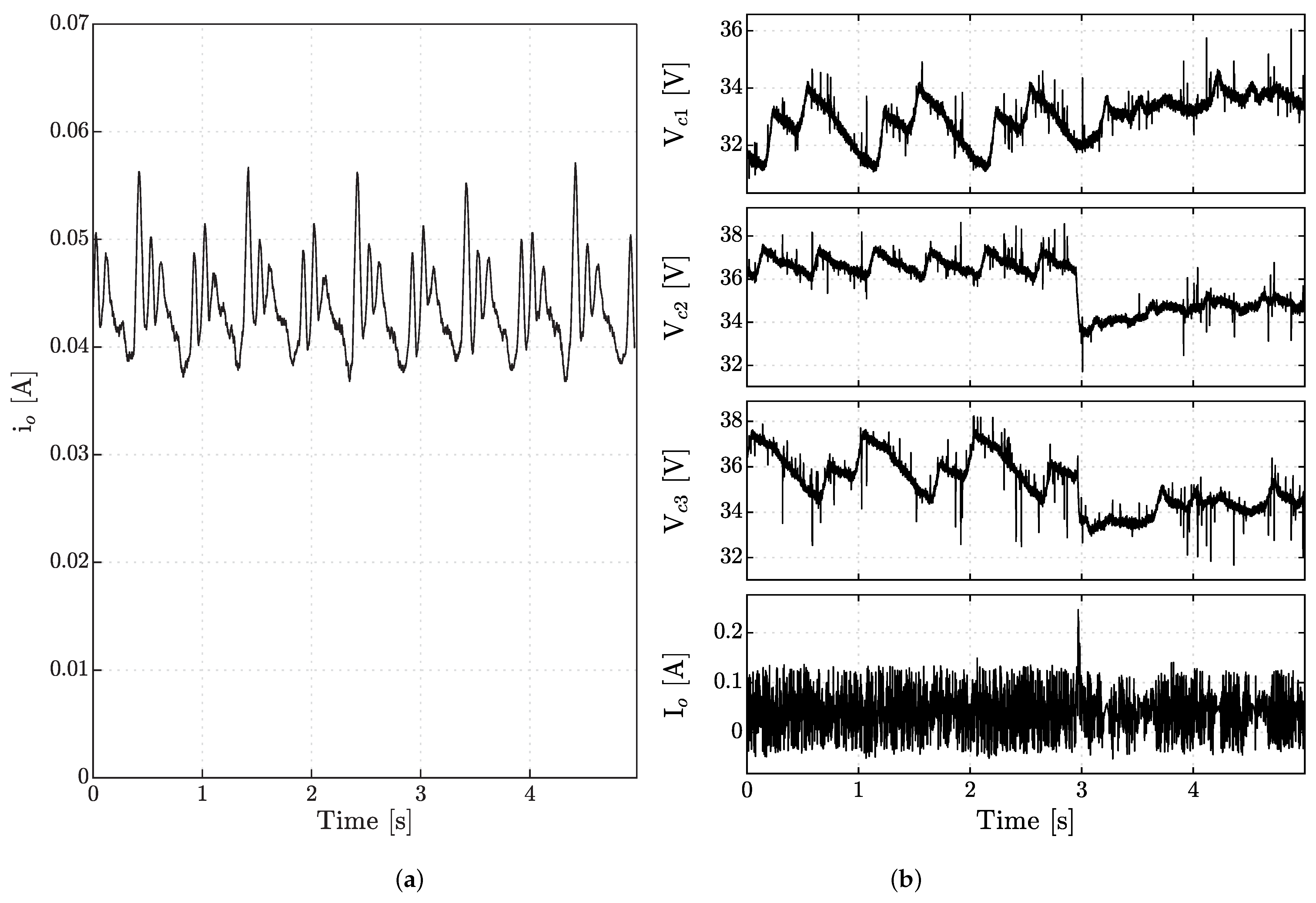
4. Experimental Results
5. Conclusions
Author Contributions
Funding
Data Availability Statement
Conflicts of Interest
References
- REN21. Renewables 2021 Global Status Report; Technical Report, Renewable Energy Policy Network for the 21st Century; REN21 Secretariat: Paris, France, 2021; Available online: https://www.ren21.net/reports/global-status-report/ (accessed on 19 December 2022).
- International Renewable Energy Agency (IRENA). Renewable Capacity Statistics. Available online: https://www.irena.org/publications/2021/March/Renewable-Capacity-Statistics-2021 (accessed on 19 December 2022).
- Gunn, K.; Stock-Williams, C. Quantifying the global wave power resource. Renew. Energy 2012, 44, 296–304. [Google Scholar] [CrossRef]
- Ulazia, A.; Penalba, M.; Rabanal, A.; Ibarra-Berastegi, G.; Ringwood, J.; Sáenz, J. Historical Evolution of the Wave Resource and Energy Production off the Chilean Coast over the 20th Century. Energies 2018, 11, 2289. [Google Scholar] [CrossRef]
- Aquatera Ltd. Recommendations for Chile’s Marine Energy Strategy: A Roadmap for Development; Foreign and Commonwealth Office, 2014. Available online: https://www.gov.uk/government/publications/recommendations-for-chiles-marine-energy-strategy (accessed on 19 December 2022).
- Khan, M.Z.A.; Khan, H.A.; Aziz, M. Harvesting Energy from Ocean: Technologies and Perspectives. Energies 2022, 15, 3456. [Google Scholar] [CrossRef]
- Drew, B.; Plummer, A.R.; Sahinkaya, M.N. A Review of Wave Energy Converter Technology; Sage Publications Sage: London, UK, 2009. [Google Scholar]
- Czech, B.; Bauer, P. Wave Energy Converter Concepts: Design Challenges and Classification. IEEE Ind. Electron. Mag. 2012, 6, 4–16. [Google Scholar] [CrossRef]
- Aderinto, T.; Li, H. Review on Power Performance and Efficiency of Wave Energy Converters. Energies 2019, 12, 4329. [Google Scholar] [CrossRef]
- Melikoglu, M. Current status and future of ocean energy sources: A global review. Ocean. Eng. 2018, 148, 563–573. [Google Scholar] [CrossRef]
- Aamir Hussain Memon, B.; Ibrahim, T.; Perumal, N. Portable and pico-scale linear generator for wave energy conversion. In Proceedings of the 5th International Conference on Intelligent and Advanced Systems (ICIAS), Kuala Lumpur, Malaysia, 3–5 June 2014; pp. 1–4. [Google Scholar]
- Wave Devices: EMEC: European Marine Energy Centre. Available online: http://www.emec.org.uk/marine-energy/wave-devices/ (accessed on 19 December 2022).
- System Web GIS: OES: Ocean Energy System. Available online: https://www.ocean-energy-systems.org/ocean-energy/gis-map-tool/ (accessed on 19 December 2022).
- Wang, J.; Jewell, G.W.; Howe, D. A general framework for the analysis and design of tubular linear permanent magnet machines. IEEE Trans. Magn. 1999, 35, 1986–2000. [Google Scholar] [CrossRef]
- Abdalla, I.I.; Ibrahim, T.; Nor, N.M. Analysis of Tubular Linear Motors for Different Shapes of Magnets. IEEE Access 2018, 6, 10297–10310. [Google Scholar] [CrossRef]
- Curcic, M.; Quaicoe, J.E.; Bachmayer, R. A novel double-sided linear generator for wave energy conversion. In Proceedings of the OCEANS 2015, Genova, Italy, 18–21 May 2015; pp. 1–7. [Google Scholar]
- Mesantono, L.D.; Danang Wijaya, F.; Haryono, T. Comparison of linear flux permanent magnet generator topologies by using FEMM 2D. In Proceedings of the 8th International Conference on Information Technology and Electrical Engineering (ICITEE), Yogyakarta, Indonesia, 5–6 October 2016; pp. 1–5. [Google Scholar]
- Hodgins, N.; Keysan, O.; McDonald, A.S.; Mueller, M.A. Design and Testing of a Linear Generator for Wave-Energy Applications. IEEE Trans. Ind. Electron. 2012, 59, 2094–2103. [Google Scholar] [CrossRef]
- Maria-Arenas, A.; Garrido, A.J.; Rusu, E.; Garrido, I. Control Strategies Applied to Wave Energy Converters: State of the Art. Energies 2019, 12, 3115. [Google Scholar] [CrossRef]
- Wang, J.; Chen, Z.; Zhang, F. A Review of the Optimization Design and Control for Ocean Wave Power Generation Systems. Energies 2022, 15, 102. [Google Scholar] [CrossRef]
- Park, J.S.; Gu, B.G.; Kim, J.R.; Cho, I.H.; Jeong, I.; Lee, J. Active Phase Control for Maximum Power Point Tracking of a Linear Wave Generator. IEEE Trans. Power Electron. 2017, 32, 7651–7662. [Google Scholar] [CrossRef]
- Huang, W.; Yang, J. A Novel Piecewise Velocity Control Method Using Passivity-Based Controller for Wave Energy Conversion. IEEE Access 2020, 8, 59029–59043. [Google Scholar] [CrossRef]
- Xiao, X.; Huang, X.; Kang, Q. A Hill-Climbing-Method-Based Maximum-Power-Point-Tracking Strategy for Direct-Drive Wave Energy Converters. IEEE Trans. Ind. Electron. 2016, 63, 257–267. [Google Scholar] [CrossRef]
- Perez, M.A.; Bernet, S.; Rodriguez, J.; Kouro, S.; Lizana, R. Circuit Topologies, Modeling, Control Schemes, and Applications of Modular Multilevel Converters. IEEE Trans. Power Electron. 2015, 30, 4–17. [Google Scholar] [CrossRef]
- Páez, J.D.; Frey, D.; Maneiro, J.; Bacha, S.; Dworakowski, P. Overview of DC–DC Converters Dedicated to HVdc Grids. IEEE Trans. Power Deliv. 2019, 34, 119–128. [Google Scholar] [CrossRef]
- Han, X.; Sima, W.; Yang, M.; Li, L.; Yuan, T.; Si, Y. Transient Characteristics Under Ground and Short-Circuit Faults in a ±500 kV MMC-Based HVDC System With Hybrid DC Circuit Breakers. IEEE Trans. Power Deliv. 2018, 33, 1378–1387. [Google Scholar] [CrossRef]
- Monopoli, V.G.; Marquez, A.; Leon, J.I.; Liserre, M.; Buticchi, G.; Franquelo, L.G.; Vazquez, S. Applications and Modulation Methods for Modular Converters Enabling Unequal Cell Power Sharing: Carrier Variable-Angle Phase-Displacement Modulation Methods. IEEE Ind. Electron. Mag. 2022, 16, 19–30. [Google Scholar] [CrossRef]
- Müller, N.; Kouro, S.; Malinowski, M.; Rojas, C.A.; Jasinski, M.; Estay, G. Medium-Voltage Power Converter Interface for Multigenerator Marine Energy Conversion Systems. IEEE Trans. Ind. Electron. 2017, 64, 1061–1070. [Google Scholar] [CrossRef]
- Zapata, H.M.; Pérez, M.A. Modular Multilevel Converter for a Linear Generator for Wave Energy Converter. Energies 2022, 15, 6346. [Google Scholar] [CrossRef]
- Gieras, J.F.; Piech, Z.J.; Tomczuk, B. Linear Synchronous Motors: Transportation and Automation Systems; CRC Press: Boca Raton, FL, USA, 2016. [Google Scholar]
- Rasool, S.; Islam, M.R.; Muttaqi, K.M.; Sutanto, D. An Advanced Control Strategy for a Smooth Integration of Linear Generator Based Wave Energy Conversion System with Distribution Power Grids. In Proceedings of the 2019 IEEE Industry Applications Society Annual Meeting, Baltimore, MD, USA, 29 September–3 October 2019; pp. 1–6. [Google Scholar] [CrossRef]









| Parameter | Value | 
|---|---|
| Coil Inductance () | 15 mH | 
| Coil Resistance () | 1 | 
| DC capacitance (C) | 2.200 μF | 
| Line Inductance () | 20 mH | 
| Equivalent system resistance (R) | 10 | 
| Disclaimer/Publisher’s Note: The statements, opinions and data contained in all publications are solely those of the individual author(s) and contributor(s) and not of MDPI and/or the editor(s). MDPI and/or the editor(s) disclaim responsibility for any injury to people or property resulting from any ideas, methods, instructions or products referred to in the content. | 
© 2022 by the authors. Licensee MDPI, Basel, Switzerland. This article is an open access article distributed under the terms and conditions of the Creative Commons Attribution (CC BY) license (https://creativecommons.org/licenses/by/4.0/).
Share and Cite
Zapata, H.M.; Perez, M.A.; Marquez Alcaide, A. Control of Cascaded Multilevel Converter for Wave Energy Applications. Energies 2023, 16, 71. https://doi.org/10.3390/en16010071
Zapata HM, Perez MA, Marquez Alcaide A. Control of Cascaded Multilevel Converter for Wave Energy Applications. Energies. 2023; 16(1):71. https://doi.org/10.3390/en16010071
Chicago/Turabian StyleZapata, Henry M., Marcelo A. Perez, and Abraham Marquez Alcaide. 2023. "Control of Cascaded Multilevel Converter for Wave Energy Applications" Energies 16, no. 1: 71. https://doi.org/10.3390/en16010071
APA StyleZapata, H. M., Perez, M. A., & Marquez Alcaide, A. (2023). Control of Cascaded Multilevel Converter for Wave Energy Applications. Energies, 16(1), 71. https://doi.org/10.3390/en16010071
 
        



 
       