Feasibility of Safe Operation of WWER-440-Type Nuclear Power Plants for Up to 60–70 Years
Abstract
1. Introduction
2. Materials Aspects of the Long-Term Operation of WWER-440-Type NPPs
2.1. Reactor Pressure Vessel of WWER-440/213-Type NPPs
- reduction in the neutron flux on the RPV by low leakage core design and dummy assemblies;
- lessening the thermal shock by heating the water for the emergency core cooling;
- introduction of advanced surveillance programs;
- annealing of the critical circumferential RPV welds, where it was needed.
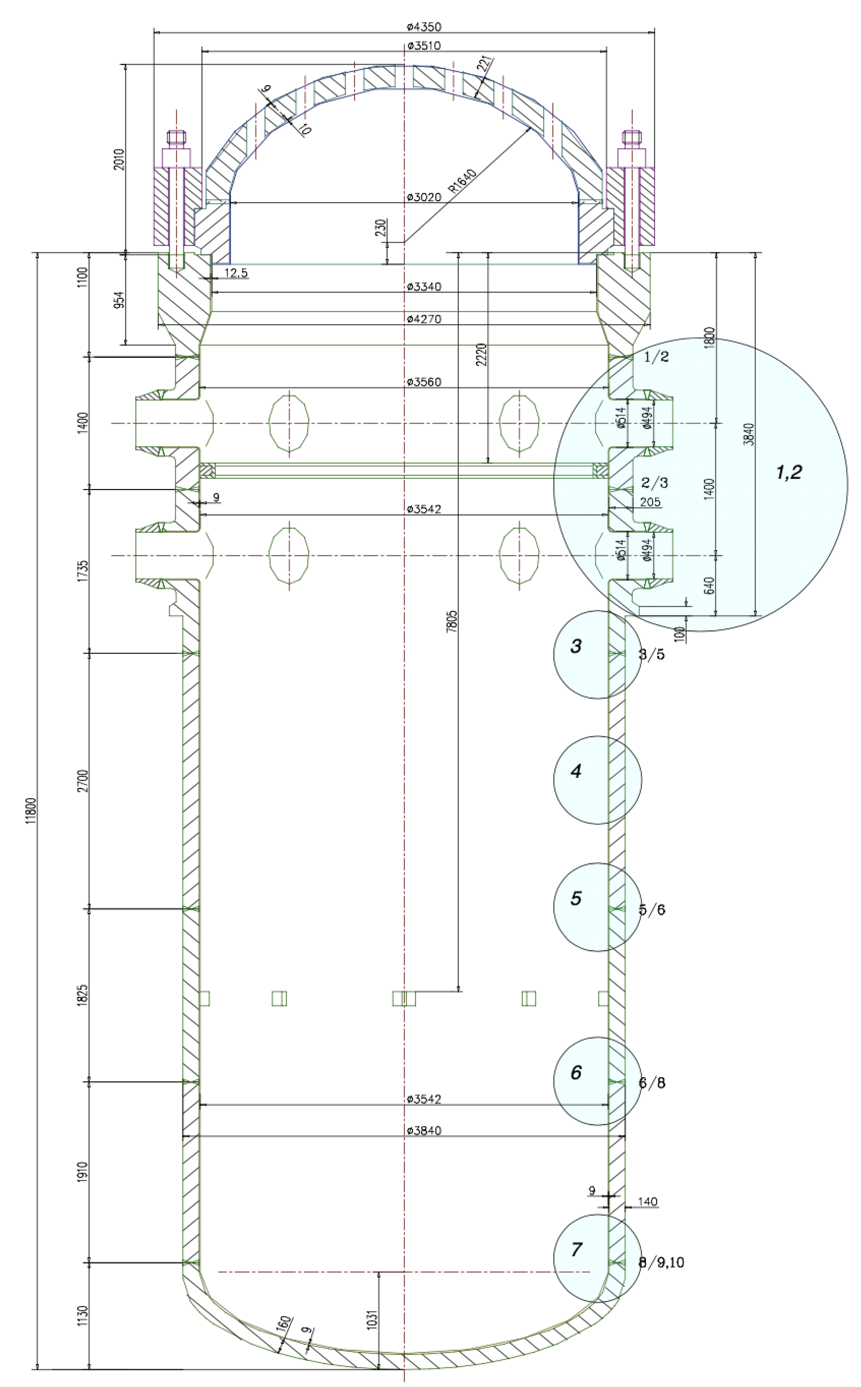
- Identification of the critical components of the RPV.Figure 1 shows the critical RPV locations subjects of fracture mechanics analysis.In the case of WWER-440 RPV, significant are the base metal, circumferential weld No. 5/6, weld heat affected zone, cladding in the belt line region, and other circumferential welds, including those in the nozzle region.
- Selection of the PTS initiating events with higher frequency than 10−5/year based on the probabilistic safety analysis (PSA).
- Thermal-hydraulic analysis for each selected PTS-initiating event.
- Neutron fluence calculations. The neutron transport calculation methodology has been validated by comparison with calculation benchmarks and measurements. The first validation test has been performed in the frame of the REDOS Project [22,23]. The experimental data stem from measurements performed on a mock-up simulating WWER-440 core and vessel wall installed in the LR-0 zero-reactor in the Nuclear Research Institute, Řež, Czech Republic. The second validation test of the calculation methodology has been performed with plant-specific data. Here, the calculated and measured reaction rates on the activation detectors besides the surveillance specimens were used to validate the calculation model. In the case of Paks NPP, the measurements performed for the 8–11 and 9–11 fuel cycles of unit 2, and the measurements performed for the 7–11 cycles of unit 4 were used. In both cases, the results of flux uncertainty estimates were less than 10% [21].Based on the refueling history and future core configurations, the end-of-life fluences (for 50 and 60 operating years) are calculated for the RPV wall and the surveillance position.In the case of Paks NPP, the end-of-life fluence for the base metal of the RPVs at Paks NPP for 60 years varies between 3.21 × 1020 cm−2 and 3.36 × 1020 cm−2 and for the critical No. 5/6 welding varies between 2.33 × 1020 cm−2 and 2.36 × 1020 cm−2.
- Temperature and stress field calculations for RPV wall. Fracture mechanics calculations assume an under-cladding crack with a depth equal to 0.1 times RPV wall thickness and with an aspect ratio of 1/3, oriented in the base metal normal to the principal stress. In the circumferential weld, it is oriented circumferentially.The results of qualified in-service inspections justified the assumption of the embedded postulated crack. Two types of inspection were applied for the entire cladding area: (1) Ultrasonic inspection from the inner surface and (2) an additional Eddy current inspection, overlapping the first 5-mm thickness of the RPV inner wall area.The transients with screening criteria 10−5/year were analyzed using the linear elastic fracture mechanics.The most significant transients have been analyzed by applying nonlinear fracture mechanics.The stress intensity factor, , is calculated at the crack tip and the boundary between the cladding and base metal or weld. The material’s static fracture toughness, is calculated via the following reference curve:where is the nil-ductile temperature.In evaluating the shift of the critical temperature (∆Tk), the effects of irradiation, thermal ageing, and fatigue were considered.Tk and ∆Tk were determined by evaluating the Charpy impact test results of surveillance specimens for every RPV.The VERLIFE proposed form for the dependence of versus fast neutron fluence, was applied, i.e., , where and n are empirical constants, is equal to for base metal and 1 for the weld.For example, for reactor No. 1 at Paks NPP, the dependence of versus fast neutron fluence, was found for the base material asand for the weld asThe condition of postulated defect stability is from what the allowable temperature, could be derived.
- Qualified in-service inspections and nondestructive testing verify the integrity of the cladding [21].
2.2. Reactor Pressure Vessel Internals
2.3. Steam Generator
3. Generic Conditions for Long-Term Operation of WWER-440 Plants
- The operating countries established comprehensive regulations on controlling operator ageing management activities and approving long-term operations based on license renewal or the periodic safety review. From the technical point of view, in both cases, the Regulatory Authorities control the information on the ageing of the critical structures and components and the effectiveness of the ageing management programs.For example, in the case of Hungary, the regulation includes the basic elements of the US NRC 10 CFR Part 54 [1]. The control of compliance with the current licensing basis is maintained via the annual updating of the Final Safety Analysis Report and its Periodic Safety Review every 10 years. The license renewal itself is a two-step process. First, the LTO Program should be developed and submitted to the regulator at least 4 years before the design life expires, but not before 20 years of operation. Second, the formal license renewal application should be submitted 1 year before the design lifetime expires. Four years of experience implementing the LTO Program should demonstrate that the licensee’s Program is effective; it ensures long-term operation and the licensee’s assessments regarding the safe lifetime are appropriate. Obtaining the environmental license for an extended term of operation is a precondition to applying for the new operating license.
- International cooperation exists for gathering and evaluating operational experiences, e.g., the Pressurized Water Reactor Materials Reliability Program organized by EPRI US [14] or by the IAEA [8]. Guidances and methodologies for the operators are the main products of these activities, e.g., [6,25,26,62].Although the national regulatory frames and the applied standards are different, a generalized scientific-technical basis exists for the evaluation and management of the ageing of the critical components thanks to the intensive exchange of the data and operational experiences in the frame of international projects, coordinated by the IAEA, European Union, EPRI. The international benchmarking and comparison of the testing and surveillance methods and qualification and evaluation of the tests are very important. These form the common basis for safe long-term operation.
- The IAEA SALTO program and services support the operator’s practical ageing management activities, e.g., [62,63,64,65,66]. Independent of the national regulation and differences in operator practices, the baseline is defined by the safety requirements, guidelines of the IAEA, and internationally accepted standards and best practices. The IAEA review missions enforce this generic baseline.
4. Discussion and Conclusions
- Whether the ageing processes and the stressors have been already identified?
- Whether the methods for monitoring and evaluating the material conditions and analysis of time limits operability ensure confidence in the long-term operability of this reactor type?
- Are the already implemented ageing management programs, methods, and mitigative or corrective actions effective?
Author Contributions
Funding
Data Availability Statement
Conflicts of Interest
References
- Part 54—Requirements for Renewal of Operating Licenses for Nuclear Power Plants; Office of Nuclear Reactor Regulation, U.S. Nuclear Regulatory Commission: Washington, DC, USA, 2007. Available online: https://www.nrc.gov/reading-rm/doc-collections/cfr/part054/full-text.html (accessed on 21 March 2023).
- Generic Ageing Lessons Learned (GALL) Report; Final Report (NUREG-1801, Revision 2); Office of Nuclear Reactor Regulation, U.S. Nuclear Regulatory Commission: Washington, DC, USA, 2010. Available online: https://www.nrc.gov/reading-rm/doc-collections/nuregs/staff/sr1801/r2/index.html#pubinfo (accessed on 21 March 2023).
- Standard Review Plan for Review of Subsequent License Renewal Applications for Nuclear Power Plant (SRP-SLR); Final NUREG-2192; Office of Nuclear Reactor Regulation, U.S. Nuclear Regulatory Commission: Washington, DC, USA, 2017. Available online: https://www.nrc.gov/docs/ML1718/ML17188A158.pdf (accessed on 21 March 2023).
- Generic Ageing Lessons Learned for Subsequent License Renewal (GALL-SLR) Report; Final NUREG-2191; Office of Nuclear Reactor Regulation, U.S. Nuclear Regulatory Commission: Washington, DC, USA, 2017. Available online: https://www.nrc.gov/docs/ML1718/ML17187A031.pdf (accessed on 21 March 2023).
- IAEA. Safety Aspects of Long-term Operation of Water Moderated Reactors IAEA-EBP-SALTO; IAEA: Vienna, Austria, 2007. [Google Scholar]
- IAEA. Ageing Management for Nuclear Power Plants; IAEA Safety Standards Series No. NS-G-2.12; International Atomic Energy Agency: Vienna, Austria, 2009; ISBN 978-92-0-112408-1. [Google Scholar]
- IAEA. SALTO Guidelines. Guidelines for Peer Review of Long-Term Operation and Ageing Management of Nuclear Power Plants; IAEA Services Series No. 17; Vienna International Atomic Energy Agency: Vienna, Austria, 2008. [Google Scholar]
- IAEA. Ageing Management for Nuclear Power Plants: International Generic Ageing Lessons Learned (IGALL); IAEA Safety Reports Series no. 82 (rev. 1); International Atomic Energy Agency: Vienna, Austria, 2020; ISBN 978-92-0-107419-5. [Google Scholar]
- IAEA. Approaches to Ageing Management for Nuclear Power Plants: International Generic Ageing Lessons Learned (IGALL) Final Report; International Atomic Energy Agency: Vienna, Austria, 2014; ISBN 978-92-0-104414-3. [Google Scholar]
- International Atomic Energy Agency. The Database on Nuclear Power Reactors. Available online: https://pris.iaea.org/pris/home.aspx (accessed on 21 March 2023).
- IAEA. Safety Issues and Their Ranking for WWER-440 Model 213 Nuclear Power Plants; IAEA-EBP-WWER-03; IAEA: Vienna, Austria, 1996. [Google Scholar]
- Katona, T.; Bajsz, J. Plex at Paks-making a virtue out of necessity. Nucl. Eng. Int. 1992, 37, 27–31. [Google Scholar]
- Brumovsky, M. IAEA-NULIFE VERLIFE-Procedure for Integrity and Lifetime Assessment of Components and Piping in WWER NPPs during Operation-Tool for LTO; IAEA: Vienna, Austria, 2012. [Google Scholar]
- Brumovsky, M. Unified Procedure for Lifetime Assessment of Components and Piping in WWER NPPs “VERLIFE”, Version 2008. In Proceedings of the ASME/JSME 2004 Pressure Vessels and Piping Conference, San Diego, CA, USA, 25–29 July 2004. [Google Scholar]
- Electric Power Research Institute. MRP-471-WWER Issue Management Tables: Identifies Material Research Gaps for WWER Light Water Reactors. Available online: https://www.epri.com/research/summary/000000003002021033 (accessed on 21 March 2023).
- Katona, T.J. 8—Materials management strategies for WWER reactors. In Woodhead Publishing Series in Energy, Materials Ageing and Degradation in Light Water Reactors; Murty, K.L., Ed.; Woodhead Publishing: Cambridge, UK, 2013; pp. 335–384. ISBN 9780857092397. Available online: https://www.sciencedirect.com/science/article/pii/B9780857092397500080 (accessed on 21 March 2023).
- IAEA. Integrity of Reactor Pressure Vessels in Nuclear Power Plants: Assessment of Irradiation Embrittlement Effects in Reactor Pressure Vessel Steels; IAEA Nuclear Energy Series, No. NP-T-3.11; International Atomic Energy Agency: Vienna, Austria, 2009; ISSN 1995-7807. ISBN 978-92-0-101709-3. [Google Scholar]
- Brumovsky, M. 11—Irradiation hardening and materials embrittlement in light water reactor (LWR) environments. In Woodhead Publishing Series in Energy, Understanding and Mitigating Ageing in Nuclear Power Plants; Philip, G.T., Ed.; Woodhead Publishing: Cambridge, UK, 2010; pp. 357–373. ISBN 9781845695118. Available online: https://www.sciencedirect.com/science/article/pii/B9781845695118500111 (accessed on 21 March 2023).
- Brumovsky, M. 12—Reactor pressure vessel (RPV) annealing and mitigation in nuclear power plants. In Woodhead Publishing Series in Energy, Understanding and Mitigating Ageing in Nuclear Power Plants; Philip, G.T., Ed.; Woodhead Publishing: Cambridge, UK, 2010; pp. 374–386. ISBN 9781845695118. Available online: https://www.sciencedirect.com/science/article/pii/B9781845695118500123 (accessed on 21 March 2023).
- Katona, T.J.; Rátkai, S.; Jánosiné Bíró, A.; Gősi, P. Time-Limited Ageing Analyses for Justification of Long-Term Operation of Paks NPP. In Proceedings of the ASME 2010 International Mechanical Engineering Congress and Exposition. Volume 11: New Developments in Simulation Methods and Software for Engineering Applications; Safety Engineering, Risk Analysis and Reliability Methods; Transportation Systems, Vancouver, BC, Canada, 12–18 November 2010; pp. 353–360. [Google Scholar] [CrossRef]
- Bóna, G.; Elter, J.; Fekete, T.; Keresztúri, A.; Rátkai, S. Pressurized Thermal Shock Analysis Paks NPP Units 1–4, Summary Report; Trampus, P., Ed.; EJR No.: 000000A00212 OKA; MVM Paks Nuclear Power Plant Ltd.: Paks, Hungary, 2010. [Google Scholar]
- Hordósy, G.; Hegyi, G.; Keresztúri, A.; Maráczy, C.; Temesvári, E.; Vértes, P.; Zsolnay, É. Pressure Vessel Calculations for VVER-440 Reactors. Radiat. Prot. Dosim. 2005, 115, 100–103. [Google Scholar] [CrossRef] [PubMed]
- Hordósy, G. Neutron and Photon Shielding Benchmark Calculations by MCNP on the LR-0 Experimental Facility. Radiat. Prot. Dosim. 2005, 116, 32–34. [Google Scholar] [CrossRef] [PubMed]
- Katona, T.; Rátkai, S.; Pammer, Z. Reconstitution of Time-Limited Ageing Analyses for Justification of Long-Term Operation of Paks NPP. Nucl. Eng. Des. 2011, 241, 638–643. [Google Scholar] [CrossRef]
- IAEA. Guidelines for Prediction of Irradiation Embrittlement of Operating WWER-440 Reactor Pressure Vessels; IAEA-TECDOC-1442; IAEA: Vienna, Austria, 2005; ISBN 92-0-105605-2. ISSN 1011-4289. [Google Scholar]
- IAEA. Guidelines on Pressurized Thermal Shock Analysis for WWER Nuclear Power Plants; IAEA-EBP-WWER-08 (Rev. 1); IAEA: Vienna, Austria, 2006. [Google Scholar]
- IAEA. Pressurized Thermal Shock in Nuclear Power Plants: Good Practices for Assessment; IAEA TECDOC 1627; IAEA: Vienna, Austria, 2010. [Google Scholar]
- PNAE G-7-002-86 (1989): Rules of Strength Calculation for Equipment and Pipelines of Nuclear Power Plants, Energoatomizdat, Moscow. Available online: https://docs.secnrs.ru/documents/pnaes/ПНАЭ_Г-7-002-86/ПНАЭ-Г-002-86e.htm (accessed on 21 March 2023).
- Pištora, V.; Žamboch, M.; Král, P.; Vyskočil, L. PTS Re-Evaluation Project for Czech NPPs. In Proceedings: Nuclear Power Plant Life Management, Lyon, France, 23–26 October 2017; Paper: AEA-CN-246-072; IAEAL 21-01402; International Atomic Energy Agency: Vienna, Austria, 2021; ISBN 978-92-0-106921-4. [Google Scholar]
- Kryukov, A.; Rubtsov, V.; Lebedinsky, V. Irradiation Embrittlement of WWER RPV Steels Irradiated at High Fluences. J. Nucl. Technol. Appl. Sci. 2020, 8, 113–118. [Google Scholar] [CrossRef]
- Nuclear Regulatory Commission U.S. Baffle-Former Bolts. Available online: https://www.nrc.gov/reactors/operating/ops-experience/baffle-former-bolts.html (accessed on 21 March 2023).
- PWR Reactor Internals Inspection and Evaluation Guidelines (MRP-227-A). Available online: https://www.nrc.gov/docs/ML1201/ML120170453.html (accessed on 21 March 2023).
- Ehrnstén, U.; Pakarinen, J.; Karlsen, W.; Keinänen, H. Investigations on Core Basket Bolts from a WWER 440 Power Plant, 15th International Conference on Environmental Degradation of Materials in Nuclear Power Systems-Water Reactors. 2011. Available online: https://cris.vtt.fi/en/publications/investigations-on-core-basket-bolts-from-a-WWER-440-power-plant (accessed on 21 March 2023).
- Ehrnstén, U.; Pakarinen, J.; Karlsen, W.; Keinänen, H. Investigations on Core Basket Bolts from a WWER 440 Power Plant. Eng. Fail. Anal. 2013, 33, 55–65. [Google Scholar] [CrossRef]
- Ballesteros, A.; Heid, K.; Luostarinen, P. Inspection and Replacement of Baffle Former Bolts in WWER-440 Reactor Type, Transactions. In Proceedings of the SMiRT 19, Toronto, ON, Canada, 12–17 August 2007. [Google Scholar]
- Pakarinen, J.; Ehrnstén, U.; Keinänen, H.; Karlsen, W. Microstructural Characterization of Irradiated Baffle Bolts Removed from a Finnish WWER and a French PWR. In Proceedings of the 16th International Conference on Environmental Degradation of Materials in Nuclear Power Systems-Water Reactors, Asheville, NC, USA, 11–15 August 2013; pp. 994–1007. [Google Scholar]
- Hojná, A. Environmentally Assisted Cracking Initiation in High-Temperature Water. Metals 2021, 11, 199. [Google Scholar] [CrossRef]
- Kuleshova, E.A.; Fedotova, S.V.; Gurovich, B.A.; Frolov, A.S.; Maltsev, D.A.; Stepanov, N.V.; Margolin, B.Z.; Minkin, A.J.; Sorokin, A.A. Microstructure degradation of austenitic stainless steels after 45 years of operation as WWER-440 reactor internals. J. Nucl. Mater. 2020, 533, 152124. [Google Scholar] [CrossRef]
- IAEA. Strategy for Assessment of WWER Steam Generator Tube Integrity; IAEA-TECDOC-1577; IAEA: Vienna, Austria, 2007. [Google Scholar]
- Katona, T.; Jánosiné Biró, A.; Rátkai, S.; Tóth, A. Main features of design life extension of WWER-440/213 units NPP Paks Hungary. In Proceedings of the ICONE 11th International Conference on Nuclear Engineering, Tokyo, Japan, 20–23 April 2003. [Google Scholar]
- Trunov, N.B.; Denisov, V.V.; Kharchenko, S.A.; Lukasevich, B.I. Consideration of Field Experience in Developing New Projects of Steam Generators for Nuclear Power Stations Equipped with WWER Reactors. Therm. Eng. 2006, 53, 37–42. [Google Scholar] [CrossRef]
- Trunov, N.B.; Stanislav, E.; Davidenko, S.E.; Vladimir, A.; Grigoriev, V.A.; Popadchuk, V.S.; Sergey, I.; Brykov, S.I.; Karzov, G.P. WWER Steam Generators Tubing Performance and Aging Management. In Proceedings of the 14th International Conference on Nuclear Engineering (ICONE 14), Miami, FL, USA, 17–20 July 2006. [Google Scholar]
- Kupca, L.; Brezina, M. Analysis of long-term operation influence on the degradation of VVER-440 steam generator piping. In Proceedings of the 7th International Seminar on Horizontal Steam Generators, Podolsk, Russia, 3–5 October 2006. [Google Scholar]
- EPRI. Materials Degradation Matrix; Revision 4, 3002013781, Final Report; EPRI: Palo Alto, CA, USA, 2018; Available online: https://preview.epri.com/research/products/000000003002013781 (accessed on 21 March 2023).
- Update on Hydrazine Alternatives for PWR Secondary Chemistry Control: PWR Chemistry; Technical Strategy Group Report, 3002010652; EPRI: Palo Alto, CA, USA, 2018.
- Matocha, K.; Wozniak, J.; Pochman, K. Analysis of WWER-440 SG Primary Collector Bolted Joint Damage. Available online: https://www.osti.gov/etdeweb/servlets/purl/578792 (accessed on 21 March 2023).
- Postler, M.; Keilova, E.; Burda, J.; Kocik, J.; Charvat, L. Analyses of Cracks in Threaded Holes of SG Collector. In Proceedings of the 6th International Seminar on Horizontal Steam Generators, Podolsk, Russia, 22–24 March 2004; Summaries of Reports. Available online: http://www.gidropress.podolsk.ru/files/proceedings/seminar6/for/nri-postler.pdf (accessed on 21 March 2023).
- Khodakov, V.D.; Zubchenko, A.S. Experience of Operation and Repair of Heterogeneous Welds of Equipment and Pipelines Made of Austenitic and Pearlitic Steels, УДК 621.643.4; In Issues of Atomic Science and Technology, Series: “Ensuring the Safety of Nuclear Power Plants”, Scientific and Technical Collection, Issue 23, Reactor Plants with WWER; Publishing House of JSC OKB “GIDROPRESS”: Podolsk, Russia, 2008; ISBN 978-5-94883-089-6. Available online: http://www.gidropress.podolsk.ru/files/vant/vant23.pdf (accessed on 21 March 2023).
- IAEA. Dissimilar Metal Weld Inspection, Monitoring and Repair Approaches; IAEA-TECDOC-1852; International Atomic Energy Agency: Vienna, Austria, 2018; ISBN 978-92-0-105618-4. [Google Scholar]
- Bystrianský, J.; Ernestová, M.; Haušild, P.; Siegl, J.; Lubomír, J. Conditions for Long-Term Durability of Dissimilar Metal Welds of Power Plants–Environmental Effect. Available online: https://dspace5.zcu.cz/bitstream/11025/50878/2/sbornik2019-131-138.pdf (accessed on 21 March 2023).
- Szávai, S.; Bézi, Z.; Rózsahegyi, P. Characterization and Numerical Simulation of a Dissimilar Metal Weld. In Proceedings of the 21st European Conference on Fracture, ECF21, Catania, Italy, 20–24 June 2016; pp. 1023–1030. [Google Scholar]
- Spisák, B.; Bézi, Z.; Szávai, S. Study of the Stress State of a Dissimilar Metal Weld due to Manufacturing and Operational Conditions. Period. Polytech. Mech. Eng. 2022, 66, 120–128. [Google Scholar] [CrossRef]
- Szávai, S.; Bézi, Z.; Dudra, J.; Takács, C.; Rózsahegyi, P. Material Characterization and Numerical Simulation of a Dissimilar Metal Weld to Support Phased Array Ultrasonic Inspection. In Proceedings of the International Conference on Nuclear Power Plant Life Management, Lyon, France, 23–27 October 2017; IAEA-CN--246-104. Available online: https://inis.iaea.org/search/search.aspx?orig_q=RN:52061982 (accessed on 21 March 2023), ISSN 0074-1884.
- Vojna, M. Exposure of Dissimilar Metal Welds to Secondary Water Environment. In Proceedings of the 14th Conference Increasing the Service Life of Energy Equipment Components in Power Plants, Srní, Czech Republic, 24–26 September 2019; pp. 93–98, ISBN 978-80-261-0885-6. [Google Scholar]
- Khodakov, D.V. Research and Development of Technology for Repairing Heterogeneous Welded Joints of the Coolant Collector Mounting Unit to the Branch Pipes of the Bodies of Steam Generators PGV-440. Ph.D. Thesis, Moscow, Russia, 2012. Available online: https://www.dissercat.com/content/issledovanie-i-razrabotka-tekhnologii-remonta-raznorodnykh-svarnykh-soedinenii-uzla-krepleni (accessed on 21 March 2023).
- Horacek, L.; Buldra, I.; Mares, P. UT Qualification and Site Feedback on Dissimilar Metal Welds of WWER Type NPPs in the Czech Republic. Available online: https://www.ndt.net/article/jrc-nde2013/papers/53.pdf (accessed on 21 March 2023).
- Soukup, T. Nuclear Repair Engineering in Practise: Reconstruction of Feed Water Piping of Steam Generators of WWER TYPE 440/1000 in Dukovany and Temelin NPP. In Proceedings of the 14th Conference Increasing the Service Life of Energy Equipment Components in Power Plants, Srní, Czech Republic, 24–26 September 2019; pp. 195–200, ISBN 978-80-261-0885-6. [Google Scholar]
- Khodakov, V.D.; Bazanov, M.A.; Nemchaninova, L.N.; Lukicheva, S.V.; Khodakov, D.V.; Abrosin, A.A.; Fomenko, V.I.; Malyshev, A.G.; Mityashin, V.A.; Zubchenko, A.S. Repair Using Welding of the Weld Unit for the Collectors of the Coolant to the Branch Pipes DN 1100 of the Housings of Steam Generators WWER-440 after Long-Term Operation, In Russian. Available online: http://www.gidropress.podolsk.ru/files/proceedings/seminar8/documents/sgpg2010-027.pdf (accessed on 21 March 2023).
- Katona, T.; Jánosiné Bíró, A.; Ratkai, S.; Palfi, T.; Toth, A. Equipment Aging Management and Operational Lifetime Extension at the Paks Nuclear Power Plant. In Aging Management and License Renewal: Presented at the 2004 ASME/JSME Pressure Vessels and Piping Conference, San Diego, NY, USA, 25–29 July 2004; Bezdikian, G., Shah, V.N., Eds.; American Society of Mechanical Engineers (ASME): New York, NY, USA, 2004; pp. 119–125. [Google Scholar]
- Katona, T.; Jánosiné Bíró, A.; Rátkai, S.; Ferenczi, Z. Key Elements of the Ageing Management of the WWER-440/213 type Nuclear Power Plants. In Proceedings of the 18th International Conference on Structural Mechanics in Reactor Technology (SMiRT 18), Beijing, China, 7–12 August 2005. D02-4. [Google Scholar]
- Katona, T.J. 19—Plant life management (PLiM) practices for water-cooled water-moderated nuclear reactors (WWERs). In Woodhead Publishing Series in Energy, Understanding and Mitigating Ageing in Nuclear Power Plants; Philip, G.T., Ed.; Woodhead Publishing: Cambridge, UK, 2010; pp. 633–705. ISBN 9781845695118. [Google Scholar] [CrossRef]
- IAEA. Plant Life Management for Long Term Operation of Light Water Reactors: Principles and Guidelines; Technical Reports Series No. 448; IAEA: Vienna, Austria, 2006. [Google Scholar]
- Rátkai, S. The Role of the IAEA in the Extension of Operation Life of MVM Paks NPP. In Proceedings of the Fourth International Conference on Nuclear Power Plant Life Management, Lyon, France, 23–27 October 2017; Paper No IAEA-CN-246-009. Available online: https://inis.iaea.org/search/search.aspx?orig_q=RN:52048593 (accessed on 21 March 2023).
- Krivanek, R.; Fiedler, J. Main corrective measures in an early phase of nuclear power plants’ preparation for safe long term operation. Nucl. Eng. Des. 2017, 316, 125–130. [Google Scholar] [CrossRef]
- Krivanek, R. Long term operation of nuclear power plants–IAEA SALTO peer review service and its results. Nucl. Eng. Des. 2014, 280, 99–104. [Google Scholar] [CrossRef]
- Ratkai, S.; Katona, T.J. Experiences Gained During the Development of the License Renewal Application for Unit 1 of Paks NPP. In Proceedings of the ASME 2012 Pressure Vessels and Piping Conference. Volume 7: Operations, Applications and Components, Toronto, ON, Canada, 15–19 July 2012; pp. 53–60. [Google Scholar] [CrossRef]




| Plant/Type | Connected to the Grid | Years of Extension/Valid to | Approved Operation | |
|---|---|---|---|---|
| 1st | 2nd | Time | ||
| Armenian-2, WWER-440/270 | 5 January 1980 | 10/2016 | 20/2036 | 56 | 
| Bohunice-3, WWER-440/213 | 20 August 1984 | 10/2024 * | ** | 40 | 
| Bohunice-4, WWER-440/213 | 9 August 1985 | 10/2025 * | ** | 40 | 
| Dukovany-1, WWER-440/213 | 24 February 1985 | 10/2026 * | ** | 41 | 
| Dukovany-2, WWER-440/213 | 30 January 1986 | 10/2027 * | ** | 41 | 
| Dukovany-3, WWER-440/213 | 14 November 1986 | 10/2027 * | ** | 41 | 
| Dukovany-4, WWER-440/213 | 11 June 1987 | 10/2027 * | ** | 40 | 
| Kola-1, WWER-440/230 | 29 June 1973 | 15/2018 | 15/2033 | 60 | 
| Kola-2, WWER-440/230 | 9 December 1974 | 15/2019 | 15/2034 | 60 | 
| Kola-3, WWER-440/213 | 24 March 1981 | 15/2026 | ? | 55 | 
| Kola-4, WWER-440/213 | 11 October 1984 | 25/2029 | ? | 55 | 
| Loviisa-1, WWER-440/213 | 8 February 1977 | 20/2027 | 2023 | 70 | 
| Loviisa-2, WWER-440/213 | 4 November 1980 | 20/2030 | 2023 | 70 | 
| Mohovce-1, WWER-440/213 | 4 July 1998 | NA | *** | 30 | 
| Mohovce-2, WWER-440/213 | 2 December 1998 | NA | *** | 30 | 
| Mohovce-3, WWER-440/213 | 31 January 2023 | NA | *** | 30 | 
| Novovoronezh-4, WWER-440/179 | 28 December 1972 | 15/2017 | 15/2032 | 60 | 
| Paks-1, WWER-440/213 | 28 December 1982 | 20/2032 | ** | 50 | 
| Paks-2, WWER-440/213 | 6 September 1984 | 20/2034 | ** | 50 | 
| Paks-3, WWER-440/213 | 28 September 1986 | 20/2036 | ** | 50 | 
| Paks-4, WWER-440/213 | 16 August 1987 | 20/2037 | ** | 50 | 
| Rovno-1, WWER-440/213 | 22 December 1980 | 10/2020 | 10/2030 | 50 | 
| Rovno-2, WWER-440/213 | 22 December 1981 | 10/2021 | ? | 40 | 
| Unit | SG No. 1 | SG No. 2 | SG No. 3 | SG No. 4 | SG No. 5 | SG No. 6 | ||||||
|---|---|---|---|---|---|---|---|---|---|---|---|---|
| Tubes | % | Tubes | % | Tubes | % | Tubes | % | Tubes | % | Tubes | % | |
| 1 | 25 | 0.45 | 42 | 0.76 | 4 | 0.07 | 13 | 0.23 | 6 | 0.11 | 3 | 0.05 | 
| 2 | 70 | 1.26 | 166 | 3.00 | 205 | 3.70 | 187 | 3.38 | 82 | 1.46 | 112 | 2.02 | 
| 3 | 111 | 2.01 | 47 | 0.85 | 56 | 1.01 | 50 | 0.90 | 101 | 1.82 | 28 | 0.51 | 
| 4 | 25 | 0.45 | 50 | 0.90 | 30 | 0.54 | 30 | 0.54 | 65 | 1.17 | 12 | 0.22 | 
| Disclaimer/Publisher’s Note: The statements, opinions and data contained in all publications are solely those of the individual author(s) and contributor(s) and not of MDPI and/or the editor(s). MDPI and/or the editor(s) disclaim responsibility for any injury to people or property resulting from any ideas, methods, instructions or products referred to in the content. | 
© 2023 by the authors. Licensee MDPI, Basel, Switzerland. This article is an open access article distributed under the terms and conditions of the Creative Commons Attribution (CC BY) license (https://creativecommons.org/licenses/by/4.0/).
Share and Cite
Katona, T.J.; Biro, Á.; Rátkai, S. Feasibility of Safe Operation of WWER-440-Type Nuclear Power Plants for Up to 60–70 Years. Energies 2023, 16, 4170. https://doi.org/10.3390/en16104170
Katona TJ, Biro Á, Rátkai S. Feasibility of Safe Operation of WWER-440-Type Nuclear Power Plants for Up to 60–70 Years. Energies. 2023; 16(10):4170. https://doi.org/10.3390/en16104170
Chicago/Turabian StyleKatona, Tamás János, Ágnes Biro, and Sándor Rátkai. 2023. "Feasibility of Safe Operation of WWER-440-Type Nuclear Power Plants for Up to 60–70 Years" Energies 16, no. 10: 4170. https://doi.org/10.3390/en16104170
APA StyleKatona, T. J., Biro, Á., & Rátkai, S. (2023). Feasibility of Safe Operation of WWER-440-Type Nuclear Power Plants for Up to 60–70 Years. Energies, 16(10), 4170. https://doi.org/10.3390/en16104170
 
        


 
       