Voltage-Oriented Control-Based Three-Phase, Three-Leg Bidirectional AC–DC Converter with Improved Power Quality for Microgrids
Abstract
:1. Introduction
- A VOC scheme with AD, feedforward, and decoupling techniques is proposed and implemented in synchronous -coordinates in order to realize BPT with improved system stability and power quality.
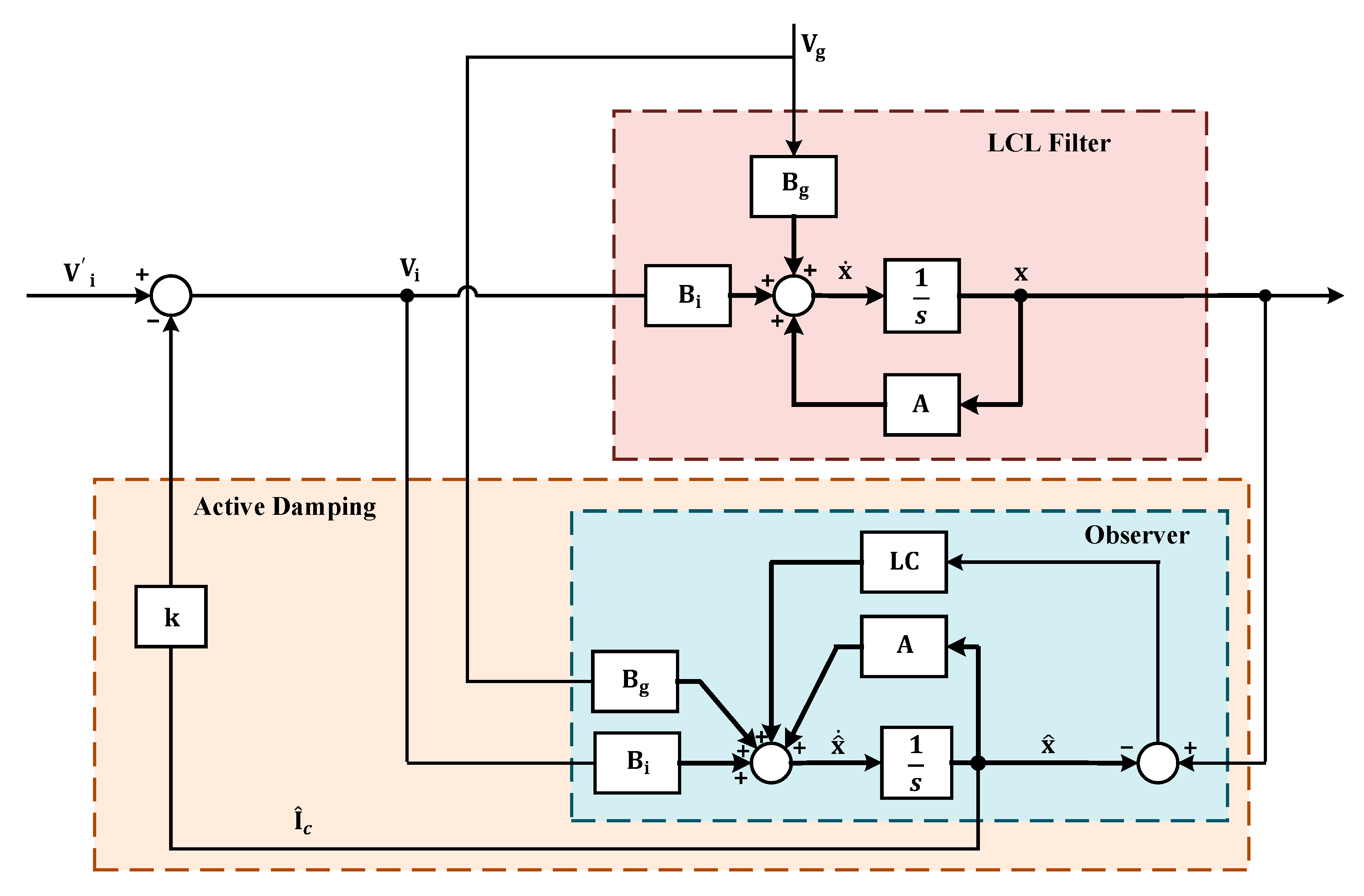
- An observer-based AD is also developed in order to reduce the resonance effect of the LCL filter, improve the system stability, and eliminate the power losses due to passive damping.
- The performance of the BADC system with the designed controller has been tested in a RT simulation environment for a 16 kVA BADC system using the OPAL-RT platform. The designed converter can handle both linear and non-linear loads and operate in rectifier and inverter modes while keeping the THD value within the permitted limit.
- This study also presents a comparative study of some previously introduced controllers and a proposed VOC scheme with observer-based AD in terms of power quality.
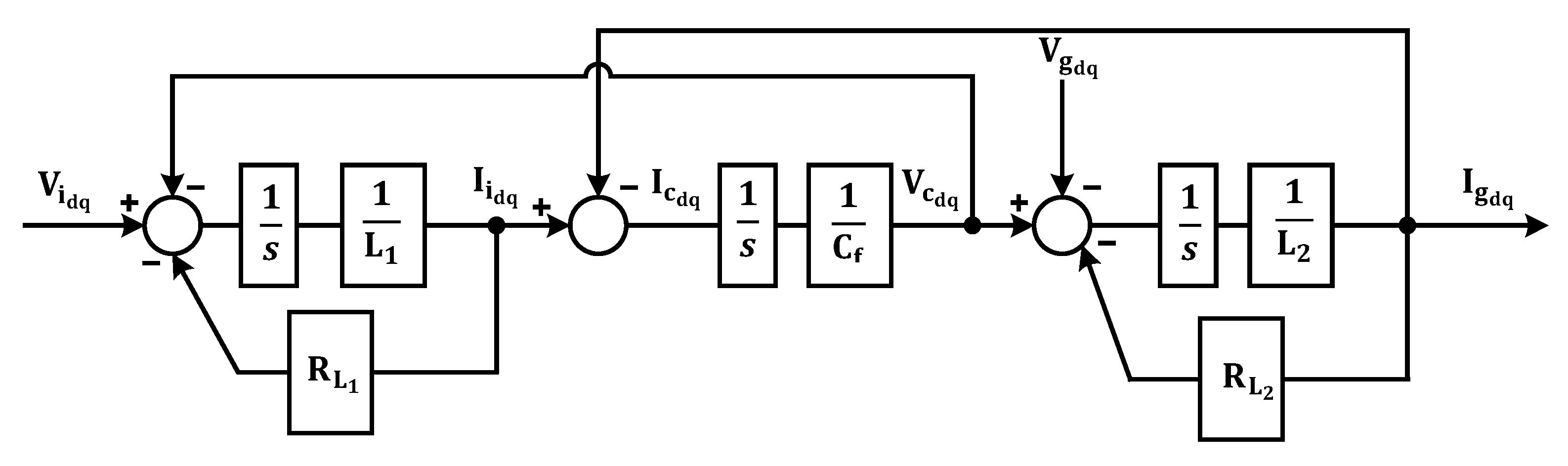
2. System Description
3. Controller Configuration and Mathematical Modeling
3.1. Current Reference Generator
3.2. Current Controller Design
4. System Characteristics
4.1. PLL Characteristics
4.2. PI Controller Tuning and System Stability Analysis
5. Results and Analyses
5.1. Real-Time Simulation
5.2. Simulation Results
5.3. Comparative Analysis
6. Conclusions
Author Contributions
Funding
Data Availability Statement
Acknowledgments
Conflicts of Interest
Nomenclature
| 3P3L | Three-phase three-leg |
| AD | Active damping |
| BADC | Bidirectional AC–DC converter |
| BPCs | Bidirectional power converters |
| BPT | Bidirectional power transfer |
| CCF | Capacitor current feedback |
| CVF | Capacitor voltage feedback |
| DPC | Direct power control |
| dq | Direct-quadrature |
| ESSs | Energy storage schemes |
| FFT | Fast Fourier transform |
| FOC | Field-oriented control |
| ICCL | Inner current control loop |
| LPF | low-pass filter |
| MG | Microgrid |
| MPC | Model predictive control |
| PCC | Point of common coupling |
| PE | Power electronics |
| PF | Power factor |
| PI | Proportional–integral |
| PLL | Phase lock loop |
| PV | Photovoltaic |
| Q | Quality factor |
| RESs | Renewable energy sources |
| RL | Resistive inductive |
| RT | Real-time |
| RT-SIL | Real-time software in-the-loop |
| SPWM | Sinusoidal pulse-width modulation |
| SRF | Synchronous reference frame |
| SVPWM | Space vector pulse-width modulation |
| THD | Total harmonic distortion |
| VOC | Voltage-oriented control |
| VSC | Voltage source converter |
| and | Equivalent series resistances of L1 and L2 |
| x | State vector |
| P | Rated power |
| Cf | Filter capacitor |
| C | DC-link capacitor |
| L1 and L2 | VSC- and Grid-side inductor |
| Ts | Sampling period |
| and | Reference active and reactive components |
| Td | Controller delay |
| VDC | DC-link voltage |
| fr | Resonance frequency |
| kp and ki | Proportional and integral gains |
| f | Grid frequency |
| A, B, C | System Matrix |
| u | System’s input matrix |
| Vc | Filter capacitor voltage |
| k | Proportional gain |
| Qg | Reactive power |
| and | Grid voltage in dq-frame |
| Vph(rms) | Rated RMS voltage |
| Vi | VSC voltage |
| L | Observer feedback gain |
| GLCL(s) | Transfer function of LCL filter |
| Grid Voltage | |
| ωr | Angular resonance frequency |
| C | DC-link capacitor |
| fsw | Switching frequency |
| ig | Grid-side current |
| ic | Capacitor current |
| ii | VSC-side currents |
| Pg | Active power |
| Estimated capacitor current | |
| Id and Iq | Grid current in -frame |
References
- Reza, M.S.; Hossain, M.M. Enhanced grid synchronization technique based on frequency detector for three-phase systems. IEEE Trans. Ind. Inform. 2021, 18, 2180–2191. [Google Scholar] [CrossRef]
- Hannan, M.; Wali, S.; Ker, P.; Rahman, M.A.; Mansor, M.; Ramachandaramurthy, V.; Muttaqi, K.; Mahlia, T.; Dong, Z. Battery energy-storage system: A review of technologies, optimization objectives, constraints, approaches, and outstanding issues. J. Energy Storage 2021, 42, 103023. [Google Scholar] [CrossRef]
- Hoummadi, M.A.; Bouderbala, M.; Aroussi, H.A.; Bossoufi, B.; El Ouanjli, N.; Karim, M. Survey of Sustainable Energy Sources for Microgrid Energy Management: A Review. Energies 2023, 16, 3077. [Google Scholar] [CrossRef]
- Muhtadi, A.; Pandit, D.; Nguyen, N.; Mitra, J. Distributed energy resources based microgrid: Review of architecture, control, and reliability. IEEE Trans. Ind. Appl. 2021, 57, 2223–2235. [Google Scholar] [CrossRef]
- Yang, P.; Xia, Y.; Yu, M.; Wei, W.; Peng, Y. A decentralized coordination control method for parallel bidirectional power converters in a hybrid AC–DC microgrid. IEEE Trans. Ind. Electron. 2017, 65, 6217–6228. [Google Scholar] [CrossRef]
- Pourbehzadi, M.; Niknam, T.; Aghaei, J.; Mokryani, G.; Shafie-khah, M.; Catalão, J.P. Optimal operation of hybrid AC/DC microgrids under uncertainty of renewable energy resources: A comprehensive review. Int. J. Electr. Power Energy Syst. 2019, 109, 139–159. [Google Scholar] [CrossRef]
- Patnaik, B.; Mishra, M.; Bansal, R.C.; Jena, R.K. AC microgrid protection—A review: Current and future prospective. Appl. Energy 2020, 271, 115210. [Google Scholar] [CrossRef]
- Rumky, T.J.; Ahmed, T.; Ahmed, M.; Mekhilef, S. Tri-Band Damping Controller for Low Frequency Oscillations in AC Microgrid System. In Proceedings of the 2023 IEEE IAS Global Conference on Renewable Energy and Hydrogen Technologies (GlobConHT), Male, Maldives, 11–12 March 2023; IEEE: New York, NY, USA, 2023; pp. 1–6. [Google Scholar]
- Al-Ismail, F.S. DC microgrid planning, operation, and control: A comprehensive review. IEEE Access 2021, 9, 36154–36172. [Google Scholar] [CrossRef]
- Kaur, A.; Kaushal, J.; Basak, P. A review on microgrid central controller. Renew. Sustain. Energy Rev. 2016, 55, 338–345. [Google Scholar] [CrossRef]
- Mbungu, N.T.; Naidoo, R.M.; Bansal, R.C.; Vahidinasab, V. Overview of the optimal smart energy coordination for microgrid applications. IEEE Access 2019, 7, 163063–163084. [Google Scholar] [CrossRef]
- Tasnim, M.N.; Ahmed, T.; Ahmad, S.; Mekhilef, S. Hardware in The Loop Implementation of The Control Strategies for the AC-Microgrid in OPAL-RT Simulator. In Proceedings of the 2023 IEEE IAS Global Conference on Renewable Energy and Hydrogen Technologies (GlobConHT), Male, Maldives, 11–12 March 2023; IEEE: New York, NY, USA, 2023; pp. 1–6. [Google Scholar]
- Sandelic, M.; Peyghami, S.; Sangwongwanich, A.; Blaabjerg, F. Reliability aspects in microgrid design and planning: Status and power electronics-induced challenges. Renew. Sustain. Energy Rev. 2022, 159, 112127. [Google Scholar] [CrossRef]
- Paul, S.; Sharma, A.; Padhy, N.P. Risk constrained energy efficient optimal operation of a converter governed AC/DC hybrid distribution network with distributed energy resources and volt-VAR controlling devices. IEEE Trans. Ind. Appl. 2021, 57, 4263–4277. [Google Scholar] [CrossRef]
- Ahmed, M.; Meegahapola, L.; Vahidnia, A.; Datta, M. Stability and control aspects of microgrid architectures—A comprehensive review. IEEE Access 2020, 8, 144730–144766. [Google Scholar] [CrossRef]
- Xia, Y.; Wei, W.; Yu, M.; Wang, X.; Peng, Y. Power management for a hybrid AC/DC microgrid with multiple subgrids. IEEE Trans. Power Electron. 2017, 33, 3520–3533. [Google Scholar] [CrossRef]
- Azeem, O.; Ali, M.; Abbas, G.; Uzair, M.; Qahmash, A.; Algarni, A.; Hussain, M.R. A comprehensive review on integration challenges, optimization techniques and control strategies of hybrid AC/DC Microgrid. Appl. Sci. 2021, 11, 6242. [Google Scholar] [CrossRef]
- Nejabatkhah, F.; Li, Y.W.; Tian, H. Power quality control of smart hybrid AC/DC microgrids: An overview. IEEE Access 2019, 7, 52295–52318. [Google Scholar] [CrossRef]
- Xiao, H.; Luo, A.; Shuai, Z.; Jin, G.; Huang, Y. An improved control method for multiple bidirectional power converters in hybrid AC/DC microgrid. IEEE Trans. Smart Grid 2015, 7, 340–347. [Google Scholar] [CrossRef]
- Ma, R.; Qiu, Q.; Kurths, J.; Zhan, M. Fast-slow-scale interaction induced parallel resonance and its suppression in voltage source converters. IEEE Access 2021, 9, 90126–90141. [Google Scholar] [CrossRef]
- Golestan, S.; Guerrero, J.M.; Al-Turki, Y.; Vasquez, J.C.; Abusorrah, A.M. Impedance modeling of three-phase grid-connected voltage source converters with frequency-locked-loop-based synchronization algorithms. IEEE Trans. Power Electron. 2021, 37, 4511–4525. [Google Scholar] [CrossRef]
- Razali, A.M.; Rahman, M.; George, G.; Rahim, N.A. Analysis and design of new switching lookup table for virtual flux direct power control of grid-connected three-phase PWM AC–DC converter. IEEE Trans. Ind. Appl. 2014, 51, 1189–1200. [Google Scholar] [CrossRef]
- Sahoo, B.; Routray, S.K.; Rout, P.K.; Alhaider, M.M. Power quality and stability assessment of hybrid microgrid and electric vehicle through a novel transformation technique. Sustain. Energy Technol. Assess. 2022, 51, 101927. [Google Scholar] [CrossRef]
- Michalec, Ł.; Jasiński, M.; Sikorski, T.; Leonowicz, Z.; Jasiński, Ł.; Suresh, V. Impact of Harmonic Currents of Nonlinear Loads on Power Quality of a Low Voltage Network—Review and Case Study. Energies 2021, 14, 3665. [Google Scholar] [CrossRef]
- Nour, M.; Chaves-Ávila, J.P.; Magdy, G.; Sánchez-Miralles, Á. Review of positive and negative impacts of electric vehicles charging on electric power systems. Energies 2020, 13, 4675. [Google Scholar] [CrossRef]
- Tlili, F.; Kadri, A.; Bacha, F. Advanced control strategy for bidirectional three phase AC/DC converter. Electr. Power Syst. Res. 2020, 179, 106078. [Google Scholar] [CrossRef]
- Ahmad, S.; Mubarak, H.; Jhuma, U.K.; Ahmed, T.; Mekhilef, S.; Mokhlis, H. Point of Common Coupling Voltage Modulated Direct Power Control of Grid-Tied Photovoltaic Inverter for AC Microgrid Application. Int. Trans. Electr. Energy Syst. 2023, 2023, 3641907. [Google Scholar] [CrossRef]
- Tiwari, R.; Kumar, K.; Babu, N.R.; Prabhu, K. Coordinated mppt and dpc strategies for pmsg based grid connected wind energy conversion system. Energy Procedia 2018, 145, 339–344. [Google Scholar] [CrossRef]
- Gui, Y.; Blaabjerg, F.; Wang, X.; Bendtsen, J.D.; Yang, D.; Stoustrup, J. Improved DC-link voltage regulation strategy for grid-connected converters. IEEE Trans. Ind. Electron. 2020, 68, 4977–4987. [Google Scholar] [CrossRef]
- Ali, S.U.; Aamir, M.; Jafri, A.R.; Subramaniam, U.; Haroon, F.; Waqar, A.; Yaseen, M. Model predictive control—Based distributed control algorithm for bidirectional interlinking converter in hybrid microgrids. Int. Trans. Electr. Energy Syst. 2021, 31, e12817. [Google Scholar] [CrossRef]
- Garcia-Torres, F.; Zafra-Cabeza, A.; Silva, C.; Grieu, S.; Darure, T.; Estanqueiro, A. Model predictive control for microgrid functionalities: Review and future challenges. Energies 2021, 14, 1296. [Google Scholar] [CrossRef]
- Xiao, D.; Alam, K.S.; Norambuena, M.; Rahman, M.F.; Rodriguez, J. Modified modulated model predictive control strategy for a grid-connected converter. IEEE Trans. Ind. Electron. 2020, 68, 575–585. [Google Scholar] [CrossRef]
- Golestan, S.; Ebrahimzadeh, E.; Wen, B.; Guerrero, J.M.; Vasquez, J.C. dq-frame impedance modeling of three-phase grid-tied voltage source converters equipped with advanced PLLs. IEEE Trans. Power Electron. 2020, 36, 3524–3539. [Google Scholar] [CrossRef]
- Reznik, A.; Simões, M.G.; Al-Durra, A.; Muyeen, S. $ LCL $ filter design and performance analysis for grid-interconnected systems. IEEE Trans. Ind. Appl. 2013, 50, 1225–1232. [Google Scholar] [CrossRef]
- Ahmed, M.; Abdelrahem, M.; Farhan, A.; Harbi, I.; Kennel, R. DC-link sensorless control strategy for grid-connected PV systems. Electr. Eng. 2021, 103, 2345–2355. [Google Scholar] [CrossRef]
- Cittanti, D.; Mandrile, F.; Gregorio, M.; Bojoi, R. Design space optimization of a three-phase LCL filter for electric vehicle ultra-fast battery charging. Energies 2021, 14, 1303. [Google Scholar] [CrossRef]
- Gurrola-Corral, C.; Segundo, J.; Esparza, M.; Cruz, R. Optimal LCL-filter design method for grid-connected renewable energy sources. Int. J. Electr. Power Energy Syst. 2020, 120, 105998. [Google Scholar] [CrossRef]
- Miskovic, V.; Blasko, V.; Jahns, T.M.; Smith, A.H.; Romenesko, C. Observer-based active damping of $ LCL $ resonance in grid-connected voltage source converters. IEEE Trans. Ind. Appl. 2014, 50, 3977–3985. [Google Scholar] [CrossRef]
- Büyük, M.; Tan, A.; Tümay, M.; Bayındır, K.Ç. Topologies, generalized designs, passive and active damping methods of switching ripple filters for voltage source inverter: A comprehensive review. Renew. Sustain. Energy Rev. 2016, 62, 46–69. [Google Scholar] [CrossRef]
- Yao, Z.; Xiao, L.; Guerrero, J.M. Improved control strategy for the three-phase grid-connected inverter. IET Renew. Power Gener. 2015, 9, 587–592. [Google Scholar] [CrossRef]
- Trinh, Q.-N.; Choo, F.H.; Wang, P. Control strategy to eliminate impact of voltage measurement errors on grid current performance of three-phase grid-connected inverters. IEEE Trans. Ind. Electron. 2017, 64, 7508–7519. [Google Scholar] [CrossRef]
- Zhang, H.; Xian, J.; Shi, J.; Wu, S.; Ma, Z. High performance decoupling current control by linear extended state observer for three-phase grid-connected inverter with an LCL filter. IEEE Access 2020, 8, 13119–13127. [Google Scholar] [CrossRef]
- Srita, S.; Somkun, S.; Kaewchum, T.; Rakwichian, W.; Zacharias, P.; Kamnarn, U.; Thongpron, J.; Amorndechaphon, D.; Phattanasak, M. Modeling, simulation and development of grid-connected voltage source converter with selective harmonic mitigation: Hil and experimental validations. Energies 2022, 15, 2535. [Google Scholar] [CrossRef]
- Xin, Z.; Loh, P.C.; Wang, X.; Blaabjerg, F.; Tang, Y. Highly accurate derivatives for LCL-filtered grid converter with capacitor voltage active damping. IEEE Trans. Power Electron. 2015, 31, 3612–3625. [Google Scholar] [CrossRef]
- Samanes, J.; Urtasun, A.; Gubia, E.; Petri, A. Robust multisampled capacitor voltage active damping for grid-connected power converters. Int. J. Electr. Power Energy Syst. 2019, 105, 741–752. [Google Scholar] [CrossRef]
- Pan, D.; Ruan, X.; Bao, C.; Li, W.; Wang, X. Capacitor-current-feedback active damping with reduced computation delay for improving robustness of LCL-type grid-connected inverter. IEEE Trans. Power Electron. 2013, 29, 3414–3427. [Google Scholar] [CrossRef]
- Geng, Y.; Song, X.; Zhang, X.; Yang, K.; Liu, H. Stability analysis and key parameters design for grid-connected current-source inverter with capacitor-voltage feedback active damping. IEEE Trans. Power Electron. 2020, 36, 7097–7111. [Google Scholar] [CrossRef]
- Wang, X.; He, Y.; Pan, D.; Zhang, H.; Ma, Y.; Ruan, X. Passivity enhancement for LCL-filtered inverter with grid current control and capacitor current active damping. IEEE Trans. Power Electron. 2021, 37, 3801–3812. [Google Scholar] [CrossRef]
- Li, S.; Lin, H. A capacitor-current-feedback positive active damping control strategy for LCL-type grid-connected inverter to achieve high robustness. IEEE Trans. Power Electron. 2021, 37, 6462–6474. [Google Scholar] [CrossRef]
- Zhang, H.; Wang, X.; He, Y.; Pan, D.; Ruan, X. A compensation method to eliminate the impact of time delay on capacitor-current active damping. IEEE Trans. Ind. Electron. 2021, 69, 7512–7516. [Google Scholar] [CrossRef]
- Jain, B.; Jain, S.; Nema, R. Control strategies of grid interfaced wind energy conversion system: An overview. Renew. Sustain. Energy Rev. 2015, 47, 983–996. [Google Scholar] [CrossRef]
- Kim, S.-H. Electric Motor Control: DC, AC, and BLDC Motors; Elsevier: Amsterdam, The Netherlands, 2017. [Google Scholar]
- Jiang, Y.; Li, Y.; Tian, Y.; Wang, L. Phase-locked loop research of grid-connected inverter based on impedance analysis. Energies 2018, 11, 3077. [Google Scholar] [CrossRef]
- Dai, Z.; Li, G.; Fan, M.; Huang, J.; Yang, Y.; Hang, W. Global stability analysis for synchronous reference frame phase-locked loops. IEEE Trans. Ind. Electron. 2021, 69, 10182–10191. [Google Scholar] [CrossRef]
- Kim, S.-H. Pulse width modulation inverters. Electr. Mot. Control 2017, 17, 265–340. [Google Scholar]
- Wang, X.; Li, Y.W.; Blaabjerg, F.; Loh, P.C. Virtual-impedance-based control for voltage-source and current-source converters. IEEE Trans. Power Electron. 2014, 30, 7019–7037. [Google Scholar] [CrossRef]
- Liu, Z.; Liu, J.; Zhao, Y. A unified control strategy for three-phase inverter in distributed generation. IEEE Trans. Power Electron. 2013, 29, 1176–1191. [Google Scholar]
- Li, W.; Ruan, X.; Pan, D.; Wang, X. Full-feedforward schemes of grid voltages for a three-phase $ LCL $-type grid-connected inverter. IEEE Trans. Ind. Electron. 2012, 60, 2237–2250. [Google Scholar] [CrossRef]
- Dannehl, J.; Wessels, C.; Fuchs, F.W. Limitations of voltage-oriented PI current control of grid-connected PWM rectifiers with $ LCL $ filters. IEEE Trans. Ind. Electron. 2008, 56, 380–388. [Google Scholar] [CrossRef]
- Golestan, S.; Monfared, M.; Freijedo, F.D. Design-oriented study of advanced synchronous reference frame phase-locked loops. IEEE Trans. Power Electron. 2012, 28, 765–778. [Google Scholar] [CrossRef]
- Sun, Y.; de Jong, E.C.W.; Wang, X.; Yang, D.; Blaabjerg, F.; Cuk, V.; Cobben, J.F.G. The impact of PLL dynamics on the low inertia power grid: A case study of Bonaire Island power system. Energies 2019, 12, 1259. [Google Scholar] [CrossRef]
- Errouissi, R.; Shareef, H.; Awwad, F. Disturbance observer-based control for three-phase grid-tied inverter with LCL filter. IEEE Trans. Ind. Appl. 2021, 57, 5411–5424. [Google Scholar] [CrossRef]
- Saleem, M.; Choi, K.-Y.; Kim, R.-Y. Resonance damping for an LCL filter type grid-connected inverter with active disturbance rejection control under grid impedance uncertainty. Int. J. Electr. Power Energy Syst. 2019, 109, 444–454. [Google Scholar] [CrossRef]
- Saïd-Romdhane, M.B.; Naouar, M.W.; Slama-Belkhodja, I.; Monmasson, E. Robust active damping methods for LCL filter-based grid-connected converters. IEEE Trans. Power Electron. 2016, 32, 6739–6750. [Google Scholar] [CrossRef]
- Gao, T.; Lin, Y.; Chen, D.; Xiao, L. A novel active damping control based on grid-side current feedback for LCL-filter active power filter. Energy Rep. 2020, 6, 1318–1324. [Google Scholar] [CrossRef]
- Guan, Y.; Wang, Y.; Xie, Y.; Liang, Y.; Lin, A.; Wang, X. The dual-current control strategy of grid-connected inverter with LCL filter. IEEE Trans. Power Electron. 2018, 34, 5940–5952. [Google Scholar] [CrossRef]
- Gui, Y.; Wang, X.; Blaabjerg, F. Vector current control derived from direct power control for grid-connected inverters. IEEE Trans. Power Electron. 2018, 34, 9224–9235. [Google Scholar] [CrossRef]
- Nam, N.N.; Nguyen, N.D.; Yoon, C.; Choi, M.; Lee, Y.I. Voltage sensorless model predictive control for a grid-connected inverter with LCL filter. IEEE Trans. Ind. Electron. 2021, 69, 740–751. [Google Scholar] [CrossRef]
































| Parameters | Description | Value |
|---|---|---|
| VDC | DC-link voltage | 700 V |
| L2 | Grid-side inductor | 3 mH |
| L1 | VSC-side inductor | 6 mH |
| Series resistance of L1 | 0.03 Ω | |
| Series resistance of L2 | 0.03 Ω | |
| Cf | Filter capacitor | 2 µF |
| f | Grid frequency | 50 Hz |
| fsw | Switching frequency | 5 kHz |
| Ts | Sampling Time | 100 µs |
| C | DC-link capacitor | 1000 µF |
| S | Rated power | 16 kVA |
| Vph(rms) | Rated RMS voltage | 220 V |
| Controller Type | THD of Grid-Current |
|---|---|
| Traditional VOC [40] | 4.1% |
| Traditional PI controller [42] | 3.75% |
| VOC with novel active damping [65] | 4.56% |
| VOC with dual-current active damping [66] | 3.2% |
| Vector current control DPC [67] | 3.32% |
| MPC controller [68] | 4.6% |
| Proposed controller | 2.62% |
Disclaimer/Publisher’s Note: The statements, opinions and data contained in all publications are solely those of the individual author(s) and contributor(s) and not of MDPI and/or the editor(s). MDPI and/or the editor(s) disclaim responsibility for any injury to people or property resulting from any ideas, methods, instructions or products referred to in the content. |
© 2023 by the authors. Licensee MDPI, Basel, Switzerland. This article is an open access article distributed under the terms and conditions of the Creative Commons Attribution (CC BY) license (https://creativecommons.org/licenses/by/4.0/).
Share and Cite
Tasnim, M.N.; Ahmed, T.; Dorothi, M.A.; Ahmad, S.; Shafiullah, G.M.; Ferdous, S.M.; Mekhilef, S. Voltage-Oriented Control-Based Three-Phase, Three-Leg Bidirectional AC–DC Converter with Improved Power Quality for Microgrids. Energies 2023, 16, 6188. https://doi.org/10.3390/en16176188
Tasnim MN, Ahmed T, Dorothi MA, Ahmad S, Shafiullah GM, Ferdous SM, Mekhilef S. Voltage-Oriented Control-Based Three-Phase, Three-Leg Bidirectional AC–DC Converter with Improved Power Quality for Microgrids. Energies. 2023; 16(17):6188. https://doi.org/10.3390/en16176188
Chicago/Turabian StyleTasnim, Moshammed Nishat, Tofael Ahmed, Monjila Afrin Dorothi, Shameem Ahmad, G. M. Shafiullah, S. M. Ferdous, and Saad Mekhilef. 2023. "Voltage-Oriented Control-Based Three-Phase, Three-Leg Bidirectional AC–DC Converter with Improved Power Quality for Microgrids" Energies 16, no. 17: 6188. https://doi.org/10.3390/en16176188
APA StyleTasnim, M. N., Ahmed, T., Dorothi, M. A., Ahmad, S., Shafiullah, G. M., Ferdous, S. M., & Mekhilef, S. (2023). Voltage-Oriented Control-Based Three-Phase, Three-Leg Bidirectional AC–DC Converter with Improved Power Quality for Microgrids. Energies, 16(17), 6188. https://doi.org/10.3390/en16176188

