Abstract
The most recent sustainability policies of each region of the world conjointly define that economic activities shall follow the principles of natural resource use minimisation, as well as eco-efficiency and circular economy promotion, in addition to the specific objectives defined in each policy. Most recently, a group of researchers has proposed innovative conceptual systems designated Water and Energy Integration Systems (WEIS) for issues related to water and energy use (two prominent categories of natural resources). These are based on engineering projects encompassing a multitude of processes and technologies. In this work, an assessment based on the determination of several sustainability and strategic-aims-related indicators is performed for two WEIS case studies set in the Portuguese process industry (in this case, a ceramic plant). Such an assessment serves as an expansion of previously performed studies on the economic and environmental viability associated with the installation of this type of system with the ultimate goal of proving the effective compliance of water- and energy-use-reduction-related results with sustainability and strategic aims (namely, the ones associated with the most recent policies and aspects associated with the social, economic, and environmental pillars of sustainability). The results for the overall assessment proved that the conceptualised WEIS are robust in terms of eco-efficiency, circular economy potential, and strategic objective achievement potential (with a 6.46% and 4.00% improvement for the aggregated eco-efficiency indicator having been obtained for, respectively, case studies 1 and 2, a null water discharge for both case studies, and a level of 8.58% and 6.69% of recirculated heat over total energy consumption, respectively). The obtained results prove the sustainability promotion effectiveness of the WEIS as conceptual systems. The overall set of indicators defined in this work are part of a methodology that may be used and adapted for further studies considering the innovative WEIS approach, with the specific results obtained in this work presented with the aim of their being used for comparison.
1. Introduction
The overall production process within a factory entails significant quantities of external natural resources for its functioning [1,2]. Two of the most important of these resources are water and energy [3]. While energy is used in diverse forms (such as fuels and electricity) [4], the use of water is not generally significantly differentiated (a water stream may contain several dissolved contaminants in different quantities, although this represents a characterisation of a single resource rather than a differentiation within a single category of a resource) [5]. The operational improvement of production processes occurs not only through the increase in production capacity but also through the reduction of the total use of external resources for the same exact end [6].
Several approaches have been taken to reduce the use of water and energy in process industries. For water efficiency improvement, the installation of wastewater treatment units coupled with water recirculation have been proposed for several case studies as a set of measures that allow the overall decrease in freshwater consumption and also the reduction of contaminant discharges [7]. For energy efficiency improvement, various measures, such as waste heat recovery [8], thermal energy storage [9,10,11], and high-efficiency electric motor installation [12], have been proposed. Advanced categories of measures include energy recovery from water and wastewater [13,14], in which specific discharges of water systems are used to bring benefits at the level of energy use.
With the aim of more effectively analysing improvements in water and energy use in end-use sectors from a holistic perspective, the concept of the water–energy nexus has been introduced [15]. This concept deals with all of the potential interdependencies between the use of water and energy resources, for which their exploitation must be performed so as to bring an overall compromise between economic viability, environmental burden reduction, and social stability so as to promote the sustainable character of physical systems [16]. A specific application of the water–energy nexus has most recently been proposed by the definition of the concept of Water and Energy Integration Systems (WEIS) [17,18]. These are systems that encompass a set of combustion-based processes and a set of water-using processes, as well as the installation of several types of technologies, which, from a holistic perspective, bring benefits at the level of the reduction of overall water and energy inputs and gas and solid contaminant discharges.
A conjoint effort led by researchers in Portugal (namely, from ISQ—Instituto de Soldadura e Qualidade e Instituto Superior Técnico) has been dedicated to the study of the potential to install the mentioned types of systems and improvement measures in the context of the development of engineering projects for single industrial plants [17], assisted by the use of simulation and optimisation tools—namely, the specialised Modelica- and Python-languages-based ThermWatt [18]. Although these models have been successful with respect to the estimation of the economic and environmental impact reduction potential associated with WEIS, a systemisation of the compliance of this type of complex engineering project with the specific sustainability and strategic aims may be developed, with the ultimate purpose of assisting the end-use sector stakeholders in the selection of the most favourable projects (thus facilitating the commissioning of these projects as well as the technology readiness levels associated with some technologies). To this end, the aforementioned research effort is set to be completed through the performance of a sustainability and strategic assessment that will include an estimation of several eco-efficiency and circular economy character promotion indicators and also a comparison of the results with the aims delineated in sustainability policies. This work performs the described assessment for two different case studies set within the Portuguese process industries (namely, the ceramic industry).
2. Background
The sustainability and strategic assessment performed in this work is based on the general concept of sustainability and the finding of a compromise between the social, environmental, and economic aspects associated with newly commissioned industrial plants. The adequacy of the general concept of sustainability in relation to the specific objectives of this work is presented in Figure 1.
Figure 1.
Context of the general objectives of this work within the three dimensions of sustainability.
Based on Figure 1, the economic and environmental viability associated with the conceptualised WEIS is set to be reinforced through the determination of several eco-efficiency and circular economy promotion indicators. On the other hand, the promotion of the social aspect associated with the new plants (which is potentially associated with the mitigation of social impacts) will be assessed through the determination of specific indicators to be compared with the specific aims pointed out in the sustainability policies of Portugal. The aim is to assess the adequacy of the results obtained in the context of the case studies in relation to the specific policy objectives and whether the promotion of social-stability-related aspects included in the same policies is also secured. A direct correlation is assumed between the verification of the compliance, the strategic aims, and the social-related aspects (which are not directly determined).
The handling of the proposed study is based on a general framework related to three aspects:
- Sustainability policies of the European Union and Portugal;
- The most recent social issues related to the energy crisis and water scarcity;
- The adequacy of the circular economy concept.
2.1. Review of Current Research and Knowledge Gap
The assessment of viability associated with the implementation of WEIS is primarily based on the analysis of the potential benefits, including energy savings, water savings, GHG emission reduction, and wastewater pollutant reduction. These benefits may all be translated to economic-based values by means of monetary-based unitary factors (such as water and energy unitary costs and the costs associated with pollutant emissions). In the context of the benefits related to water and energy use reduction, a set of indicators have been defined by several authors who have exploited the paradigms associated with water and energy efficiency. These indicators may be implemented to express the eco-efficiency and circular economy character of systems similar to WEIS, either by establishing a ratio between production-related parameters and an environmental-burden-related parameter or by implying the performance of recirculation of material and energy streams. In the context of the aforementioned conceptual systems, these indicators may be used to compare a case study with an implemented WEIS with:
- The baseline case within a plant (in which improvement measures have yet to be implemented);
- Other systems (conceptualised and implemented for similar case studies).
In Table 1, several indicators that have been exploited by authors within the paradigms of water and energy efficiency are characterised.
Table 1.
Characterisation of assessment indicators.
The set of indicators explored in Table 1 is effectively adequate for the assessment of projects related to heat-recovery-based energy efficiency improvement and the improvement of the operation of water systems in terms of water use and hot/cold utilities consumption. These are effective from the standalone perspective of each of the aforementioned aspects. Nonetheless, the establishment of these indicators (in the current form in which they are presented) is associated with limitations at the level of:
- The evaluation of the water–energy nexus promotion potential (the association between several energy-use-related parameters and water-use-related parameters);
- The capacity to perform an overall systemisation of the compliance of engineering projects with specific economic and environmental impact reduction aims (namely, the ones defined in the most recent sustainability policies);
- The analysis of the system based on the ratio between the levels of recirculation associated with different streams (for instance, the ratio between the quantities of treated water and water savings and the ratio between recirculated heat and total energy input).
The identified limitations are set to be overcome through the application of a methodological framework that is set to be established in the present work. While a part of the indicators is set to be maintained in terms of formulation, others are set to be re-formulated by reason of convenience related to the adequacy of the indicators for the specific paradigm of the WEIS.
2.2. Framework of Sustainability Policies
The driving force for the framework of WEIS has been the specific aims that are enunciated in the main sustainability policies of the European Union and, particularly, the policies of Portugal. The sustainability promotion policy that served as the conceptual origin of the WEIS is the EU Strategy for Energy System Integration, including, primarily, its first and third pillars (Energy Efficiency and Circular Economy Nexus and Alternative, Low-Carbon Fuels). As this strategy applied the previous principles included in the European Green Deal and the 2050 long-term strategy, the achievement of the aims of the Energy System Integration strategy through the framework of WEIS also serves the same purpose in relation to those policies. Nonetheless, this set of policies has only been framed on a conceptual basis up until this point.
Requirements for conjointly promoting low-carbon and circular economies and the improvement of water efficiency are addressed in the Roadmap for Carbon Neutrality 2050 (RNC2050) [33] and the Programa Nacional para o Uso Eficiente da Água (PNUEA) [34], which have been proposed as guiding instruments in Portugal. These two strategies are based on the delineation of specific objectives for all the end-use sectors, with RNC2050 containing specific guides for a set of subsectors of the whole industrial sector.
2.3. Framework for Studying the Social Issues of the Energy Crisis and Water Scarcity
The development of the present work emerged during a period of time marked by severe social issues related to the decrease in the availability of several natural resources and an economic crisis provoked by the COVID-19 pandemic and the Russia–Ukraine War [35]. In the context of the areas of actuation inherent to this work, including the ones related to energy and water management, an analysis of the impact of the ongoing global energy crisis and water scarcity on the actual, obtained results is relevant.
The current energy crisis is essentially based on gradually rising energy prices (which are particularly severe in the case of natural gas), which is directly related to existing cuts in the energy source supply provoked by the war and the economic rebound phenomenon that emerged in the follow-up to the pandemic. These gradually rising energy prices have been creating significant inflation rise, which, in turn, has been provoking an augmentation of economic discomfort across society in general [36]. Simultaneously, several regions of the world have been facing the depletion of water resources availability, an issue that was particularly prevalent in Europe in the years 2022 and 2023 [37]. While, for the former issue, the promotion of energy efficiency improvement measures allied to renewable energy and alternative fuel integration have been regarded as keys to solving it, for the latter, the promotion of improved water management techniques in end-use sectors has been similarly identified as a solving method. The concept of WEIS (as introduced in previous works by the authors [17]) promotes the reduction of the consumption of both energy and water while simultaneously approaching the development of methods for the solving of the two aforementioned issues.
2.4. Framework of the Circular Economy Concept
The potential for the promotion of the circular economy character associated with the framework of the WEIS is derived from the inherent attribute of these as essentially closed-loop systems. The installation of WEIS is based on the promotion of certain practices, such as recycling, reuse, and by-pass of to-be-valorised energy and water streams. These phenomena have been conjointly referred to in this work as recirculation.
The difference between standard energy and water efficiency improvement measures and WEIS implementation is based on the characteristic of the latter as using recirculation for the achievement of purposes related to decarbonisation, and, in a further step, eco-efficiency. Therefore, the conceptual aim of the WEIS may be enunciated as the promotion of both low-carbon and circular economies in an optimised manner while bearing in mind the objective of the maximisation of eco-efficiency.
From a social perspective, the concept of the circular economy has been facing critiques in terms of it being vague and metaphorical in nature [38]. The establishment of the relationship between the findings obtained for the study of WEIS and the specific features of the circular economy concept is relevant so as to further establish a relationship with the aims of the most recent sustainability policies.
2.5. Framework of Social-Related Benefits Promotion
The social-related benefits that are assumed to be promoted are based on the following aspects (which are prominently delineated in RNC2050 [33]):
- Promotion of a socially fair and efficient energy transition: the conceptualised WEIS installations do not require additional investment in land except that which is already used for plants to be installed, and it requires investment costs that are assumed to be allocated from the industrial stakeholders, with the existence of government incentives;
- Reinforcement of the competitiveness of the regional and industrial economies: payback periods of less than the most favourable and acceptable limit of 3 years [39] and a maximum acceptable limit of 5 years [40] are significant in that a considerable margin of total savings can be allocated to the promotion of other benefits. The limits to which the commissioned installations are considered to be economically viable are nevertheless not surpassed;
- Promotion of the creation of work positions: this may be regarded as one of the aforementioned benefits;
- Improvement of air quality and overall human health: while the improvement of air quality is secured by the reduction of waste gas emissions (as evidenced by the final simulation results obtained for the case studies), the improvement of human health may be secured through the combination of this benefit with the improvement of the quality of discharge water (which may be evidenced by the null level of the discharge water obtained for the case studies), as well as the relative increase in water availability.
Assurance of the existence of these benefits (in addition to proof of the economic and environmental viability characters associated with the conceptualised installations) is a necessary and sufficient condition to ensure the sustainability promotion character of the conceptualised WEIS installations.
3. Methodology and Process Industry Cases
This work is based on a new methodology based on the previously established WEIS concept in which a set of indicators mirroring the sustainability character of industrial installations is defined and a set of two case studies is used based on the implementation of the established indicators.
3.1. Definition of Assessment Indicators
The post-processing procedure performed through the assessment of results from computational models developed in previous work by the authors [18,41,42] consists, in general, of calculating indicators related to sustainability promotion (set to assess the economic viability and environmental impact reduction potential associated with the conceptualised WEIS). In this work, two other sets of indicators are calculated: one related to the eco-efficiency promotion and another related to circular economy character promotion (related to the passage from open-loop to closed-loop systems). These last not only serve to reinforce the viability of the proposed WEIS but also to prove the self-sufficiency of these in terms of exploitation of energy and water resources and the production of economic value. In the sequence of Table 2 and Table 3, these sets of indicators are characterised by being defined with the exact units that are set to be used in the upcoming analysis.
Table 2.
Definition of eco-efficiency promotion indicators.
Table 3.
Definitions of circular economy promotion indicators.
In Table 4, the formulas used to determine the most basic indicators of economic savings, and equivalent carbon dioxide emissions are defined. In both of the calculation formulas, the index represents a certain energy source in which the WEIS is conceptualised to reduce the emission level (for instance, fuel or electricity). Furthermore, the and designate the unitary price and the emission factor that is associated with each energy and water utility, respectively. With respect to the revenue associated with improved scenarios, two sets of results are defined for monetary-based indicators:
Table 4.
Definition of primary calculation formulas.
- One is designated as Beginning-of-Life, corresponding to a scenario at the point in time of the acquisition of the required technology and machinery for the commissioning of the WEIS (in which the total investment cost is considered a negative parcel for the determination of the improved scenario revenue);
- Another is designated as End-of-Life, corresponding to a scenario in the immediate point in time following the return on investment (in which the total investment cost is not already considered as a parcel).
The values obtained for the aforementioned sub-scenarios thus constitute the minimum and maximum values that can be obtained for the indicators in question.
3.2. Characterisation of Case Studies
The case studies used in this work are set within the ceramic industry of Portugal, including two sanitaryware plants installed in the same industrial site.
The plant of case study 1 comprises:
- Two tunnel kilns (kilns 1 and 2);
- One intermittent kiln;
- Four water-using lines, which, in turn, comprise:
- ○
- Four water-using processes, with each installed to remove a specific unidentified salt contaminant;
- ○
- Four heaters, which are hot water boilers using natural gas (as a hot utility);
- ○
- One cooler, which is a heat exchanger in which a refrigeration organic fluid (cold utility) stream withdraws enthalpy from the water stream (electricity is used to produce the refrigeration stream through its path to the cooling tower).
The plant of case study 2 comprises:
- Two tunnel kilns (kilns 1 and 2);
- Two intermittent kilns (kilns 3 and 4);
- Three water-using lines, which, in turn, comprise:
- ○
- Three water-using processes, with each one installed to remove a set of three unidentified salt contaminants;
- ○
- Three heaters, which are hot water boilers using natural gas (as a hot utility);
- ○
- Three coolers, which are are heat exchangers in which refrigeration organic fluid (cold utility) streams withdraw enthalpy from the water stream (electricity is used to produce the refrigeration streams through its passage in a cooling tower).
The characterisation of the industrial site and each case study plant in terms of energy consumption is performed in the sequence of Table 5, Table 6 and Table 7.
Table 5.
General characterisation of the industrial site.
Table 6.
Characterisation of case study 1.
Table 7.
Characterisation of case study 2.
The WEIS proposed for plant in case study 1, in general, comprises the following procedures:
- Direct hot air recirculation between the two kilns as part of pre-heated combustion air (to produce natural gas savings);
- Hot air and exhaust gas mixing (from both kilns) and further recirculation to an Organic Rankine cycle (ORC) (to produce additional electricity);
- Hot air mixing (from both kilns) and further recirculation to a multi-effect distillation unit (to produce treated water);
- Water stream recirculation within the water system.
The WEIS proposed for the plant in case study 2, in general, comprises the following procedures:
- Direct hot air recirculation between the two tunnel kilns as part of pre-heated combustion air (to produce natural gas savings);
- Hot air mixing (from kilns 1 and 2), further recirculation to phase change material (thermal energy storage heat exchanger (enthalpy charge phase)), and further pre-heating of an air stream (enthalpy discharge phase) that is then divided in four to be fed as part of pre-heated combustion air to each one of the four kilns;
- Hot air and exhaust gas mixing (from both tunnel kilns) and further recirculation to an Organic Rankine cycle (ORC) (to produce additional electricity);
- Hot air mixing (from kilns 1 and 2) and further recirculation to a multi-effect distillation unit (to produce treated water);
- Water stream recirculation within the water system.
In the context of this work, the two characterised case studies set within the Portuguese ceramic sector were selected by attending to the following reasons:
- The representativeness of the ceramic sector within the overall process industry in terms of energy and water use. This sector presents reasonable levels of energy and water use and associated waste streams, and the order of magnitude of the quantity of each resource to be valorised is compatible so as to permit significant savings for each one (for instance, waste heat may be recirculated to cause either significant fuel and electricity savings or to produce a significant level of treated water to be recirculated);
- Both case studies are comparable in terms of the existing energy- and water-using processes (these are based on the same categories of processes) and in terms of the order of magnitude of energy and water consumption;
- Significant availability of data associated with the baseline scenario. The numerical data associated with each parameter of interest characterising the case study are highly discerned (in opposition to similar process industry case studies that are either set in different sectors or in different countries).
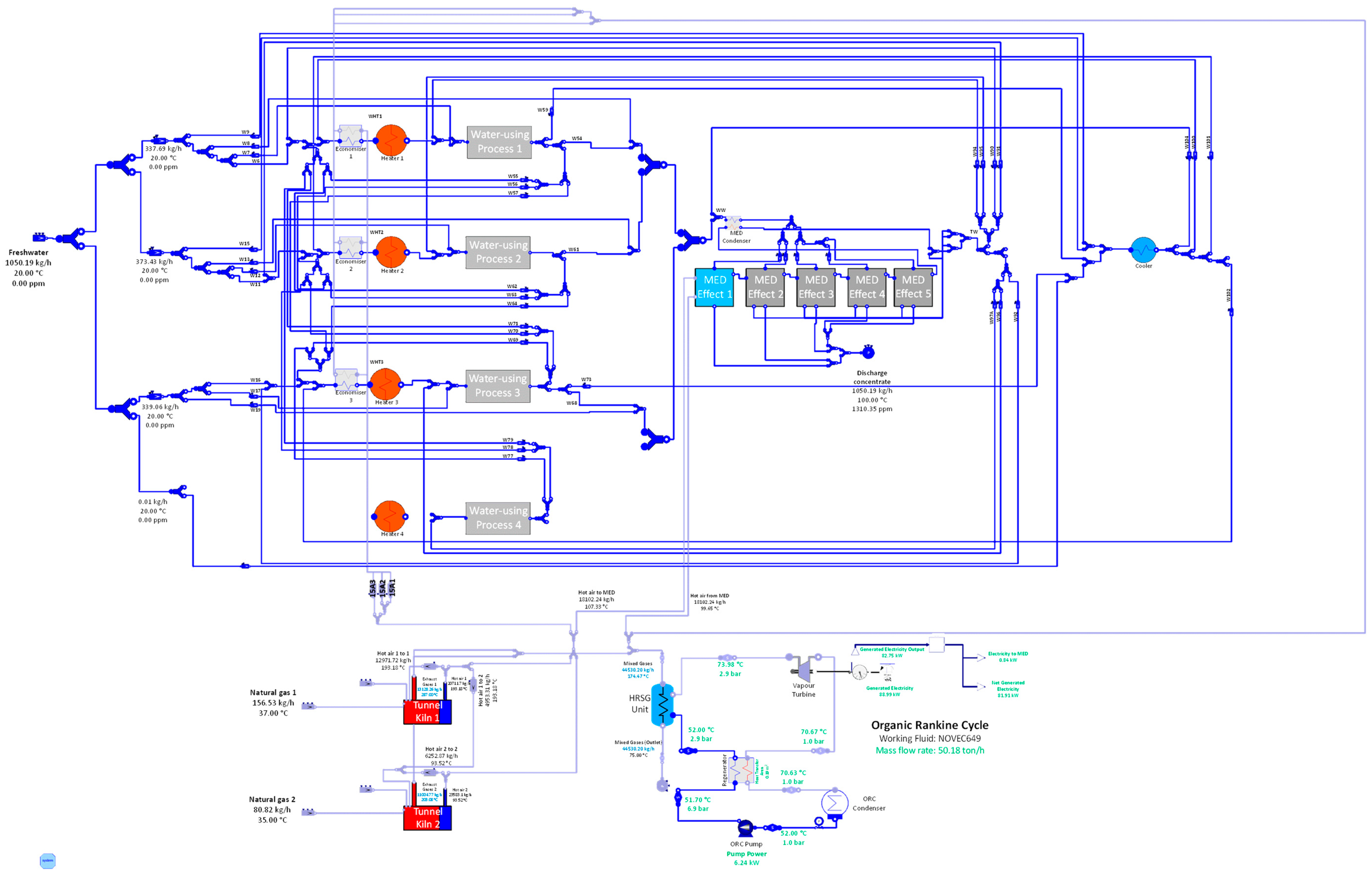
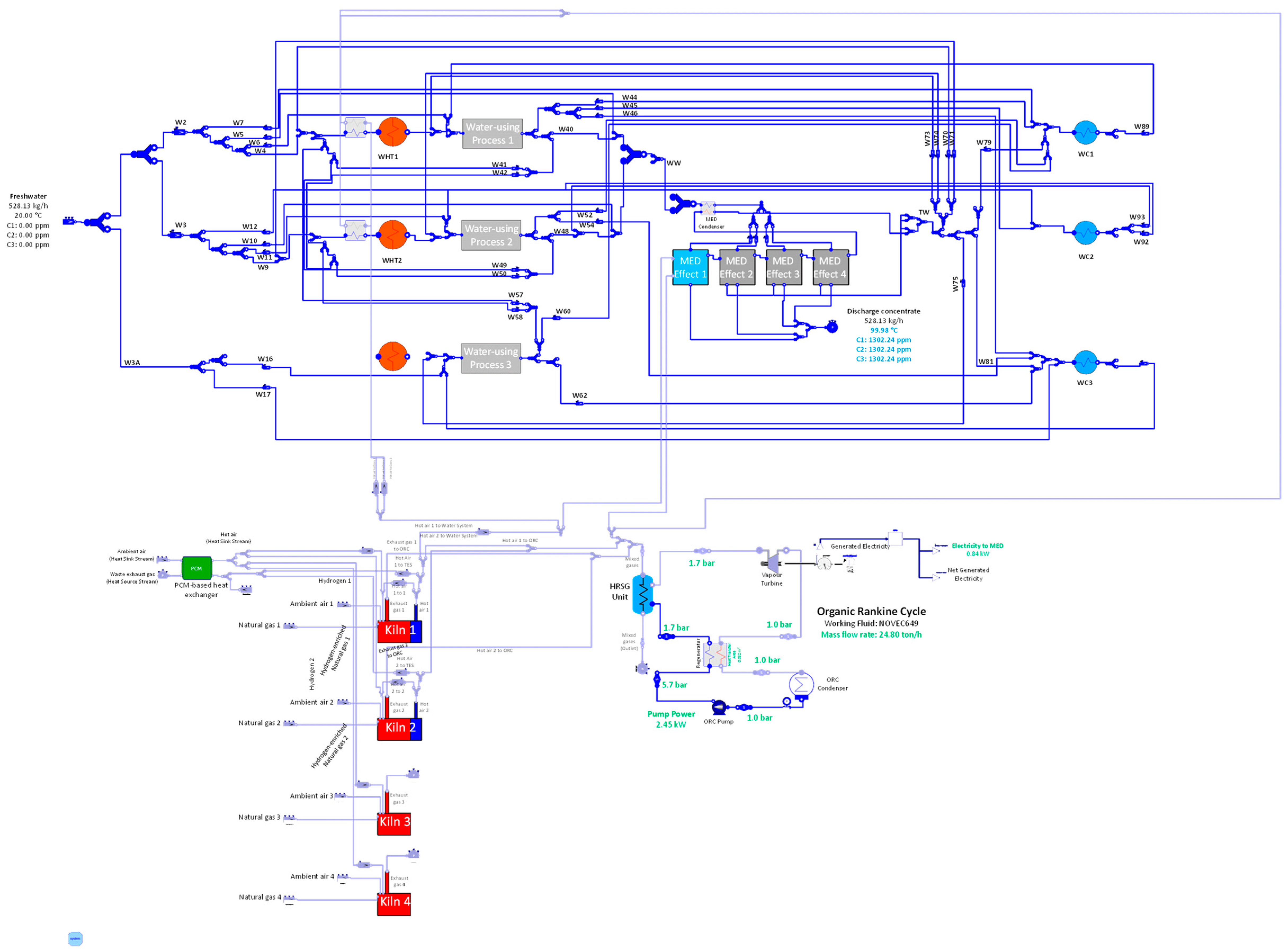
In the sequence of Figure 2, Figure 3 and Figure 4, the flowsheet of case study 1’s WEIS using the capabilities of the ThermWatt computational tool (manufactured by ISQ—Instituto de Soldadura e Qualidade, Oeiras, Lisbon, Portugal) (baseline scenario and the described optimised scenario, respectively) is presented. In the sequence of Figure 5, Figure 6 and Figure 7, the flowsheet of case study 2’s WEIS using the capabilities of the ThermWatt computational tool (baseline scenario and the described optimised scenario, respectively) is presented.
Figure 2.
Flowsheet of the case study 1 baseline scenario using the ThermWatt Modelica library capabilities.
Figure 3.
Flowsheet of the case study 1 final configuration using the ThermWatt Modelica library capabilities.
Figure 4.
Values associated with the flowsheet of the case study 1 final configuration using the ThermWatt Modelica library capabilities.
Figure 5.
Flowsheet of the case study 2 baseline scenario using the ThermWatt Modelica library capabilities.
Figure 6.
Flowsheet of the case study 2 final configuration using the ThermWatt Modelica library capabilities.
Figure 7.
Values associated with the flowsheet of the case study 2 final configuration using the ThermWatt Modelica library capabilities.
4. Results and Discussion
In this section, the results of the previously defined sustainability assessment indicators, as well as the benchmark values for several sustainability-policy-related indicators associated with each case study, are presented and further discussed.
4.1. Assessment of Sustainability Aims Achievement
The application of the computational models of WEIS presented in Figure 3 and Figure 5 converged in the obtention of results for economic and environmental impact, which are briefly presented in Table 5 and Table 6. The obtained results mirror the effective viability associated with the conceptualised WEIS in comparison with the benchmark values for the European ceramic industry (2–3 years payback time and 0.775 kton CO2,eq/year reduction [39,43]). This economic and environmental viability shall be reinforced through the determination of the following indicators:
- Eco-efficiency promotion (indicators that express the potentially improved economic value to environmental burden ratio);
- Circular economy promotion (indicators that express the capacity of the projects for improving the performance of recycling and reuse).
4.1.1. Eco-Efficiency Promotion Indicators
The assessment of eco-efficiency promotion in relation to the analysed installations may be performed through the analysis of indicators that either express the increase in the economic value associated with the project or the decrease in the environmental burden. The effective analysis of the improved eco-efficiency of the analysed installations must be performed according to the integrated analysis of all of the proposed indicators rather than the analysis of single indicators that express achieved benefits in terms of only one of the dimensions of sustainability. Such a procedure is performed to ensure that eco-efficiency promotion with respect to the proposed projects is effective. In Table 8, the proposed indicators for the eco-efficiency promotion characterisation determined for case studies 1 and 2 are, respectively, presented. For the proposed further analysis, the determination of indicators is performed for both the baseline and improved scenarios.
Table 8.
Determination of eco-efficiency indicators.
The analysis of the results of the indicator determination presented in Table 8 will be performed by analysing each of the categories in which the mentioned indicators were divided:
- The energy-use-related indicators are formulated to express the energy consumption in relation to total material production (which is the same value for both the baseline and improved scenarios); thus, it is based on a measure of the productivity of the plant in relation to energy costs;
- The water-system-related indicators are formulated to express water use in relation to total material production and the energy dependence of the water system;
- The GHG-emissions-related indicators shall express not only the environmental footprint but also the level of pollutant emissions against the total use of one of the resources in question (for instance, the level of total GHG emissions in relation to the total energy consumption);
- The aggregated eco-efficiency indicators shall be based on the relationship between the total achieved benefits in terms of increased economic value (achieved through the reduction of energy and water costs) and the reduced environmental burden (achieved through the reduction of pollutant emissions).
The results obtained for the proposed indicators for the case studies express, overall, the effective promotion of eco-efficiency achieved through the implementation of the WEIS project. In Table 9, the interpretation of the obtained results for the indicators is presented.
Table 9.
Interpretation of the results obtained for eco-efficiency promotion indicators.
Taking into account the verifications presented in Table 9, it is possible to confirm that in both case studies, a reasonable level of eco-efficiency promotion related to the economic and environmental burden reduction benefits (generated by the decrease in energy- and water-related costs) is achieved. Nevertheless, it has been identified that the WEIS project shall be accompanied by the implementation of further measures, including, in particular, energy efficiency improvement measures, with the aim of being on par with benchmark values identified for the industrial sector.
4.1.2. Circular Economy Potential Promotion Indicators
The circular economy character associated with the conceptualised WEIS is set to be assessed in this work primarily through the development of diagrams that detail the energy fluxes in the plants—specifically, through the flux from the total energy consumption in a plant (corresponding to the final energy received by the plant) to the useful energy and energy losses (in this case, the energy loss parcels of interest are the ones corresponding to waste heat streams). A set of indicators is also set to be determined. Because water consumption within the analysed case studies is not associated with such a complex division of different uses, the circular economy character associated with this resource is enforced through the determination of several indicators. In the sequences of Figure 8 and Figure 9 and Figure 10 and Figure 11, the Sankey diagrams that detail the energy fluxes for the baseline and improved scenarios for case studies 1 and 2 are presented, respectively. The determined values associated with circular-economy-related potential indicators for case study 1 and 2 are presented in Table 10 and Table 11, respectively.
Figure 8.
Sankey diagram for the plant energy balance in the case study 1 baseline scenario (energy consumption unit of TJ/year).
Figure 9.
Sankey diagram for the plant energy balance in the case study 1 improved scenario (energy consumption unit of TJ/year).
Figure 10.
Sankey diagram for the plant energy balance in the case study 2 baseline scenario (energy consumption unit of TJ/year).
Figure 11.
Sankey diagram for the plant energy balance in the case study 2 improved scenario (energy consumption unit of TJ/year).
Table 10.
Determination of circular-economy-promotion-related indicators relative to case study 1.
Table 11.
Determination of circular-economy-promotion-related indicators relative to case study 2.
The assessment of the circular economy character for the conceptualised plants encompassed by the results presented in Figure 6 and Figure 7 may be determined by the comparison to the total resource comparison of the generated waste streams (waste heat and discharge water) or the recirculated streams. The indicators selected to be calculated and further presented in Table 10 and Table 11 are generally from both categories, and this option of determination was selected so as to proceed with the circular-economy-related potential based on both benefits achieved through the implementation of closed-loop systems (recirculation promotion and waste reduction). In Table 12, the interpretation of the previously presented results and the effect of these results on circular economy promotion is presented.
Table 12.
Interpretation of results obtained for the circular-economy-related potential promotion.
In conclusion, it is possible to confirm that the performance of the optimal point of stream recirculation achieved for the conceptualised systems (which minimises operational costs the most by respecting all of the operational constraints) effectively makes possible the reduction of waste streams and the promotion of the recirculation of water and energy to the maximum extent possible. Therefore, the same set of practices that have been associated with a potential to promote the eco-efficiency of the production processes (through the balanced reduction of both inputs of resources and outputs of wastes) of the analysed plants also have a similar potential to effectively promote the circular economy character associated with the whole industrial system.
4.2. Assessment of Strategic Aims
In addition to the determination of the aforementioned indicators (which, overall, enforce the sustainability promotion character that has been initially pointed out for the conceptualised systems), it is necessary to associate sustainability-promotion-related benefits to the specific aims of the existing policies. The aforementioned assessment procedure is interpreted as a method to achieve the contextualisation of the results of this work within the social dimension of the concept of sustainability, as, up until this point, the focus has been the economic and environmental aspects. From another perspective, and, in a sense, to finalise the assessment procedure, a framework of the results in relation to the most recent social issues related to energy and water, including the ongoing energy crisis and water scarcity (which was particularly aggravated in the summer of the most recent years of 2022 and 2023), is set to be performed.
4.2.1. Framework of Sustainability Policies Aims
The obtained results for the case studies shall reflect those specific aims so as to allow one to consider that the elaborated project is capable of achieving the strategic objectives delineated within the policies of the country in which the industrial sites are based. With respect to energy use and the promotion of low-carbon energy systems, the RNC2050 has proposed a detailed trajectorial strategy for the industrial sector, in which specific aims for the energy intensity within this end-use sector are proposed for future reference years. These energy intensity levels may be compared to ones determined for the baseline and improved scenarios of the plants. For water efficiency, the PNUEA has proposed a specific efficiency aim to be achieved for the industrial sector for the reference year of 2020 as an improvement of a previously attained objective referring to the year of 2009. The variation between these two levels may thus be compared with the variation obtained for freshwater consumption in the water systems. In Table 13, the energy intensity levels for the plant and the ones proposed in RNC2050 are presented. In Table 14, the water consumption and efficiency levels for the plant and the ones proposed in PNUEA are presented.
Table 13.
Energy intensity levels for the plants and relative to RNC2050-specific objectives.
Table 14.
Water consumption levels for the water system within the plants and relative to RNC2050-specific objectives.
As may be verified in Table 13, the energy intensity levels with respect to the baseline scenario for the plants are significantly inferior to the ones corresponding to the 2020 reference year. This may be attributed to the relativity low representativeness in terms of energy consumption of the ceramic industry in Portugal in relation to the other sectors. Nonetheless, such a comparison is relevant to evaluate the pairing of the objectives of the industrial stakeholders with the aims proposed at a country and sectorial level. As may be observed in Table 13, the reduction of energy intensity at the plant level is considerably inferior to the reduction obtained by comparing the levels for the reference years of 2020 and 2030. Such a prospect reinforces once more the need for the implementation of complementary energy efficiency improvement measures within the plants.
With respect to the levels of freshwater consumption in the plants, the benchmark comparison has been performed through the comparison of the freshwater input in each one of the water systems and the water efficiency target levels for the reference years of 2009 and 2020 mentioned in PNUEA (namely, the ones pointed out for industry in general). In this case, such a comparison is performed by comparing the relative water use reductions obtained for case studies 1 and 2 and the variation between the corresponding water input levels and the water efficiency levels of 77.5% and 85.0%, respectively (similarly to the relationship between useful energy and supplied energy, it is assumed that the useful quantity of water does not vary and that the total input of water is varied). As may be verified according to the analysis of the values presented in Table 14, the relative water reduction levels obtained for each case study are significantly higher than the corresponding value determined from the reference values present in PNUEA. Such a high difference may be attributed to the superior capacity of the WEIS related to stream recirculation, and thus the water- and energy-use-related benefits promoted by the implementation of these systems. In this case, this may be attributed to a significantly higher level of water recirculation within the conceptualised water system in comparison to other projected and existing systems. Such a recirculation of water streams not only allows for the minimal input of hot and cold utilities in the system but also for the total freshwater input to be decreased.
4.2.2. Framework for Studying the Impact of the Energy Crisis and Water Scarcity
With the aim of establishing a connection between the ongoing societal phenomena and the reality of the case studies considered in this work, it is necessary to perform a comparison of the determinate indicators calculated from the obtained results by considering the implications of the aforementioned issues. For the impact of the ongoing energy crisis, an analysis method was selected in which the total cost levels associated with natural gas and electricity for both the baseline and improved scenarios and considering the prices for the reference years of 2021 and 2022 are compared. For the assessment of the impact of water scarcity, a method was selected based on the determination of the water stress, which is calculated according to the ratio between freshwater consumption and water availability (this last is determined through an estimation based on the actual water availability in the region in which the case study plants are installed) [46]. The described analyses are, respectively, presented in the sequence of Table 15 and Table 16.
Table 15.
Determination of energy prices for the reference years of 2021 and 2022 and for the baseline and improved scenarios.
Table 16.
Determination and comparison of water stress levels for the case study plants.
As may be observed through the analysis of the results presented in Table 15, the total energy-related costs obtained for the two reference years presented considerable deviations, which are much more significant in the case of natural gas, for which corresponding unitary price rise from 2021 to 2022 was about 183% for the case of the Portuguese industry. In Table 15, the obtained relative savings are presented to be compared with the relative difference between the 2021 and 2022 baseline scenarios and between the 2022 baseline scenario and the 2021 improved scenario. Based on the obtained relative savings, it is possible to verify that for natural gas, the obtained savings are much lower than the values obtained for the two mentioned relative differences, and this is verified for both case studies. For the case of electricity, such a disparity is not so high, although it is still considerable in case study 2. Taking into account the verified disparities, it may be affirmed that although the implemented energy efficiency improvement measures have been proven to be effective in the context of the overall promotion of eco-efficiency and the circular economy character associated with the production processes of the analysed plants, the obtained energy use reduction levels do not produce sufficient reduction at the level of operational costs to fully compensate for the rising energy prices. Therefore, it may be required to further propose and implement complementary improvement measures at the level of energy use with the aim of approximating the present energy-related costs to the ones that are estimated in the corresponding hypothetical 2021 scenarios. While for electricity this includes the implementation of additional measures related to the use of electricity (such as the ones related to the improvement of the operation of electric motors and involved systems), for natural gas, such approximations include more extensive and complex energy management projects, including the ones that involve the refurbishment of the plant operation to include alternative and potentially more economically viable fuels.
With respect to the assessment of the implications inherent to the water scarcity phenomenon, it is possible to verify through the analysis of the results presented in Table 16 that freshwater consumption within the water system of the plants is significantly higher in comparison to the estimated levels of average water availability for both case studies. In this respect, it may be affirmed that the analysed water systems are operating at a level that significantly surpasses the limit from which they generate local water stress, which may potentially be a cause of further unavailability of freshwater for local communities. Taking into account that the analysed water systems do not encompass all of the water-using units within the analysed plants, the implications of such observations are aggravated (particularly for case study 1, in which the baseline scenario corresponds to a 91.57% water stress). For case study 1, the improved water management achieved in the improved scenario is not even sufficient to alter the operation point from the water stress level, which is maintained at the severe scarcity level. For case study 2, it is possible, however, to generate an alteration from severe scarcity to significant scarcity. In light of these observations, it is possible to affirm that further water management techniques are required to be implemented to further diminish the risk of water stress levels of the analysed systems. Such techniques may include the diversification of feed water sources. Furthermore, it is possible to affirm that in the context of the geographical region in which the plants are installed, the overall use of water as a resource is much more representative.
5. Conclusions
This work presents an assessment of two process industry case studies in which a set of measures to improve the overall water and energy use have been previously implemented. Such joint measures comprise part of plant-level systems that encompass a set of combustion-based and water-using processes and all of the potential interdependencies between these, including through the sharing of to-be-valorised water and heat streams. This category of systems has been designated as Water and Energy Integration Systems (WEIS). As these types of systems have been analysed in previous work by the authors in terms of potential benefit analysis (assisted by the use of simulation and optimisation models) [17,18,47], in this work, the conceptualised systems have been analysed in terms of indicators related to sustainability (eco-efficiency and circular economy character promotion) and strategic aims.
With respect to the calculated eco-efficiency promotion indicators, it is possible to affirm that:
- A considerable eco-efficiency promotion is verified for both case studies by the aggregated analysis of the results obtained for all of the indicators;
- Additional improvement measures are necessary to ensure the case study plants are more proximate to the average levels of the sector (the ceramic industry), including, specifically, for the indicators of specific energy consumption, specific water consumption, and specific equivalent carbon dioxide emissions.
In relation to the calculated circular economy character promotion indicators, it is possible to affirm that:
- The stream recirculation practice encompassed by the conceptualisation of the WEIS has been successful in terms of circular economy character promotion;
- For all cases, the reduction of the system output (waste heat and discharge water) is favoured over the input (energy and freshwater entrances).
In relation to the calculated strategic-aims-related indicators, it is possible to affirm that:
- The conceptual aims encompassed by the relevant sustainability policies (RNC2050 and PNUEA) and the mitigation of the impacts brought about by the most recent social issues (energy crisis and water scarcity) have been addressed;
- Overall, with only the commissioning of the conceptualised WEIS for the specific water and energy use reduction levels, it is not possible to compare these levels to those required by sustainability policies and for the purpose of the full mitigation of the impacts of the aforementioned social issues.
5.1. Findings for Aggregated Indicators
The eco-efficiency and circular-economy-promotion-related potential associated with each case study may be prominently assessed through the analysis of most aggregated indicators. Although the assessment presented in this work is based on the integrated analysis of all defined indicators, these aggregated indicators are representative for the purpose of establishing a basis of comparison to be adopted for further case studies. In light of the obtained results in this work, it is possible to affirm that:
- A 6.46% and 4.00% improvement for the aggregated eco-efficiency indicator has been obtained for case studies 1 and 2, respectively, which is significant in that the economic value associated with the production processes of both plants is highly increased in relation to the decrease in environmental impact caused by the operation of energy- and water-using processes;
- A null water discharge for both case studies and levels of 8.58% and 6.69% of recirculated heat over total energy consumption have been obtained for case studies 1 and 2, respectively, which is proof of the effectiveness of circular economy promotion for both cases with respect to two inherent aspects of this concept, waste and recirculation of material/products, to the highest possible value.
5.2. Limitations of the Current Research and Future Work
The established methodological framework is associated with the following limitations:
- An inability to perform an exact allocation of estimated improvements associated with the social aspect of sustainability (a proposal of several indicators that are certainly improved in the current framework has been performed so as to prove that the social aspect is addressed and the overall sustainability promotion is secured, but it is performed through a direct calculation of each one of the indicators);
- The dependency of the defined strategic aims (related to sustainability policy benchmark values) on the current time period (these aims have been defined in the context of the most recent policies, and, as such, the benchmark values must be updated in future work using the proposed methodology so as to secure the validity of obtained results).
Future work shall be based on:
- Application of the proposed methodology (indicator estimation and related analysis) for similar process industry case studies;
- Direct determination of indicators related to the social aspect of sustainability;
- Assuring that the comparison of strategic-aims-related results is performed based on benchmark values defined in the most recent sustainability policies (so as to ensure that all of the results are compared by taking into account the same basis and the update of these values according to the most recent socio-economic context).
Author Contributions
M.C.O. and H.A.M. performed the determination of results; M.C.O. performed the analysis of results and wrote the paper; H.A.M. revised the paper. All authors have read and agreed to the published version of the manuscript.
Funding
This work was funded through the base funding component of the Center for Technology and Innovation—ISQ, under the terms defined in AAC nº 03/C05-i02/2022, and CERENA, under grant UIDB/04028/2020_UIDP/04028/2020.
Data Availability Statement
Data are contained within the article.
Conflicts of Interest
The authors declare no conflicts of interest.
Correction Statement
This article has been republished with a minor correction to the reference [2]. This change does not affect the scientific content of the article.
Nomenclature
| Capital expenditure (EUR) | |
| Annual equivalent carbon dioxide emissions (kg /year) | |
| Annual discharge water quantity (m3/year) | |
| Discharge Water to Freshwater Ratio | |
| Aggregated eco-efficiency (EUR/kg | |
| Annual final energy consumption in a plant (J/year) | |
| Equivalent carbon dioxide emission factor (kg /J) | |
| Energy carbon footprint (kg /J) | |
| Annual electric energy consumption (J/year) | |
| Annual hot and cold utility consumption in a water system (J/year) | |
| Energy in Water System in the Improved Scenario over the Baseline Scenario | |
| Annual fuel consumption (J/year) | |
| Annual water consumption (m3/year) | |
| Greenhouse gas emissions intensity (kg /kg Prod) | |
| Produced material productivity (EUR/kg Prod) | |
| Unitary price (EUR/m3 and EUR/J) | |
| Annual production of the material targeted to be produced in a plant (kg/year) | |
| Annual absolute reduction of equivalent carbon dioxide emissions (kg /year) | |
| Annual revenue/sales turnover in a plant (kg Prod/year) | |
| Annual total quantity of recirculated heat in a plant (J/year) | |
| Recirculated Heat to Baseline Total Energy Ratio | |
| Recirculated Heat to Baseline Fuel Used in Combustion-Based Processes Ratio | |
| Annual quantity of recirculated treated water (m3/year) | |
| Recirculated to Produced Treated Water Ratio | |
| Recirculated Treated Water to Water Savings | |
| Annual monetary savings (EUR/year) | |
| Specific electric energy consumption (J/kg Prod.) | |
| Specific fuel consumption (J/kg Prod.) | |
| Specific water consumption (m3/kg Prod.) | |
| Annual treated water production (m3/year) | |
| Treated Water to Wastewater Ratio | |
| Annual withdrawn quantity of consumed hot and cold utilities in a water system (J/year) | |
| Withdrawn Energy from Water System in the Improved Scenario over Energy in the Water System in the Baseline Scenario (J/year) | |
| Water energy footprint (J/m3) | |
| Annual total quantity of waste heat and heat losses in a plant (J/year) | |
| Waste Heat to Total Energy Ratio | |
| Waste Heat to Natural Gas Used in Combustion-based Processes Ratio | |
| Annual wastewater production (m3/year) | |
| Subscripts | |
| Baseline case of a plant (a Water and Energy Integration System has yet to be implemented) | |
| Energy source | |
| Combustion-based process | |
| Water | |
| Improved Case (a Water and Energy Integration System has been implemented) | |
| Abbreviations | |
| EU | European Union |
| GHG | Greenhouse gases |
| MED | Multi-effect distillation |
| ORC | Organic Rankine Cycle |
| PNUEA | Programa Nacional para o Uso Eficiente da Água |
| RNC2050 | Portugal Roadmap for Carbon Neutrality |
| TES | Thermal energy storage |
| WEIS | Water and Energy Integration Systems |
References
- Environmental Performance and Information Division Environment Directorate, OECD. The Economic Significance of Natural Resources: Key Points for Reformers in Eastern Europe, Caucasus and Central Asia. Environ. Perform. Inf. Div. Environ. Dir. OECD 2017, 5, 1–8. [Google Scholar]
- Gennitsaris, S.; Castro Oliveira, M.; Vris, G.; Bofilios, A.; Ntinou, T.; Frutuoso, A.R.; Queiroga, C.; Giannatsis, J.; Sofianopoulou, S.; Dedoussis, V. Energy Efficiency Management in Small and Medium-Sized Enterprises: Current Situation, Case Studies and Best Practices. Sustainability 2023, 15, 3727. [Google Scholar] [CrossRef]
- IEA Energy and Water. Exploring the Interdependence of Two Critical Resources; International Energy Agency: Paris, France, 2020. [Google Scholar]
- Onar, O.C.; Khaligh, A. Energy Sources. Altern. Energy Power Electron. 2015, 2015, 81–154. [Google Scholar] [CrossRef]
- Pure Water for the World. Fresh Water: A Precious Natural Resource. 2023. Available online: https://www.purewaterfortheworld.org/2022/09/06/fresh-water-a-precious-natural-resource/ (accessed on 1 November 2023).
- Immerman, G. Production and Process Optimization in Manufacturing. 2021. Available online: https://www.machinemetrics.com/blog/process-optimization-manufacturing (accessed on 1 November 2023).
- Ibrić, N.; Ahmetović, E.; Kravanja, Z. Mathematical Programming Synthesis of Non-Isothermal Water Networks by Using a Compact/Reduced Superstructure and an MINLP Model. Clean Technol. Environ. Policy 2016, 18, 1779–1813. [Google Scholar] [CrossRef]
- Castro Oliveira, M.; Iten, M.; Matos, H.A. Simulation and Assessment of an Integrated Thermal Processes and Organic Rankine Cycle (ORC) System with Modelica. Energy Rep. 2022, 8, 764–770. [Google Scholar] [CrossRef]
- Miró, L.; Gasia, J.; Cabeza, L.F. Thermal Energy Storage (TES) for Industrial Waste Heat (IWH) Recovery: A Review. Appl. Energy 2016, 179, 284–301. [Google Scholar] [CrossRef]
- Royo, P.; Acevedo, L.; Ferreira, V.J.; García-Armingol, T.; López-Sabirón, A.M.; Ferreira, G. High-Temperature PCM-Based Thermal Energy Storage for Industrial Furnaces Installed in Energy-Intensive Industries. Energy 2019, 173, 1030–1040. [Google Scholar] [CrossRef]
- Nyamsi, S.N.; Tolj, I.; Lototskyy, M. Metal Hydride Beds-Phase Change Materials: Dual Mode Thermal Energy Storage for Medium-High Temperature Industrialwaste Heat Recovery. Energies 2019, 12, 3949. [Google Scholar] [CrossRef]
- Chan, M.H.E.; Chu, K.K.; Chow, H.F.; Tsang, C.W.; Ho, C.K.D.; Ho, S.K. Improving the Energy Efficiency of Petrochemical Plant Operations: A Measurement and Verification Case Study Using a Balanced Wave Optimizer. Energies 2019, 12, 4136. [Google Scholar] [CrossRef]
- Gherghel, A.; Teodosiu, C.; De Gisi, S. A Review on Wastewater Sludge Valorisation and Its Challenges in the Context of Circular Economy. J. Clean. Prod. 2019, 228, 244–263. [Google Scholar] [CrossRef]
- Yukesh Kannah, R.; Kavitha, S.; Preethi; Parthiba Karthikeyan, O.; Kumar, G.; Dai-Viet, N.V.; Rajesh Banu, J. Techno-Economic Assessment of Various Hydrogen Production Methods—A Review. Bioresour. Technol. 2021, 319, 124175. [Google Scholar] [CrossRef] [PubMed]
- Bauer, D. The Water-Energy Nexus: Challenges and Opportunities; U.S. Department Energy: Washington, DC, USA, 2014; p. vii. [Google Scholar]
- Naveed, U.; Mohammad Rozali, N.E.; Mahadzir, S. Energy–Water–Carbon Nexus Study for the Optimal Design of Integrated Energy–Water Systems Considering Process Losses. Energies 2022, 15, 8605. [Google Scholar] [CrossRef]
- Castro Oliveira, M.; Iten, M.; Matos, H.A. Review on Water and Energy Integration in Process Industry: Water-Heat Nexus. Sustainability 2022, 14, 7954. [Google Scholar] [CrossRef]
- Castro Oliveira, M.; Iten, M.; Matos, H.A. Simultaneous Optimisation of Energy Recovery and Water Recirculation in a Ceramic Plant. Comput. Aided Chem. Eng. 2023, 52, 2785–2790. [Google Scholar] [CrossRef]
- Rees, B.; Cessford, F.; Connelly, R.; Cowan, J.; Bowell, R.; Weatherhead, E.K.; Knox, J.W.; Twite, C.L.; Morris, J. Optimum Use of Water for Industry and Agriculture: Phase 3—Best Practice Manual; R&D Technical Report W6-056/TR2; Environment Agency, Bristol: Bristol, UK, 2003. [Google Scholar]
- Soldati, R.; Zanelli, C.; Cavani, G.; Battaglioli, L.; Guarini, G.; Dondi, M. Improving the Sustainability of Ceramic Tile-Making by Mixing Spray-Dried and Dry-Granulated Powders. Bol. Soc. Esp. Ceram. Vidr. 2021, 61, 325–335. [Google Scholar] [CrossRef]
- Guma, M.; Von Blottnitz, H.; Broadhurst, J.L. A Systems Approach for the Application of Eco-Efficiency Indicators for Process Design in the Minerals Industry. Sustain. Dev. 2009, 301–312. Available online: https://www.researchgate.net/publication/281715273_A_systems_approach_for_the_application_of_eco-efficiency_indicators_for_process_design_in_the_minerals_industry (accessed on 1 November 2023).
- De Pascale, A.; Arbolino, R.; Szopik-Depczyńska, K.; Limosani, M.; Ioppolo, G. A Systematic Review for Measuring Circular Economy: The 61 Indicators. J. Clean. Prod. 2021, 281, 124942. [Google Scholar] [CrossRef]
- Monfort, E.; Mezquita, A.; Granel, R.; Vaquer, E.; Escrig, A.; Miralles, A.; Zaera, V. Analysis of Energy Consumption and Carbon Dioxide Emissions in Ceramic Tile Manufacture. Boletín Soc. Española Cerámica Vidr. 2010, 49, 303–310. [Google Scholar]
- Schaible, C. GHG Emissions/Decarbonisation from Ceramics Manufacturing. 2019. Available online: https://eipie.eu/wp-content/uploads/2021/07/EEB-input-GHG-emissions-CER-BREF-review-Initial-positionEEB.pdf (accessed on 1 November 2023).
- New Delhi Bureau of Energy Efficiency. Detailed Project Report on Waste Heat Recovery in Roller Kiln; New Delhi Bureau of Energy Efficiency: New Delhi, India, 2010. [Google Scholar]
- Salah, I.B.; Jemaï, M.B.M.; Saad, A.B.; Mezza, S. Assessment of the Energy Conversion on the Thermal Balance and Atmospheric Emissions in Ceramic Tile Product Industry in Tunisia: A Case Study. Atmos. Clim. Sci. 2020, 10, 421–442. [Google Scholar] [CrossRef]
- Hu, H.; Kavan, P. Energy Consumption and Carbon Dioxide Emissions of China’s Non-Metallic Mineral Products Industry: Present State, Prospects and Policy Analysis. Sustainability 2014, 6, 8012–8028. [Google Scholar] [CrossRef]
- Chinese, D.; Santin, M.; De Angelis, A.; Saro, O.; Biberacher, M. What to Do with Industrial Waste Heat Considering a Water-Energy Nexus Perspective. ECEEE Ind. Summer Study Proc. 2018, 2018, 217–229. [Google Scholar]
- The Energy Concervation Center (ECC). Output of a Seminar on Energy Conservation in Ceramic Industry. Available online: https://cdi.mecon.gob.ar/bases/docelec/dp3836.pdf (accessed on 1 November 2023).
- Rahimi, B.; Chua, H.T. Low Grade Heat Driven Multi-Effect Distillation and Desalination. In Low Grade Heat Driven Multi-Effect Distillation and Desalination; Elsevier: Amsterdam, The Netherlands, 2017; pp. 1–194. [Google Scholar]
- Datsgerdi, H.R.; Chua, H.T. Thermo-Economic Analysis of Low-Grade Heat Driven Multi-Effect Distillation Based Desalination Processes. Desalination 2018, 448, 36–48. [Google Scholar] [CrossRef]
- Mekonnen, M.M.; Gerbens-Leenes, P.W.; Hoekstra, A.Y. The Consumptive Water Footprint of Electricity and Heat: A Global Assessment. Environ. Sci. Water Res. Technol. 2015, 1, 285–297. [Google Scholar] [CrossRef]
- Portuguese Government Roadmap for Carbon Neutrality 2050 (RNC2050). Rep. R 262/2019. 2019. Available online: https://unfccc.int/sites/default/files/resource/RNC2050_EN_PT%20Long%20Term%20Strategy.pdf (accessed on 1 November 2023).
- APA. Programa Nacional Para o Uso Eficiente Da Água (PNUEA); Portuguese Environment Agency: Amadora, Portugal, 2016. [Google Scholar]
- Allam, Z.; Bibri, S.E.; Sharpe, S.A. The Rising Impacts of the COVID-19 Pandemic and the Russia–Ukraine War: Energy Transition, Climate Justice, Global Inequality, and Supply Chain Disruption. Resources 2022, 11, 99. [Google Scholar] [CrossRef]
- Keating, D. Opinion: Europe’s Energy Crisis Is Not over. Energy Monit. 2023. Available online: https://www.energymonitor.ai/opinion/opinion-europes-energy-crisis-is-not-over/?cf-view (accessed on 1 November 2023).
- Weise, Z.; Zimmermann, A. Europe’s next Crisis: Water. Politico 2023. Available online: https://www.politico.eu/article/europe-next-crisis-water-drought-climate-change/ (accessed on 1 November 2023).
- Corvellec, H.; Stowell, A.F.; Johansson, N. Critiques of the Circular Economy. J. Ind. Ecol. 2022, 26, 421–432. [Google Scholar] [CrossRef]
- Tello, P.; Weerdmeester, R. Spire Roadmap. 2013, 106. Available online: https://www.aspire2050.eu/sites/default/files/pressoffice/spire-roadmap.pdf (accessed on 1 November 2023).
- Brückner, S.; Liu, S.; Miró, L.; Radspieler, M.; Cabeza, L.F.; Lävemann, E. Industrial Waste Heat Recovery Technologies: An Economic Analysis of Heat Transformation Technologies. Appl. Energy 2015, 151, 157–167. [Google Scholar] [CrossRef]
- Castro Oliveira, M.; Iten, M.; Matos, H.A. Assessment of Energy Efficiency Improvement in Ceramic Industry through Waste Heat Recovery Modelling. Comput. Aided Chem. Eng. 2021, 50, 1653–1658. [Google Scholar] [CrossRef]
- Castro Oliveira, M.; Coelho, P.; Iten, M.; Matos, H.A. Modelling of Heat-Driven Water Treatment Systems: Multi-Effect Distillation (MED) Model in Modelica. Comput. Aided Chem. Eng. 2022, 51, 397–402. [Google Scholar] [CrossRef]
- Mezquita, A.; Monfort, E.; Vaquer, E.; Ferrer, S.; Pitarch, J.M.; Arnal, M.A.; Cobo, F. Reduction of CO2-Emissions in Ceramic Tiles Manufacture by Combining Energy-Saving Measures. CFI Ceram. Forum Int. 2014, 91. Available online: https://repositori.uji.es/xmlui/handle/10234/128125 (accessed on 1 November 2023).
- Soliman, F.; Osama, A. Benchmarking Report of the Ceramics Sector; United Nations Industrial Development Organization: Vienna, Austria, 2016; Available online: https://ieeegypt.org/wp-content/uploads/2017/01/BM-Report-Ceramics.pdf (accessed on 1 November 2023).
- Mezquita, A.; Monfort, E.; Ferrer, S.; Gabaldón-Estevan, D. How to Reduce Energy and Water Consumption in the Preparation of Raw Materials for Ceramic Tile Manufacturing: Dry versus Wet Route. J. Clean. Prod. 2017, 168, 1566–1570. [Google Scholar] [CrossRef]
- Vanham, D.; Hoekstra, A.Y.; Wada, Y.; Bouraoui, F.; de Roo, A.; Mekonnen, M.M.; van de Bund, W.J.; Batelaan, O.; Pavelic, P.; Bastiaanssen, W.G.M.; et al. Physical Water Scarcity Metrics for Monitoring Progress towards SDG Target 6.4: An Evaluation of Indicator 6.4.2 “Level of Water Stress”. Sci. Total Environ. 2018, 613–614, 218–232. [Google Scholar] [CrossRef]
- Castro Oliveira, M.; Iten, M.; Matos, H.A. Review of Thermochemical Technologies for Water and Energy Integration Systems: Energy Storage and Recovery. Sustainability 2022, 14, 7506. [Google Scholar] [CrossRef]
Disclaimer/Publisher’s Note: The statements, opinions and data contained in all publications are solely those of the individual author(s) and contributor(s) and not of MDPI and/or the editor(s). MDPI and/or the editor(s) disclaim responsibility for any injury to people or property resulting from any ideas, methods, instructions or products referred to in the content. |
© 2023 by the authors. Licensee MDPI, Basel, Switzerland. This article is an open access article distributed under the terms and conditions of the Creative Commons Attribution (CC BY) license (https://creativecommons.org/licenses/by/4.0/).










