Review on Non-Isolated Multiport Converters for Residential DC Microgrids
Abstract
:1. Introduction
2. General Characteristics of UP and BP-NI-MPCs
- SISO I: The RES is supplying power to the load, working at Maximum Power Point (MPP). In this mode the ESS remains idle or is disconnected. In the first case, the power provided by the RES is supplying the load adequately and the energy stored in the ESS is not required. In the second case, operation of the system administrator or a fault caused the ESS to be disconnected or destroyed.
- Double-Input Single-Output (DISO): The RES cannot serve the load entirely due to reduced sun irradiance, partial shading, or increased load demand. Therefore, the ESS discharges for the converter to meet the load requirements.
- SISO II: The RES is not producing energy and the load is supplied entirely by the ESS. The RES may be missing, malfunctioning, or operating under extreme shading conditions.
- Single-Input Double-Output (SIDO): The RES produces a surplus of energy that enables ESS charging besides supporting load demand.
- SISO III: The excess power from other components of the DC-MG can be used for ESS charging, given that there is a bidirectional power path between ESS and DC-MG ports.
- High component sharing among the different power paths, leading to increased power density.
- A bidirectional power flow port for the integration of the ESS, allowing its charging and discharging. Ideally, the output port should be bidirectional as well, so that the ESS can be charged from both the RES and the DC-MG bus.
- Soft switching of as many of their semiconductors as possible, for minimization of switching losses and increased efficiency.
- Low voltage stress on semiconductors, facilitating the selection of components with lower conduction resistance.
- Continuous input currents for RES and ESS, reducing required filtering. High current ripple at the RES input current greatly affects MPP tracking and may lead to reduced power generation [16]. Additionally, even though the lifetime of ESSs (usually batteries) are dependent on many parameters, high current ripple may enhance aging [17].
- Reduced component count and, thus, reduced cost, weight, and volume.
- Increased port number, if possible, for higher integration and power levels. Additionally, that will increase system reliability by integrating different RES and ESS types.
3. Voltage Boosting and Switching Losses Reduction of NI-MPCs
4. UP-NI-MPCs
4.1. Converters Derived from Basic Cells
4.2. Converters Derived from Traditional SISO Converters
4.3. Converters Derived from High Gain SISO Converters
4.4. Converters Derived Using Programmable and Graph Theory Methods
4.5. Converters Derived from Other TPCs
4.6. Comparative Study and Conclusions on UP-NI-MPCs
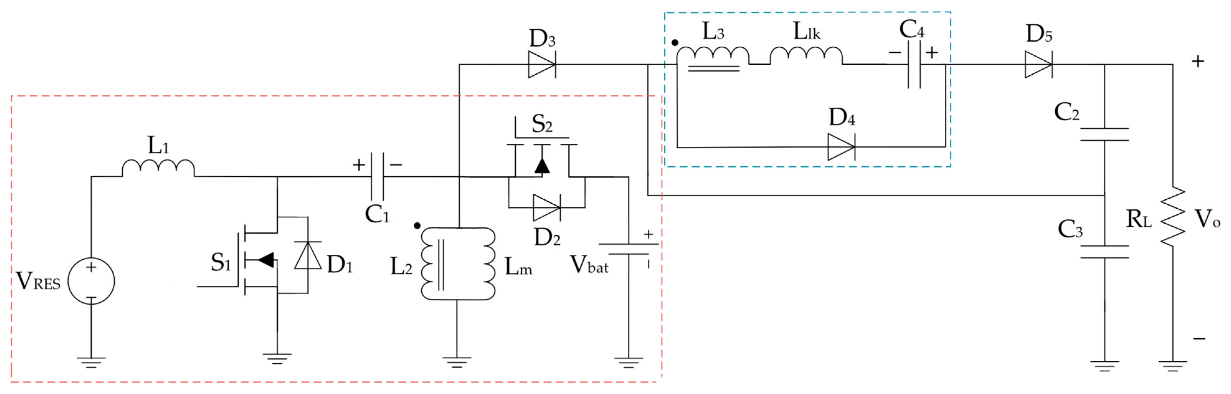
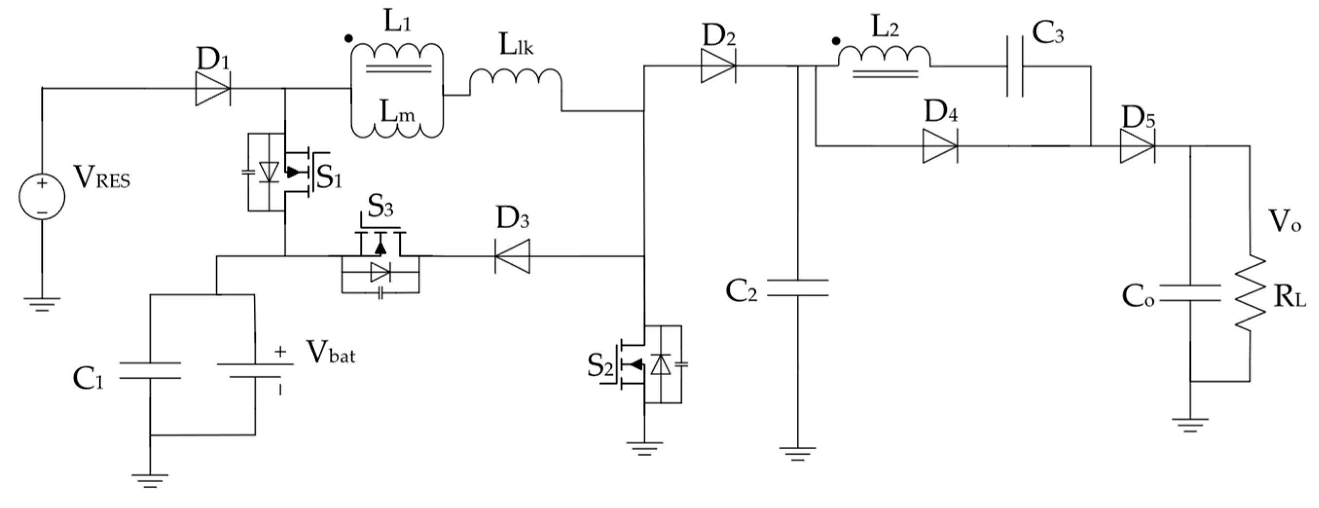
5. BP-NI-MPCs
5.1. UP-NI-MPCs Used in BP-DC-MGs
5.2. ΒP-NI-MPCs Suggested in the Literature
5.3. Comparative Study of ΒP-NI-MPCs
6. Conclusions
Author Contributions
Funding
Data Availability Statement
Acknowledgments
Conflicts of Interest
Abbreviations
| RES | Renewable Energy Source |
| ESS | Energy Storage System |
| DC-MGs | DC Microgrid |
| DPG | Distributed Power Generation |
| SISO | Single-Input Single-Output |
| MIMO | Multiple-Input Multiple-Output |
| MPCs | Multiport Converters |
| NI | Non-Isolated |
| PI | Partially Isolated |
| I | Isolated |
| UP | Unipolar |
| BP | Bipolar |
| TPCs | Three-Port Converters |
| MPP | Maximum Power Point |
| DISO | Double-Input Single-Output |
| SIDO | Single-Output Double-Output |
| VBMs | Voltage Boosting Methods |
| VMCs | Voltage Multiplier Cells |
| CCM | Continuous Conduction Mode |
| DCM | Discontinuous Conduction Mode |
| CIs | Coupled Inductors |
References
- Haque, M.M.; Wolfs, P.J.; Alahakoon, S.; Islam, M.A.; Nadarajah, M.; Zare, F.; Farrok, O. Three-Port Converters for Energy Conversion of PV-BES Integrated Systems—A Review. IEEE Access 2023, 11, 6551–6573. [Google Scholar] [CrossRef]
- Bhattacharjee, A.K.; Kutkut, N.; Batarseh, I. Review of Multiport Converters for Solar and Energy Storage Integration. IEEE Trans. Power Electron. 2019, 34, 1431–1445. [Google Scholar] [CrossRef]
- Gonzalez-Longatt, F.; Sanchez, F.; Singh, S.N. Chapter 19—On the Topology for a Smart Direct Current Microgrid for a Cluster of Zero-Net Energy Buildings. In Distributed Energy Resources in Microgrids; Chauhan, R.K., Chauhan, K., Eds.; Academic Press: Cambridge, MA, USA, 2019; pp. 455–481. ISBN 978-0-12-817774-7. [Google Scholar]
- Dragičević, T.; Lu, X.; Vasquez, J.C.; Guerrero, J.M. DC Microgrids—Part II: A Review of Power Architectures, Applications, and Standardization Issues. IEEE Trans. Power Electron. 2016, 31, 3528–3549. [Google Scholar] [CrossRef]
- Wang, Z.; Luo, Q.; Wei, Y.; Mou, D.; Lu, X.; Sun, P. Topology Analysis and Review of Three-Port DC–DC Converters. IEEE Trans. Power Electron. 2020, 35, 11783–11800. [Google Scholar] [CrossRef]
- Savrun, M.M.; Atay, A. Multiport Bidirectional DC–DC Converter for PV Powered Electric Vehicle Equipped with Battery and Supercapacitor. IET Power Electron. 2020, 13, 3931–3939. [Google Scholar] [CrossRef]
- Tao, H.; Kotsopoulos, A.; Duarte, J.L.; Hendrix, M.A.M. Transformer-Coupled Multiport ZVS Bidirectional DC–DC Converter with Wide Input Range. IEEE Trans. Power Electron. 2008, 23, 771–781. [Google Scholar] [CrossRef]
- Vettuparambil, A.; Chatterjee, K.; Fernandes, B.G. A Multiport Converter Interfacing Solar Photovoltaic Modules and Energy Storage with DC Microgrid. IEEE Trans. Ind. Electron. 2021, 68, 3113–3123. [Google Scholar] [CrossRef]
- Kakigano, H.; Miura, Y.; Ise, T. Low-Voltage Bipolar-Type DC Microgrid for Super High Quality Distribution. IEEE Trans. Power Electron. 2010, 25, 3066–3075. [Google Scholar] [CrossRef]
- Rivera, S.; Lizana, F.R.; Kouro, S.; Dragičević, T.; Wu, B. Bipolar DC Power Conversion: State-of-the-Art and Emerging Technologies. IEEE J. Emerg. Sel. Top. Power Electron. 2021, 9, 1192–1204. [Google Scholar] [CrossRef]
- Gevorkov, L.; Domínguez-García, J.L.; Romero, L.T.; Martínez, À.F. Modern MultiPort Converter Technologies: A Systematic Review. Appl. Sci. 2023, 13, 2579. [Google Scholar] [CrossRef]
- Narayanaswamy, J.; Mandava, S. Non-Isolated Multiport Converter for Renewable Energy Sources: A Comprehensive Review. Energies 2023, 16, 1834. [Google Scholar] [CrossRef]
- Lu, D.; Aljarajreh, H. Non-Isolated Multiport DC/DC Converters: Applications, Challenges, and Solutions. In Proceedings of the 2022 IEEE 9th International Conference on Power Electronics Systems and Applications (PESA), Hong Kong, China, 20–22 September 2022; pp. 1–5. [Google Scholar]
- Fotopoulou, M.; Rakopoulos, D.; Trigkas, D.; Stergiopoulos, F.; Blanas, O.; Voutetakis, S. State of the Art of Low and Medium Voltage Direct Current (DC) Microgrids. Energies 2021, 14, 5595. [Google Scholar] [CrossRef]
- Pires, V.F.; Cordeiro, A.; Roncero-Clemente, C.; Rivera, S.; Dragičević, T. DC–DC Converters for Bipolar Microgrid Voltage Balancing: A Comprehensive Review of Architectures and Topologies. IEEE J. Emerg. Sel. Top. Power Electron. 2023, 11, 981–998. [Google Scholar] [CrossRef]
- Bharadwaj, P.; John, V. Direct Duty Ratio Controlled MPPT Algorithm for Boost Converter in Continuous and Discontinuous Modes of Operation. In Proceedings of the 2014 IEEE 6th India International Conference on Power Electronics (IICPE), Kurukshetra, India, 8–10 December 2014; pp. 1–6. [Google Scholar]
- Goldammer, E.; Gentejohann, M.; Schlüter, M.; Weber, D.; Wondrak, W.; Dieckerhoff, S.; Gühmann, C.; Kowal, J. The Impact of an Overlaid Ripple Current on Battery Aging: The Development of the SiCWell Dataset. Batteries 2022, 8, 11. [Google Scholar] [CrossRef]
- Qian, Z.; Abdel-Rahman, O.; Al-Atrash, H.; Batarseh, I. Modeling and Control of Three-Port DC/DC Converter Interface for Satellite Applications. IEEE Trans. Power Electron. 2010, 25, 637–649. [Google Scholar] [CrossRef]
- Al-Ismail, F.S. DC Microgrid Planning, Operation, and Control: A Comprehensive Review. IEEE Access 2021, 9, 36154–36172. [Google Scholar] [CrossRef]
- Amanor-Boadu, J.M.; Guiseppi-Elie, A.; Sánchez-Sinencio, E. The Impact of Pulse Charging Parameters on the Life Cycle of Lithium-Ion Polymer Batteries. Energies 2018, 11, 2162. [Google Scholar] [CrossRef]
- Forouzesh, M.; Siwakoti, Y.P.; Gorji, S.A.; Blaabjerg, F.; Lehman, B. Step-Up DC–DC Converters: A Comprehensive Review of Voltage-Boosting Techniques, Topologies, and Applications. IEEE Trans. Power Electron. 2017, 32, 9143–9178. [Google Scholar] [CrossRef]
- Amiri, E.; Khorasani, R.R.; Adib, E.; Khoshkbar-Sadigh, A. Multi-Input High Step-Up DC–DC Converter with Independent Control of Voltage and Power for Hybrid Renewable Energy Systems. IEEE Trans. Ind. Electron. 2021, 68, 12079–12087. [Google Scholar] [CrossRef]
- Rostami, S.; Abbasi, V.; Talebi, N. Ultrahigh Step-Up Multiport DC–DC Converter with Common Grounded Input Ports and Continuous Input Current. IEEE Trans. Ind. Electron. 2022, 69, 12859–12873. [Google Scholar] [CrossRef]
- Farakhor, A.; Abapour, M.; Sabahi, M. Design, Analysis and Implementation of a Multiport DC-DC Converter for Renewable Energy Applications. IET Power Electron. 2019, 12, 465–475. [Google Scholar] [CrossRef]
- Shayeghi, H.; Pourjafar, S.; Hashemzadeh, S.M. A Switching Capacitor Based Multi-Port Bidirectional DC–DC Converter. IET Power Electron. 2021, 14, 1622–1636. [Google Scholar] [CrossRef]
- Varesi, K.; Hossein Hosseini, S.; Sabahi, M.; Babaei, E.; Saeidabadi, S.; Vosoughi, N. Design and Analysis of a Developed Multiport High Step-Up DC–DC Converter with Reduced Device Count and Normalized Peak Inverse Voltage on the Switches/Diodes. IEEE Trans. Power Electron. 2019, 34, 5464–5475. [Google Scholar] [CrossRef]
- Taheri, S.M.; Baghramian, A.; Pourseyedi, S.A. A Novel High Step-Up SEPIC-Based Non-Isolated Three-Port DC-DC Converter Proper for Renewable Energy Applications. IEEE Trans. Ind. Electron. 2022, 70, 10114–10122. [Google Scholar] [CrossRef]
- Cheraghi, R.; Adib, E.; Golsorkhi, M.S. A Nonisolated High Step-Up Three-Port Soft-Switched Converter with Minimum Switches. IEEE Trans. Ind. Electron. 2021, 68, 9358–9365. [Google Scholar] [CrossRef]
- Moradisizkoohi, H.; Elsayad, N.; Shojaie, M.; Mohammed, O.A. Pwm plus Phase-Shift-Modulated Three-Port Three-Level Soft-Switching Converter Using Gan Switches for Photovoltaic Applications. IEEE J. Emerg. Sel. Top. Power Electron. 2019, 7, 636–652. [Google Scholar] [CrossRef]
- Qin, L.; Qian, T.; Soon, J.L.; Hassan, W.; Tian, M.; Zhou, L.; Ren, L. Transformerless High-Gain Three-Port Converter with Low Voltage Stress and Reduced Switches for Standalone PV Systems. IEEE Trans. Power Electron. 2022, 37, 13468–13483. [Google Scholar] [CrossRef]
- Zhou, G.; Tian, Q.; Wang, L. Soft-Switching High Gain Three-Port Converter Based on Coupled Inductor for Renewable Energy System Applications. IEEE Trans. Ind. Electron. 2022, 69, 1521–1536. [Google Scholar] [CrossRef]
- Gao, M.; Wang, S.; Yu, W.; Liu, T.; Shi, J. Analysis of a Coupled Inductor Boost Three-Port Converter with High Voltage Gain for Renewable Energy Systems. J. Power Electron. 2022, 22, 2100–2121. [Google Scholar] [CrossRef]
- Luo, P.; Guo, L.; Xu, J.; Li, X. Analysis and Design of a New Non-Isolated Three-Port Converter with High Voltage Gain for Renewable Energy Applications. IEEE Access 2021, 9, 115909–115921. [Google Scholar] [CrossRef]
- Chien, L.-J.; Chen, C.-C.; Chen, J.-F.; Hsieh, Y.-P. Novel Three-Port Converter with High-Voltage Gain. IEEE Trans. Power Electron. 2014, 29, 4693–4703. [Google Scholar] [CrossRef]
- Chen, Y.-M.; Huang, A.Q.; Yu, X. A High Step-Up Three-Port DC–DC Converter for Stand-Alone PV/Battery Power Systems. IEEE Trans. Power Electron. 2013, 28, 5049–5062. [Google Scholar] [CrossRef]
- Wu, H.; Sun, K.; Ding, S.; Xing, Y. Topology Derivation of Nonisolated Three-Port DC–DC Converters from DIC and DOC. IEEE Trans. Power Electron. 2013, 28, 3297–3307. [Google Scholar] [CrossRef]
- Chen, G.; Jin, Z.; Deng, Y.; He, X.; Qing, X. Principle and Topology Synthesis of Integrated Single-Input Dual-Output and Dual-Input Single-Output DC–DC Converters. IEEE Trans. Ind. Electron. 2018, 65, 3815–3825. [Google Scholar] [CrossRef]
- Mo, L.; Huang, J.; Chen, G.; Qing, X.; Hu, Y. Computer-Aided Systematic Topology Derivation of Single-Inductor Multi-Input Multi-Output Converters from Working Principle. IEEE Trans. Circuits Syst. I Regul. Pap. 2022, 69, 2637–2649. [Google Scholar] [CrossRef]
- Mo, L.; Chen, G.; Huang, J.; Qing, X.; Hu, Y.; He, X. Graph Theory-Based Programmable Topology Derivation of Multiport DC–DC Converters with Reduced Switches. IEEE Trans. Ind. Electron. 2022, 69, 5745–5755. [Google Scholar] [CrossRef]
- Chen, G.; Jin, Z.; Liu, Y.; Hu, Y.; Zhang, J.; Qing, X. Programmable Topology Derivation and Analysis of Integrated Three-Port DC–DC Converters with Reduced Switches for Low-Cost Applications. IEEE Trans. Ind. Electron. 2019, 66, 6649–6660. [Google Scholar] [CrossRef]
- Aljarajreh, H.; Lu, D.D.-C.; Siwakoti, Y.P.; Tse, C.K.; See, K.W. Synthesis and Analysis of Three-Port DC/DC Converters with Two Bidirectional Ports Based on Power Flow Graph Technique. Energies 2021, 14, 5751. [Google Scholar] [CrossRef]
- Surulivel, N.; Debnath, D.; Chakraborty, C. A Novel Single Coupled-Inductor Boost TPC With Two Inductively Interfaced Ports Suitable for Renewable Energy Integration. IEEE Trans. Ind. Electron. 2023, 70, 4705–4715. [Google Scholar] [CrossRef]
- Zaoskoufis, K.; Tatakis, E.C. An Improved Boost-Based Dc/Dc Converter with High-Voltage Step-Up Ratio for DC Microgrids. IEEE J. Emerg. Sel. Top. Power Electron. 2021, 9, 1837–1853. [Google Scholar] [CrossRef]
- Hong, Y.-Y.; Pula, R.A. Methods of Photovoltaic Fault Detection and Classification: A Review. Energy Rep. 2022, 8, 5898–5929. [Google Scholar] [CrossRef]
- Vettuparambil, A.; Chatterjee, K.; Fernandes, B.G. A Modular Multiport Converter to Integrate Multiple Solar Photo-Voltaic (PV) Modules with a Battery Storage System and a DC Microgrid. IEEE Trans. Ind. Electron. 2022, 69, 4869–4878. [Google Scholar] [CrossRef]
- Hayes, B.; Condon, M.; Giaouris, D. Application of the Filippov Method to PV-fed DC-DC Converters Modeled as hybrid-DAEs. Eng. Rep. 2020, 2, e12237. [Google Scholar] [CrossRef]
- Markkassery, S.; Mahindrakar, A.D.; Lakshminarasamma, N.; Pasumarthy, R. Modelling of Non-Isolated Single-Input-Multi-Output DC-DC Converter. In Proceedings of the 2018 IEEE International Conference on Power Electronics, Drives and Energy Systems (PEDES), Chennai, India, 18–21 December 2018; pp. 1–6. [Google Scholar]
- Mariscotti, A. Power Quality Phenomena, Standards, and Proposed Metrics for DC Grids. Energies 2021, 14, 6453. [Google Scholar] [CrossRef]
- Pires, V.F.; Cordeiro, A.; Foito, D.; Silva, J.F.A. Dual Output and High Voltage Gain DC-DC Converter for PV and Fuel Cell Generators Connected to DC Bipolar Microgrids. IEEE Access 2021, 9, 157124–157133. [Google Scholar] [CrossRef]
- Mohammadi Tanha, K.; Abbasi, V.; Mohammadi, K. Multi-Application Multi-Port DC–DC Converter Consisting Six Ports with Four Main Operation Modes. IET Power Electron. 2022, 15, 1016–1033. [Google Scholar] [CrossRef]
- Prajof, P.; Agarwal, V. Novel Solar PV-Fuel Cell Fed Dual-Input-Dual-Output Dc-Dc Converter for Dc Microgrid Applications. In Proceedings of the 2015 IEEE 42nd Photovoltaic Specialist Conference (PVSC), New Orleans, LA, USA, 14–19 June 2015; pp. 1–6. [Google Scholar]
- Ninma Jiya, I.; Van Khang, H.; Kishor, N.; Ciric, R.M. Novel Family of High-Gain Nonisolated Multiport Converters with Bipolar Symmetric Outputs for DC Microgrids. IEEE Trans. Power Electron. 2022, 37, 12151–12166. [Google Scholar] [CrossRef]
- Prabhakaran, P.; Agarwal, V. Novel Four-Port DC–DC Converter for Interfacing Solar PV–Fuel Cell Hybrid Sources with Low-Voltage Bipolar DC Microgrids. IEEE J. Emerg. Sel. Top. Power Electron. 2020, 8, 1330–1340. [Google Scholar] [CrossRef]
- Tian, Q.; Zhou, G.; Leng, M.; Xu, G.; Fan, X. A Nonisolated Symmetric Bipolar Output Four-Port Converter Interfacing PV-Battery System. IEEE Trans. Power Electron. 2020, 35, 11731–11744. [Google Scholar] [CrossRef]












| Converter | RES (V) | ESS (V) | Bidirectional | P#3 * (V) | Bus (V) | Switches | Diodes | Capacitors | Inductors | Coupled Inductors | ** (kHz) | Driving Method | Soft-Switching | Efficiency @ max Load (%) *** | **** (W) | Ideal Gain in CCM ***** | Discontinuous |
|---|---|---|---|---|---|---|---|---|---|---|---|---|---|---|---|---|---|
| [36] | 35 | 70 | Y | - | 100 | 3 | 3 | 1 | 1 | 1(3) | 100 | PWM | N | 96.4, 97.2, 98 | 500 | Y | |
| [22] | 35 | R24 | N | - | 500 | 2 | 3 | 6 | 2 | 1 | 100 | PWM | Y | -, 95.9, - | 300 | N | |
| [23] | 20 | 24 | Y | 20 | 400 | 4 | 5 | 7 | 4 | - | 50 | PWM | N | 92.1, 93.2. 90.1 | 250 | Y | |
| [24] | 45-55 | 24 | Y | - | 200 | 3 | 4 | 4 | 2 | - | 50 | PWM | N | -, 92, - | 300 | N | |
| [25] | 20 | 12 | Y | - | 90 | 3 | - | 6 | 2 | - | 50 | PWM | N | -, 94.2, - | 120 | N | |
| [26] | 10 | 15 | Y | - | 293 | 6 | 2 | 5 | 4 | - | 40 | PWM | N | -, 86, - | 350 | N | |
| [27] | 22 | 24 | Y | - | 250 | 3 | 5 | 6 | 1 | 1 | 50 | PWM | N | 93.3, 91.7, 92.6 | 100 | Y | |
| [28] | 24 | 36 | Y | - | 380 | 2 | 3 | 6 | 1 | 1 | 30 | PWM | Y- | 94.1, 95.2, - | 200 | R Y E N | |
| [29] | 100-200 | 50-100 | Y | - | 400 | 4 | 1 | 5 | 2 | - | 100 | PWM+ PS | Υ | -, 97.3, - | 1000 | Y | |
| [30] | 160 | 48 | Y | - | 300 | 2 | 2 | 4 | 2 | - | 56-168 | PWM+ PFM | Y- | 96.1, 97.7, 97.6 | 300 | R Y E N | |
| [31] | 30 | 48 | Y | - | 400 | 4 | 2 | 5 | - | 1 | 100 | PWM | Y | 93.4, 93.7, 95.7 | 200 | Y | |
| [32] | 18 | 24 | Y | - | 180 | 3 | 4 | 4 | - | 1 | 50 | PWM | Y | 95.2, 95.1, 93.1 | 200 | Y | |
| [33] | 24 | 48 | Y | - | 400 | 3 | 5 | 5 | - | 1 | 50 | PWM | N | 93.4, 95.8, 92.4 | 200 | Y | |
| [34] | 24 | 45 | Y | - | 400 | 3 | 5 | 6 | 1 | 1 | 50 | PWM | N | 95.9, 93.6, 93.9 | 300 | N | |
| [35] | 52 | 48 | Y | - | 380 | 5 | 0 | 5 | 2 | 2 | 50 | PWM | Υ | 90.1 @ 0.1 W | 200 | - | Y |
| Converter | P#1 * (V) | P#2 * (V) | Bidirectional Port | Bus (V) | Switches | Diodes | Capacitors | Inductors | ** (kHz) | Efficiency @ max Load (%) | *** (kW) |
|---|---|---|---|---|---|---|---|---|---|---|---|
| [49] | 60 | - | N | ±200 | 1 | 4 | 6 | 2 | 20 | - | 0.28 |
| [50] | 30 | 20 | Y | ±180 | 4 | 6 | 6 | 3 | 40 | 94.5 | 0.12 |
| [51] | 30 | 70 | N | ±24 | 2 | 4 | 4 | 1 | 30 | - | 0.5 |
| [52] | 100 | 100 | N | ±100 | 3 | 8 | 6 | 2 | 50 | 95 | 2 |
| [53] | 30 | 60 | N | ±24 | 2 | 4 | 4 | 1 | 30 | 86.5 | 0.2 |
| [54] | 35 | 36 | Y | ±24 | 3 | 3 | 6 | 3 | 100 | 94.2 | 0.1 |
Disclaimer/Publisher’s Note: The statements, opinions and data contained in all publications are solely those of the individual author(s) and contributor(s) and not of MDPI and/or the editor(s). MDPI and/or the editor(s) disclaim responsibility for any injury to people or property resulting from any ideas, methods, instructions or products referred to in the content. |
© 2023 by the authors. Licensee MDPI, Basel, Switzerland. This article is an open access article distributed under the terms and conditions of the Creative Commons Attribution (CC BY) license (https://creativecommons.org/licenses/by/4.0/).
Share and Cite
Salagiannis, G.; Tatakis, E. Review on Non-Isolated Multiport Converters for Residential DC Microgrids. Energies 2024, 17, 222. https://doi.org/10.3390/en17010222
Salagiannis G, Tatakis E. Review on Non-Isolated Multiport Converters for Residential DC Microgrids. Energies. 2024; 17(1):222. https://doi.org/10.3390/en17010222
Chicago/Turabian StyleSalagiannis, Georgios, and Emmanuel Tatakis. 2024. "Review on Non-Isolated Multiport Converters for Residential DC Microgrids" Energies 17, no. 1: 222. https://doi.org/10.3390/en17010222
APA StyleSalagiannis, G., & Tatakis, E. (2024). Review on Non-Isolated Multiport Converters for Residential DC Microgrids. Energies, 17(1), 222. https://doi.org/10.3390/en17010222

