Theoretical and Experimental Research on Thermal Dynamic Characteristics of Single-Screw Compressor with a New Composite SLIDE Valve
Abstract
1. Introduction
2. Theoretical Calculation Model
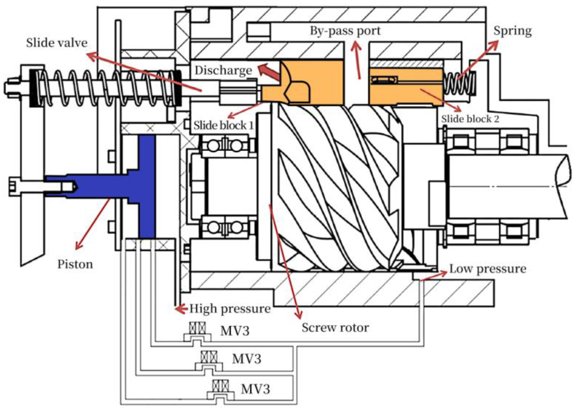
2.1. Geometry of the CSV and Its Working Mechanism
2.2. Working Process Model of the CSV
2.3. Geometric Model of the CSV
2.4. Theoretical Equations
- Within the working chamber, the temperature and pressure of the working fluid maintain uniformity, whereas the state parameters of the refrigerant gas undergo periodic changes;
- Within the defined control volume, the gas–oil mixture exhibits uniform properties, with the lubricating oil treated as an incompressible fluid;
- During the discharge process, the pressure loss can be neglected, and the impact exerted by the refrigerants’ body forces is also negligible.
2.5. Leakage Model
2.6. Model for Calculating the Bypass and Discharge Flow Processes
2.7. Numerical Calculation
3. Experimentation Research
3.1. Testing System
3.2. Experimental Device and Testing Method
4. Results and Discussion
4.1. Thermodynamic Performance of Working Process
4.2. Uncertainty Analysis
5. Conclusions
- The performance parameters of the compressor at full load are generally higher than at partial load. When operating at partial load, the proportion of input power lost through the bypass process can range from 28.5% to 61.4%. Based on the P-V indicator chart of the SSC, calculated using the theoretical model, the compressor will experience either over-compression or under-compression losses if the built-in and external pressure ratios of the working chamber do not align;
- The experimental outcomes for the compressor prototype, featuring built-in volume ratios of 2.8, 3.9, and 5.6 and operating under a partial load of 35%, demonstrate a close correlation with theoretical predictions. The deviations between the calculated and measured results for volume ratio and input power are 3.33–9.08% and 0.32–8.03%, respectively. Similarly, the deviations for heating capacity and adiabatic efficiency range from 0.92–8.73% to 2.09–9.67%, respectively. These findings suggest that the theoretical model accurately reflects the operational features of the SSC when outfitted with the CSV;
- The compressor’s efficiency is influenced by energy losses due to over-compression or under-compression. Utilizing the CSV system enables precise adjustment of the heat pump system’s heating capacity to align with real-world requirements, consequently enhancing the heating COP and minimizing energy losses.
Author Contributions
Funding
Data Availability Statement
Conflicts of Interest
Nomenclature
| Variables | Greeks | ||
| E | energy [J] | α | void fraction |
| h | specific enthalpy [J/kg] | θ | rotation angle [rad] |
| k | heat convection coefficient [w/(m2·k)] | ρ | working fluid density [kg/m3] |
| m | mass [kg] | β | proportion of gas within the mixture |
| ṁ | mass flow rate [kg/s] | subscripts | |
| p | pressure [Pa] | bp | bypass |
| A | area [m2] | CV | control volume |
| Q | heat transfer quantity [J] | d | outlet |
| S | area [m2] | f | friction |
| T | temperature [°C] | g | gas |
| u | specific built-in energy [J/kg] | i | in |
| U | built-in energy [J] | l | oil |
| V | volume [m3] | lg | leakage gas |
| v | specific volume [m3/kg] | low | low pressure |
| W | work [J] | o | out |
| v | volume | ||
| max | maximum | ||
References
- Adamson, K.M.; Walmsley, T.G.; Carson, J.K. High-temperature and transcritical heat pump cycles and advancements: A review. Renew. Sustain. Energy Rev. 2022, 167, 112798. [Google Scholar] [CrossRef]
- Niu, J.; Liang, Z.; Lv, T.; Wang, H.; Xu, S. A newly designed air-source heat pump system with liquid subcooling defrosting: Simulation and experiment. Appl. Therm. Eng. 2024, 242, 122472. [Google Scholar] [CrossRef]
- Reda, F.; Paiho, S.; Pasonen, R. Comparison of solar assisted heat pump solutions for office building applications in Northern climate. Renew. Energy 2020, 147, 1392–1417. [Google Scholar] [CrossRef]
- Hu, B.; Wang, R.Z.; Xiao, B.; He, L.; Zhang, W.; Zhang, S. Performance evaluation of different heating terminals used in air source heat pump system. Int. J. Refrig. 2018, 98, 274–282. [Google Scholar] [CrossRef]
- Zimmern, B. Worm Rotary Compressors with Liquid Joints, 1965. U.S. Patent No. 3180565, 27 April 1965. Available online: https://patents.google.com/patent/US3180565A/en (accessed on 4 May 2023).
- Wen, Q.; Zhi, R.; Wu, Y.; Lei, B.; Liu, S.; Shen, L. Performance optimization of a heat pump integrated with a single-screw refrigeration compressor with liquid refrigerant injection. Energy 2020, 207, 118–197. [Google Scholar] [CrossRef]
- Lu, Y.; Zhi, R.; Chen, F.; Lei, B.; Guo, Y.; Wu, Y. Experimental research on the performance of high-pressure single screw compressor for portable natural gas liquefaction system. Appl. Therm. Eng. 2023, 233, 121149. [Google Scholar] [CrossRef]
- Wu, W.; Zhang, Z.; Peng, C.; Li, X.; Yang, Y.; Lei, W. Refreshed internal working characteristics of the single screw compressor based on experimental investigation. Int. J. Refrig. 2022, 143, 118–125. [Google Scholar] [CrossRef]
- Wang, Z.; Dai, Z.; Shao, H.; Lv, Z. Study on the wall-approaching film formation characteristics of water injected in a single screw steam compressor. Int. J. Refrig. 2023, 156, 243–255. [Google Scholar] [CrossRef]
- Zimmern, B.; Patel, G.C. Design and operating characters of the Zimmern single screw compressors. In Proceedings of the 1972 Purdue Compressor Technology Conference, West Lafayette, IN, USA, 17–20 July 1972; pp. 96–99. [Google Scholar]
- Wu, W.; Feng, F.; Yu, X. Geometric Design Investigation of Single Screw Compressor Rotor Grooves Produced by Cylindrical Milling. J. Mech. Des. 2009, 131, 38–42. [Google Scholar] [CrossRef]
- Wu, W.; Feng, Q. A Multicolumn Envelope Meshing Pair for Single Screw Compressors. J. Mech. Des. 2009, 131, 074505. [Google Scholar] [CrossRef]
- Lubecki, M.; Stosiak, M.; Skačkauskas, P.; Karpenko, M.; Deptuła, A.; Urbanowicz, K. Development of Composite Hydraulic Actuators: A Review. Actuators 2022, 11, 365. [Google Scholar] [CrossRef]
- Wang, Z.; Wang, Z.; Wang, J.; Jiang, W.; Feng, Q. Research of thermal dynamic characteristics for variable load single screw refrigeration compressor with different capacity control mechanism. Appl. Therm. Eng. 2017, 110, 1172–1182. [Google Scholar] [CrossRef]
- Chen, Q.; Shen, P.F. The experimental study of single screw compressor with variable built-in volume ratio based on variable frequency technology. Refrig. Technol. China 2015, 35, 66–69+75. [Google Scholar] [CrossRef]
- Zimmern, B.; Sur Seine, N. Process to Control the Delivery of a Single Screw Compressor. U.S. Patent 4,373,866, 15 February 1983. Available online: https://patents.google.com/patent/US4373866A/en (accessed on 4 May 2023).
- Zimmern, B. Single Screw Compressor with Liquid Lock Preventing Slide. U.S. Patent 6,106,241, 2 August 2000. Available online: https://patents.google.com/patent/US6106241A/en (accessed on 5 May 2023).
- Zhou, L.; Lin, Q.; Jin, G.X.; Zhang, J. Economic analysis of capacity control equipment in single screw refrigeration compressor. Fluid Mach. China 1998, 10, 49–53. [Google Scholar]
- Wang, Z.; Liu, Z.; Liu, F.; Yu, X.; Feng, Q. Research on operating characteristics of single slide valve capacity control mechanism of the single screw refrigeration compressor. Proc. Inst. Mech. Eng. Part A J. Power Energy 2014, 228, 965–977. [Google Scholar] [CrossRef]
- Guo, X.; Hu, X.; Zhang, S. Application status of variable-frequency drive in hydrogen fuel cell air compressors from an industrial viewpoint: A review. Sustain. Energy Technol. Assess. 2024, 64, 103716. [Google Scholar] [CrossRef]
- Masuda, M.; Ueno, H.; Inoue, T.; Hori, K.; Hossain, M. Effect of variable volume index on performance of single screw compressor. In Proceedings of the 8th International Conference on Compressors and Their Systems, London, UK, 9–10 September 2013; pp. 257–264. [Google Scholar] [CrossRef]
- Feng, Y.; Shu, J.; Wang, C.; Ren, D.; Xing, Z.; Li, L.; Liu, L. Energy-saving control method for NH3-CO2 cascade refrigeration system by directly regulating slide valve position in twin-screw compressor. Appl. Therm. Eng. 2024, 239, 122116. [Google Scholar] [CrossRef]
- Sun, S.; Xing, Z.; Li, Y.; Su, P.C.; Chen, W. Experimental investigation on twin screw refrigeration compressor with different capacity control methods. Int. J. Refrig. 2021, 130, 370–381. [Google Scholar] [CrossRef]
- Zhou, L.; Jin, G.X. Design of energy-saving slide valve capacity regulator. Compress. Technol. China 1999, 1, 9–12. [Google Scholar]
- Wu, Y.; Wang, W.; Lei, B.; Zhi, R. Characteristics of Compound Slide Valve Capacity Control Mechanism in Single Screw Refrigeration Compressor Under Variable Load Conditions. J. Beijing Univ. Technol. 2018, 44, 289–295. [Google Scholar] [CrossRef]
- Pikute, J.L. The Compressor with Double Slide Valve. Patent Application CN200780052688.6, 25 March 2015. [Google Scholar]
- Wang, S.; Liang, S. The research of step less regulating technology used in single screw compressor. Refrig. Air-Cond. 2012, 12, 100–105. [Google Scholar]
- Arifin, A.; Chang, M.-C.; Wu, Y.-R. Cutter design and the machining strategy to resolve the tooth wear issue for both paired components of single-screw compressors. Mech. Mach. Theory 2023, 189, 105409. [Google Scholar] [CrossRef]
- Sangfors, B. Computer Simulation of the Oil Injected Twin Screw Compressor. In Proceedings of the International Compressor Engineering Conference at Purdue, West Lafayette, IN, USA, 17–20 July 1984; pp. 528–535. Available online: https://docs.lib.purdue.edu/cgi/viewcontent.cgi?article=1501&context=icec (accessed on 14 May 2020).
- Shen, L.; Wang, W.; Wu, Y.; Cheng, L.; Lei, B.; Zhi, R.; Ma, C. Theoretical and experimental analyses of the intenal leakage in single-screw expanders. Int. J. Refrig. 2018, 86, 273–281. [Google Scholar] [CrossRef]
- Tang, H.; Wu, H.; Wang, X.; Xing, Z. Performanc e study of a twin- screw expander used in a geothermal organic Rankine cycle power generator. Energy 2015, 90, 631–642. [Google Scholar] [CrossRef]
- Wu, H.; Li, J.; Xing, Z. Theoretical and experimental research on the working process of screw refrigeration compressor under superfeed condition. Int. J. Refrig. 2007, 30, 1329–1335. [Google Scholar] [CrossRef]
- Chen, W.; Xing, Z.; Tang, H.; Wu, H. Theoretical and experimental investigation on the performance of screw refrigeration compressor under part-load conditions. Int. J. Refrig. 2011, 34, 1141–1150. [Google Scholar] [CrossRef]




















| Magnetic Valve Status | Internal Volumetric Ratio | Load | Application |
|---|---|---|---|
| All closed | 2.8 | Full load | Refrigeration |
| Only MV3 opened | 3.9 | Full load | Heat pump |
| Only MV2 opened | 5.6 | Full load | Low-temperature heat pump |
| Only MV2 opened | 2.77 | 35% load | Start and refrigeration |
| Critical Angles | Location | Critical Angles | Location |
|---|---|---|---|
| θ1a | VL-2 | θ2c | VR-2′ |
| θ1b | VL-1 | θ2d | VR-1′ |
| θ1c | VL-2′ | θ3a | VL-3 |
| θ1d | VL-1′ | θ3b | VL-3′ |
| θ2a | VR-2 | θ3c | VR-3 |
| θ2b | VR-1 | θ3d | VR-3′ |
| Variables | Data | Variables | Data |
|---|---|---|---|
| Screw diameter, d1 | 147 mm | Gate rotor tooth width, b | 21.56 mm |
| Gate rotor diameter, d2 | 147 mm | Transmission ratio, i12 | 11/6 |
| Center distance, a | 44.1 mm | Theoretical flowing capacity, Vd | 168 m3/h |
| Rotation speed, N | 2850 rpm | Closed angle, α″ | −28.6° |
| Rated power, kW | 45 kW | Length of slide block 1, L1 | 47 mm |
| Length of slide block 2, L2 | 86 mm | Rad of the CSV, θ | 0.563 rad |
| Working medium | R22 | Oil | suniso 4 GSD |
| Variables | Type | Ranges | Uncertainty |
|---|---|---|---|
| Temperature sensor | NTC060 | −30~150 °C | ±0.2 °C |
| Pressure sensor | SPKC | −0.1~1.5 MPa/0~4 MPa | ±1.6% |
| Mass flowmeter | DMF-1-5-A | 0~1500 kg/h | ±0.2% |
| Vertex flowmeter | HY-VSF610 | 20~200 m3/h | ±1% |
| Power meter | AN8711D | 20~60 kW | ±0.5% |
Disclaimer/Publisher’s Note: The statements, opinions and data contained in all publications are solely those of the individual author(s) and contributor(s) and not of MDPI and/or the editor(s). MDPI and/or the editor(s) disclaim responsibility for any injury to people or property resulting from any ideas, methods, instructions or products referred to in the content. |
© 2024 by the authors. Licensee MDPI, Basel, Switzerland. This article is an open access article distributed under the terms and conditions of the Creative Commons Attribution (CC BY) license (https://creativecommons.org/licenses/by/4.0/).
Share and Cite
Liu, S.; Zhi, R.; Wu, Y.; Lu, Y.; Lei, B.; Ma, C. Theoretical and Experimental Research on Thermal Dynamic Characteristics of Single-Screw Compressor with a New Composite SLIDE Valve. Energies 2024, 17, 2385. https://doi.org/10.3390/en17102385
Liu S, Zhi R, Wu Y, Lu Y, Lei B, Ma C. Theoretical and Experimental Research on Thermal Dynamic Characteristics of Single-Screw Compressor with a New Composite SLIDE Valve. Energies. 2024; 17(10):2385. https://doi.org/10.3390/en17102385
Chicago/Turabian StyleLiu, Shanwei, Ruiping Zhi, Yuting Wu, Yuanwei Lu, Biao Lei, and Chongfang Ma. 2024. "Theoretical and Experimental Research on Thermal Dynamic Characteristics of Single-Screw Compressor with a New Composite SLIDE Valve" Energies 17, no. 10: 2385. https://doi.org/10.3390/en17102385
APA StyleLiu, S., Zhi, R., Wu, Y., Lu, Y., Lei, B., & Ma, C. (2024). Theoretical and Experimental Research on Thermal Dynamic Characteristics of Single-Screw Compressor with a New Composite SLIDE Valve. Energies, 17(10), 2385. https://doi.org/10.3390/en17102385

