Research on Circulating Current Suppression Control of Parallel Inverters
Abstract
1. Introduction
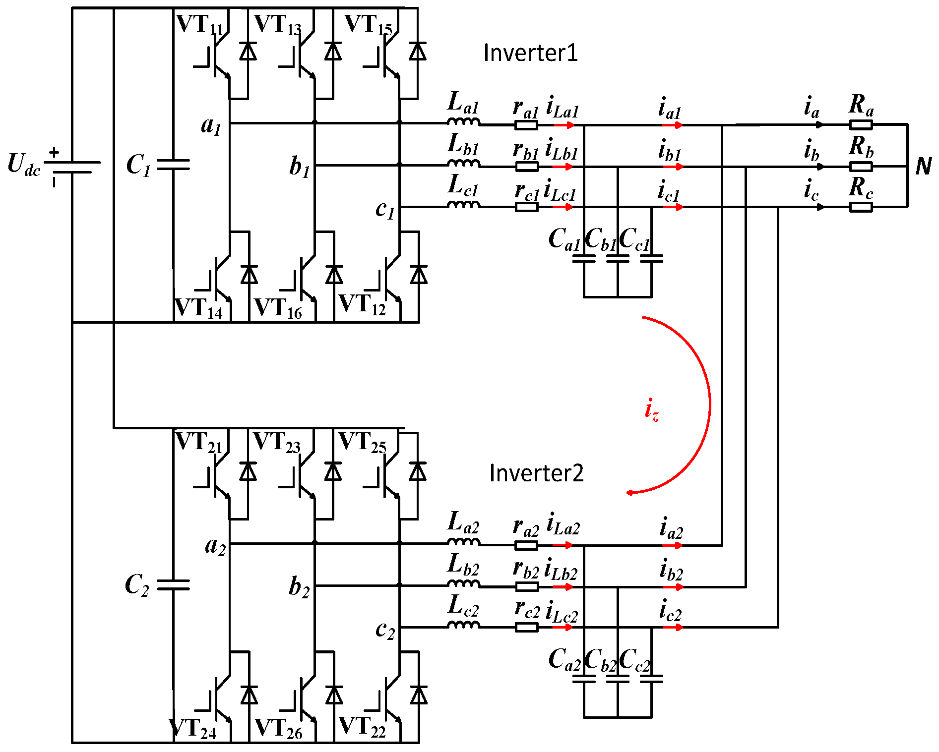
2. Mechanism of Low-Frequency and High-Frequency ZSCCs
2.1. Mechanism of LF-ZSCC
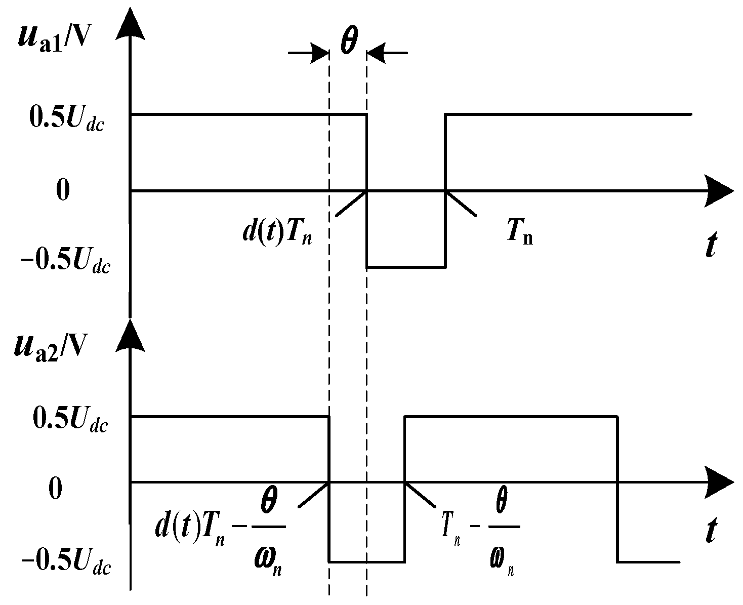
2.2. Mechanism of HF-ZSCC
3. Mathematical Model of Low- and High-Frequency ZSCC
3.1. Mathematical Model of LF-ZSCC
3.2. Mathematical Model of HF-ZSCC
4. Composite Suppression Control Strategy
4.1. ZSVD Compensation Method
4.2. Virtual Inductance Method
4.3. Composite Suppression Control Strategy
5. Model and Simulation
5.1. Parameters of Simulink Simulation
5.2. Simulation Results
6. Experiment Results
7. Conclusions
Author Contributions
Funding
Data Availability Statement
Conflicts of Interest
References
- Shuai, H.; Li, F.; Pulgar-Painemal, H.; Xue, Y. Branching Dueling Q-Network-Based Online Scheduling of a Microgrid with Distributed Energy Storage Systems. IEEE Trans. Smart Grid 2021, 12, 5479–5482. [Google Scholar] [CrossRef]
- Nunna, H.S.V.S.K.; Sesetti, A.; Rathore, A.K.; Doolla, S. Multiagent-Based Energy Trading Platform for Energy Storage Systems in Distribution Systems with Interconnected Microgrids. IEEE Trans. Ind. Appl. 2020, 56, 3207–3217. [Google Scholar] [CrossRef]
- Wu, T.; Yu, L.; Huang, Y.; Jhang, Y.; Zeng, B. SPWM-Based Direct Digital Control with Average-Voltage Model and D–Σ Process for Paralleled 3φ3W Grid-Connected Converters to Reduce Circulating Currents. IEEE Trans. Ind. Electron. 2019, 66, 4436–4446. [Google Scholar] [CrossRef]
- Zorig, A.; Barkat, S.; Belkheiri, M.; Rabhi, A.; Blaabjerg, F. Novel Differential Current Control Strategy Based on a Modified Three-Level SVPWM for Two Parallel-Connected Inverters. IEEE J. Emerg. Sel. Top. Power Electron. 2017, 4, 1807–1818. [Google Scholar] [CrossRef]
- Sowa, I.; Monti, A. Communication-Based Distributed Consensus Control Supported by High-Reporting Rate Meters in Islanded Microgrids. IEEE Trans. Ind. Appl. 2024, 60, 5119–5129. [Google Scholar] [CrossRef]
- Li, Z.; Cheng, Z.; Si, J.; Xu, S. Distributed Event-Triggered Hierarchical Control of PV Inverters to Provide Multi-Time Scale Frequency Response for AC Microgrid. IEEE Trans. Power Syst. 2023, 38, 1529–1542. [Google Scholar] [CrossRef]
- Silva, G.F.; Donaire, A.; Seron, M.M.; McFadyen, A.; Ford, J. String Stability in Microgrids Using Frequency Controlled Inverter Chains. IEEE Control Syst. Lett. 2022, 6, 1484–1489. [Google Scholar] [CrossRef]
- Sadeque, F.; Gursoy, M.; Mirafzal, B. Grid-Forming Inverters in a Microgrid: Maintaining Power During an Outage and Restoring Connection to the Utility Grid Without Communication. IEEE Trans. Ind. Electron. 2024, 71, 11796–11805. [Google Scholar] [CrossRef]
- Simanjorang, R.; Miura, Y.; Ise, T.; Sugimoto, S.; Fujita, H. Application of Series Type BTB Converter for Minimizing Circulating Current and Balancing Power Transformers in Loop Distribution Lines. In Proceedings of the 2007 Power Conversion Conference—Nagoya, Nagoya, Japan, 2–5 April 2007; pp. 997–1004. [Google Scholar]
- Wang, F.; Wang, Y.; Gao, Q.; Wang, C.; Liu, Y. A Control Strategy for Suppressing Circulating Currents in Parallel-Connected PMSM Drives With Individual DC Links. IEEE Trans. Power Electron. 2016, 2, 1680–1691. [Google Scholar] [CrossRef]
- Liu, T.; Chen, A.; Huang, Y. Multivector Model Predictive Current Control for Paralleled Three-Level T-Type Inverters with Circulating Current Elimination. IEEE Trans. Ind. Electron. 2023, 70, 8042–8052. [Google Scholar] [CrossRef]
- Matsui, K.; Murai, Y.; Watanabe, M.; Kaneko, M.; Ueda, F. A pulsewidth-modulated inverter with parallel connected transistors using current-sharing reactors. IEEE Trans. Power Electron. 1993, 2, 186–191. [Google Scholar] [CrossRef]
- Laka, A.; Barrena, J.A.; Chivite-Zabalza, J.; Vidal, M.A.R.; Calvo, G. Novel Zero-Sequence Blocking Transformer (ZSBT) Using Three Single-Phase Transformers. IEEE Trans. Energy Convers. 2013, 1, 234–242. [Google Scholar] [CrossRef]
- Du, C.; Cai, W.; Zhao, L.; Chen, Z.; Chen, B.; Gao, F. Improved Finite-Time Control for Circulating Current Suppression of Multiparalleled Rectifiers. IEEE J. Emerg. Sel. Top. Power Electron. 2023, 11, 2767–2779. [Google Scholar] [CrossRef]
- Wu, H.; Wang, X. Dynamic Impact of Zero-Sequence Circulating Current on Modular Multilevel Converters: Complex-Valued AC Impedance Modeling and Analysis. IEEE J. Emerg. Sel. Top. Power Electron. 2020, 8, 1947–1963. [Google Scholar] [CrossRef]
- Prasad, J.S.S.; Ghosh, R.; Narayanan, G. Common-Mode Injection PWM for Parallel Converters. IEEE Trans. Ind. Electron. 2015, 2, 789–794. [Google Scholar] [CrossRef]
- Bella, S. Circulating Currents Control for Parallel Grid-Connected Three-Phase Inverters. In Proceedings of the 2018 International Conference on Electrical Sciences and Technologies in Maghreb (CISTEM), Algiers, Algeria, 28–31 October 2018; pp. 1–5. [Google Scholar]
- Jiang, C.; Quan, Z.; Zhou, D.; Li, Y. A Centralized CB-MPC to Suppress Low-Frequency ZSCC in Modular Parallel Converters. IEEE Trans. Ind. Electron. 2021, 68, 2760–2771. [Google Scholar] [CrossRef]
- Ma, H.; Lin, Z.; Dong, L.; Guo, Q. Modeling and analysis of switching frequency circulating current in three-phase parallel inverters. In Proceedings of the 2014 IEEE 23rd International Symposium on Industrial Electronics (ISIE), Istanbul, Turkey, 1–4 June 2014; pp. 568–573. [Google Scholar]
- Xu, S.; Cao, W.; Liu, K.; Wang, S.; Zhao, J. Analysis and Control of Switching Circulating Currents in Multi-Module Parallel SPWM Converters. IEEE Access 2018, 6, 32637–32648. [Google Scholar] [CrossRef]
- Dong, L.; Zhang, Y.; Wen, C.; Zhao, X. Research on the Switched-circulating-current of Parallel Inverter System. Power Electron. 2012, 46, 33–35. [Google Scholar]
- Zeng, Z.; Li, Z.; Goetz, S.M. Optimal Discontinuous Space Vector PWM for Zero-Sequence-Circulating Current Reduction in Two Paralleled Three-Phase Two-Level Converter. IEEE Trans. Ind. Electron. 2021, 68, 1252–1262. [Google Scholar] [CrossRef]
- Xia, Y.; Zou, J.; Li, K.; Xu, C.; Shi, F. Circulating Current Inhibition of Parallel Converters with Carrier Phase-shifting in Microgrid. High Volt. Eng. 2019, 45, 855–862. [Google Scholar]
- Bao, X.; Zhuo, F.; Liu, B.; Tian, Y. Suppressing Switching Frequency Circulating Current in Parallel Inverters with Carrier Phase-Shifted SPWM technique. In Proceedings of the 2012 IEEE International Symposium on Industrial Electronics, Hangzhou, China, 28–31 May 2012; pp. 555–559. [Google Scholar]
- Jiang, W.; Ma, W.; Wang, J.; Wang, W.; Zhang, X.; Wang, L. Suppression of Zero Sequence Circulating Current for Parallel Three-Phase Grid-Connected Converters Using Hybrid Modulation Strategy. IEEE Trans. Ind. Electron. 2018, 65, 3017–3026. [Google Scholar] [CrossRef]


















| Parameters | Value |
|---|---|
| Each inverter output power Po/kW | 6 |
| Parallel inverter numbers | 2 |
| DC voltage Udc/V | 650 |
| Output voltage of the parallel system Uo/V | 220 |
| Switching frequency fsw/kHz | 10 |
| Inverter 1 filter inductance L1/mH and resistance r1/mΩ | 5.28 |
| Winding resistance r1/mΩ | 196 |
| Filter capacitor C1/μF | 6.5 |
| Inverter 2 filter inductance L2/mH | 5 |
| Winding resistance r2/mΩ | 195 |
| Filter capacitor C2/μF | 6.5 |
| Parallel connection inductance Lo/uH | 200 |
| Parallel connection resistance r0/mΩ | 8 |
Disclaimer/Publisher’s Note: The statements, opinions and data contained in all publications are solely those of the individual author(s) and contributor(s) and not of MDPI and/or the editor(s). MDPI and/or the editor(s) disclaim responsibility for any injury to people or property resulting from any ideas, methods, instructions or products referred to in the content. |
© 2024 by the authors. Licensee MDPI, Basel, Switzerland. This article is an open access article distributed under the terms and conditions of the Creative Commons Attribution (CC BY) license (https://creativecommons.org/licenses/by/4.0/).
Share and Cite
Fan, Y.; Tong, L.; Wang, X.; Cai, X.; Fu, Z.; Zhou, J.; Huang, S.; Mao, X. Research on Circulating Current Suppression Control of Parallel Inverters. Energies 2024, 17, 6253. https://doi.org/10.3390/en17246253
Fan Y, Tong L, Wang X, Cai X, Fu Z, Zhou J, Huang S, Mao X. Research on Circulating Current Suppression Control of Parallel Inverters. Energies. 2024; 17(24):6253. https://doi.org/10.3390/en17246253
Chicago/Turabian StyleFan, Yibiao, Lixia Tong, Xiaoping Wang, Xiaowei Cai, Zhihe Fu, Junhui Zhou, Shuangmao Huang, and Xingkui Mao. 2024. "Research on Circulating Current Suppression Control of Parallel Inverters" Energies 17, no. 24: 6253. https://doi.org/10.3390/en17246253
APA StyleFan, Y., Tong, L., Wang, X., Cai, X., Fu, Z., Zhou, J., Huang, S., & Mao, X. (2024). Research on Circulating Current Suppression Control of Parallel Inverters. Energies, 17(24), 6253. https://doi.org/10.3390/en17246253

