A Transient Multi-Feed-In Short Circuit Ratio-Based Framework for East China: Insights into Grid Adaptability to UHVDC Integration
Abstract
1. Introduction
- A novel transient multi-feed-in short circuit ratio (TMSCR) metric is proposed to assess the strength of multi-DC systems. This metric captures the transient characteristics of the system, providing an accurate evaluation indicator for system strength.
- By combining local power supply development trends with estimates of external power inputs, the optimal landing points for inter-regional UHVDC transmission are systematically identified.
- A comparative analysis of the adaptability of conventional DC and flexible DC transmission technologies in the East China power grid is conducted, considering key aspects such as grid strength and voltage stability.
- Based on local power surplus and deficit conditions, DC receiving-end integration plans of East China power grid are formulated, analyzing the impact of DC transmission integration on the local grid and proposing reinforcement measures.
2. Analysis of Issues
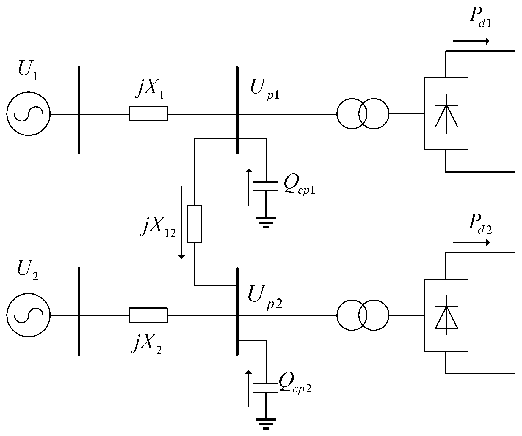
2.1. Transient Multi-Feed-In Short Circuit Ratio
2.2. Analysis of Power Demand in East China
2.3. Power Development Plan of East China Power Grid
2.3.1. Development of Coal-Fired Power
2.3.2. Development of Pumped Storage
2.3.3. Development of Renewable Energy
2.4. District External Electricity of East China Power Grid
3. Layout of New DC Landing Points
3.1. Layout of DC Landing Points in Shanghai
3.2. Layout of DC Landing Points in Jiangsu
3.3. Layout of the DC Landings Points in Anhui
3.4. Brief Summary
4. Technical Route of New DC Transmission
4.1. The Impact of New DC Transmission on Regional Security and Stability
4.1.1. Frequency Stability Level
4.1.2. Transient Power Angle and Voltage Stability Level
4.2. The Benefits of Flexible DC Technology for Improving the Level of Safety and Stability
4.2.1. Voltage Stability
4.2.2. Analysis of TMSCR
5. The Influence of New DC on the Development of Main Grids and the Reinforcement Measures
5.1. New DC Transmission Connection to Shanghai
5.1.1. Receiving-End DC Integration Plan of Shanghai
5.1.2. Impact of DC Integration in Shanghai on the Local Power Grid and Solutions
5.1.3. Impact of DC Integration in Shanghai on the Main Grid and Reinforcement Measures
5.2. New DC Transmission Connection to Jiangsu
5.2.1. Receiving-End DC Integration Plan of Jiangsu
5.2.2. Impact of DC Integration in Jiangsu on the Local Power Grid and Solutions
5.2.3. Impact of DC Integration in Jiangsu on the Main Grid and Reinforcement Measures
5.3. New DC Transmission Connection to Anhui
5.3.1. Receiving-End DC Integration Plan of Anhui
5.3.2. Impact of DC Integration in Anhui on the Local Power Grid and Solutions
5.3.3. Impact of DC Integration in Anhui on the Main Grid and Reinforcement Measures
6. Conclusions
- The proposed TMSCR can capture the transient characteristics of multi-DC systems, demonstrating superior assessment performance compared to the MSCR. This innovative metric provides a quantitative tool for evaluating the impact of DC transmission on grid strength and stability.
- DC landing point layout schemes are proposed for the Shanghai, Jiangsu, and Anhui, with comprehensive comparative analysis conducted considering power balance, power flow distribution, short-circuit currents, system security, and stability.
- Comparison between flexible DC and conventional DC transmission technologies is performed regarding their impacts on system voltage stability and TMSCR. The results demonstrate that flexible DC transmission offers advantages in enhancing grid security and stable operation, serving as a reliable solution for improving the efficiency and sustainability of the East China power grid.
- Assessments of DC integration plans for Shanghai, Jiangsu, and Anhui grids are conducted, analyzing the impacts on local grid security. Based on the analysis, reinforcement measures are proposed to strengthen grid security, providing guidance for safe and stable operation of the East China power grid under DC integration.
Author Contributions
Funding
Data Availability Statement
Conflicts of Interest
References
- Fan, J.L.; Li, Z.; Huang, X.; Li, K.; Zhang, X.; Lu, X.; Wu, J.; Hubacek, K.; Shen, B. A net-zero emissions strategy for China’s power sector using carbon-capture utilization and storage. Nat. Commun. 2022, 14, 5972. [Google Scholar] [CrossRef]
- Li, J.L.; Ho, M.S.; Xie, C.P.; Stern, N. China’s flexibility challenge in achieving carbon neutrality by 2060. Renew. Sustain. Energy Rev. 2022, 158, 112112. [Google Scholar] [CrossRef]
- Zhuo, Z.; Du, E.; Zhang, N.; Nielsen, C.P.; Lu, X.; Xiao, J.; Wu, J.; Kang, C. Cost increase in the electricity supply to achieve carbon neutrality in China. Nat. Commun. 2022, 13, 3172. [Google Scholar] [CrossRef]
- Qin, B.Y.; Wang, H.Z.; Li, F.; Liu, D.; Liao, Y.; Li, H.Y. Towards Zero Carbon Hydrogen: Co-Production of Photovoltaic Electrolysis and Natural Gas Reforming with CCS. Int. J. Hydrogen Energy 2024, 78, 604–609. [Google Scholar] [CrossRef]
- Wang, H.Z.; Qin, B.Y.; Hong, S.D.; Cai, Q.C.; Li, F.; Ding, T.; Li, H.Y. Optimal planning of hybrid hydrogen and battery energy storage for resilience enhancement using bi-layer decomposition algorithm. J. Energy Storage 2025, 110, 115367. [Google Scholar] [CrossRef]
- Li, H.Y.; Qin, B.Y.; Wang, S.H.; Ding, T.; Liu, J.L.; Wang, H.Z. Aggregate power flexibility of multi-energy systems supported by dynamic networks. Appl. Energy 2025, 377, 124565. [Google Scholar] [CrossRef]
- Li, H.; Yu, H.; Liu, Z.; Li, F.; Wu, X.; Cao, B.; Zhang, C.; Liu, D. Long-term scenario generation of renewable energy generation using attention-based conditional generative adversarial networks. Energy Convers. 2024, 5, 15–27. [Google Scholar] [CrossRef]
- Yu, Z. Beyond the State/Market Dichotomy: Institutional Innovations in China’s Electricity Industry Reform. J. Environ. Manag. 2020, 264, 110306. [Google Scholar] [CrossRef]
- Li, J.; Chen, S.; Wu, Y.; Wang, Q.; Liu, X.; Qi, L.; Lu, X.; Gao, L. How to Make Better Use of Intermittent and Variable Energy? A Review of Wind and Photovoltaic Power Consumption in China. Renew. Sustain. Energy Rev. 2021, 137, 110626. [Google Scholar] [CrossRef]
- Wang, H.Z.; Qin, B.Y.; Hong, S.D.; Xu, X.; Su, Y.W.; Lu, T.X.; Ding, T. Enhanced GAN Based Joint Wind-Solar-Load Scenario Generation with Extreme Weather Labelling. IEEE Trans. Smart Grid 2025. [Google Scholar] [CrossRef]
- Qiu, T.; Wang, L.; Lu, Y.; Zhang, M.; Qin, W.; Wang, S.; Wang, L. Potential Assessment of Photovoltaic Power Generation in China. Renew. Sustain. Energy Rev. 2022, 154, 111900. [Google Scholar] [CrossRef]
- Xue, A.; Yue, L.; Zhang, J.; Cui, J.; Li, Z.; Li, Y.; Gao, L.; Lin, W.; Ren, X. A New Quantitative Analysis Method for Overvoltage in Sending End Electric Power System with UHVDC. IEEE Access 2020, 8, 145898–145908. [Google Scholar] [CrossRef]
- Qin, B.Y.; Wang, H.Z.; Liao, Y.; Li, H.; Ding, T.; Wang, Z.D.; Li, F.; Liu, D. Challenges and opportunities for long-distance renewable energy transmission in China. Sustain. Energy Technol. Assess. 2024, 69, 103925. [Google Scholar] [CrossRef]
- Li, Z.; Duan, J.; Lu, W.; Du, X.; Yang, W.; Tu, S. Non-Permanent Pole-to-Pole Fault Restoration Strategy for Flexible DC Distribution Network. J. Mod. Power Syst. Clean Energy 2021, 9, 1339–1351. [Google Scholar] [CrossRef]
- Tang, Y.; Li, F.; Wang, Q.; Chen, B.; Jiang, Y.L.; Guo, X.J. Power stability analysis of UHVDC systems hierarchically connected to AC systems. Electr. Power Syst. Res. 2018, 163 Pt B, 715–724. [Google Scholar] [CrossRef]
- Dewangan, L.; Bahirat, H.J. Controller Interaction and Stability Margins in Mixed SCR MMC-Based HVDC Grid. IEEE Trans. Power Syst. 2020, 35, 2835–2846. [Google Scholar] [CrossRef]
- Li, Y.; Chi, Y.; Tian, X.; Liu, C.; Hu, J.; Fan, Y.; Fan, X.; Xiao, Y.; Wang, C. Research on Capacity Planning of Renewable Energy Grid Integration Based on Effective Short Circuit Ratio. In Proceedings of the 2020 IEEE Sustainable Power and Energy Conference (iSPEC), Chengdu, China, 23–25 November 2020. [Google Scholar]
- Zhang, F.; Xin, H.; Wu, D.; Wang, Z.; Gan, D. Assessing Strength of Multi-Infeed LCC-HVDC Systems Using Generalized Short-Circuit Ratio. IEEE Trans. Power Syst. 2019, 34, 467–480. [Google Scholar] [CrossRef]
- Abedin, T.; Lipu, M.S.H.; Hannan, M.A.; Ker, P.J.; Rahman, S.A.; Yaw, C.T.; Tiong, S.K.; Muttaqi, K.M. Dynamic Modeling of HVDC for Power System Stability Assessment: A Review, Issues, and Recommendations. Energies 2021, 14, 4829. [Google Scholar] [CrossRef]
- Wu, Z.; Li, S. Reliability Evaluation and Sensitivity Analysis to AC/UHVDC Systems Based on Sequential Monte Carlo Simulation. IEEE Trans. Power Syst. 2019, 34, 3156–3167. [Google Scholar] [CrossRef]
- Jiang, W.; Ruan, J.; Song, D.; Xie, L.; Tang, J.; Sun, W. Optimization of DC Terminal Location for UHVDC Hierarchical Connection to Power Grid. In Proceedings of the 2018 2nd IEEE Conference on Energy Internet and Energy System Integration (EI2), Beijing, China, 20–22 October 2018. [Google Scholar]
- Hammons, T.J.; Lescale, V.F.; Uecker, K.; Haeusler, M. State of the Art in Ultrahigh-Voltage Transmission. Proc. IEEE 2012, 100, 360–390. [Google Scholar] [CrossRef]
- Zhang, Z.; Qin, B.Y.; Ding, T.; Gao, X.; Zhang, Y.X. CBAM-CNN Based Transient Overvoltage Preventive Control Considering Piecewise Linear Control Sensitivity. IEEE Trans. Power Syst. 2025. [Google Scholar] [CrossRef]
- Mahmood, H. Linking Electricity Demand and Economic Growth in China: Evidence from Wavelet Analysis. Environ. Sci. Pollut. Res. 2022, 29, 39473–39485. [Google Scholar] [CrossRef]
- Xie, P. Analysis of the Dependence of Economic Growth on Electric Power Input and Its Influencing Factors in China. Energy Policy 2021, 158, 112528. [Google Scholar] [CrossRef]
- Wang, J.; Zhang, S.; Zhang, Q. The Relationship of Renewable Energy Consumption to Financial Development and Economic Growth in China. Renew. Energy 2021, 170, 897–904. [Google Scholar] [CrossRef]
- Li, F.Q.; Tan, Q.B.; Zhao, E.D. Analysis Model of Coal Electricity Value Under Wind Light Fire Bundling and External Transmission in Shagehuang Energy Base. Coal Econ. Res. 2024, 44, 14–22. [Google Scholar] [CrossRef]
- Shair, J.; Li, H.; Hu, J.; Xie, X. Power System Stability Issues, Classifications and Research Prospects in the Context of High-Penetration of Renewables and Power Electronics. Renew. Sustain. Energy Rev. 2021, 145, 111111. [Google Scholar] [CrossRef]
- He, J.; Chen, K.; Li, M.; Luo, Y.; Liang, C.; Xu, Y. Review of Protection and Fault Handling for a Flexible DC Grid. Prot. Control Mod. Power Syst. 2020, 5, 15. [Google Scholar] [CrossRef]
- Guo, J.B.; Wang, T.Z.; Luo, K. Development of new power systems: Challenges and solutions. New Type Power Syst. 2023, 1, 32–43. [Google Scholar]
- Guo, M.X.; Qin, K.Y. Comparison of Hierarchical Zoning between East China Power Grid and Domestic and Foreign Power Grids. In State Grid Shanghai Economic Research Institute Youth Science and Technology Paper Achievements Collection; Shanghai Pujiang Education Press: Shanghai, China, 2017; Volume 5. [Google Scholar]
- Xing, W.; Liu, L.; Wang, J. Factors influencing voltage fluctuations and fluctuation rate indicators of ultra-high voltage grids in East China Power Grid. Grid Clean Energy 2021, 37, 73–79. [Google Scholar]







| Parameters | Condition | |||
|---|---|---|---|---|
| - | - | |||
| elevate/reduce | - | - | - | |
| - | elevate/reduce | - | - | |
| - | - | elevate/reduce | elevate/reduce | |
| reduce/elevate | reduce/elevate | reduce/elevate | elevate/reduce | |
| elevate/reduce | elevate/reduce | reduce/elevate | reduce/elevate | |
| reduce/elevate | reduce/elevate | elevate/reduce | reduce/elevate | |
| Parameters | Condition | |||
|---|---|---|---|---|
| - | - | |||
| elevate/reduce | - | - | - | |
| - | elevate/reduce | - | - | |
| - | - | elevate/reduce | elevate/reduce | |
| reduce/elevate | reduce/elevate | elevate/reduce | elevate/reduce | |
| elevate/reduce | elevate/reduce | reduce/elevate | reduce/elevate | |
| reduce/elevate | reduce/elevate | elevate/reduce | elevate/reduce | |
| Region | Maximum Load in 2030 (/10 MW) | The Average Annual Growth Rate During the ‘15th Five-Year Plan’ Period |
|---|---|---|
| East China | 50,091 | 3.4% |
| Shanghai | 4350 | 1.7% |
| Jiangsu | 17,200 | 2.8% |
| Zhejiang | 14,500 | 3.5% |
| Anhui | 9100 | 5.1% |
| Fujian | 6650 | 3.5% |
| Region | Electricity Surplus in 2030 (/10 MW) |
|---|---|
| Shanghai | −600 |
| Jiangsu | −1600 |
| Zhejiang | 200 |
| Anhui | −1100 |
| Fujian | 800 |
| Landing Points in Fubo | Northwestern Anhui | North-to-South Power Transmission Across the River |
|---|---|---|
| Summer noon peak | 1100 | 290 |
| Summer evening peak | 800 | 40 |
| High renewable energy output in spring and autumn | 1550 | 1790 |
Disclaimer/Publisher’s Note: The statements, opinions and data contained in all publications are solely those of the individual author(s) and contributor(s) and not of MDPI and/or the editor(s). MDPI and/or the editor(s) disclaim responsibility for any injury to people or property resulting from any ideas, methods, instructions or products referred to in the content. |
© 2025 by the authors. Licensee MDPI, Basel, Switzerland. This article is an open access article distributed under the terms and conditions of the Creative Commons Attribution (CC BY) license (https://creativecommons.org/licenses/by/4.0/).
Share and Cite
Li, F.; Li, H.; Wang, Y.; Qin, J.; Chen, P. A Transient Multi-Feed-In Short Circuit Ratio-Based Framework for East China: Insights into Grid Adaptability to UHVDC Integration. Energies 2025, 18, 4488. https://doi.org/10.3390/en18174488
Li F, Li H, Wang Y, Qin J, Chen P. A Transient Multi-Feed-In Short Circuit Ratio-Based Framework for East China: Insights into Grid Adaptability to UHVDC Integration. Energies. 2025; 18(17):4488. https://doi.org/10.3390/en18174488
Chicago/Turabian StyleLi, Fan, Hengyi Li, Yan Wang, Jishuo Qin, and Peicheng Chen. 2025. "A Transient Multi-Feed-In Short Circuit Ratio-Based Framework for East China: Insights into Grid Adaptability to UHVDC Integration" Energies 18, no. 17: 4488. https://doi.org/10.3390/en18174488
APA StyleLi, F., Li, H., Wang, Y., Qin, J., & Chen, P. (2025). A Transient Multi-Feed-In Short Circuit Ratio-Based Framework for East China: Insights into Grid Adaptability to UHVDC Integration. Energies, 18(17), 4488. https://doi.org/10.3390/en18174488

