Implementation of a Current Harmonics Suppression Strategy for a Six-Phase Permanent Magnet Synchronous Motor
Abstract
1. Introduction
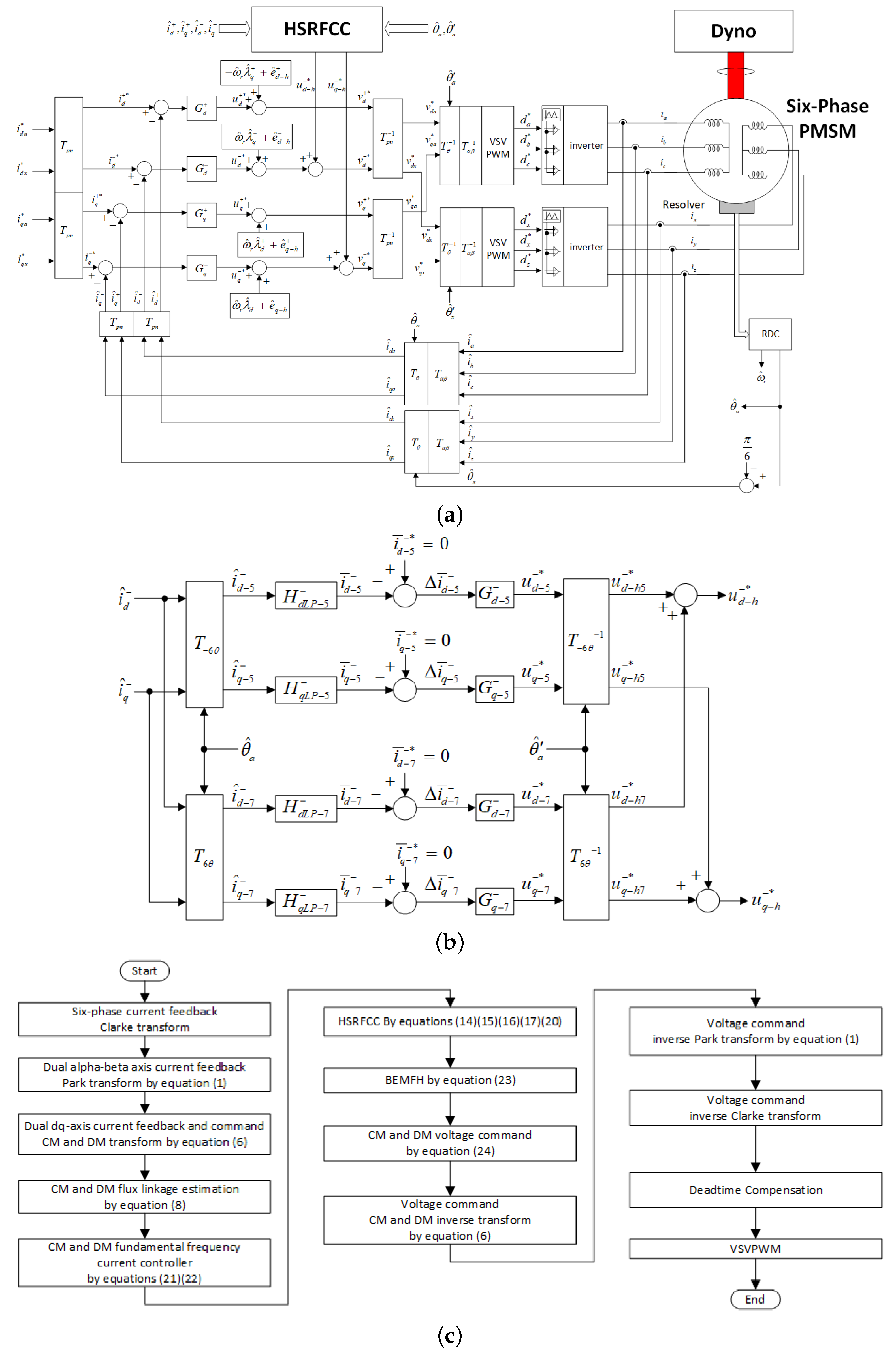
2. CM and DM of a Six-Phase PMSM
3. The CM and DM Current Controller
- (1)
- Perform Clarke, Park, CM, and DM transformations.
- (2)
- Calculate the flux linkage and perform CM and DM fundamental frequency current control.
- (3)
- Execute HSRFCC and BEMFH.
- (4)
- Combine all controller outputs and apply CM, DM, Park, and Clarke inverse transformations.
- (5)
- Perform dead-time compensation and VSVPWM.
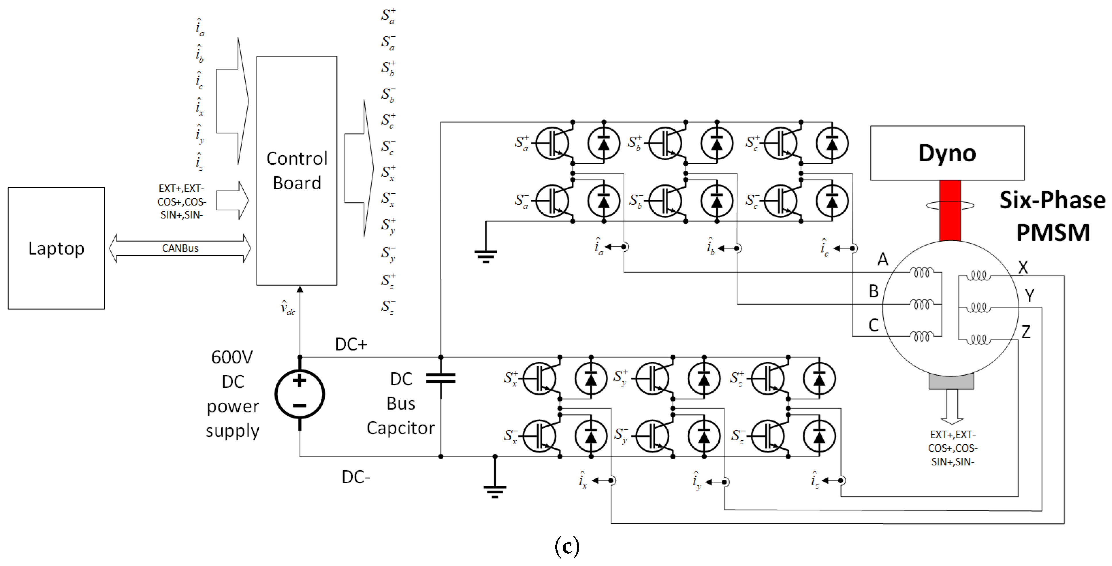
4. Simulation and Test Results
5. Conclusions
Author Contributions
Funding
Data Availability Statement
Acknowledgments
Conflicts of Interest
Abbreviations
| BEMFH | Back electromotive force harmonic |
| HSRF | Harmonic synchronous rotating frame |
| RDC | Resolver-to-digital converter |
| PWM | Pulse width modulation |
| ADC | Analog-to-digital converter |
| THD | Total harmonic distortion |
| PMSM | Permanent magnet synchronous motor |
Appendix A
| Parameter | Value |
|---|---|
| DC link voltage (V) | 600 |
| Rated Speed (rpm) | 1200 |
| Poles | 12 |
| Phase resistance (m) | 23.14 |
| d-axis self inductance (H) | 309.9 |
| q-axis self inductance (H) | 743.2 |
| d-axis mutual inductance (H) | 260.3 |
| q-axis mutual inductance (H) | 706.1 |
| Flux linkage (Wb) | 0.313 |
| 5th BEMFH (Magnitude: %Fundamental/Phase angle: °) | 2.17%/174.7° |
| 7th BEMFH (Magnitude: %Fundamental/Phase angle: °) | 1.92%/2.5° |
| 11th BEMFH (Magnitude: %Fundamental/Phase angle: °) | 0.69%/−15.4° |
| 13th BEMFH (Magnitude: %Fundamental/Phase angle: °) | 0.45%/175.1° |
| Fundamental frequency current controller bandwidth (rad/s) | 2000 |
References
- Salem, A.; Narimani, M. A Review on Multiphase Drives for Automotive Traction Applications. IEEE Trans. Transp. Electrif. 2019, 5, 1329–1348. [Google Scholar] [CrossRef]
- Qiao, M.; Jiang, C.; Zhu, Y.; Li, G. Research on Design Method and Electromagnetic Vibration of Six-Phase Fractional-Slot Concentrated-Winding PM Motor Suitable for Ship Propulsion. IEEE Access 2016, 4, 8535–8543. [Google Scholar] [CrossRef]
- Aziz, G.A.A.; Amin, M.; El-Sousy, F.F.M.; Gaber, K. MRAS-based Super-Twisting Sliding-Mode Observer with DTC of Six-Phase Induction Motor for Ship Propulsion Application. In Proceedings of the 2020 IEEE Industry Applications Society Annual Meeting, Detroit, MI, USA, 10–16 October 2020; pp. 1–7. [Google Scholar] [CrossRef]
- Batista, G.R.; Salvadori, F.; Jacobina, C.B.; de Freitas, I.S. Fault tolerant high performance drive system using six-phase induction machine. In Proceedings of the 2013 Brazilian Power Electronics Conference, Gramado, Brazil, 27–31 October 2013; pp. 786–792. [Google Scholar] [CrossRef]
- Guo, H.; Guo, S.; Xu, J.; Tian, X. Power Switch Open-Circuit Fault Diagnosis of Six-Phase Fault Tolerant Permanent Magnet Synchronous Motor System Under Normal and Fault-Tolerant Operation Conditions Using the Average Current Park’s Vector Approach. IEEE Trans. Power Electron. 2021, 36, 2641–2660. [Google Scholar] [CrossRef]
- Rubino, S.; Dordevic, O.; Armando, E.; Bojoi, I.R.; Levi, E. A Novel Matrix Transformation for Decoupled Control of Modular Multiphase PMSM Drives. IEEE Trans. Power Electron. 2021, 36, 8088–8101. [Google Scholar] [CrossRef]
- Bojoi, R.; Lazzari, M.; Profumo, F.; Tenconi, A. Digital field-oriented control for dual three-phase induction motor drives. IEEE Trans. Ind. Appl. 2003, 39, 752–760. [Google Scholar] [CrossRef]
- Feng, G.; Lai, C.; Kelly, M.; Kar, N.C. Dual Three-Phase PMSM Torque Modeling and Maximum Torque per Peak Current Control Through Optimized Harmonic Current Injection. IEEE Trans. Ind. Electron. 2019, 66, 3356–3368. [Google Scholar] [CrossRef]
- Hu, Y.; Zhu, Z.-Q.; Liu, K. Current Control for Dual Three-Phase Permanent Magnet Synchronous Motors Accounting for Current Unbalance and Harmonics. IEEE J. Emerg. Sel. Top. Power Electron. 2014, 2, 272–284. [Google Scholar] [CrossRef]
- Zhao, Y.; Lipo, T.A. Space vector PWM control of dual three-phase induction machine using vector space decomposition. IEEE Trans. Ind. Appl. 1995, 31, 1100–1109. [Google Scholar] [CrossRef]
- Mohapatra, K.K.; Kanchan, R.S.; Baiju, M.R.; Tekwani, P.N.; Gopakumar, K. Independent field-oriented control of two split-phase induction motors from a single six-phase inverter. IEEE Trans. Ind. Electron. 2005, 52, 1372–1382. [Google Scholar] [CrossRef]
- Hadiouche, D.; Razik, H.; Rezzoug, A. On the modeling and design of dual-stator windings to minimize circulating harmonic currents for VSI fed AC machines. IEEE Trans. Ind. Appl. 2004, 40, 506–515. [Google Scholar] [CrossRef]
- Yan, L.; Zhu, Z.-Q.; Qi, J.; Ren, Y.; Gan, C.; Brockway, S. Suppression of Major Current Harmonics for Dual Three-Phase PMSMs by Virtual Multi Three-Phase Systems. IEEE Trans. Ind. Electron. 2022, 69, 5478–5490. [Google Scholar] [CrossRef]
- Furmanik, M.; Vidlák, M.; Rafajdus, P. Current Harmonics Control in Six-Phase PMSM. In Proceedings of the 2022 ELEKTRO (ELEKTRO), Krakow, Poland, 23–26 May 2022; pp. 1–5. [Google Scholar] [CrossRef]
- Zhong, Z.; Li, C.; Yin, X. Current Harmonic Elimination for Dual Three-phase PMSM Based on Flux Linkage Harmonic Closed-loop Control. In Proceedings of the 2021 IEEE 16th Conference on Industrial Electronics and Applications (ICIEA), Chengdu, China, 1–4 August 2021; pp. 672–677. [Google Scholar] [CrossRef]
- Zhu, H.; Xiao, X.; Li, Y. Permanent magnet synchronous motor current ripple reduction with harmonic back-EMF compensation. In Proceedings of the 2010 International Conference on Electrical Machines and Systems, Incheon, Republic of Korea, 10–13 October 2010; pp. 1094–1097. [Google Scholar]
- Das, P.P.; Satpathy, S.; Bhattacharya, S.; Veliadis, V. A Feedforward-Based Harmonic Current Minimization Method for Six-Phase Permanent Magnet Synchronous Machine Drives. In Proceedings of the 2023 IEEE Energy Conversion Congress and Exposition (ECCE), Nashville, TN, USA, 29 October–2 November 2023; pp. 5290–5296. [Google Scholar] [CrossRef]
- Huang, P.-S.; Tsai, C.-T.; Hwang, J.-C.; Lin, C.-T.; Lin, Y.-T. Current Harmonics Suppression of Six-Phase Permanent-Magnet Synchronous Motor Drives Using Back-Electromotive Force Harmonics Compensation. Energies 2024, 17, 6280. [Google Scholar] [CrossRef]
- Ruan, Z.; Song, W.; Yan, Y. Current Harmonic Suppression for Dual Three-Phase Permanent Magnet Synchronous Motor Drives. IEEE Access 2019, 143888–143898. [Google Scholar] [CrossRef]
- Feng, G.; Lai, C.; Li, W.; Li, Z.; Kar, N.C. Dual Reference Frame Based Current Harmonic Minimization for Dual Three-Phase PMSM Considering Inverter Voltage Limit. IEEE Trans. Power Electron. 2021, 36, 8055–8066. [Google Scholar] [CrossRef]
- Liu, G.; Chen, B.; Wang, K.; Song, X. Selective Current Harmonic Suppression for High-Speed PMSM Based on High-Precision Harmonic Detection Method. IEEE Trans. Ind. Inform. 2019, 15, 3457–3468. [Google Scholar] [CrossRef]
- Huang, Q.; Niu, W.; Xu, H.; Fang, C.; Shi, L. Analysis on dead-time compensation method for direct-drive PMSM servo system. In Proceedings of the 2013 International Conference on Electrical Machines and Systems (ICEMS), Busan, Republic of Korea, 26–29 October 2013; pp. 1271–1276. [Google Scholar] [CrossRef]
- Lee, J.-H.; Sul, S.-K. Inverter Nonlinearity Compensation Through Deadtime Effect Estimation. IEEE Trans. Power Electron. 2021, 36, 10684–10694. [Google Scholar] [CrossRef]
- Wei, S.; Yong, Y.; Gaolin, W.; Dianguo, X. Accurate inverter error compensation using self-tuning stator current estimation error in sensorless induction motor drives. In Proceedings of the 2014 IEEE Industry Application Society Annual Meeting, Vancouver, BC, Canada, 5–9 October 2014; pp. 1–6. [Google Scholar] [CrossRef]
- Pellegrino, G.; Bojoi, R.I.; Guglielmi, P.; Cupertino, F. Accurate Inverter Error Compensation and Related Self-Commissioning Scheme in Sensorless Induction Motor Drives. IEEE Trans. Ind. Appl. 2010, 46, 1970–1978. [Google Scholar] [CrossRef]







| Use of BEMFHFC and HSRFCC | 150 rpm | 600 rpm | 900 rpm | 1200 rpm |
|---|---|---|---|---|
| before | 4.32% | 19.55% | 26.44% | 31.71% |
| after | 1.31% | 3.56% | 4.27% | 4.84% |
| Use of BEMFHFC and HSRFCC | THD (%) | Current Harmonics (%) | |||
|---|---|---|---|---|---|
| 5th | 7th | 11th | 13th | ||
| before | 31.71 | 29.98 | 9.72 | 0.69 | 0.7 |
| after | 4.84 | 2.74 | 1.21 | 0.12 | 0.33 |
Disclaimer/Publisher’s Note: The statements, opinions and data contained in all publications are solely those of the individual author(s) and contributor(s) and not of MDPI and/or the editor(s). MDPI and/or the editor(s) disclaim responsibility for any injury to people or property resulting from any ideas, methods, instructions or products referred to in the content. |
© 2025 by the authors. Licensee MDPI, Basel, Switzerland. This article is an open access article distributed under the terms and conditions of the Creative Commons Attribution (CC BY) license (https://creativecommons.org/licenses/by/4.0/).
Share and Cite
Lin, Y.-T.; Hwang, J.-C.; Tsai, C.-T.; Lin, C.-T. Implementation of a Current Harmonics Suppression Strategy for a Six-Phase Permanent Magnet Synchronous Motor. Energies 2025, 18, 665. https://doi.org/10.3390/en18030665
Lin Y-T, Hwang J-C, Tsai C-T, Lin C-T. Implementation of a Current Harmonics Suppression Strategy for a Six-Phase Permanent Magnet Synchronous Motor. Energies. 2025; 18(3):665. https://doi.org/10.3390/en18030665
Chicago/Turabian StyleLin, Yu-Ting, Jonq-Chin Hwang, Cheng-Ting Tsai, and Cheng-Tsung Lin. 2025. "Implementation of a Current Harmonics Suppression Strategy for a Six-Phase Permanent Magnet Synchronous Motor" Energies 18, no. 3: 665. https://doi.org/10.3390/en18030665
APA StyleLin, Y.-T., Hwang, J.-C., Tsai, C.-T., & Lin, C.-T. (2025). Implementation of a Current Harmonics Suppression Strategy for a Six-Phase Permanent Magnet Synchronous Motor. Energies, 18(3), 665. https://doi.org/10.3390/en18030665

