Investigation on Fatigue Threshold Testing Methods in a Near Lamellar TiAl Alloy
Abstract
1. Introduction
2. Materials and Experimental Works
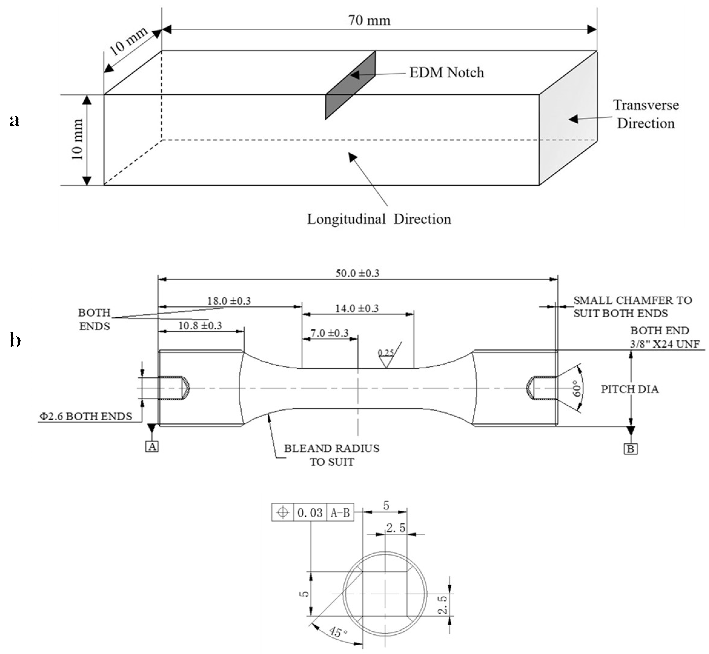
2.1. Materials and Specimens
2.2. Fatigue Threshold and Crack Growth Tests
2.2.1. Precracking
2.2.2. Testing Details
2.2.3. Data Processing
3. Results
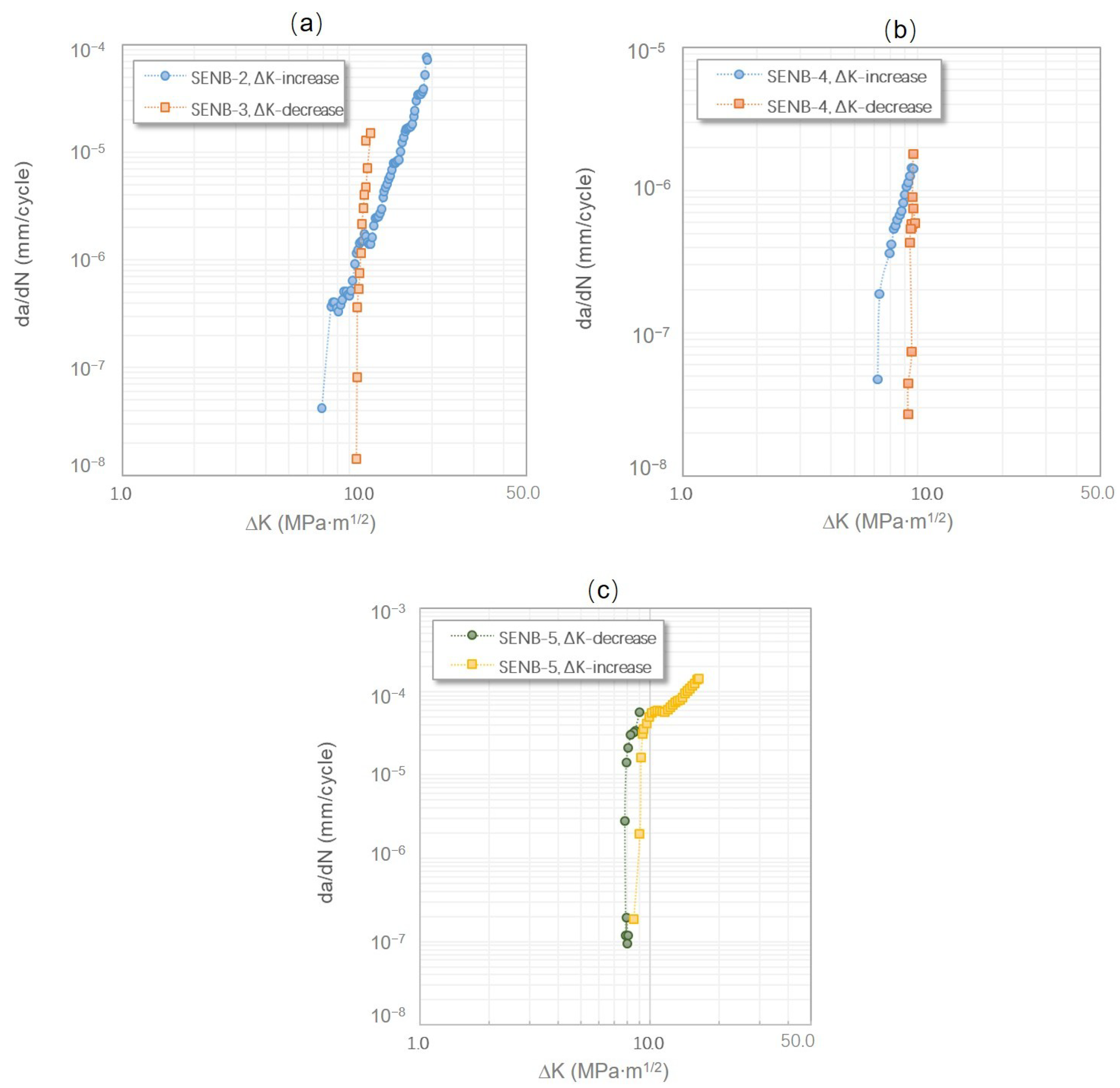
3.1. Effect of Loading Schemes—Load-Increasing Method vs. Load-Decreasing Method
3.2. Effect of Specimen Notch Depth and Configuration on Fatigue Threshold
3.3. Tests Started from Precrack vs. from Notch
4. Discussion
4.1. Fatigue Threshold in Lamellar γ-TiAl alloys
4.2. Effect of Loading Schemes
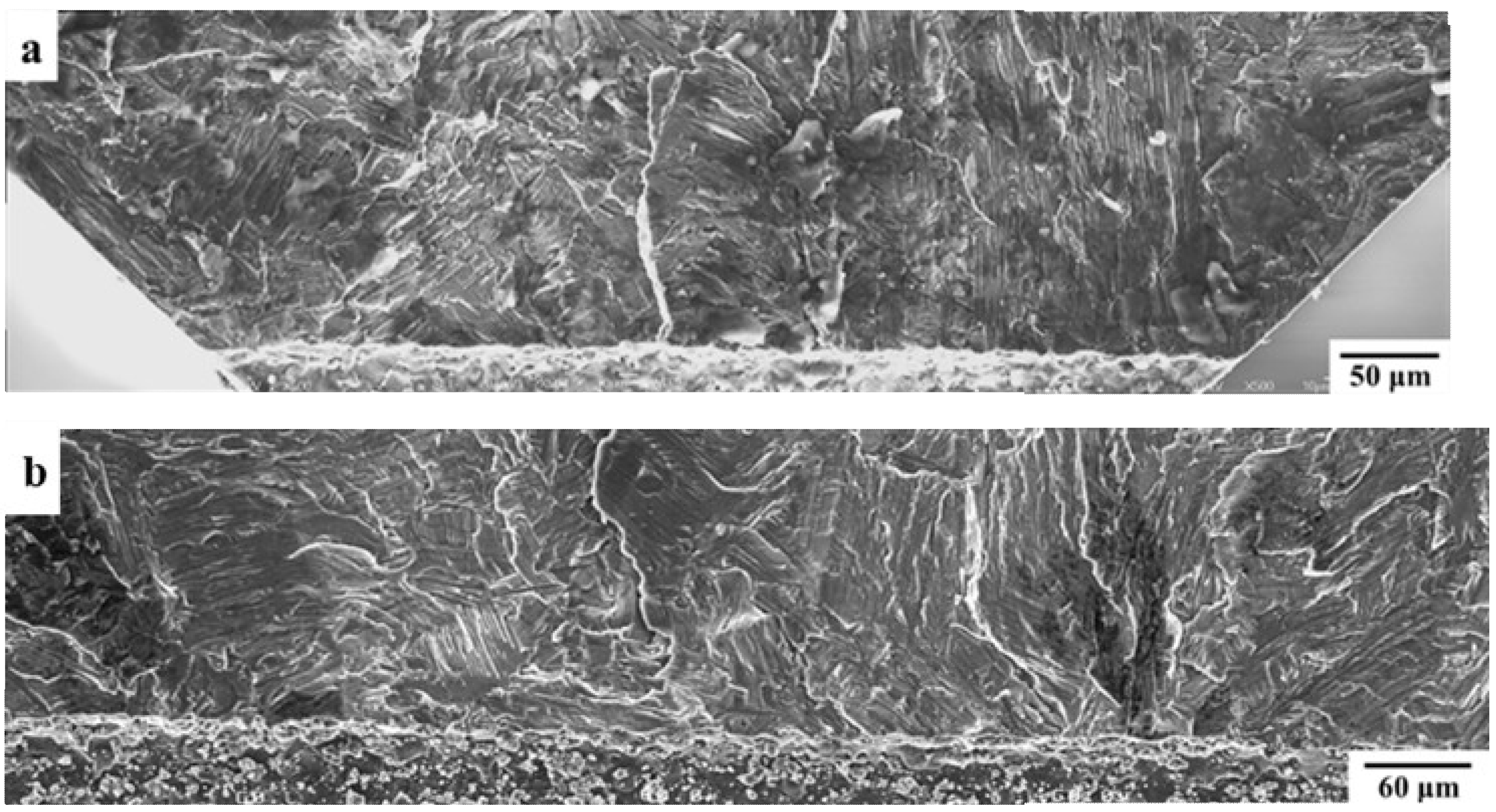
4.3. Effect of Fatigue Crack Starting State
4.3.1. Compression–Compression Precracking Method
4.3.2. Precrack vs. Notch
4.4. Additional Considerations
5. Conclusions
- (1)
- The load-decreasing method results in higher ΔKth values and steeper fatigue crack growth curves than the load-increasing method. However, a preceding loading history can also lead to higher ΔKth values even for load-increasing tests;
- (2)
- Notch depths can alter the ΔKth values due to significant variations of the starting load levels, especially at RT and low R ratios, where the microstructure plays a dominant role on fatigue crack initiation;
- (3)
- Precracking is not necessary for fatigue tests in lamellar TiAl specimens if the notch front is very sharp. The tests from precracks and notches show a perceptible difference at the fatigue threshold regime. However, the results from specimens without precracking are believed to offer a more accurate intrinsic crack resistance of the alloy;
- (4)
- Temperature has a significant influence on both the fatigue crack threshold and crack growth behaviors in this lamellar Ti4522XD alloy. In general, the FCG curves are relatively straight at RT, whereas they are more similar to those of conventional ductile materials at high temperatures, indicating increased ductility. At RT, the microstructure plays a more predominant role in the fatigue crack threshold regime and thus leads to an obvious divergence due to microstructural variation, especially for the notches with a short front. As the temperature increases, the thermal driving force becomes more superior to the microstructural effects, resulting in less scattered ΔKth values no matter how much the influential factors vary.
Author Contributions
Funding
Acknowledgments
Conflicts of Interest
References
- Bewlay, B.P.; Weimer, M.; Kelly, T.; Suzuki, A.; Subramanian, P. The Science, Technology, and Implementation of TiAl Alloys in Commercial Aircraft Engines. MRS Proc. 2013, 1516, 49–58. [Google Scholar] [CrossRef]
- Edwards, T. Recent progress in the high-cycle fatigue behaviour of γ-TiAl alloys. Mater. Sci. Technol. 2018, 34, 1919–1939. [Google Scholar] [CrossRef]
- Gnanamoorthy, R.; Mutoh, Y.; Mizuhara, Y. Fatigue crack growth behavior of equiaxed, duplex and lamellar microstructure γ-base titanium aluminides. Intermetallics 1996, 4, 525–532. [Google Scholar] [CrossRef]
- Hénaff, G.; Bittar, B.; Mabru, C.; Petit, J.; Bowen, P. Fatigue crack propagation resistance of a Ti48Al2Mn2Nb alloy in the as-cast condition. Mater. Sci. Eng. A 1996, 219, 212–220. [Google Scholar] [CrossRef]
- Chan, K.S.; Shih, D.S. Fatigue and fracture behavior of a fine-grained lamellar TiAl alloy. Met. Mater. Trans. A 1997, 28, 79–90. [Google Scholar] [CrossRef]
- Mercer, C.; Lou, J.; Soboyejo, W. An investigation of fatigue crack growth in a cast lamellar Ti48Al2Cr2Nb alloy. Mater. Sci. Eng. A 2000, 284, 235–245. [Google Scholar] [CrossRef]
- Pippan, R.; Hageneder, P.; Knabl, W.; Clemens, H.; Hebesberger, T.; Tabernig, B. Fatigue threshold and crack propagation in gamma-TiAl sheets. Intermetallics 2001, 9, 89–96. [Google Scholar] [CrossRef]
- Hamada, S.; Nozue, A.; Tamin, M.N. Fatigue Crack Growth Mechanisms Of Cast Ti-48Al (at.%) Alloy. WIT Trans. Eng. Sci. 2000, 26, 10. [Google Scholar]
- Balsone, S.J.; Larsen, J.M.; Maxwell, D.C.; Jones, J.W. Effects of microstructure and temperature on fatigue crack growth in the TiAl alloy Ti-46.5Al-3Nb-2Cr-0.2W. Mater. Sci. Eng. A 1995, 192, 457–464. [Google Scholar] [CrossRef]
- Campbell, J.P.; Rao, K.T.V.; Ritchie, R.O. The effect of microstructure on fracture toughness and fatigue crack growth behavior in gamma-titanium aluminide based intermetallics. Metall. Mater. Trans. A 1999, 30, 563–577. [Google Scholar] [CrossRef]
- Gloanec, A.-L.; Hénaff, G.; Bertheau, D.; Belaygue, P.; Grange, M. Fatigue crack growth behaviour of a gamma-titanium-aluminide alloy prepared by casting and powder metallurgy. Scr. Mater. 2003, 49, 825–830. [Google Scholar] [CrossRef]
- McKelvey, A.L.; Rao, K.T.V.; Ritchie, R.O. High-temperature fracture and fatigue-crack growth behavior of an XD gamma-based titanium aluminide intermetallic alloy. Met. Mater. Trans. A 2000, 31, 1413–1423. [Google Scholar] [CrossRef]
- van Kranenburg, C.; He, W.; Zuidema, J.; Veer, F. Influence of Measurement Method on Fatigue Crack Growth Threshold. ECF15, Stockolm. 2004. Available online: https://www.gruppofrattura.it/ocs/index.php/esis/ECF15/paper/download/8725/4790 (accessed on 24 October 2019).
- Forth, S.C.; Newman, J.C.; Forman, R.G. Generating fatigue crack growth thresholds with constant amplitude loads. In Proceedings of the 8th International Fatigue Congress, Stockholm, Sweden, 2–7 June 2002. [Google Scholar]
- Suresh, S. Fatigue of Materials; Cambridge University Press: Cambridge, UK, 1998. [Google Scholar]
- ASTM. Standard Test Method for Measurement of Fatigue Crack Growth Rates; ASTM E 647; ASTM: Philadelphia, PA, USA, 1999. [Google Scholar]
- Pickard, A.C.; Brown, C.W.; Hicks, M.A. The Development of Advanced Testing and Analysis Techniques Applied to Fracture Mechanics Lifing of Gas Turbine Components. In International Conference on Advances in Life Prediction Methods; ASME: Philadelphia, PA, USA, 1983; pp. 173–178. [Google Scholar]
- Hu, D.; Yan, L.; Gao, Y.; Mao, J.; Wang, R. Crack Growth Behavior of Full-Scale Turbine Attachment Under Combined High and Low Cycle Fatigue. J. Eng. Gas Turbines Power 2019, 141, 091002. [Google Scholar] [CrossRef]
- International ASTM. Standard Test Method for Measurement of Fracture Toughness; ASME: Philadelphia, PA, USA, 2001. [Google Scholar]
- Hussain, K. Short fatigue crack behaviour and analytical models: A review. Eng. Fract. Mech. 1997, 58, 327–354. [Google Scholar] [CrossRef]
- Kruzic, J.J.; Campbell, J.P.; Ritchie, R.O. On the fatigue behavior of gamma-based titanium aluminides: Role of small cracks. Acta Mater. 1999, 47, 801–816. [Google Scholar] [CrossRef]
- Ritchie, R.O.; Peters, J.O. Small Fatigue Cracks: Mechanics, Mechanisms and Engineering Applications. Mater. Trans. 2001, 42, 58–67. [Google Scholar] [CrossRef]
- Gloanec, A.L. Mécanismes gouvernant le comportement cyclique et la résistance à la fissuration par fatigue des alliages TiAl. Ph.D. Thesis, University of Poitiers, Poitiers, France, 2003. (In French). [Google Scholar]
- Zhao, L.; Tong, J.; Byrne, J. Stress intensity factor K and the elastic T-stress for corner cracks. Int. J. Fract. 2001, 109, 209–225. [Google Scholar] [CrossRef]
- Forth, S.; Newman, J.; Forman, R. On generating fatigue crack growth thresholds. Int. J. Fatigue 2003, 25, 9–15. [Google Scholar] [CrossRef]
- Newman, J.; Riddell, W.; Piascik, R. Effects of K max on Fatigue Crack Growth Threshold in Aluminum Alloys. In Fatigue Crack Growth Thresholds, Endurance Limits, and Design; ASME: Philadelphia, PA, USA, 2000. [Google Scholar]
- Mall, S.; Staubs, E.A.; Nicholas, T. Investigation of Creep/Fatigue Interaction on Crack Growth in a Titanium Aluminide Alloy. J. Eng. Mater. Technol. 1990, 112, 435–441. [Google Scholar] [CrossRef]
- Chapetti, M. Fatigue propagation threshold of short cracks under constant amplitude loading. Int. J. Fatigue 2003, 25, 1319–1326. [Google Scholar] [CrossRef]
- Jordon, J.B.; Newman, J.C.; Xue, Y.; Horstemeyer, M.F. Near Threshold Fatigue Crack Growth in 7075-T651 Aluminum Alloy. In Proceedings of the SEM Annual Conference and Exposition on Experimental and Applied Mechanics, Saint Louis, MO, USA, 4–7 June 2006. [Google Scholar]
- Newman, J.; Yamada, Y. Compression precracking methods to generate near-threshold fatigue-crack-growth-rate data. Int. J. Fatigue 2010, 32, 879–885. [Google Scholar] [CrossRef]
- Zhou, X.; Hohenwarter, A.; Leitner, T.; Gänser, H.; Pippan, R. Load history effects on fatigue crack propagation: Its effect on the R-curve for threshold. Frat. Integrità Strutt. 2015, 9, 209–214. [Google Scholar] [CrossRef]
- Botvina, L.R.; Korsunsky, A.M. On the structure of plastic and damage zones in different materials and at various scales. In Proceedings of the 11th International Conference on Fracture (ICF11), Turin, Italy, 20–25 March 2005; pp. 5871–5876. [Google Scholar]
- Trail, S.J. Fatigue of Gamma Based Titanium Aluminide Alloys. Ph.D. Thesis, University of Birmingham, Birmingham, UK, 1996; p. 118. [Google Scholar]
- Chan, K.S.; Shih, D.S. Fundamental aspects of fatigue and fracture in a TiAl sheet alloy. Met. Mater. Trans. A 1998, 29, 73–87. [Google Scholar] [CrossRef]
- Ast, J.; Ghidelli, M.; Durst, K.; Göken, M.; Sebastiani, M.; Korsunsky, A.; Goeken, M. A review of experimental approaches to fracture toughness evaluation at the micro-scale. Mater. Des. 2019, 173, 107762. [Google Scholar] [CrossRef]
- Ghidelli, M.; Sebastiani, M.; Collet, C.; Guillemet, R. Determination of the elastic moduli and residual stresses of freestanding Au-TiW bilayer thin films by nanoindentation. Mater. Des. 2016, 106, 436–445. [Google Scholar] [CrossRef]














| Authors | Material | Specimen Configuration | Load Case | Testing Method |
|---|---|---|---|---|
| Gnanamoorthy et al. [3] | Ti-46Al (at.%) + Ti-47Al-3Nb (at.%) | rectangular bar | 4-point bending | K-decreasing method |
| Hénaff et al. [4] | Ti-48Al-2Mn-2Nb (at.%) | compact tension | tension–tension | / |
| Chan and Shih [5] | Ti-47Al-2Cr-2Nb-0.2B (at.%) | compact tension | tension–tension | prescribed ΔK level + higher ΔK level |
| rectangular bar | 3-point bending | / | ||
| Mercer et al. [6] | Ti-48Al-2Cr-2Nb (at.%) | rectangular bar | 3-point bending | ΔK-increasing method |
| Pippan et al. [7] | Ti-46.5Al-4(Cr, Nb, Ta, B) (at.%) | rectangular bar | bending | ΔK-increasing method |
| Hamada et al. [8] | Ti-48Al (at.%) | compact tension (cylindrical) | tension–tension | constant load amplitude |
| Balsone et al. [9] | Ti-46.5Al-3Nb-2Cr-0.2W (at.%) | compact tension | tension–tension | ΔK-decreasing /constant load amplitude |
| Campbell et al. [10] | Ti-47.7Al-2Nb-0.8Mn, Ti-47Al-2Nb-2Cr-0.2B, Ti-47Al-2Cr-2Nb, Ti-47.3Al-2.3Nb-1.5Cr-0.4V (at.%) | compact tension | tension–tension | Variable ΔK/constant R/load-shedding (ASTM standard E647) |
| Gloanec et al. [11] | Ti-48Al-2Cr-2Nb (at.%) | compact tension | tension–tension | Constant load ratio/constant Kmax |
| McKelvey et al. [12] | Ti-47.4Al-1.9Nb-0.9Nb (at.%) – 1 TiB2 (vol.%) | disk-shaped compact tension | tension–tension | Load-shedding |
| Specimen ID | Testing condition | Crack Starter | Notch depth (mm) | Loading method | Pmax at threshold (kN) | ΔKth (MPa·m1/2) | |
|---|---|---|---|---|---|---|---|
| T (°C) | R | ||||||
| CC-1 | RT | 0.1 | notch | 0.7 | load-increase | 5.6 | 7.2 |
| CC-2 | RT | 0.1 | notch | 0.5 | load-increase | 5.8 | 7.0 |
| CC-3 | RT | 0.1 | notch | 0.3 | load-increase | 7.0 | 6.2 |
| CC-4 | RT | 0.1 | notch | 0.2 | load-increase | 7.2 | 5.2 |
| CC-5 | 650 | 0.1 | notch | 0.7 | load-increase | 4.6 | 5.4 |
| CC-6 | 650 | 0.1 | notch | 0.5 | load-increase | 5.5 | 6.0 |
| CC-7 | 650 | 0.1 | notch | 0.3 | load-increase | 6.2 | 5.3 |
| CC-8 | 650 | 0.1 | notch | 0.2 | load-increase | 8.2 | 5.9 |
| CC-9 | 650 | 0.1 | precracked (400 °C) | 0.5 | load-increase | 4.4 | 6.0 |
| CC-10 | 650 | 0.1 | precracked (RT) | 0.5 | load-increase | 4.8 | 6.7 |
| SENB-1 | RT | 0.1 | notch | 1.8 | load-increase | 3.4 | 7.6 |
| SENB-2 | RT | 0.1 | precrack | 1.8 | load-increase | 2.8 | 6.9 |
| SENB-3 | RT | 0.1 | precrack | 1.8 | load-decrease | 2.8 | 9.7 |
| SENB-4 | RT | 0.1 | precrack | 1.8 | load-increase | 2.6 | 6.2 |
| load-decrease | 2.2 | 8.3 | |||||
| SENB-5 | 650 | 0.1 | precrack | 1.8 | load-decrease | 2.3 | 8.1 |
| load-increase | 2.5 | 9.0 | |||||
© 2019 by the authors. Licensee MDPI, Basel, Switzerland. This article is an open access article distributed under the terms and conditions of the Creative Commons Attribution (CC BY) license (http://creativecommons.org/licenses/by/4.0/).
Share and Cite
Wang, S.; Li, H.; Bowen, P. Investigation on Fatigue Threshold Testing Methods in a Near Lamellar TiAl Alloy. Materials 2019, 12, 3487. https://doi.org/10.3390/ma12213487
Wang S, Li H, Bowen P. Investigation on Fatigue Threshold Testing Methods in a Near Lamellar TiAl Alloy. Materials. 2019; 12(21):3487. https://doi.org/10.3390/ma12213487
Chicago/Turabian StyleWang, Shiyuan, Hangyue Li, and Paul Bowen. 2019. "Investigation on Fatigue Threshold Testing Methods in a Near Lamellar TiAl Alloy" Materials 12, no. 21: 3487. https://doi.org/10.3390/ma12213487
APA StyleWang, S., Li, H., & Bowen, P. (2019). Investigation on Fatigue Threshold Testing Methods in a Near Lamellar TiAl Alloy. Materials, 12(21), 3487. https://doi.org/10.3390/ma12213487
