The Wear on Roller Press Rollers Made of 20Cr4/1.7027 Steel under Conditions of Copper Concentrate Briquetting
Abstract
1. Introduction
2. Materials and Methods
3. Results and Discussion
3.1. Macro Assessment of the Surface
3.2. Aerological Macro Observations
3.3. Geometry of Wear
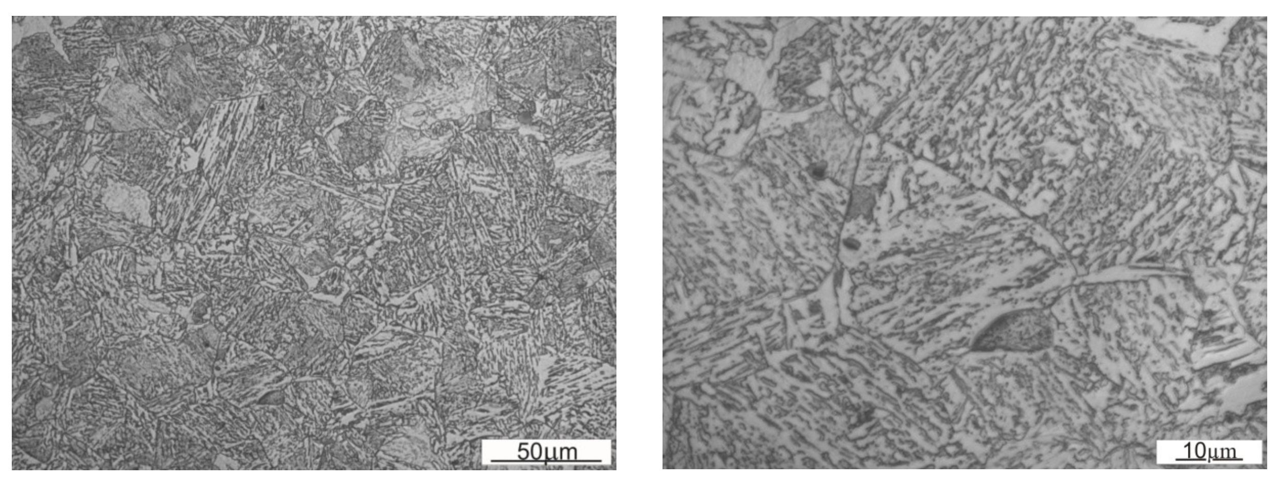
3.4. Microstructure
3.5. Surface Observation with SEM
3.6. Hardness Measurements
4. Conclusions
- The working rings are non-uniformly worn. The smallest wear affects the molding cavities situated on the outermost edges of the ring. The wear increases as the center of the ring is approximated, and it reaches its maximum at mid-width. This results from the way in which the consolidated material is fed in the compaction zone.
- The molding cavities are worn asymmetrically. This is related to the direction in which the roller rings rotate. In the case of the shape considered in the study, the lower part of the cavity is subjected to a higher wear rate.
- The working rings are subjected to a carburization process which results in an increase in the surface layer hardness to approximately 370 HV. The required hardness should amount to 700 HV; it should be remembered, however, that the surface is abraded. While analyzing the carburized layer morphology, it can be concluded that, once a wear rate of about 3 mm has been reached, the wear continues with much greater intensity. The roller ring microstructure changes depending on the distance from the cavity face, which is related to the process of carburization and further heat treatment.
- As the wear becomes more advanced, its mechanisms change. At the initial stage, this is mainly chipping and cracking, started by corrosion processes, which then turn into spalling processes, and finally into abrasive wear.
- The top of the threshold undergoes the characteristic wear. This is related to high unit pressures in this area which often exceed the yield strength and to the previous deterioration and removal of the carburized layer by the loss of material.
Author Contributions
Funding
Acknowledgments
Conflicts of Interest
References
- Pietsch, W. An interdisciplinary approach to size enlargement by agglomeration. Powder Technol. 2003, 130, 8–13. [Google Scholar] [CrossRef]
- Bizhanov, A.; Chizhikova, V. Briquetting. In Agglomeration in Metallurgy; Springer International Publishing: Cham, Switzerland, 2020; pp. 287–447. [Google Scholar]
- Bembenek, M. Research and prospects for new areas of using roller presses (Badania i perspektywy nowych obszarów stosowania pras walcowych). Przem. Chem. 2017, 9, 1845–1847. (In Polish) [Google Scholar]
- Wilczyński, D.; Malujda, I.; Górecki, J.; Jankowiak, P. Research on the process of biomass compaction in the form of straw. In MATEC Web of Conferences; EDP Sciences: Les Ulis, France, 2019; Volume 254, p. 05015. [Google Scholar]
- Ajimotokan, H.A.; Ehindero, A.O.; Ajao, K.S.; Adeleke, A.A.; Ikubanni, P.P.; Shuaib-Babata, Y.L. Combustion characteristics of fuel briquettes made from charcoal particles and sawdust agglomerates. Sci. Afr. 2019, 6, e00202. [Google Scholar] [CrossRef]
- Florentino-Madiedo, L.; Díaz-Faes, E.; Barriocanal, C. Mechanical strength of bio-coke from briquettes. Renew. Energy 2020, 146, 1717–1724. [Google Scholar] [CrossRef]
- Obidziński, S. Pelletization process of postproduction plant waste. Int. Agrophisics 2012, 3, 279–284. [Google Scholar] [CrossRef]
- Baiul, K.V. Synthesis of Roller Press Rational Design for Composite Solid Fuel Production. Problemele Energeticii Regionale 2019, 2, 103–116. [Google Scholar]
- Polyanskii, V.I.; Kobelev, M.V.; Vetoshkin, A.V. The equipment for the press compacting of the metallurgical lime screenings (Обoрудoвание для брикетирoвания oтсева металлургическoй извести). New Refract. Sci. Eng. J. 2014, 3, 99–100. (In Russian) [Google Scholar]
- Khudyakov, A.; Vashchenko, S.V.; Baiul, K.V.; Semenov, Y.S. Kaolin Raw Material Briquetting for Lump Chamotte Production. Refract. Ind. Ceram. 2018, 4, 333–337. [Google Scholar] [CrossRef]
- Magdziarz, A.; Kuźnia, M.; Bembenek, M.; Gara, P.; Hryniewicz, M. Briquetting of EAF dust for its utilisation in metallurgical processes. Chem. Process. Eng. 2015, 36, 263–271. [Google Scholar] [CrossRef]
- Ulus, A.; Ekici, H.; Güler, E. Optimization of Recovery Efficiency for Briquetted Aluminum Chips up to Briquetting Parameters. In Light Metals; Ratvik, A., Ed.; Springer International Publishing: Cham, Switzerland, 2017; pp. 925–932. [Google Scholar]
- Bembenek, M.; Wdaniec, P.; Baran, E. Production of a granulated mineral fertilizer from waste gypsum in a flat-matrix granulator. Przem. Chem. 2020, 99, 236–238. (In Polish) [Google Scholar]
- Gara, P. Studies on a two-stage granulation process of fine waste. Przem. Chem. 2015, 9, 1509–1511. [Google Scholar]
- Michrafy, A.; Zavaliangos, A.; Cunningham, J.C. Dry granulation process modelling. Predict. Model. Pharm. Unit Oper. 2017, 1, 71–97. [Google Scholar]
- Bindhumadhavan, G.; Seville, J.P.K.; Adams, M.J.; Greenwood, R.W.; Fitzpatrick, S. Roll compaction of a pharmaceutical excipient: Experimental validation of rolling theory for granular solids. Chem. Eng. Sci. 2005, 60, 3891–3897. [Google Scholar] [CrossRef]
- Schiano, S.; Chen, L.; Wu, C.-Y. The effect of dry granulation on flow behaviour of pharmaceutical powders during die filling. Powder Technol. 2018, 337, 78–83. [Google Scholar] [CrossRef]
- Zhang, G.; Sun, Y.; Xu, Y. Review of briquette binders and briquetting mechanism. Renew. Sustain. Energy Rev. 2018, 82, 477–487. [Google Scholar] [CrossRef]
- Kruszelnicka, W.; Kasner, R.; Bałdowska-Witos, P.; Flizikowski, J.; Tomporowski, A. The integrated energy consumption index for energy biomass grinding technology assessment. Energies 2020, 13, 1417. [Google Scholar] [CrossRef]
- Karwat, B.; Rubacha, P.; Stańczyk, E. Simulational and experimental determination of the exploitation parameters of a screw conveyor. Ekspolatacja Niezawodn. 2020, 22, 741–747. [Google Scholar] [CrossRef]
- Bailu, K.V.; Solodka, N.; Khudyakov, A.; Vashchenko, S.V. Selection of rational surface configuration for roller press tires. Powder Metall. Met. Ceram. 2020, 59, 9–21. [Google Scholar] [CrossRef]
- Babailov, N.; Polyanskii, L.; Loginov, Y. Briquetting Metallurgical Lime Screenings and Parameters Making it Possible to Improve Process Efficiency. Metallurgist 2016, 60, 576–580. [Google Scholar] [CrossRef]
- Hryniewicz, M. Method of Selection of Roll Presses and Elaboration of Design Criteria for Their Modernization or Construction (Metoda Doboru Pras Walcowych Oraz Opracowania Założeń do ich Modernizacji Lub Konstrukcji); AGH University of Science and Technology: Kraków, Poland, 1997. (In Polish) [Google Scholar]
- Loginom Yu., N.; Bourkine, S.P.; Babaliov, N.A. Cinematics and volume deformations during roll press briquetting. J. Mater. Process. Technol. 2001, 118, 151–157. [Google Scholar] [CrossRef]
- Reynolds, G.; Ingale, R.; Roberts, R.; Kothari, S.; Gururajan, B. Practical application of roller compaction process modelling. Comput. Chem. Eng. 2010, 34, 1049–1057. [Google Scholar] [CrossRef]
- Janewicz, A. Problems of Profiling and Exploitation of the Working Surface of Forming Elements of Roller Presses (Problemy Profilowania i Eksploatacji Powierzchni Roboczej Elementów Formujących Pras Walcowych); AGH University of Science and Technology: Kraków, Poland, 2010. (In Polish) [Google Scholar]
- Qiu, P.; Li, X.; Zhao, T.; Liu, S. Wear-resisting mechanism analysis and experiment on circular mould of straw briquetting machine by rolling entrance structure. Chin. Soc. Agric. Mach. 2016, 47, 112–116. [Google Scholar]
- Orisaleye, J.; Ojolo, S.; Ajiboye, J. Pressure build-up and wear analysis of tapered screw extruder biomass briquetting machines. Agric. Eng. Int. CIGR J. 2019, 21, 122–133. [Google Scholar]
- Huo, L.; Hou, S.; Tian, Y.; Zhao, L.; Meng, H.; Sun, H. Wear failure analysis on roller assembly of biomass pellet mill. Trans. CSAE 2010, 26, 102–106. [Google Scholar]
- Janewicz, A.; Kosturkiewicz, B.; Hryniewicz, M. Operational wear and destruction of the working surface of the forming elements of roller presses (Zużycie eksploatacyjne i niszczenie powierzchni roboczej elementów formujących pras walcowych). In Proceedings of the XXVI Conference “Problemy Rozwoju Maszyn Roboczych”, Zakopane, Poland, 28–31 January 2013. (In Polish). [Google Scholar]
- Hryniewicz, M. Investigation into increase of the durability of briquetters forming elements (Badania nad zwiększeniem trwałości elementów formujących brykieciarek). Sci. Mag. Bialyst. Univ. Technol. Tech. Stud. Constr. Oper. Mach. 2001, 8, 135–142. [Google Scholar]
- Baiul, K.; Vashchenko, S.V.; Khudyakov, A.; Krot, P.; Solodka, N. Optimisation of Wastes Compaction Parameters in Case of Gradual Wear of the Briquetting Press Rolls. In Proceedings of the First Virtual Conference on Mechanical Fatigue VCMF 2020, 9–11 September 2020. [Google Scholar]
- Bembenek, M. Innovations in the Design and Use of Roller Presses (Innowacje w Konstrukcji i Zastosowaniu pras Walcowych); AGH University of Science and Technology: Kraków, Poland, 2018. (In Polish) [Google Scholar]
- Kulczycka, J.; Lelek, Ł.; Lewandowska, A.; Wirth, H.; Bergesen, J. Environmental Impacts of Energy-Efficient Pyrometallurgical Copper Smelting Technologies: The Consequences of Technological Changes from 2010 to 2050. J. Ind. Ecol. 2017, 20, 304–316. [Google Scholar] [CrossRef]
- Brnic, J.; Turkalj, G.; Lanc, D.; Canadija, M.; Brcic, M.; Vukelic, G. Comparison of material properties: Steel 20MnCr5 and similar steels. J. Constr. Steel Res. 2014, 95, 81–89. [Google Scholar] [CrossRef]
- Opačak, I.; Marić, A.; Dašić, P.; Marušić, V. The laboratory testing of steel 20MnCr5. Mach. Technol. Mater. 2018, 12, 132–135. [Google Scholar]
- Tarasiuk, W.; Piwnik, J.; Węgrzyn, T.; Sieteski, D. Wear Resistance of Steel 20MnCr5 After Surfacing with Micro-jet Cooling. Arch. Foundry Eng. 2016, 16, 121–124. [Google Scholar] [CrossRef]
- Brnic, J.; Brcic, M. Comparison of Mechanical Properties and Resistance to Creep of 20MnCr5 Steel and X10CrAlSi25 Steel. Procedia Eng. 2015, 100, 84–89. [Google Scholar] [CrossRef]
- Tarasiuk, W.; Liszewski, M.; Krupicz, B.; Kasprzycka, E. The analysis of the selected processes of thermochemical heat treatment of 20MnCr5 steel in the context of abrasive wear. Tribologia 2016, 5, 183–193. [Google Scholar] [CrossRef]
- Belahssen, O.; Benramache, S. Improving Tribological Properties of 20MnCr5 Steel by Plasma Nitriding. J. Chem. Mater. Res. 2015, 4, 45–48. [Google Scholar]
- Burbank, J.; Woydt, M. Comparison of slip-rolling behaviour between 20MnCr5 gear steel, 36NiCrMoV1-5-7 hot working tool steel and 45SiCrMo6 spring steel. Wear 2015, 328–329, 28–38. [Google Scholar] [CrossRef]
- Kadam, S.S.; Ambekar, S.D. Dry Sliding Wear Behavior Of Carburized 20MnCr5 Alloy Steel. Int. J. Eng. Sci. Invent. 2014, 3, 67–72. [Google Scholar]
- Górecki, B.; Pawolka, J.; Kokot, E. Overview of the structure of roller presses for briquetting. Probl. Proj. 1977, 2, 36–45. (In Polish) [Google Scholar]
- ISO. Heat-Treated Steels, Alloy Steels and Free-Cutting Steels—Part 17: Ball and Roller Bearing Steels; ISO 683-17:2014; International Organization for Standardization: Geneva, Switzerland, 2014. [Google Scholar]
- Bembenek, M. Exploring Efficiencies: Examining the Possibility of Decreasing the Size of the Briquettes Used as the Batch in the Electric Arc Furnace Dust Processing Line. Sustainability 2020, 12, 6393. [Google Scholar] [CrossRef]
- Gęstwa, W.; Przyłecka, M. Use of aqueous polymer quenchants for hardening of carbonitrided parts. Int. J. Mater. Prod. Technol. 2005, 24, 126–141. [Google Scholar] [CrossRef]
- Przyłęcka, M.; Gęstwa, W. The influence of quenching mediums on impact strength and hardness of hardened carburized elements created with C20, 20Cr4 and 16 MnCr5 steel. Mater. Eng. 2006, 27, 1184–1187. [Google Scholar]




















| Chemical Composition, Mass % | |||||||||||
|---|---|---|---|---|---|---|---|---|---|---|---|
| C | Si | Mn | S | P | Cr | Ni | Ti | Co | Al | Mo | Fe |
| 0.22 | 0.29 | 0.83 | 0.0085 | 0.016 | 1.04 | 0.088 | 0.063 | 0.008 | 0.047 | 0.022 | rest |
| Side A | Side B | |||
|---|---|---|---|---|
| Loss, % | Loss, mm2 | Loss, % | Loss, mm2 | |
| Row 1 | 8 | 13 | 6 | 9 |
| Row 2 | 30 | 50 | 14 | 21 |
| Row 3 | 72 | 120 | 86 | 130 |
Publisher’s Note: MDPI stays neutral with regard to jurisdictional claims in published maps and institutional affiliations. |
© 2020 by the authors. Licensee MDPI, Basel, Switzerland. This article is an open access article distributed under the terms and conditions of the Creative Commons Attribution (CC BY) license (http://creativecommons.org/licenses/by/4.0/).
Share and Cite
Bembenek, M.; Krawczyk, J.; Pańcikiewicz, K. The Wear on Roller Press Rollers Made of 20Cr4/1.7027 Steel under Conditions of Copper Concentrate Briquetting. Materials 2020, 13, 5782. https://doi.org/10.3390/ma13245782
Bembenek M, Krawczyk J, Pańcikiewicz K. The Wear on Roller Press Rollers Made of 20Cr4/1.7027 Steel under Conditions of Copper Concentrate Briquetting. Materials. 2020; 13(24):5782. https://doi.org/10.3390/ma13245782
Chicago/Turabian StyleBembenek, Michał, Janusz Krawczyk, and Krzysztof Pańcikiewicz. 2020. "The Wear on Roller Press Rollers Made of 20Cr4/1.7027 Steel under Conditions of Copper Concentrate Briquetting" Materials 13, no. 24: 5782. https://doi.org/10.3390/ma13245782
APA StyleBembenek, M., Krawczyk, J., & Pańcikiewicz, K. (2020). The Wear on Roller Press Rollers Made of 20Cr4/1.7027 Steel under Conditions of Copper Concentrate Briquetting. Materials, 13(24), 5782. https://doi.org/10.3390/ma13245782

