Indirect Determination of Residual Prestressing Force in Post-Tensioned Concrete Beam
Abstract
1. Introduction
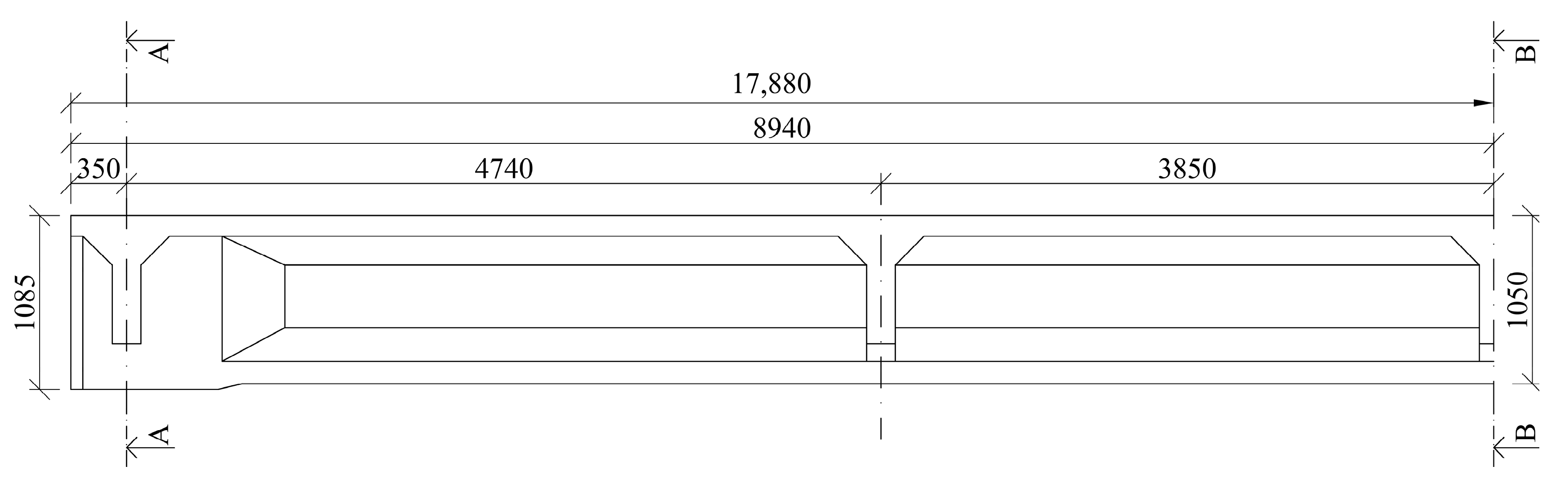
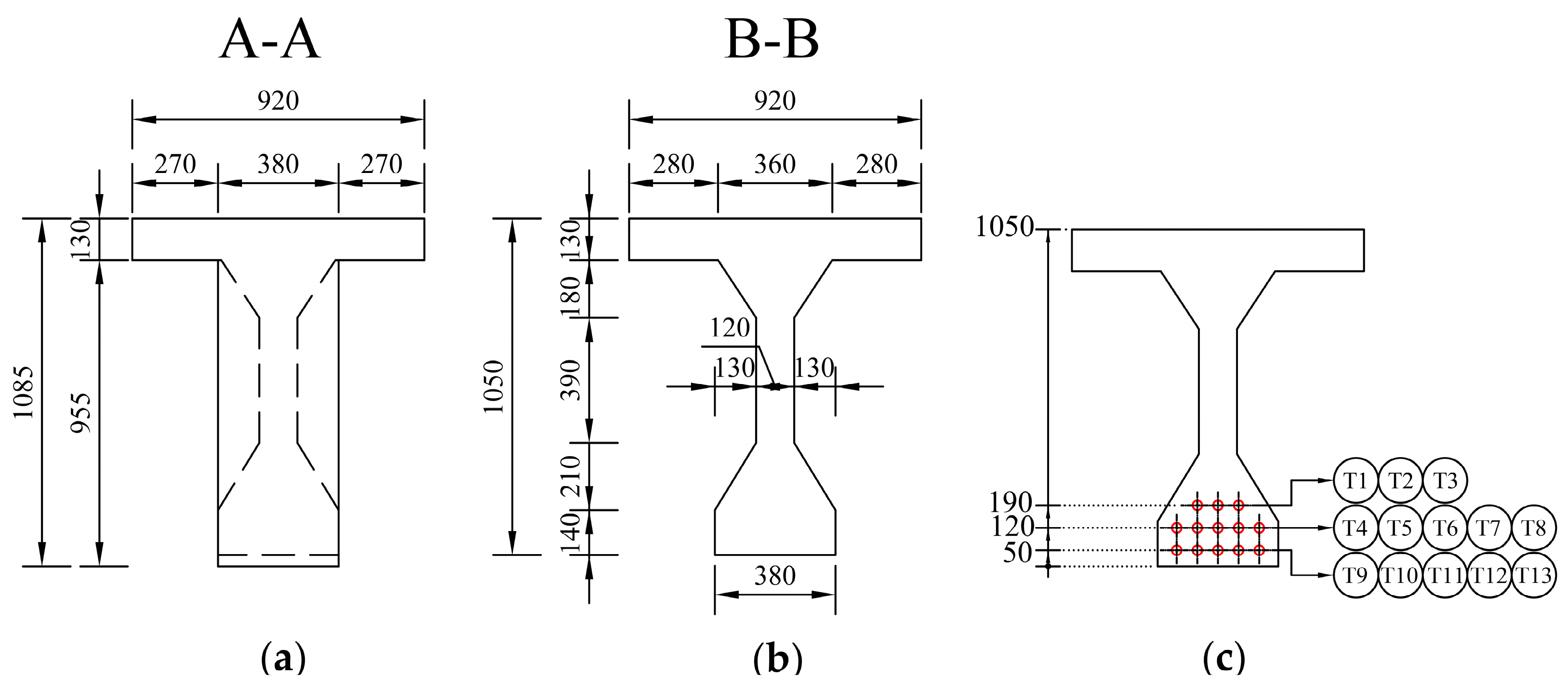
2. Bridge Survey
3. Experimental Program
3.1. Material Properties
3.1.1. Concrete
3.1.2. Prestressing Wires
3.2. Evaluation of Residual Prestressing Force
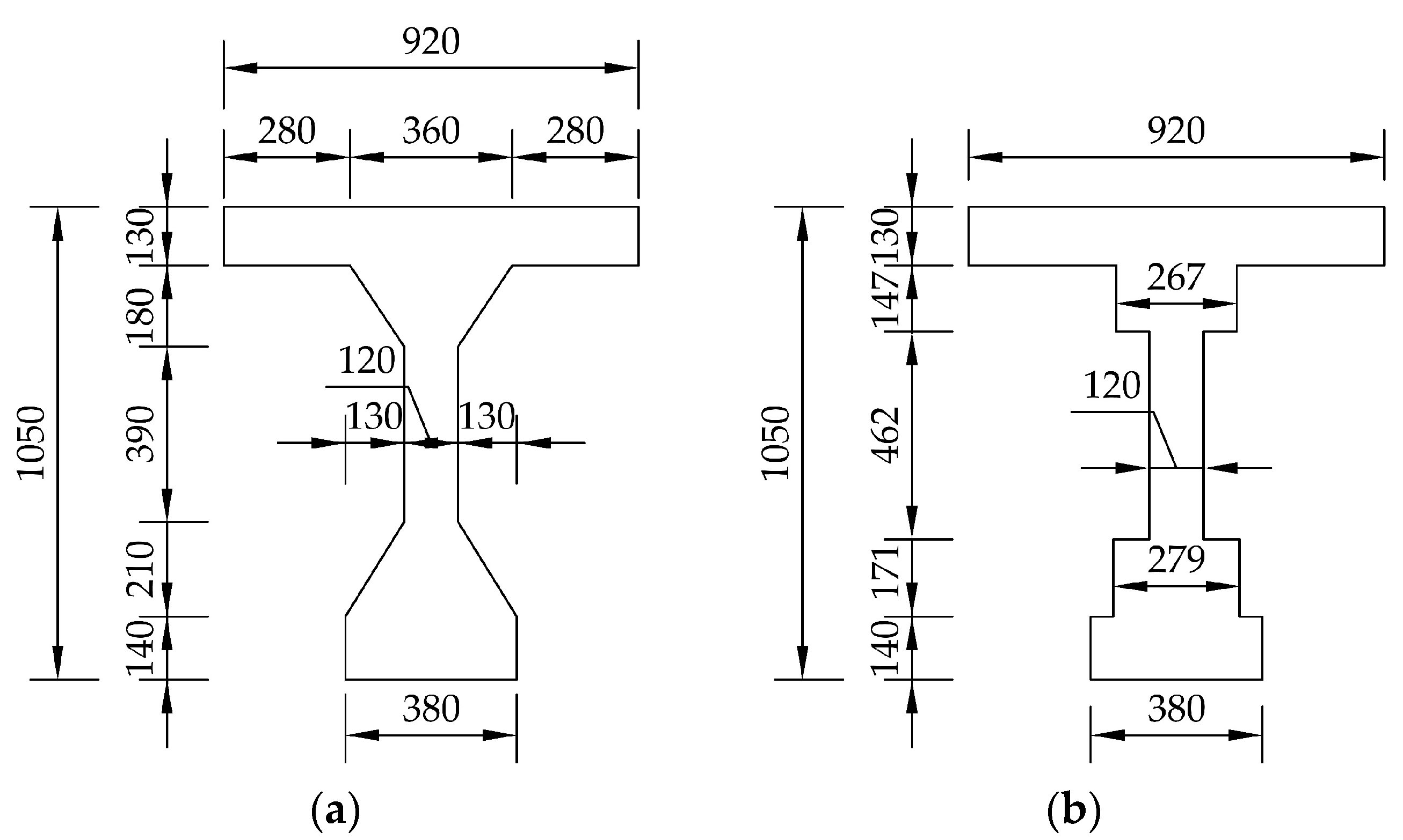
4. Numerical Analysis
- Concrete (SBeta Material):
- fc,cube = 37.0 MPa; fc,cyl = 31.5 MPa; ft = 2.7 MPa; Ec = 33,980 MPa; ν = 0.20
- Prestressing Wires (Reinforcement–Bilinear):
- fy = 1160 MPa; Ep = 190,000 MPa
- Saw-cuts (Plane Stress Elastic Isotropic):
- ESC = 1.0 kPa; ν = 0.30
5. Discussion
6. Conclusions
Author Contributions
Funding
Institutional Review Board Statement
Informed Consent Statement
Data Availability Statement
Conflicts of Interest
Nomenclature
| SC | saw-cut, |
| FE | finite element, |
| SG | strain gauge, |
| SRA | Slovak Road Administration (in Slovak: Slovenská správa ciest), |
| RTC | Rapid Chloride Test, |
| σc,0 | stress in concrete before application of saw-cuts (MPa), |
| σc,1 | stress in concrete after application of saw-cuts (MPa), |
| Δσc | change in stress (MPa), |
| Δσc,EXP | experimentally recorded change in stress (MPa), |
| Δσc,NUM | numerically determined change in stress (MPa), |
| Pmax | maximum prestressing force according to Eurocode 2 (kN), |
| Pm0 | prestressing force after transmission according to Eurocode 2 (kN), |
| Pm60,theoretical | prestressing force after 60 years of service according to Eurocode 2 (kN), |
| Pm60,actual | actual (residual) prestressing force after 60 years of service (kN), |
| ΔP | additional prestressing losses caused by external factors (kN), |
| Ai | ideal cross-sectional area (m2), |
| epi | ideal eccentricity of prestressing force from the neutral axis (m), |
| Iyi | ideal second moment of inertia (m4), |
| zbi | position of the neutral axis of an ideal cross-section from the bottom edge (m), |
| zti | position of the neutral axis of an ideal cross-section from the upper edge (m), |
| MG | moment due to dead load (kNm), |
| Ec | secant modulus of elasticity of concrete (MPa), |
| Ep | modulus of elasticity of prestressing steel (MPa), |
| ESC | modulus of elasticity of saw-cuts (MPa), |
| σp,max | maximum prestressing steel stress according to Eurocode 2 (MPa), |
| fc,cyl | cylindrical compressive strength of concrete (MPa), |
| fc,cube | cubic compressive strength of concrete (MPa), |
| ft | tensile strength of concrete (MPa), |
| ν | Poisson’s ratio (-), |
| fy | yield strength of prestressing steel (patented wires) (MPa), |
| fpt | tensile strength of prestressing steel (MPa), |
| fpk | characteristic tensile strength of prestressing steel (MPa), |
| fp,0.1k | characteristic 0.1% proof-stress of prestressing steel (MPa). |
References
- Halvonik, J.; Borzovic, V.; Paulik, P. Slab-on-girder Bridges in Slovakia. In Proceedings of the International fib Symposium on Conceptual Design of Structures, Madrid, Spain, 26–28 September 2019; pp. 113–120. [Google Scholar]
- Bujňáková, P.; Strieška, M. Development of Precast Concrete Bridges During the Last 50 Years in Slovakia. In Proceedings of the International Scientific Conference on Sustainable, Modern and Safe Transport. TRANSCOM 2017, High Tatras, Slovakia, 31 May–2 June 2017; Volume 192, pp. 75–79. [Google Scholar] [CrossRef]
- Rehacek, S.; Citek, D.; Krystov, M.; Kolisko, J. Quality Control of the Concrete and Corrosion Damage of Cables of Prestressing Reinforcement of KA Beams, Bridge in Chomutov. In Proceedings of the XXV International Conference and Meeting of Departments, CONSTRUMAT 2019, Zuberec, Slovakia, 29–31 May 2019. [Google Scholar] [CrossRef]
- Bujňáková, P. Anchorage System in Old Post-tensioned Precast Bridges. Civil Environ. Eng. 2020, 16, 379–387. [Google Scholar] [CrossRef]
- Moravčík, M.; Bujňáková, P.; Bahleda, F. Failure and damage of a first-generation precast prestressed bridge in Slovakia. Struct. Concrete. 2020, 21, 2353–2362. [Google Scholar] [CrossRef]
- Moravčík, M.; Bujňáková, P.; Bahleda, F. Conceptual Problems of First Generation of Precast Bridges. In Proceedings of the International fib Symposium on Conceptual Design of Structures, Madrid, Spain, 26–28 September 2019; pp. 301–308. [Google Scholar]
- Gocál, J.; Odrobiňák, J. On the Influence of Corrosion on the Load-Carrying Capacity of Old Riveted Bridges. Materials 2020, 13, 717. [Google Scholar] [CrossRef] [PubMed]
- Koteš, P.; Brodňan, M.; Bahleda, F. Diagnostics of Corrosion on a Real Bridge Structure. Adv. Mater. Sci. Eng. 2016, 2016, 10. [Google Scholar] [CrossRef]
- Koteš, P.; Vičan, J.; Nikolič, R. Evaluation of Elder and Historical Bridges. In Proceedings of the 9th International Conference Bridges in Danube Basin 2016, Zilina, Slovakia, 30 September–1 October 2016; Volume 156, pp. 186–190. [Google Scholar] [CrossRef][Green Version]
- Koteš, P.; Vičan, J. Recommended Reliability Levels for the Evaluation of Existing Bridges According to Eurocodes. Struct. Eng. Int. 2013, 23, 411–417. [Google Scholar] [CrossRef]
- Ghaffary, A.; Moustafa, M.A. Synthesis of Repair Materials and Methods for Reinforced Concrete and Prestressed Bridge Girders. Materials 2020, 13, 4079. [Google Scholar] [CrossRef]
- Vičan, J.; Gocál, J.; Meliš, B.; Koteš, P.; Kotula, P. Real Behaviour and Remaining Lifetime of Bridge Structures. Commun. Sci. Lett. Univ. Zilina 2008, 10, 30–37. Available online: http://komunikacie.uniza.sk/index.php/communications/article/view/1042 (accessed on 15 January 2021).
- Odrobiňák, J.; Gocál, J. Experimental Measurement of Structural Steel Corrosion. EFC22—Loading and Environmental Effects on Structural Integrity. Procedia Struct. Integr. 2018, 13, 1947–1954. [Google Scholar] [CrossRef]
- Laco, J.; Borzovic, V. Experimental Investigation of Prestressing Strand Bond on Behavior of Concrete Members. ACI Struct. J. 2017, 114, 15–24. [Google Scholar] [CrossRef]
- Bonopera, M.; Chang, K.-C.; Lee, Z.-K. State-of-the-Art Review on Determining Prestress Losses in Prestressed Concrete Girders. Appl. Sci. 2020, 10, 7257. [Google Scholar] [CrossRef]
- Abdel-Jaber, H.; Glisic, B. Monitoring of prestressing forces in prestressed concrete structures—An overview. Struct. Control. Health Monit. 2019, 26, e2374. [Google Scholar] [CrossRef]
- Bagge, N.; Nilimaa, J.; Elfgren, L. In-situ Methods to Determine Residual Prestress Forces in Concrete Bridges. Eng. Struct. 2017. [Google Scholar] [CrossRef]
- Bagge, N.; Nilimaa, J.; Blanksvärd, T.; Elfgren, L. Instrumentation and Full-Scale Test of a Post-Tensioned Concrete Bridge. Nordic Concr. Res. 2014, 51, 63–83. [Google Scholar]
- fib, Comité Euro—International du Béton. Strategies for Testing and Assessment of Concrete Structures; Guidance Report; fib Bulletin No. 243; Sprint-Druck: Stuttgart, Germany, 1998. [Google Scholar]
- Fedele, R.; Maier, G. Flat-jack tests and inverse analysis for the identification of stress states and elastic properties in concrete dams. Meccanica 2007, 42, 387–402. [Google Scholar] [CrossRef]
- Garbowski, T.; Maier, G.; Novati, G. Diagnosis of concrete dams by flat-jack tests and inverse analyses based on proper orthogonal decomposition. J. Mech. Mater. Struct. 2011, 6, 181–202. [Google Scholar] [CrossRef]
- Paulík, P.; Bačuvčík, M.; Ševčík, P.; Janotka, I.; Gajdošová, K. Experimental Evaluation of Properties of 120 Years Old Concretes at Two Concrete Bridges in Slovakia. Solid State Phenom. 2016, 249, 227–234. [Google Scholar] [CrossRef]
- Neslusan, M.; Bahleda, F.; Trojan, K.; Pitonak, M.; Zgutova, K. Barkhausen noise emission in over-stressed steel wires. J. Magn. Magn. Mater. 2020, 513, 167134. [Google Scholar] [CrossRef]
- STN 73 2011: Non-Destructive Testing of Concrete Structures; Slovak Technical Standard; Slovak Office of Standards, Metrology and Testing: Bratislava, Slovakia, 1986.
- STN EN 206+A1:2017-05: Concrete. Specification, Performance, Production and Conformity; Slovak Technical Standard; Slovak Office of Standards, Metrology and Testing: Bratislava, Slovakia, 2017. [Google Scholar]
- Germann Instruments. Available online: http://germann.org/products-by-application/chloride-profiling/rct-and-rctw (accessed on 15 February 2021).
- Eurocode 2: Design of Concrete Structures—Part 1–1: General Rules and Rules for Buildings; STN EN 1992-1-1+A1; Slovak Technical Standard; Slovak Office of Standards, Metrology and Testing: Bratislava, Slovakia, 2015.
- Červenka, V.; Jendele, L.; Červenka, J. ATENA Program Documentation—Part 1. Theory. Prague. 26 January 2018. Available online: https://www.cervenka.cz/assets/files/atena-pdf/ATENA_Theory.pdf (accessed on 10 January 2021).
- Červenka, J. ATENA Program Documentation—Part 4-1. Tutorial for Program ATENA 2D. Prague. 2 June 2015. Available online: https://www.cervenka.cz/assets/files/atena-pdf/ATENA-Engineering-2D_Tutorial.pdf (accessed on 10 January 2021).
- Janda, Z.; Červenka, J. ATENA Program Documentation—Part 4-3. Tutorial for Construction Process Modelling in ATENA 2D. Prague. 9 March 2009. Available online: https://www.cervenka.cz/assets/files/atena-pdf/ATENA-Engineering-2D_Tutorial_Construction_Process.pdf (accessed on 10 January 2021).

















| Span/No. of Beam | Schmidt Hammer Rebound a (-) | aavg. (-) | Rci (MPa) | Rci,avg (MPa) | αt (-) | αw (-) | Rbe,i (MPa) | ||||||||
|---|---|---|---|---|---|---|---|---|---|---|---|---|---|---|---|
| S1/B1 1 | 45 | 46 | 46 | 50 | 46 | 46.6 | 50 | 52 | 52 | 59 | 52 | 53.0 | 0.9 | 1.0 | 47.70 |
| S1/B2 | 44 | 49 | 47 | 50 | 50 | 48.0 | 48 | 57 | 53 | 59 | 59 | 55.2 | 0.9 | 1.0 | 49.68 |
| S2/B9 | 49 | 49 | 49 | 42 | 42 | 46.2 | 57 | 57 | 57 | 44 | 44 | 51.8 | 0.9 | 1.0 | 46.62 |
| S2/B10 | 46 | 43 | 45 | 42 | 45 | 44.2 | 52 | 46 | 50 | 44 | 50 | 48.4 | 0.9 | 1.0 | 43.56 |
| S3/B9 | 43 | 43 | 48 | 42 | 47 | 44.6 | 46 | 46 | 55 | 44 | 53 | 48.8 | 0.9 | 1.0 | 43.92 |
| S3/B10 | 48 | 45 | 44 | 44 | 42 | 44.6 | 55 | 50 | 48 | 48 | 44 | 49.0 | 0.9 | 1.0 | 44.10 |
| i | Rbe,i (MPa) | Rbe,i,avg (MPa) | Rbe,i—Rbe,i,avg (MPa) | [Rbe,i—Rbe,i,avg]2 (MPa2) |
|---|---|---|---|---|
| 1 | 47.70 | 45.93 | 1.77 | 3.13 |
| 2 | 49.68 | 45.93 | 3.75 | 14.06 |
| 3 | 46.62 | 45.93 | 0.69 | 0.48 |
| 4 | 43.56 | 45.93 | −2.37 | 5.62 |
| 5 | 43.92 | 45.93 | −2.01 | 4.04 |
| 6 | 44.10 | 45.93 | −1.83 | 3.35 |
| Sample | fc,cyl (MPa) | Ec (MPa) |
|---|---|---|
| CC1 | 32.6 | 34,130 |
| CC2 | 30.9 | 33,150 |
| CC3 | 31.1 | 34,660 |
| Average | 31.5 | 33,980 |
| Sample | Millivolt Reading (mV) | Chloride Ion Content (% Cl−/ms) | Chloride Ion Content (% Cl−/mc) |
|---|---|---|---|
| CH1 | 18.4 | 0.1980 | 1.3860 |
| CH2 | 22.3 | 0.1862 | 1.3030 |
| CH3 | 7.2 | 0.3010 | 2.1070 |
| CH4 | 8.6 | 0.2950 | 2.0650 |
| Saw-Cuts SC1–23/120 | Saw-Cuts SC2–31/120 | ||||||||
|---|---|---|---|---|---|---|---|---|---|
| i | σc,0 (MPa) | σc,1 (MPa) | Δσc (MPa) | Δσc (%) | i | σc,0 (MPa) | σc,1 (MPa) | Δσc (MPa) | Δσc (%) |
| 1 | −5.04 | −1.44 | 3.60 | 71.41 | 12 | −5.04 | −0.33 | 4.71 | 93.45 |
| 2 | −5.04 | −1.44 | 3.60 | 71.35 | 13 | −5.04 | −0.33 | 4.71 | 93.48 |
| 3 | −5.04 | −1.99 | 3.05 | 60.58 | 14 | −5.04 | −0.78 | 4.26 | 84.58 |
| 4 | −5.04 | −1.99 | 3.05 | 60.58 | 15 | −5.04 | −0.78 | 4.26 | 84.60 |
| 5 | −5.04 | −2.24 | 2.80 | 55.58 | 16 | −5.04 | −1.01 | 4.03 | 79.96 |
| 6 | −5.04 | −2.24 | 2.80 | 55.57 | 17 | −5.04 | −1.00 | 4.05 | 80.23 |
| 7 | −5.04 | −2.24 | 2.80 | 55.51 | 18 | −5.04 | −1.00 | 4.05 | 80.23 |
| 8 | −5.04 | −2.24 | 2.80 | 55.52 | 19 | −5.04 | −0.74 | 4.30 | 85.35 |
| 9 | −5.04 | −2.00 | 3.04 | 60.33 | 20 | −5.04 | −0.74 | 4.30 | 85.35 |
| 10 | −5.04 | −1.48 | 3.56 | 70.62 | 21 | −5.04 | −0.27 | 4.77 | 94.55 |
| 11 | −5.04 | −1.48 | 3.56 | 70.68 | 22 | −5.04 | −0.28 | 4.77 | 94.52 |
| Avg. | −5.04 | −1.89 | 3.15 | 62.52 | Avg. | −5.04 | −0.66 | 4.38 | 86.94 |
| Comparison | Comparison | ||||||||
| Δσc,EXP–Δσc,NUM (MPa) | −0.02 | Δσc,EXP–Δσc,NUM (MPa) | −0.18 | ||||||
| Δσc,EXP/Δσc,NUM (-) | 0.99 | Δσc,EXP/Δσc,NUM (-) | 0.96 | ||||||
| Ai (mm2) | Iyi (mm4) | zbi (mm) | zti (mm) | epi (mm) |
|---|---|---|---|---|
| 318532.396 | 4.4532 × 1010 | 614.662 | 435.338 | 505.432 |
Publisher’s Note: MDPI stays neutral with regard to jurisdictional claims in published maps and institutional affiliations. |
© 2021 by the authors. Licensee MDPI, Basel, Switzerland. This article is an open access article distributed under the terms and conditions of the Creative Commons Attribution (CC BY) license (http://creativecommons.org/licenses/by/4.0/).
Share and Cite
Kraľovanec, J.; Moravčík, M.; Bujňáková, P.; Jošt, J. Indirect Determination of Residual Prestressing Force in Post-Tensioned Concrete Beam. Materials 2021, 14, 1338. https://doi.org/10.3390/ma14061338
Kraľovanec J, Moravčík M, Bujňáková P, Jošt J. Indirect Determination of Residual Prestressing Force in Post-Tensioned Concrete Beam. Materials. 2021; 14(6):1338. https://doi.org/10.3390/ma14061338
Chicago/Turabian StyleKraľovanec, Jakub, Martin Moravčík, Petra Bujňáková, and Jozef Jošt. 2021. "Indirect Determination of Residual Prestressing Force in Post-Tensioned Concrete Beam" Materials 14, no. 6: 1338. https://doi.org/10.3390/ma14061338
APA StyleKraľovanec, J., Moravčík, M., Bujňáková, P., & Jošt, J. (2021). Indirect Determination of Residual Prestressing Force in Post-Tensioned Concrete Beam. Materials, 14(6), 1338. https://doi.org/10.3390/ma14061338

