Experimental Investigation on the Impact of Graphite Electrodes Grain Size on Technological Parameters and Surface Texture of Hastelloy C-22 after Electrical Discharge Machining with Negative Polarity
Abstract
1. Introduction
2. Materials and Methods
- Current intensity Ic ranging from 1.7 to 5 A;
- Electric discharge time ton ranging from 8 to 55 µs;
- The time interval between pulses toff ranges from 6 to 75 µs;
- Open voltage: U0 = 230 V;
- Discharge voltage Uc = 26 V;
- Tool polarity: negative (workpiece—anode, tool electrode—cathode).
3. Results and Discussion
3.1. Material Removal and Tool Wear Rates
3.2. Analysis of Surface Integrity
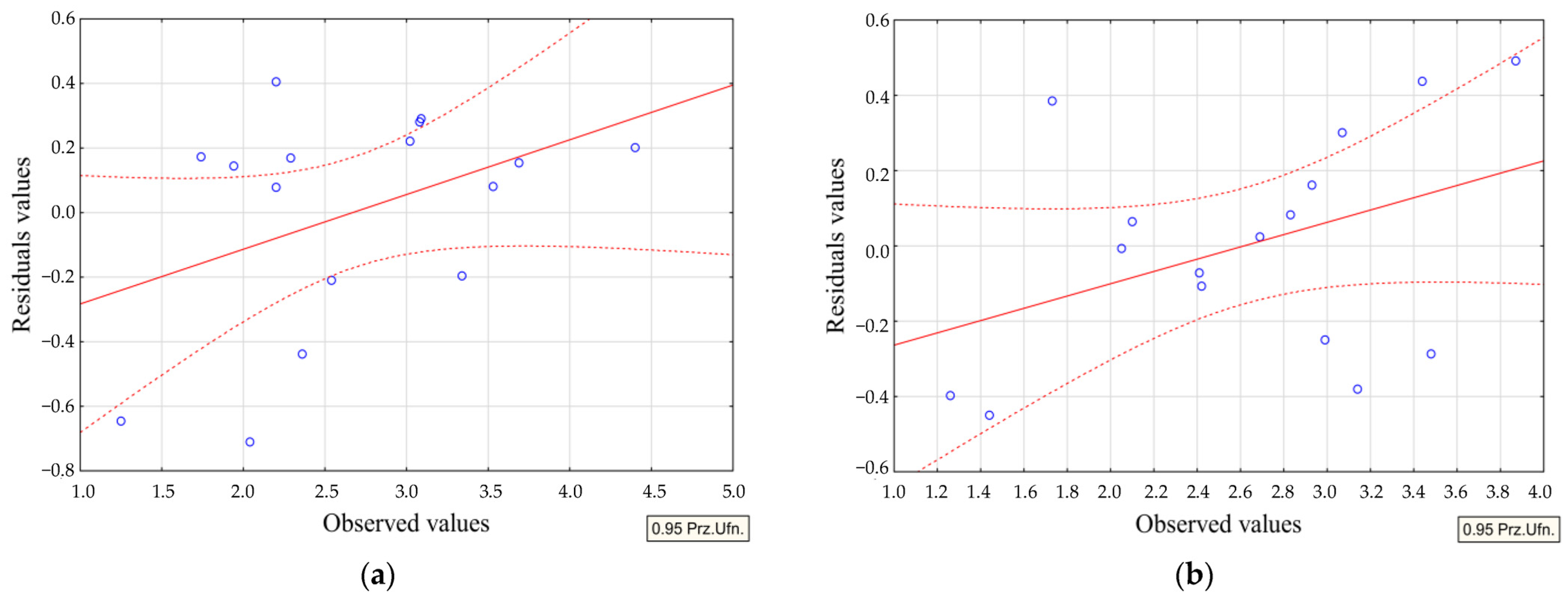
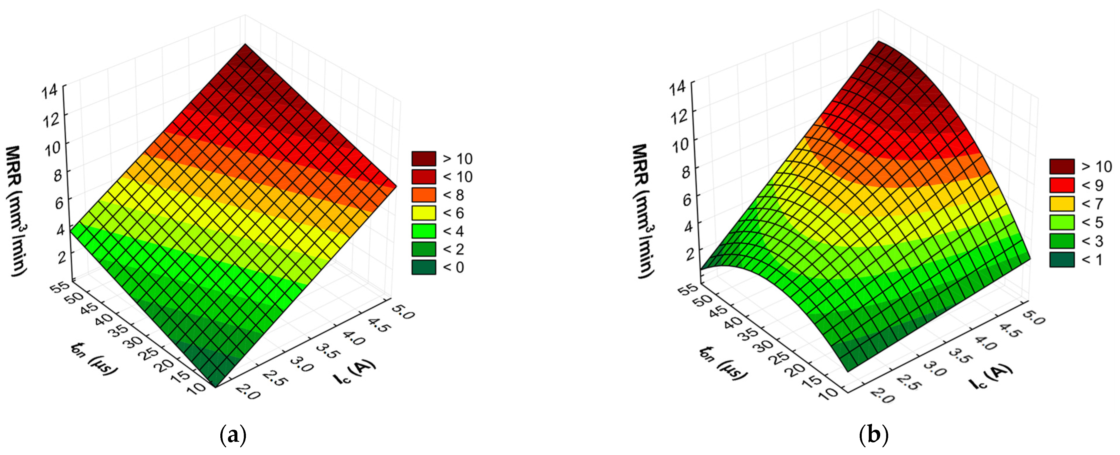
3.3. Statistical Models of TWR, MRR, and Ra
4. Conclusions
- Material removal efficiency is mainly determined by the contamination of the sparking gap by detached grains of the graphite electrode and their impact on the electric discharge waveform.
- Fine-grained graphite electrodes are recommended during electrical discharge machining with negative polarity due to lower tool wear rate and easier removal of the detached small graphite grains from the sparking gap.
- Detached graphite grains can influence the change of current intensity and discharge voltage in the sparking gap. With an appropriate concentration of graphite grains in the gap, the phenomenon of electric discharge dispersion may occur. When the sparking gap is heavily contaminated with machining debris and large graphite particles, the probability of short-circuit pulses occurring is heightened.
- The size of the grain in the graphite electrodes has little to no impact on the surface roughness (Ra).
- The wear rate of the tool electrode was reduced when using the AF-5 graphite because of its finer grain size and lower effective density.
- The main electrical parameter determining the relative tool wear of the graphite electrode was the discharge current Ic.
- Material removal efficiency significantly depends on the current intensity Ic, the electrical discharge time ton, and, to a lesser extent, the time interval between the pulses toff.
- An elevation in the energy of an individual electric discharge increases the surface roughness, as indicated by the Ra parameter.
Author Contributions
Funding
Institutional Review Board Statement
Informed Consent Statement
Data Availability Statement
Conflicts of Interest
References
- Wang, J.; Sánchez, J.A.; Izquierdo, B.; Ayesta, I. Experimental and Numerical Study of Crater Volume in Wire Electrical Discharge Machining. Materials 2020, 13, 577. [Google Scholar] [CrossRef]
- Żyra, A.; Bogucki, R.; Podolak-Lejtas, A.; Skoczypiec, S. Research on Influence of Heat Treatment Scheme of Ti10V2Fe3Al Alloy on Technological Surface Integrity after Electrodischarge Machining. J. Manuf. Process. 2021, 62, 47–57. [Google Scholar] [CrossRef]
- Izquierdo, B.; Sánchez, J.A.; Plaza, S.; Pombo, I.; Ortega, N. A Numerical Model of the EDM Process Considering the Effect of Multiple Discharges. Int. J. Mach. Tools Manuf. 2009, 49, 220–229. [Google Scholar] [CrossRef]
- Marrocco, V.; Modica, F.; Bellantone, V.; Valori, M.; Fassi, I. How the Electrical Conductivity of Water Fluids Affects Micro-EDM in the Short-Pulse Regime. Micromachines 2024, 15, 266. [Google Scholar] [CrossRef] [PubMed]
- Aghdeab, S.H.; Hasan, M.M.; Makhrib, G.A. Study Impact of Gap Distance on Electrode Wear Rate in Electrical Discharge Machining (EDM). AIP Conf. Proc. 2024, 2885, 070003. [Google Scholar] [CrossRef]
- Ahmed, N.; Ishfaq, K.; Rafaqat, M.; Pervaiz, S.; Anwar, S.; Salah, B. EDM of Ti-6Al-4V: Electrode and Polarity Selection for Minimum Tool Wear Rate and Overcut. Mater. Manuf. Process. 2019, 34, 769–778. [Google Scholar] [CrossRef]
- Chen, Y.; Wu, Y.; Cheng, M.; Zhu, J.; Meng, Y.; Mu, X. Performance Prediction and Parameter Optimization of Alumina-Titanium Carbide Ceramic Micro-EDM Hole Machining Process Based on XGBoost. Proc. Inst. Mech. Eng. Part L J. Mater. Des. Appl. 2024, 238, 310–319. [Google Scholar] [CrossRef]
- Matanda, B.K.; Patel, V.; Singh, B.; Joshi, U.; Joshi, A.; Oza, A.D.; Gupta, M.; Kumar, S. A Review on Parametric Optimization of EDM Process for Nanocomposites Machining: Experimental and Modelling Approach. Int. J. Interact. Des. Manuf. 2023, 1–10. [Google Scholar] [CrossRef]
- Żyra, A.; Skoczypiec, S.; Bogucki, R. Selected Aspects of Surface Integrity of Inconel 625 Alloy after Dry-EDM in Carbon Dioxide. Key Eng. Mater. 2022, 926, 1681–1688. [Google Scholar] [CrossRef]
- Nowicki, R.; Świercz, R.; Kopytowski, A.; Vagaská, A. Surface Texture of S 718 after Electrical Discharge Machining Assisted with Ultrasonic Vibration of a Tool Electrode. Weld. Technol. Rev. 2019, 91, 7–11. [Google Scholar] [CrossRef]
- 1Abdulkareem, S.; Khan, A.; Zain, Z.M. Effect of Machining Parameters on Surface Roughness During Wet and DryWire-EDM of Stainless Steel. J. Appl. Sci. 2011, 11, 1867–1871. [Google Scholar] [CrossRef]
- Żyra, A.; Skoczypiec, S.; Bogucki, R. Influence of Material Properties on near Dry-EDM Process: The Discussion of Research for Titanium Grade 2 and Inconel 625 Alloy. Mater. Res. Proc. 2023, 28, 1663–1672. [Google Scholar] [CrossRef]
- Machno, M.; Bogucki, R.; Szkoda, M.; Bizoń, W. Impact of the Deionized Water on Making High Aspect Ratio Holes in the Inconel 718 Alloy with the Use of Electrical Discharge Drilling. Materials 2020, 13, 1476. [Google Scholar] [CrossRef] [PubMed]
- Pramanik, A.; Basak, A.K.; Littlefair, G.; Debnath, S.; Prakash, C.; Singh, M.A.; Marla, D.; Singh, R.K. Methods and Variables in Electrical Discharge Machining of Titanium Alloy—A Review. Heliyon 2020, 6, e05554. [Google Scholar] [CrossRef] [PubMed]
- Kunieda, M.; Lauwers, B.; Rajurkar, K.P.; Schumacher, B.M. Advancing EDM through Fundamental Insight into the Process. CIRP Ann. 2005, 54, 64–87. [Google Scholar] [CrossRef]
- Karmiris-Obratański, P.; Papazoglou, E.L.; Leszczyńska-Madej, B.; Zagórski, K.; Markopoulos, A.P. A Comprehensive Study on Processing Ti–6Al–4V ELI with High Power EDM. Materials 2021, 14, 303. [Google Scholar] [CrossRef] [PubMed]
- Wiessner, M.; Macedo, F.T.B.; Martendal, C.P.; Kuster, F.; Wegener, K. Fundamental Investigation of EDM Plasmas, Part I: A Comparison between Electric Discharges in Gaseous and Liquid Dielectric Media. Procedia CIRP 2018, 68, 330–335. [Google Scholar] [CrossRef]
- Ishfaq, K.; Rehman, M. Machinability Investigation Using Cu-Mixed Biodegradable Dielectric for Eco-Friendly/Sustainable Machining of Ni-Based Superalloy. Int. J. Adv. Manuf. Technol. 2023, 125, 2243–2264. [Google Scholar] [CrossRef]
- Wang, J.; Han, F. Simulation Model of Debris and Bubble Movement in Consecutive-Pulse Discharge of Electrical Discharge Machining. Int. J. Mach. Tools Manuf. 2014, 77, 56–65. [Google Scholar] [CrossRef]
- Peng, W.; Tang, J.; Li, Z.; Qiu, Z.; Yin, M. Analysis of Mechanisms of Bubble Characteristics and Molten Pool Dynamics in EDM Based on a Three-Phase Flow Model. J. Phys. D Appl. Phys. 2024, 57, 255303. [Google Scholar] [CrossRef]
- Nair, S.; Dutta, A.; Narayanan, R.; Giridharan, A. Investigation on EDM Machining of Ti6Al4V with Negative Polarity Brass Electrode. Mater. Manuf. Process. 2019, 34, 1824–1831. [Google Scholar] [CrossRef]
- Hasan, M.M.; Saleh, T.; Sophian, A.; Rahman, M.A.; Huang, T.; Mohamed Ali, M.S. Experimental Modeling Techniques in Electrical Discharge Machining (EDM): A Review. Int. J. Adv. Manuf. Technol. 2023, 127, 2125–2150. [Google Scholar] [CrossRef]
- Hou, S.; Bai, J. A Novel Ultrasonic Vibration-Assisted Micro-EDM Method to Improve Debris Removal Performance Using Relative Three-Dimensional Ultrasonic Vibration (RTDUV). Int. J. Adv. Manuf. Technol. 2023, 127, 5711–5727. [Google Scholar] [CrossRef]
- Sagar, K.G.; Anjani, P.K.; Raman, M.S.; Devi, N.S.M.P.L.; Mehta, K.; Gonzales, J.L.A.; Kumar, N.M.; Venkatesan, S. Improving Sustainability of EDM Sector by Implementing Unconventional Competitive Manufacturing Approach. Adv. Mater. Sci. Eng. 2022, 2022, e6164599. [Google Scholar] [CrossRef]
- Nafi, M.A.; Jahan, M.P. Functional Surface Generation by EDM—A Review. Micromachines 2023, 14, 115. [Google Scholar] [CrossRef] [PubMed]
- Gostimirovic, M.; Kovac, P.; Sekulic, M.; Skoric, B. Influence of Discharge Energy on Machining Characteristics in EDM. J. Mech. Sci. Technol. 2012, 26, 173–179. [Google Scholar] [CrossRef]
- Izquierdo, B.; Sánchez, J.A.; Ortega, N.; Plaza, S.; Pombo, I. Insight into Fundamental Aspects of the EDM Process Using Multidischarge Numerical Simulation. Int. J. Adv. Manuf. Technol. 2011, 52, 195–206. [Google Scholar] [CrossRef]
- Jain, S.; Parashar, V. Critical Review on the Impact of EDM Process on Biomedical Materials. Mater. Manuf. Process. 2021, 36, 1701–1724. [Google Scholar] [CrossRef]
- Burek, J.; Babiarz, R.; Buk, J.; Sułkowicz, P.; Krupa, K. The Accuracy of Finishing WEDM of Inconel 718 Turbine Disc Fir Tree Slots. Materials 2021, 14, 562. [Google Scholar] [CrossRef]
- Muthuramalingam, T.; Mohan, B. A Review on Influence of Electrical Process Parameters in EDM Process. Arch. Civ. Mech. Eng. 2015, 15, 87–94. [Google Scholar] [CrossRef]
- Singh, R.; Singh, R.P.; Trehan, R. State of the Art in Processing of Shape Memory Alloys with Electrical Discharge Machining: A Review. Proc. Inst. Mech. Eng. Part B J. Eng. Manuf. 2021, 235, 333–366. [Google Scholar] [CrossRef]
- Straka, L.; Corný, I.; Pitel’, J.; Hašová, S. Statistical Approach to Optimize the Process Parameters of HAZ of Tool Steel EN X32CrMoV12-28 after Die-Sinking EDM with SF-Cu Electrode. Metals 2017, 7, 35. [Google Scholar] [CrossRef]
- Wang, B.; Zhou, J.; Chen, X.; Xu, Y.; Tang, W.; Qin, C.; Ji, Y. Effects of Non-Electrical Parameters on the Characteristics of Discharge Craters and Machining Performance in Short Electrical Arc Milling. Proc. Inst. Mech. Eng. Part C J. Mech. Eng. Sci. 2024, 238, 168–178. [Google Scholar] [CrossRef]
- Selvarajan, L.; Rajavel, R.; Venkataramanan, K.; Srinivasan, V.P. Experimental Investigation on Surface Morphology and Recasting Layer of Si3N4-TiN Composites Machined by Die-Sinking and Rotary EDM. Ceram. Int. 2023, 49, 8487–8501. [Google Scholar] [CrossRef]
- Niamat, M.; Sarfraz, S.; Aziz, H.; Jahanzaib, M.; Shehab, E.; Ahmad, W.; Hussain, S. Effect of Different Dielectrics on Material Removal Rate, Electrode Wear Rate and Microstructures in EDM. Procedia CIRP 2017, 60, 2–7. [Google Scholar] [CrossRef]
- Spadło, S.; Młynarczyk, P.; Łakomiec, K. Influence of the of Electrical Discharge Alloying Methods on the Surface Quality of Carbon Steel. Int. J. Adv. Manuf. Technol. 2017, 89, 1529–1534. [Google Scholar] [CrossRef]
- Świercz, R.; Oniszczuk-Świercz, D.; Nowicki, R. Wire Electrical Discharge Machining Nickel Super Alloy. Mechanik 2018, 91, 220–222. [Google Scholar] [CrossRef][Green Version]
- Gopalakannan, S.; Thiyagarajan, S. Effect of Electrode Materials on Electric Discharge Machining of 316 L and 17—4 PH Stainless Steels. J. Miner. Mater. Charact. Eng. 2012, 11, 685–690. [Google Scholar] [CrossRef]
- Zhang, J.; Han, F. Experimental Study and Parameter Optimization on Sustainable and Efficient Machining GH4169 with Rotating Short Arc Milling Method. Int. J. Adv. Manuf. Technol. 2022, 119, 2023–2042. [Google Scholar] [CrossRef]
- Czelusniak, T.; Higa, C.; Torres, R.; Laurindo, C.; DePaiva, J.M.; Lohrengel, A.; Amorim, F. Materials Used for Sinking EDM Electrodes: A Review. J. Braz. Soc. Mech. Sci. Eng. 2019, 41, 14. [Google Scholar] [CrossRef]
- Sharma, D.; Hiremath, S.S. Review on Tools and Tool Wear in EDM. Mach. Sci. Technol. 2021, 25, 802–873. [Google Scholar] [CrossRef]
- Nowicki, R.; Świercz, R.; Oniszczuk-Świercz, D.; Rozenek, M. Experimental Investigation of Technological Indicators and Surface Roughness of Hastelloy C-22 after Electrical Discharge Machining Using POCO Graphite Electrodes. Materials 2022, 15, 5631. [Google Scholar] [CrossRef] [PubMed]
- Selvarajan, L.; Venkataramanan, K.; Nair, A.; Srinivasan, V.P. Simultaneous Multi-Response Jaya Optimization and Pareto Front Visualization in EDM Drilling of MoSi2-SiC Composites. Expert Syst. Appl. 2023, 230, 120669. [Google Scholar] [CrossRef]
- Ishfaq, K.; Maqsood, M.A.; Mahmood, M.A. Machining Characteristics of Various Powder-Based Additives, Dielectrics, and Electrodes during EDM of Micro-Impressions: A Comparative Study. Int. J. Adv. Manuf. Technol. 2022, 123, 1521–1541. [Google Scholar] [CrossRef]
- Sawant, S.N.; Patil, S.K.; Unune, D.R.; Nazare, P.; Wojciechowski, S. Effect of Copper, Tungsten Copper and Tungsten Carbide Tools on Micro-Electric Discharge Drilling of Ti–6Al–4V Alloy. J. Mater. Res. Technol. 2023, 24, 4242–4257. [Google Scholar] [CrossRef]
- Bhaumik, M.; Maity, K. Effect of Electrode Materials on Different EDM Aspects of Titanium Alloy. Silicon 2019, 11, 187–196. [Google Scholar] [CrossRef]
- Ming, W.; Xie, Z.; Cao, C.; Liu, M.; Zhang, F.; Yang, Y.; Zhang, S.; Sun, P.; Guo, X. Research on EDM Performance of Renewable Dielectrics under Different Electrodes for Machining SKD11. Crystals 2022, 12, 291. [Google Scholar] [CrossRef]
- Wu, B.; Wu, H.; Lei, J.; Shen, H.; Xu, B.; Zhao, H.; Zhu, L.; Wu, X. Experimental Study on Electrode Wear during the EDM of Microgrooves with Laminated Electrodes Consisting of Various Material Foils. J. Mater. Res. Technol. 2024, 29, 4191–4199. [Google Scholar] [CrossRef]
- Straka, Ľ.; Hašová, S. Optimization of Material Removal Rate and Tool Wear Rate of Cu Electrode in Die-Sinking EDM of Tool Steel. Int. J. Adv. Manuf. Technol. 2018, 97, 2647–2654. [Google Scholar] [CrossRef]
- Amorim, F.L.; Weingaertner, W.L. The Behavior of Graphite and Copper Electrodes on the Finish Die-Sinking Electrical Discharge Machining (EDM) of AISI P20 Tool Steel. J. Braz. Soc. Mech. Sci. Eng. 2007, 29, 366–371. [Google Scholar] [CrossRef]
- Mercer, J. Graphite vs. Copper. Available online: https://poco.entegris.com (accessed on 28 July 2022).
- Jara, A.D.; Betemariam, A.; Woldetinsae, G.; Kim, J.Y. Purification, Application and Current Market Trend of Natural Graphite: A Review. Int. J. Min. Sci. Technol. 2019, 29, 671–689. [Google Scholar] [CrossRef]
- Gao, J.; Bu, X.; Dong, L.; Qiu, Y.; Xie, G.; Chehreh Chelgani, S. Natural Graphite Froth Flotation-An Overview. Miner. Process. Extr. Metall. Rev. 2024, 1–18. [Google Scholar] [CrossRef]
- Sonker, P.K.; Nahak, B.; Jackson Singh, T. Comparative Study of Copper and Graphite Electrodes Performance in Electrical Discharge Machining (EDM) of Die Steel. Materials Today: Proceedings 2022, 68, 167–170. [Google Scholar] [CrossRef]
- Lamba, A. Vipin Experimental Investigation of Machining of EN31 Steel in Abrasive Mixed Rotary EDM with Graphite and Copper Electrode. Sādhanā 2022, 47, 185. [Google Scholar] [CrossRef]
- Torres, A.; Puertas, I.; Luis, C.J. EDM Machinability and Surface Roughness Analysis of INCONEL 600 Using Graphite Electrodes. Int. J. Adv. Manuf. Technol. 2016, 84, 2671–2688. [Google Scholar] [CrossRef]
- Klocke, F.; Schwade, M.; Klink, A.; Veselovac, D. Analysis of Material Removal Rate and Electrode Wear in Sinking EDM Roughing Strategies Using Different Graphite Grades. Procedia CIRP 2013, 6, 163–167. [Google Scholar] [CrossRef]
- Aas, K.L. Performance of Two Graphite Electrode Qualities in EDM of Seal Slots in a Jet Engine Turbine Vane. J. Mater. Process. Technol. 2004, 149, 152–156. [Google Scholar] [CrossRef]
- Amorim, F.L.; Stedile, L.J.; Torres, R.D.; Soares, P.C.; Henning Laurindo, C.A. Performance and Surface Integrity of Ti6Al4V After Sinking EDM with Special Graphite Electrodes. J. Mater. Eng. Perform. 2014, 23, 1480–1488. [Google Scholar] [CrossRef]
- INCONEL® Alloy 22. Available online: https://www.bibusmetals.pl/alloys/inconel-alloy-22/ (accessed on 26 July 2023).
- EDM Graphite Grades|POCO. Available online: https://poco.entegris.com/en/home/products/premium-graphite/edm-grades.html (accessed on 30 April 2024).
- ISO 4287:1997; Geometrical Product Specifications (GPS)—Surface Texture: Profile Method—Terms, Definitions and Surface Texture Parameters. ISO: Geneva, Switzerland, 1997. Available online: https://standards.iteh.ai/catalog/standards/iso/bca23b2c-7009-4a38-b6e5-d69456df0962/iso-4287-1997 (accessed on 7 May 2024).
- Świercz, R.; Oniszczuk-Świercz, D. Investigation of the Influence of Reduced Graphene Oxide Flakes in the Dielectric on Surface Characteristics and Material Removal Rate in EDM. Materials 2019, 12, 943. [Google Scholar] [CrossRef]
- Kolli, M.; Kumar, A. Effect of Dielectric Fluid with Surfactant and Graphite Powder on Electrical Discharge Machining of Titanium Alloy Using Taguchi Method. Eng. Sci. Technol. Int. J. 2015, 18, 524–535. [Google Scholar] [CrossRef]
- Joshi, A.Y.; Joshi, A.Y. A Systematic Review on Powder Mixed Electrical Discharge Machining. Heliyon 2019, 5, e02963. [Google Scholar] [CrossRef] [PubMed]




















| POCO Graphite | Average Grain Size (µm) | Electrical Resistivity (µΩm) | Effective Density (g/cm3) | Flexural Strength (MPa) | Shore Hardness |
|---|---|---|---|---|---|
| AF-5 | 1 | 21.6 | 1.80 | 117 | 87 |
| EDM-180 | 10 | 13.0 | 1.78 | 58 | 66 |
| Level | EDM Parameters | ||
|---|---|---|---|
| Discharge Time ton (µm) | Time Interval toff (µm) | Discharge Current Ic (A) | |
| −1.68 | 8 | 6 | 1.7 |
| −1 | 17 | 19 | 2.7 |
| 0 | 30 | 37 | 3.8 |
| 1 | 41 | 51 | 4 |
| 1.68 | 55 | 75 | 5 |
| Ex. No. | EDM Parameters | AF-5 | EDM-180 | ||||||
|---|---|---|---|---|---|---|---|---|---|
| Ic (A) | ton (µs) | toff (µs) | MRR (mm3/min) | TWR (%) | Ra (µm) | MRR (mm3/min) | TWR (%) | Ra (µm) | |
| 1 | 2.7 | 17 | 19 | 2.60 | 116.38 | 2.20 | 3.02 | 84.03 | 2.10 |
| 2 | 2.7 | 17 | 51 | 2.04 | 77.41 | 1.94 | 1.82 | 81.47 | 1.73 |
| 3 | 2.7 | 41 | 19 | 2.84 | 103.60 | 2.04 | 2.01 | 120.20 | 2.42 |
| 4 | 2.7 | 41 | 51 | 3.76 | 81.73 | 2.54 | 3.30 | 86.03 | 2.69 |
| 5 | 4 | 17 | 19 | 3.43 | 59.97 | 2.20 | 3.17 | 150.00 | 2.83 |
| 6 | 4 | 17 | 51 | 4.83 | 50.58 | 2.29 | 4.34 | 54.12 | 2.05 |
| 7 | 4 | 41 | 19 | 3.96 | 69.31 | 3.69 | 2.33 | 90.41 | 2.99 |
| 8 | 4 | 41 | 51 | 9.66 | 49.17 | 3.34 | 8.40 | 50.48 | 3.87 |
| 9 | 1.7 | 30 | 37 | 0.95 | 203.59 | 1.25 | 0.84 | 207.59 | 1.26 |
| 10 | 5.0 | 30 | 37 | 10.21 | 46.19 | 3.53 | 7.95 | 51.99 | 3.14 |
| 11 | 3.8 | 8 | 37 | 2.59 | 61.82 | 1.74 | 2.30 | 66.42 | 1.44 |
| 12 | 3.8 | 55 | 37 | 4.92 | 68.01 | 4.40 | 4.91 | 71.13 | 3.48 |
| 13 | 3.8 | 30 | 6 | 2.75 | 78.18 | 3.08 | 3.26 | 79.05 | 3.44 |
| 14 | 3.8 | 30 | 75 | 5.18 | 51.96 | 2.36 | 4.71 | 55.19 | 2.41 |
| 15 | 3.8 | 30 | 37 | 7.52 | 54.94 | 3.02 | 6.03 | 58.30 | 2.93 |
| 16 | 3.8 | 30 | 37 | 7.97 | 53.97 | 3.09 | 6.49 | 56.18 | 3.07 |
| POCO Graphite | Investigated Parameters | Calculated Regression Statistics | ||||
|---|---|---|---|---|---|---|
| Ratio r | Ratio R2 | Adjusted R2 | Standard Error of Estimation | F/Fkr | ||
| AF-5 | MRR | 0.96 | 0.93 | 0.90 | 0.87 | 2.2 |
| TWR | 0.95 | 0.91 | 0.89 | 13.08 | 5.8 | |
| Ra | 0.91 | 0.83 | 0.82 | 0.35 | 3.6 | |
| EDM-180 | MRR | 0.92 | 0.84 | 0.79 | 1.02 | 2.5 |
| TWR | 0.82 | 0.66 | 0.54 | 28.67 | 1.1 | |
| Ra | 0.92 | 0.84 | 0.81 | 0.33 | 3.6 | |
Disclaimer/Publisher’s Note: The statements, opinions and data contained in all publications are solely those of the individual author(s) and contributor(s) and not of MDPI and/or the editor(s). MDPI and/or the editor(s) disclaim responsibility for any injury to people or property resulting from any ideas, methods, instructions or products referred to in the content. |
© 2024 by the authors. Licensee MDPI, Basel, Switzerland. This article is an open access article distributed under the terms and conditions of the Creative Commons Attribution (CC BY) license (https://creativecommons.org/licenses/by/4.0/).
Share and Cite
Nowicki, R.; Oniszczuk-Świercz, D.; Świercz, R. Experimental Investigation on the Impact of Graphite Electrodes Grain Size on Technological Parameters and Surface Texture of Hastelloy C-22 after Electrical Discharge Machining with Negative Polarity. Materials 2024, 17, 2257. https://doi.org/10.3390/ma17102257
Nowicki R, Oniszczuk-Świercz D, Świercz R. Experimental Investigation on the Impact of Graphite Electrodes Grain Size on Technological Parameters and Surface Texture of Hastelloy C-22 after Electrical Discharge Machining with Negative Polarity. Materials. 2024; 17(10):2257. https://doi.org/10.3390/ma17102257
Chicago/Turabian StyleNowicki, Rafał, Dorota Oniszczuk-Świercz, and Rafał Świercz. 2024. "Experimental Investigation on the Impact of Graphite Electrodes Grain Size on Technological Parameters and Surface Texture of Hastelloy C-22 after Electrical Discharge Machining with Negative Polarity" Materials 17, no. 10: 2257. https://doi.org/10.3390/ma17102257
APA StyleNowicki, R., Oniszczuk-Świercz, D., & Świercz, R. (2024). Experimental Investigation on the Impact of Graphite Electrodes Grain Size on Technological Parameters and Surface Texture of Hastelloy C-22 after Electrical Discharge Machining with Negative Polarity. Materials, 17(10), 2257. https://doi.org/10.3390/ma17102257

