Advances in Understanding Microbial Deterioration of Buried and Waterlogged Archaeological Woods: A Review
Abstract
1. Introduction
2. Chemical and Ultrastructural Characteristics of Wood Cell Walls
2.1. Cell Wall Composition
2.2. Cell Wall Formation and Ultrastructure
3. Fungal Degradation
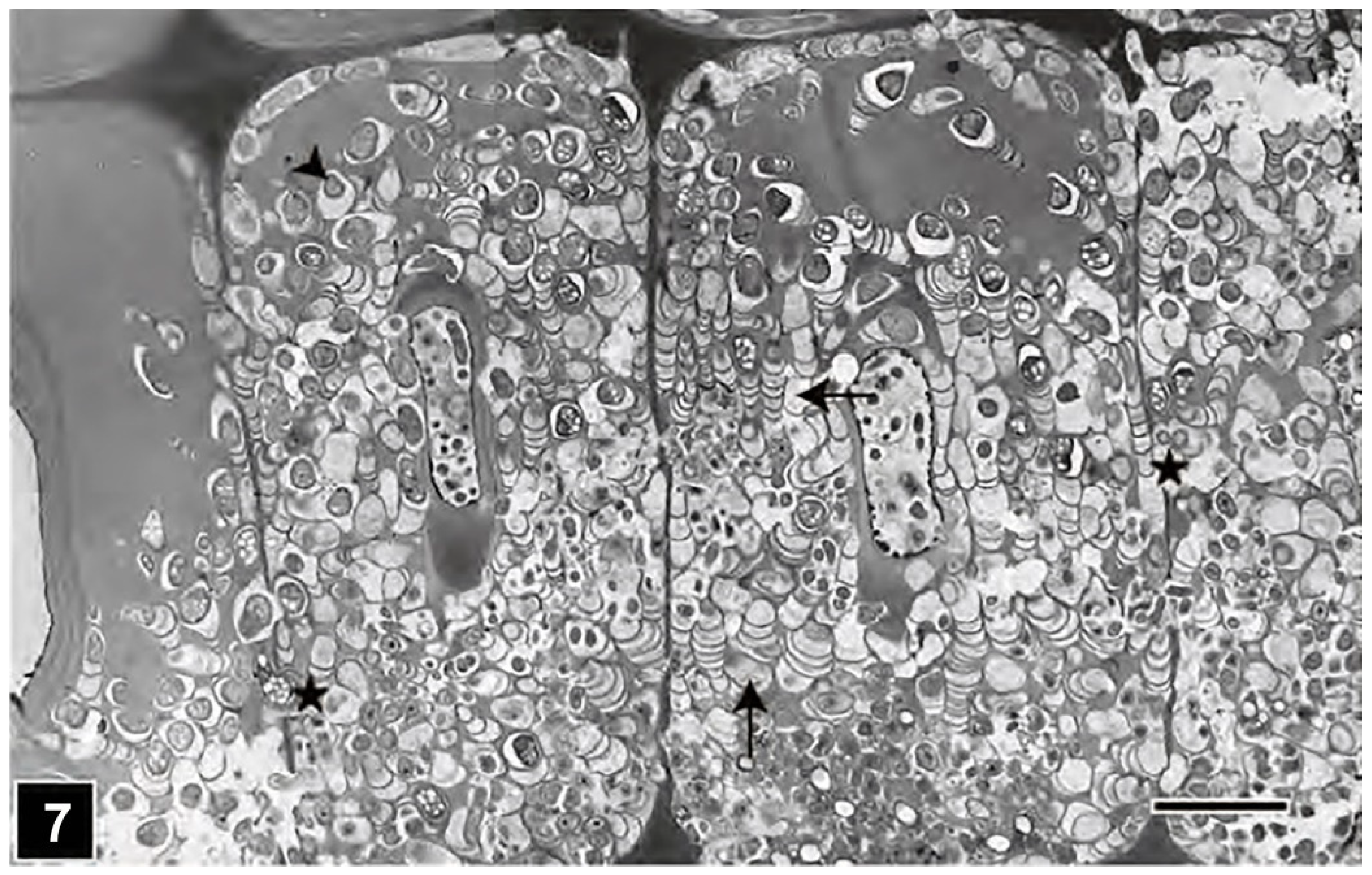
Cavity-Forming Soft Rot (Type I Soft Rot)
4. Bacterial Degradation
4.1. Developments Leading to Confirmation That Certain Bacteria Can Degrade Lignified Wood Cell Walls
4.2. Tunnelling Type Bacterial Degradation
4.2.1. Environments and Wood Substrates
4.2.2. The Micromorphological Pattern Associated with Tunnelling Type Attack: Relevance to Waterlogged Archaeological Woods
4.3. Erosion Type Bacterial Degradation
4.3.1. Environment and Wood Substrates
4.3.2. Micromorphological Features of EB Degradation: Relevance to Waterlogged Archaeological Woods
5. Understanding Microbial Decay Patterns: Relevance to Preservation of Waterlogged Archaeological Wooden Artefacts
6. Future Perspectives
Author Contributions
Funding
Acknowledgments
Conflicts of Interest
References
- Bari, E.; Daniel, G.; Yilgor, N.; Kim, J.-S.; Tajick-Ghanbary, M.A.; Singh, A.P.; Ribera, J. Comparison of the decay behaviour of two white-rot fungi in relation to wood type and exposure conditions. Microorganisms 2020, 8, 1931. [Google Scholar] [CrossRef] [PubMed]
- Zabel, R.A.; Morrell, J.J. Wood Microbiology: Decay and Its Prevention; Elsevier: San Diego, CA, USA, 2020. [Google Scholar]
- Singh, A.P.; Hedley, M.E.; Page, D.R.; Han, C.S.; Atisongkroh, K. Microbial degradation of CCA-treated cooling tower timbers. IAWA Bull. 1992, 13, 215–231. [Google Scholar] [CrossRef]
- Singh, A.P.; Wakeling, R.N.; Drysdale, J.A. Microbial Attacks of CCA-Treated Pinus radiata Timber from a Retaining Wall. Holzforschung 1994, 48, 458–462. [Google Scholar] [CrossRef]
- Singh, A.P.; Wakeling, R.N. Presence of widespread bacterial attacks in preservative- treated cooling tower timbers. N. Z. J. For. Sci. 1997, 27, 79–85. [Google Scholar]
- Santhakumaran, L.N.; Singh, A.P. Destruction of Two Tropical Timbers by Marine Borers and Microorganisms in Goa Waters (India); Document No. IRG/WP/4176-92; International Research Group on Wood Preservation: Stockholm, Sweden, 1992. [Google Scholar]
- Holt, D.M.; Jones, E.B. Bacterial degradation of lignified wood cell walls in anaerobic aquatic habitats. Appl. Environ. Microbiol. 1983, 46, 722–727. [Google Scholar] [CrossRef]
- Schmidt, O.; Nagashima, Y.; Liese, W.; Schmitt, U. Bacterial Wood Degradation Studies under Laboratory Conditions and in Lakes. Holzforschung 1987, 41, 137–140. [Google Scholar] [CrossRef]
- Donaldson, L.A.; Singh, A.P. Ultrastructure of Terminalia Wood from an Ancient Polynesian Canoe. IAWA Bull. 1990, 11, 195–202. [Google Scholar] [CrossRef]
- Singh, A.P.; Nilsson, T.; Daniel, G. Bacterial attack of Pinus sylvestris wood under near- anaerobic conditions. J. Inst. Wood Sci. 1990, 11, 237–249. [Google Scholar]
- Blanchette, R.A. Biodeterioration of archaeological wood. CAB Biodeterior. Abstr. 1995, 9, 113–127. [Google Scholar]
- Kim, Y.S.; Singh, A.P.; Nilsson, T. Bacteria as Important Degraders in Waterlogged Archaeological Woods. Holzforschung 1996, 50, 389–392. [Google Scholar] [CrossRef]
- Björdal, C.; Nilsson, T.; Daniel, G. Microbial decay of waterlogged archaeological wood found in Sweden Applicable to archaeology and conservation. Int. Biodeterior. Biodegrad. 1999, 43, 63–73. [Google Scholar] [CrossRef]
- Björdal, C.G. Waterlogged Archaeological Wood: Biodegradation and Its Implications for Conservation. Ph.D. Thesis, Swedish University of Agricultural Sciences, Uppsala, Sweden, 2000. [Google Scholar]
- Kim, Y.S.; Singh, A.P. Micromorphological characteristics of wood biodegradation in wet environments: A review. IAWA J. 2000, 21, 135–155. [Google Scholar] [CrossRef]
- Kim, Y.S.; Singh, A.P. Wood as cultural heritage material and its deterioration by biotic and abiotic agents. In Secondary Xylem Biology: Origins, Functions, and Applications; Kim, I.S., Funada, R., Singh, A.P., Eds.; Elsevier: London, UK, 2016; pp. 233–257. [Google Scholar]
- Singh, A.P. A review of microbial decay types found in wooden objects of cultural heritage recovered from buried and waterlogged environments. J. Cult. Herit. 2012, 13, S16–S20. [Google Scholar] [CrossRef]
- Cha, M.Y.; Lee, K.H.; Kim, J.S.; Kim, Y.S. Variations in bacterial decay between cell types and between cell wall regions in waterlogged archaeological wood excavated in the intertidal zone. IAWA J. 2021, 42, 457–474. [Google Scholar] [CrossRef]
- Blanchette, R.A. A review of microbial deterioration found in archaeological wood from different environments. Int. Biodeterior. Biodegrad. 2000, 46, 189–204. [Google Scholar] [CrossRef]
- Singh, A.; Kim, Y.S.; Wi, S.; Lee, K.; Kim, I.-J. Evidence of the Degradation of Middle Lamella in a Waterlogged Archaeological Wood. Holzforschung 2003, 57, 115–119. [Google Scholar] [CrossRef]
- Pedersen, N.B.; Łucejko, J.J.; Modugno, F.; Björdal, C. Correlation between bacterial decay and chemical changes in waterlogged archaeological wood analysed by light microscopy and Py-GC/MS. Holzforschung 2020, 75, 635–645. [Google Scholar] [CrossRef]
- Pournou, A. Biodegradation of Wooden Cultural Heritage: Origins and Decay Mechanisms in Aquatic and Terrestrial Ecosystems; Springer International Publishing: Berlin/Heidelberg, Germany, 2020. [Google Scholar]
- Pizzo, B.; Giachi, G.; Fiorentino, L. Evaluation of the applicability of conventional methods for the chemical characterisation of waterlogged archaeological wood. Archaeometry 2010, 52, 656–667. [Google Scholar]
- Schmitt, U.; Singh, A.P.; Kim, Y.S. Wood as an ecological niche for microorganisms: Wood formation, structure, and cell wall composition. In Forest Microbiology: Tree Microbiome: Phyllosphere, Endosphere and Rhizosphere; Asiegbu, F.O., Kovalchuk, A., Eds.; Elsevier—Academic Press: San Diego, CA, USA, 2021; pp. 17–34. [Google Scholar] [CrossRef]
- Fengel, D.; Wegener, G. Wood: Chemistry, Ultrastructure, Reactions; Walter de Gruyter: Berlin, Germany, 1984. [Google Scholar]
- Hillis, W.E. Heartwood and Tree Exudates; Springer: Berlin/Heidelberg, Germany, 1987. [Google Scholar] [CrossRef]
- Taylor, A.M.; Gartner, B.L.; Morrell, J.J. Heartwood formation and natural durability—A review. Wood Fiber Sci. 2002, 34, 587–611. [Google Scholar]
- Wi, S.G.; Singh, A.P.; Lee, K.H.; Kim, Y.S. The pattern of distribution of pectin, peroxidase and lignin in the middle lamella of secondary xylem fibers in Alfalfa (Medicago sativa). Ann. Bot. 2005, 95, 863–868. [Google Scholar] [CrossRef]
- Singh, A.P.; Kim, Y.S.; Chavan, R.R. Relationship of wood cell wall ultrastructure to bacterial degradation of wood. IAWA J. 2019, 40, 845–870. [Google Scholar] [CrossRef]
- Meents, M.; Watanabe, Y.; Samuels, A.L. The cell biology of secondary cell wall biosynthesis. Ann. Bot. 2018, 121, 1107–1125. [Google Scholar] [CrossRef]
- McCann, M.C.; Wells, B.; Roberts, K. Direct visualisation of cross-links in the primary cell walls. J. Cell Sci. 1990, 96, 323–334. [Google Scholar] [CrossRef]
- Donaldson, L.A.; Singh, A.P. Bridge-like structures between cellulose microfibrils in radiata pine (Pinus radiata D. Don) kraft pulp and holocellulose. Holzforschung 1998, 52, 449–454. [Google Scholar] [CrossRef]
- Fujino, T.; Sone, Y.; Mitsuishi, Y.; Itoh, T. Characterisation of cross-links between cellulose microfibrils, and their occurrence during elongation growth in pea epicotyl. Plant Cell Physiol. 2000, 41, 486–494. [Google Scholar] [CrossRef]
- Fahlén, J. The Cell Wall Ultrastructure of Wood Fibers—Effects of the Chemical Pulp Fiber Line. Ph.D. Thesis, KTH (Royal Institute of Technology), Stockholm, Sweden, 2005. [Google Scholar]
- Donaldson, L.; Xu, P. Microfibril orientation across the secondary cell wall of Radiata pine tracheids. Trees 2005, 19, 644–653. [Google Scholar] [CrossRef]
- Mottiar, Y.; Gierlinger, N.; Jeremic, D.; Master, E.R.; Mansfield, S.D. Atypical lignification in eastern leatherwood (Dirca palustris). New Phytol. 2019, 226, 704–713. [Google Scholar] [CrossRef]
- Donaldson, L. Mechanical constraints on lignin deposition during lignification. Wood Sci. Technol. 1994, 28, 111–118. [Google Scholar] [CrossRef]
- Nishimura, H.; Kamiya, A.; Nagata, T.; Katahira, M.; Watanabe, T. Direct evidence for α ether linkage between lignin and carbohydrates in wood cell walls. Sci. Rep. 2018, 8, 6538. [Google Scholar] [CrossRef]
- Kang, X.; Kirui, A.; Dickwella Widanage, M.C.; Mentink-Vigier, F.; Cosgrove, D.J.; Wang, T. Liginin-polysaccharide interactions in plant secondary cell walls revealed by solid state NMR. Nat. Commun. 2019, 10, 347. [Google Scholar] [CrossRef]
- Felhofer, M.; Bock, P.; Singh, A.; Prats-Mateu, B.; Zirbs, R.; Gierlinger, N. Wood Deformation Leads to Rearrangement of Molecules at the Nanoscale. Nano Lett. 2020, 20, 2647–2653. [Google Scholar] [CrossRef] [PubMed]
- Daniel, G.; Nilsson, T. Polylaminate concentric cell wall layering in fibres of Homaleum foetidum and its effects on degradation by soft rot fungi. In Recent Advances in Wood Anatomy; Donaldson, L.A., Singh, A.P., Butterfield, B.G., Whitehouse, L.J., Eds.; New Zealand Forest Research Institute: Rotorua, New Zealand, 1996; pp. 369–372. [Google Scholar]
- Singh, A.P.; Wong, A.H.H.; Kim, Y.S.; Wi, S.G. The Relationship of Cell Wall Ultrastructure to Soft Rot Decay in Kempas (Koompassia malaccensis) Heartwood; Document No. IRG/WP/04-10541; International Research Group on Wood Preservation: Stockholm, Sweden, 2004. [Google Scholar]
- Wang, X.; Keplinger, T.; Gierlinger, N.; Burgert, I. Plant material features responsible for bamboo’s excellent mechanical performance: A comparison of tensile properties of bamboo and spruce at the tissue, fibre and cell wall levels. Ann. Bot. 2014, 114, 1627–1635. [Google Scholar] [CrossRef] [PubMed]
- Cha, M.Y.; Lee, K.H.; Kim, Y.S. Micromorphological and chemical aspects of archaeological bamboos under long-term waterlogged condition. Int. Biodeterior. Biodegrad. 2014, 86, 115–121. [Google Scholar] [CrossRef]
- Singh, A.P. Initial pit borders in Pinus radiata are resistant to degradation by soft rot fungi and erosion bacteria but not tunnelling bacteria. Holzforschung 1997, 51, 15–18. [Google Scholar]
- Singh, A.P.; Nilsson, T.; Daniel, G.F. Alstonia Scholaris Vestures are Resistant to Degradation by Tunnelling Bacteria. IAWA J. 1993, 14, 119–126. [Google Scholar] [CrossRef]
- Singh, A.P.; Nilsson, T.; Daniel, G. Variable resistance of Pinus sylvestris wood components to attack by wood degrading bacteria. In Recent Advances in Wood Anatomy; Donaldson, L.A., Singh, A.P., Butterfield, B.G., Whitehouse, L.J., Eds.; New Zealand Forest Research Institute: Rotorua, New Zealand, 1996; pp. 408–416. [Google Scholar]
- Singh, A.P.; Kim, Y.S.; Wi, S.G. Technical Note: Inhomogeneity in the composition of vesture walls in an archaeological wood. IAWA J. 2002, 23, 77–82. [Google Scholar] [CrossRef]
- Rioux, D.; Chamberland, H.; Simard, M.; Ouellett, G.B. Suberised tyloses in trees: An ultrastructural and cytochemical study. Planta 1995, 196, 125–140. [Google Scholar] [CrossRef]
- De Micco, V.; Balzano, A.; Wheeler, E.A.; Baas, P. Tyloses and gums: A review of structure, function and occurrence of vessel occlusions. IAWA J. 2016, 37, 186–205. [Google Scholar] [CrossRef]
- Singh, A.P.; Schmitt, U.; Möller, R.; Dawson, B.S.; Koch, G. Ray tracheids in Pinus radiata are more highly resistant to soft rot as compared to axial tracheids: Relationship to lignin concentration. Wood Sci. Technol. 2005, 40, 16–25. [Google Scholar] [CrossRef]
- Kim, Y.S.; Singh, A.P. Micromorphological characteristics of waterlogged archaeological woods by marine microorganisms. In Recent Advances in Wood Anatomy; Donaldson, L.A., Singh, A.P., Butterfield, B.G., Whitehouse, L.J., Eds.; New Zealand Forest Research Institute: Rotorua, New Zealand, 1996; pp. 389–399. [Google Scholar]
- Singh, A.P. Ultrastructural features of compression wood cells in relation to bacterial decay of Pinus radiata. In Recent Advances in Wood Anatomy; Donaldson, L.A., Singh, A.P., Butterfield, B.G., Whitehouse, L.J., Eds.; New Zealand Forest Research Institute: Rotorua, New Zealand, 1996; pp. 400–407. [Google Scholar]
- Singh, A.P. The ultrastructure of the attack of Pinus radiata mild compression wood by erosion and tunnelling bacteria. Can. J. Bot. 1997, 75, 1095–1102. [Google Scholar] [CrossRef]
- Schmitt, U.; Singh, A.P.; Thieme, H.; Friedrich, P.; Hoffmann, P. Electron microscopic characterisation of cell wall degradation of the 400,000-year-old wooden Schöningen speers. Holz Roh. Werkst. 2005, 63, 118–122. [Google Scholar] [CrossRef]
- Nilsson, T.; Singh, A.; Daniel, G. Ultrastructure of the Attack of Eusideroxylon zwageri Wood by Tunnelling Bacteria. Holzforschung 1992, 46, 361–368. [Google Scholar] [CrossRef]
- Singh, A.P.; Wong, A.H.H.; Kim, Y.S.; Wi, S.G.; Lee, K.H. Soft Rot Decay of Cengal (Neobalanocarpus heimi) Heartwood in Ground Contact in Relation to Extractive Microdistribution; Document No. IRG/WP 03-10501; International Research Group on Wood Preservation: Stockholm, Sweden, 2003. [Google Scholar]
- Kim, Y.S.; Singh, A.P.; Wong, A.H.H.; Eom, T.J.; Lee, K.H. Micromorphological and chemical characteristics of cengal (Neobalanocarpus heimi) heartwood decayed by soft rot fungi. J. Kor. Wood Sci. Technol. 2006, 34, 68–77. [Google Scholar]
- Daniel, G.; Nilsson, T. Developments in the study of soft rot and bacterial decay. In Forest Products Biotechnology; Bruce, A., Palfreman, J.W., Eds.; Taylor and Francis: London, UK, 1998; pp. 37–62. [Google Scholar]
- Pedersen, N.B.; Matthiesen, H.; Blanchette, R.A.; Alfredsen, G.; Held, B.W.; Westergaard-Nielsen, A.; Hollesen, J. Fungal attack on archaeological wooden artefacts in the Arctic—Implications in a changing climate. Sci. Rep. 2020, 10, 1–11. [Google Scholar] [CrossRef]
- Blanchette, R.A.; Held, B.W.; Jurgens, J.A.; McNew, D.L.; Harrington, T.C.; Duncan, S.M.; Farrell, R.L. Wood-Destroying Soft Rot Fungi in the Historic Expedition Huts of Antarctica. Appl. Environ. Microbiol. 2004, 70, 1328–1335. [Google Scholar] [CrossRef]
- Björdal, C.G.; Dayton, P.K. First evidence of microbial wood degradation in the coastal waters of the Antarctic. Sci. Rep. 2020, 10, 12774. [Google Scholar] [CrossRef]
- Nagashima, Y.; Fukuda, K.; Sato, S.; Moroboshi, N.; Haraguchi, T. Coexistence of microfungal and bacteria degradation in a single wood cell wall. Mokuzai Gakkaishi 1990, 36, 480–486. [Google Scholar]
- Anagnost, S.E. Light Microscopic Diagnosis of Wood Decay. IAWA J. 1998, 19, 141–167. [Google Scholar] [CrossRef]
- Hale, M.D.; Eaton, R.A. The ultrastructure of soft rot fungi. Cavity-forming hyphae in wood cell walls. Mycologia 1985, 77, 594–605. [Google Scholar] [CrossRef]
- Anagnost, S.; Worrall, J.; Wang, C. Diffuse cavity formation in soft rot of pine. Wood Sci. Technol. 1994, 28, 199–208. [Google Scholar] [CrossRef]
- Singh, A.P.; Wakeling, R.N. Novel Observations on the Micromorphology of Soft Rot Attack of Wood; Document No. IRG/WP/96-10176; International Research Group on Wood Preservation: Stockholm, Sweden, 1996. [Google Scholar]
- Daniel, G. Fungal degradation of wood cell walls. In Secondary Xylem Biology: Origins, Functions, and Applications; Kim, Y.S., Funada, R., Singh, A.P., Eds.; Elsevier: London, UK, 2016; pp. 131–167. [Google Scholar]
- Sulaiman, O.; Murphy, R.J. Ultrastructure of soft rot decay in bamboo cell walls. Mat. Org. 1995, 29, 241–253. [Google Scholar]
- Khalili, S.; Daniel, G.; Nilsson, T. Use of Soft Rot Fungi for Studies on the Microstructure of Kapok (Ceiba pentandra (L.) Gaertn.) Fibre Cell Walls. Holzforschung 2000, 54, 229–233. [Google Scholar] [CrossRef]
- Khalili, S.; Nilsson, T.; Daniel, G. The use of soft rot fungi for determining the microfibrillar orientation in the S2 layer of pine tracheids. Holz Roh-Werkst. 2001, 58, 439–447. [Google Scholar] [CrossRef]
- Anagnost, S.E.; Mark, R.E.; Hanna, R.B. S2 Orientation of Microfibrils in Softwood Tracheids and Hardwood Fibers. IAWA J. 2005, 26, 325–338. [Google Scholar] [CrossRef]
- Nilsson, T.; Daniel, G.; Kirk, T.K.; Obst, J.R. Chemistry and microscopy of wood decay by some higher ascomycetes. Holzforschung 1989, 43, 11–18. [Google Scholar] [CrossRef]
- Blanchette, R.A.; Nilsson, T.; Daniel, G. Biological degradation of wood. In Archaeological Wood: Properties, Chemistry and Preservation, Advances in Chemistry; Rowell, R.M., Barbour, J., Eds.; American Chemical Society: Washington, DC, USA, 1990; Volume 225, pp. 141–174. [Google Scholar]
- Donaldson, L.A. S3 lignin concentration in radiata pine tracheids. Wood Sci. Technol. 1987, 21, 227–234. [Google Scholar]
- Nilsson, T. The Degradation of Cellulose and the Production of Cellulase, Xylanase, Mannanase and Amylase by Wood-Attacking Microfungi; Studia Forestalia Suecica; Skogshögskolan: Stockholm, Sweden, 1974. [Google Scholar]
- Goodell, B.; Zhu, Y.; Kim, S.; Kafle, K.; Eastwood, D.; Daniel, G.; Jellison, J.; Yoshida, M.; Groom, L.; Pingali, S.V.; et al. Modification of the nanostructure of lignocellulose cell walls via a non-enzymatic lignocellulose deconstruction system in brown rot wood-decay fungi. Biotechnol. Biofuels 2017, 10, 291–311. [Google Scholar] [CrossRef]
- Janusz, G.; Pawlik, A.; Sulej, J.; Świderska-Burek, U.; Jarosz-Wilkolazka, A.; Paszczyński, A. Lignin degradation: Microorganisms, enzymes involved, genomes analysis and evolution. FEMS Microbiol. Rev. 2017, 41, 941–962. [Google Scholar] [CrossRef]
- Levy, M.P.; Preston, R.D. A chemical and microscopic examination of the action of the soft rot fungus (Chaetomium globosum) on beech wood (Fagus sylvatica). Holzforschung 1965, 19, 183–190. [Google Scholar] [CrossRef]
- Eslyn, W.E.; Kirk, T.K.; Effland, M.J. Changes in the chemical composition of wood caused by six soft rot fungi. Phytopathology 1975, 65, 473–476. [Google Scholar] [CrossRef]
- Clausen, C.A. Bacterial associations with decaying wood: A review. Int. Biodeterior. Biodegrad. 1996, 37, 101–107. [Google Scholar] [CrossRef]
- Schmidt, O.; Liese, W. Occurrence and Significance of Bacteria in Wood. Holzforschung 1994, 48, 271–277. [Google Scholar] [CrossRef]
- Greaves, H. Micromorphology of the bacterial attack of wood. Wood Sci. Technol. 1969, 3, 150–166. [Google Scholar] [CrossRef]
- Greaves, H.; Foster, R.C. The fine structure of bacterial attack of wood. J. Inst. Wood Sci. 1970, 25, 18–27. [Google Scholar]
- Holt, D.M.; Jones, E.B.G.; Furtado, S.E.J. Bacterial breakdown of wood in aquatic habitats. Rec. Annu. Conv. Brit. Wood Preserv. Assoc. 1979, 29, 13–24. [Google Scholar]
- Singh, A.P.; Butcher, J.A. Bacterial degradation of wood cell walls: A review of degradation patterns. J. Inst. Wood Sci. 1991, 12, 143–157. [Google Scholar]
- Hepler, P.K.; Fosket, D.E.; Newcomb, E.H. Lignification during secondary wall formation in Coleus: An electron microscopic study. Am. J. Bot. 1970, 57, 85–96. [Google Scholar] [CrossRef]
- Bland, D.E.; Foster, R.C.; Logan, A.F. The Mechanism of Permanganate and Osmium Tetroxide Fixation and the Distribution of the Lignin in the Cell Wall of Pinus radiata. Holzforschung 1971, 25, 137–143. [Google Scholar] [CrossRef]
- Maurer, A.; Fengel, D. A Process for Improving the Quality and Lignin Staining of Ultrathin Sections from Wood Tissue. Holzforschung 1990, 44, 453–460. [Google Scholar] [CrossRef]
- Fromm, J.; Rockel, B.; Lautner, S.; Windeisen, E.; Wanner, G. Lignin distribution in wood cell walls determined by TEM and backscattered SEM techniques. J. Struct. Biol. 2003, 143, 77–84. [Google Scholar] [CrossRef]
- Singh, A.P. Certain Aspects of Bacterial Degradation of Pinus radiata Wood. IAWA Bull. 1989, 10, 405–415. [Google Scholar] [CrossRef]
- Daniel, G.F.; Nilsson, T.; Singh, A.P. Degradation of lignocellulosics by unique tunnel-forming bacteria. Can. J. Microbiol. 1987, 33, 943–948. [Google Scholar] [CrossRef]
- Nilsson, T.; Daniel, G. Tunnelling Bacteria; Document No. IRG/WP 1186; International Research Group on Wood Preservation: Stockholm, Sweden, 1983. [Google Scholar]
- Nilsson, T.; Singh, A.P. Tunnelling bacteria and tunnelling of wood cell walls. In McGraw-Hill Encyclopedia of Science and Technology; McGraw Hill: New York, NY, USA, 2014; pp. 395–399. [Google Scholar]
- Singh, A.P.; Kim, Y.S.; Singh, T. Bacterial degradation of wood. In Secondary Xylem Biology: Origins, Functions, and Applications; Kim, Y.S., Funada, R., Singh, A.P., Eds.; Elsevier: London, UK, 2016; pp. 169–190. [Google Scholar]
- Daniel, G. Microscopic techniques for understanding wood cell structure and biodegradation. In Secondary Xylem Biology: Origins, Functions, and Applications; Kim, Y.S., Funada, R., Singh, A.P., Eds.; Elsevier: London, UK, 2016; pp. 309–343. [Google Scholar]
- Björdal, C.; Daniel, G.; Nilsson, T. Depth of burial, an important factor in controlling bacterial decay of waterlogged archaeological poles. Int. Biodeterior. Biodegrad. 2000, 45, 15–26. [Google Scholar] [CrossRef]
- Daniel, G.; Nilsson, T. Ultrastructural Observations on Wood Degrading Erosion Bacteria; Document No. IRG/WP-1283; International Research Group on Wood Preservation: Stockholm, Sweden, 1986. [Google Scholar]
- Ufar, K.; Gričar, J.; Jupancic, M.; Koch, G.; Schmitt, U. Anatomy, cell wall structure and topochemistry of waterlogged archaeological wood aged 5,200 and 4,500 years. IAWA J. 2008, 29, 55–68. [Google Scholar]
- Pedersen, N.B.; Schmitt, U.; Koch, G.; Felby, C.; Thygesen, L.G. Lignin distribution in waterlogged archaeological Picea abies (L.) Karst degraded by erosion bacteria. Holzforschung 2014, 68, 791–798. [Google Scholar] [CrossRef]
- Pedersen, N.B.; Gierlinger, N.; Thygesen, L.G. Bacterial and abiotic decay in waterlogged archaeological Picea abies (L.) Karst studied by confocal Raman imaging and ATR-FTIR spectroscopy. Holzforschung 2015, 69, 103–112. [Google Scholar] [CrossRef]
- Singh, A.P.; Butcher, J.A. Degradation of CCA-treated posts by erosion bacteria. J. Inst. Wood Sci. 1985, 10, 140–144. [Google Scholar]
- Hoffmann, P.; Singh, A.P.; Kim, Y.S.; Wi, S.G.; Kim, I.-J.; Schmitt, U. The Bremen Cog of 1380—An electron microscopic study of its degraded wood before and after stabilisation with PEG. Holzforschung 2004, 58, 211–218. [Google Scholar] [CrossRef]
- Fahlén, J.; Salmén, L. Pore and matrix distribution in the fibre wall revealed by atomic force microscopy and image analysis. Biomacromolecules 2005, 6, 433–438. [Google Scholar] [CrossRef]
- Zhang, T.; Zhang, Y.; Cosgrove, D.J. Spatial organisation of cellulose microfibrils and matrix polysaccharides in primary plant cell walls as imaged by multichannel atomic force microscopy. Plant J. 2016, 85, 179–192. [Google Scholar] [CrossRef]
- Broda, M.; Hill, C.A.S. Conservation of Waterlogged Wood—Past, Present and Future Perspectives. Forests 2021, 12, 1193. [Google Scholar] [CrossRef]
- Landy, E.T.; Mitchell, J.I.; Hotchkiss, S.; Eaton, R.A. Bacterial diversity associated with archaeological waterlogged wood: Ribosomal RNA clone libraries and denaturing gradient gel electrophoresis (DGGE). Int. Biodeterior. Biodegrad. 2008, 61, 106–116. [Google Scholar] [CrossRef]
- Preston, J.; Watts, J.E.; Jones, M. Novel bacterial community associated with 500-year- old unpreserved archaeological wood from King Henry VIII’s Tudor warship the Mary Rose. Appl. Environ. Microbiol. 2012, 78, 8822–8828. [Google Scholar] [CrossRef] [PubMed]
- Palla, F.; Mancuso, F.P.; Billeci, N. Multiple approaches to identify bacteria in archaeological waterlogged wood. J. Cult. Herit. 2013, 14, e61–e64. [Google Scholar] [CrossRef][Green Version]
- Liu, Z.; Fu, T.; Hu, C.; Shen, D.; Macchioni, N.; Sozzi, L.; Chen, Y.; Liu, J.; Tian, X.; Ge, Q.; et al. Microbial community analysis and biodeterioration of waterlogged archaeological wood from the Nanhai No. 1 shipwreck during storage. Sci. Rep. 2018, 8, 7170. [Google Scholar] [CrossRef] [PubMed]
- Helms, A.C.; Martiny, A.C.; Hofman-Bang, J.; Ahring, B.K.; Kilstrup, M. Identification of bacterial cultures from archaeological wood using molecular biological techniques. Int. Biodeterior. Biodegrad. 2004, 53, 79–88. [Google Scholar] [CrossRef]














Publisher’s Note: MDPI stays neutral with regard to jurisdictional claims in published maps and institutional affiliations. |
© 2022 by the authors. Licensee MDPI, Basel, Switzerland. This article is an open access article distributed under the terms and conditions of the Creative Commons Attribution (CC BY) license (https://creativecommons.org/licenses/by/4.0/).
Share and Cite
Singh, A.P.; Kim, Y.S.; Chavan, R.R. Advances in Understanding Microbial Deterioration of Buried and Waterlogged Archaeological Woods: A Review. Forests 2022, 13, 394. https://doi.org/10.3390/f13030394
Singh AP, Kim YS, Chavan RR. Advances in Understanding Microbial Deterioration of Buried and Waterlogged Archaeological Woods: A Review. Forests. 2022; 13(3):394. https://doi.org/10.3390/f13030394
Chicago/Turabian StyleSingh, Adya P., Yoon Soo Kim, and Ramesh R. Chavan. 2022. "Advances in Understanding Microbial Deterioration of Buried and Waterlogged Archaeological Woods: A Review" Forests 13, no. 3: 394. https://doi.org/10.3390/f13030394
APA StyleSingh, A. P., Kim, Y. S., & Chavan, R. R. (2022). Advances in Understanding Microbial Deterioration of Buried and Waterlogged Archaeological Woods: A Review. Forests, 13(3), 394. https://doi.org/10.3390/f13030394
