Performance Enhancement of Vehicle Mechatronic Inertial Suspension, Employing a Bridge Electrical Network
Abstract
1. Introduction
2. Model Building
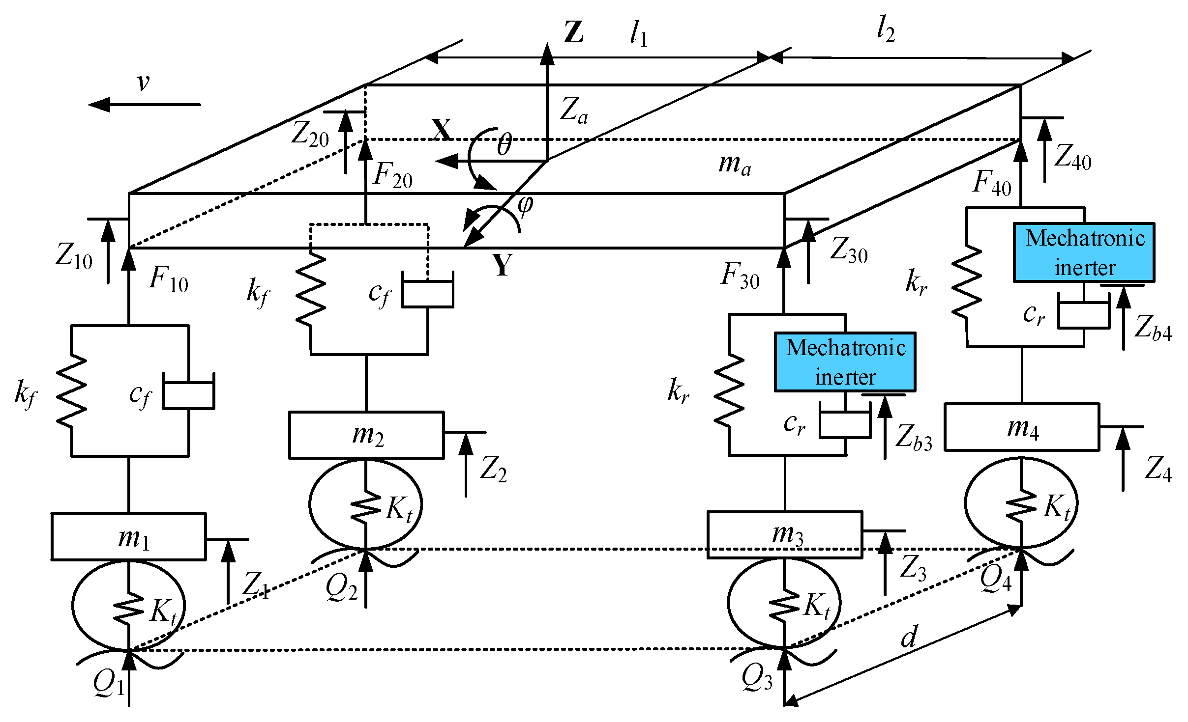
2.1. Seven-Degree-of-Freedom Vehicle Model
2.2. Bridge Network
2.3. Series-Parallel Network
3. Optimization of the Inertial Suspension Parameters
4. Discussion
4.1. Road Input
4.2. Performance Analysis of Mechatronic Inertial Suspension
5. Experimental Research
5.1. Structure Selection and Real Vehicle Installation
5.2. Random Road Input
5.3. Pulse Road Input
6. Conclusions
Author Contributions
Funding
Data Availability Statement
Acknowledgments
Conflicts of Interest
References
- Lee, D.; Jin, S.W.; Rhee, E.-J.; Lee, C. Practical Damper Velocity Estimation for Semi-Active Suspension Control. Int. J. Automot. Technol. 2021, 22, 499–506. [Google Scholar] [CrossRef]
- Lee, G.-W.; Hyun, M.; Kang, D.-O.; Heo, S.-J. High-efficiency Active Suspension based on Continuous Damping Control. Int. J. Automot. Technol. 2022, 23, 31–40. [Google Scholar] [CrossRef]
- Smith, M. Synthesis of mechanical networks: The inerter. IEEE Trans. Autom. Control 2002, 47, 1648–1662. [Google Scholar] [CrossRef]
- Papageorgiou, C.; Houghton, N.E.; Smith, M.C. Experimental testing and analysis of inerter devices. J. Dyn. Syst. Meas. Control.-Trans. Asme 2009, 131, 101–116. [Google Scholar] [CrossRef]
- Faraj, R.; Jankowski, L.; Graczykowski, C.; Holnicki-Szulc, J. Can the inerter be a successful shock-absorber? The case of a ball-screw inerter with a variable thread lead. J. Frankl. Inst. 2019, 356, 7855–7872. [Google Scholar] [CrossRef]
- Liu, X.; Jiang, J.Z.; Titurus, B.; Harrison, A. Model identification methodology for fluid-based inerters. Mech. Syst. Signal Process. 2018, 106, 479–494. [Google Scholar] [CrossRef]
- Swift, S.J.; Smith, M.C.; Glover, A.R.; Papageorgiosu, C.; Gartner, B.; Houghton, N.E. Design and modelling of a fluid inerter. Int. J. Control. 2013, 86, 2035–2051. [Google Scholar] [CrossRef]
- Shen, Y.; Chen, L.; Liu, Y.; Zhang, X. Modeling and Optimization of Vehicle Suspension Employing a Nonlinear Fluid Inerter. Shock Vib. 2016, 2016, 1–9. [Google Scholar] [CrossRef]
- Zhang, H.; Shen, Y.; Yang, H. Impact of coil factors on a hydraulic electric inerter based vehicle suspension. J. Theor. Appl. Mech. 2020, 58, 711–722. [Google Scholar] [CrossRef]
- Yang, X.; Song, H.; Shen, Y.; Liu, Y.; He, T. Control of the Vehicle Inertial Suspension Based on the Mixed Skyhook and Power-Driven-Damper Strategy. IEEE Access 2020, 8, 217473–217482. [Google Scholar] [CrossRef]
- Li, X.; Li, F.; Shang, D. Dynamic Characteristics Analysis of ISD Suspension System under Different WoSrking Conditions. Mathematics 2021, 9, 1345. [Google Scholar] [CrossRef]
- Zhao, Z.; Zhang, R.; Wierschem, N.E.; Jiang, Y.; Pan, C. Displacement mitigation-oriented design and mechanism for inerter-based isolation system. J. Vib. Control. 2021, 27, 1991–2003. [Google Scholar] [CrossRef]
- Shi, A.; Shen, Y.; Wang, J. Parameter optimization of a grounded dynamic vibration absorber with lever and inerter. J. Low Freq. Noise, Vib. Act. Control 2022, 41, 784–798. [Google Scholar] [CrossRef]
- Zhang, R.F.; Zhao, Z.P.; Liu, X.C.; Zhang, L.X. Optimal design of inerter systems for the force-transmission suppression of oscillating structures. Earthq. Eng. Eng. Vib. 2022, 21, 441–454. [Google Scholar]
- Dai, J.; Wang, Y.; Wei, M.; Zhang, W.; Zhu, J.; Jin, H.; Jiang, C. Dynamic characteristic analysis of the inerter-based piecewise vibration isolator under base excitation. Acta Mech. 2022, 233, 513–533. [Google Scholar] [CrossRef]
- Lewis, T.D.; Jiang, J.Z.; Neild, S.A.; Gong, C.N.; Iwnicki, S.D. Using an inerter-based suspension to improve both passenger comfort and track wear in railway vehicles. Veh. Syst. Dyn. 2020, 58, 472–493. [Google Scholar] [CrossRef]
- Xia, Z.H.; Zhou, J.S.; Lian, J.Y.; Ding, S.; Gong, D.; Sun, W.; Sun, Y. Online detection and control of car body low-frequency swaying in railway vehicles. Veh. Syst. Dyn. 2021, 59, 70–100. [Google Scholar] [CrossRef]
- Wang, Y.; Li, H.X.; Meng, H.D.; Wang, Y. Dynamic characteristics of an underframe inerter-based suspended equipment for high speed trains. J. Vib. Shock. 2022, 41, 246–254. [Google Scholar]
- Zhang, H.; Ye, Z.; Chen, X.; Yao, W. Seismic response mitigation of girder displacement of cable-stayed bridge using inerter systems. Structures 2022, 39, 928–944. [Google Scholar] [CrossRef]
- Xu, K.; Bi, K.; Han, Q.; Li, X.; Du, X. Using tuned mass damper inerter to mitigate vortex-induced vibration of long-span bridges: Analytical study. Eng. Struct. 2019, 182, 101–111. [Google Scholar] [CrossRef]
- Zhao, Z.; Chen, Q.; Zhang, R.; Jiang, Y.; Pan, C. A negative stiffness inerter system (NSIS) for earthquake protection purposes. Smart Struct. Syst. 2020, 26, 481–493. [Google Scholar]
- Li, Y.; Li, S.; Chen, Z. Optimal design and effectiveness evaluation for inerter-based devices on mitigating seismic responses of base isolated structures. Earthq. Eng. Eng. Vib. 2021, 20, 1021–1032. [Google Scholar] [CrossRef]
- Xu, S.; He, B. A compliance modeling method of flexible rotary joint for collaborative robot using passive network synthesis theory. Proc. Inst. Mech. Eng. Part C J. Mech. Eng. Sci. 2021, 236, 4038–4048. [Google Scholar] [CrossRef]
- Yang, X.; He, T.; Shen, Y.; Liu, Y.; Yan, L. Research on predictive coordinated control of ride comfort and road friendliness for heavy vehicle ISD suspension based on the hybrid-hook damping strategy. Proc. Inst. Mech. Eng. Part D J. Automob. Eng. 2022. [Google Scholar] [CrossRef]
- Smith, M.C.; Wang, F.-C. Performance Benefits in Passive Vehicle Suspensions Employing Inerters. Veh. Syst. Dyn. 2004, 42, 235–257. [Google Scholar] [CrossRef]
- Papageorgiou, C.; Smith, M. Positive real synthesis using matrix inequalities for mechanical networks: Application to vehicle suspension. IEEE Trans. Control Syst. Technol. 2006, 14, 423–435. [Google Scholar] [CrossRef]
- Wang, F.-C.; Chan, H.-A. Vehicle suspensions with a mechatronic network strut. Veh. Syst. Dyn. 2011, 49, 811–830. [Google Scholar] [CrossRef]
- López-Martínez, J.; Martínez, J.; García-Vallejo, D.; Alcayde, A.; Montoya, F.G. A new electromechanical analogy approach based on electrostatic coupling for vertical dynamic analysis of planar vehicle models. IEEE Access 2021, 9, 119492–119502. [Google Scholar] [CrossRef]
- Chen, M.Z.; Papageorgiou, C.; Scheibe, F.; Wang, F.-C.; Smith, M.C. The missing mechanical circuit element. IEEE Circuits Syst. Mag. 2009, 9, 10–26. [Google Scholar] [CrossRef]
- Li, Y.A.; Cheng, Z.; Hu, N.Q.; Yang, Y.; Zhuo, X. Modeling, design and experiments of a ball-screw inerter with mechanical diodes. J. Sound Vib. 2021, 504, 116121. [Google Scholar]
- Yang, X.; Yan, L.; Shen, Y.; Liu, Y.; Liu, C. Optimal Design and Dynamic Control of an ISD Vehicle Suspension Based on an ADD Positive Real Network. IEEE Access 2020, 8, 94294–94306. [Google Scholar] [CrossRef]
- Shen, Y.; Hua, J.; Fan, W.; Liu, Y.; Yang, X.; Chen, L. Optimal design and dynamic performance analysis of a fractional-order electrical network-based vehicle mechatronic ISD suspension. Mech. Syst. Signal Process. 2023, 184, 2592–2601. [Google Scholar] [CrossRef]
- Ning, D.; Du, H.; Zhang, N.; Sun, S.; Li, W. Controllable Electrically Interconnected Suspension System for Improving Vehicle Vibration Performance. IEEE/ASME Trans. Mechatron. 2020, 25, 859–871. [Google Scholar] [CrossRef]
- Hu, Y.L.; Chen, M.Z.Q. Low-complexity passive vehicle suspension design based on element-number-restricted networks and low-order admittance networks. J. Dyn. Syst. Meas. Control.-Trans. Asme 2018, 140, 101014. [Google Scholar] [CrossRef]
- Li, Y.; Yang, X.; Shen, Y.; Liu, Y.; Wang, W. Optimal design and dynamic control of the HMDV inertial suspension based on the ground-hook positive real network. Adv. Eng. Softw. 2022, 171, 103171. [Google Scholar] [CrossRef]
- Shen, Y.; Hua, J.; Wu, B.; Chen, Z.; Xiong, X.; Chen, L. Optimal design of the vehicle mechatronic ISD suspension system using the structure-immittance approach. Proc. Inst. Mech. Eng. Part D J. Automob. Eng. 2022, 236, 512–521. [Google Scholar] [CrossRef]
- Zhong, R.; Bi, C.; Chen, Y.; Chen, Z.; Zhou, A.; Yang, Z.; Zhai, J. A Simplified Method for Extracting Parasitic Inductances of MOSFET-Based Half-Bridge Circuit. IEEE Access 2021, 9, 14122–14129. [Google Scholar] [CrossRef]
- Advani, J.; Gupta, O. Networks for a Subclass of Minimum Biquartic Impedance Functions. IEEE Trans. Circuit Theory 1965, 12, 621–622. [Google Scholar] [CrossRef]
- Lee, S.; Frisch, I. A Class of RLC Networks with Fewer Nonreactive Elements than the Brune Realization. IEEE Trans. Circuit Theory 1964, 11, 418–421. [Google Scholar] [CrossRef]
- Yang, X.F.; Song, H.; Shen, Y.J.; Liu, Y.L. Study on adverse effect suppression of hub motor driven vehicles with inertial suspensions. Proc. Inst. Mech. Eng. Part D J. Automob. Eng. 2022, 236, 767–779. [Google Scholar] [CrossRef]
- Wang, F.C.; Chan, H.A. Mechatronic Suspension Design and Its Applications to Vehicle Suspension Control. IEEE Conf. Decis. Control. 2008, 12, 3769–3774. [Google Scholar]
- Clerc, M.; Kennedy, J. The particle swarm-explosion, stability, and convergence in a multidimensional complex space. IEEE Trans. Evol. Comput. 2002, 6, 58–73. [Google Scholar] [CrossRef]











| Parameters | Symbol | Unit | Value |
|---|---|---|---|
| Sprung mass | ma | kg | 1659 |
| Unsprung mass of left and right front wheels | m1, m2 | kg | 47.5 |
| Unsprung mass of left and right rear wheels | m3, m4 | kg | 42.5 |
| Spring stiffness of front axle suspension | kf | kN·m−1 | 25 |
| Spring stiffness of rear axle suspension | kr | kN·m−1 | 22 |
| Damping coefficient of front axle suspension | cf | kN·s·m−1 | 1.8 |
| Damping coefficient of rear axle suspension | cr | kN·s·m−1 | 1.5 |
| Equivalent stiffness of tire | Kt | kN·m−1 | 192 |
| Distance from front axle to body centroid | l1 | m | 1.28 |
| Distance from rear axle to body centroid | l2 | m | 1.43 |
| Wheelbase | d | m | 1.62 |
| Inertance of rear suspension | b | kg | 308 |
| Body roll moment of inertia | Ix | kg·m2 | 1088 |
| Body pitch moment of inertia | Iy | kg·m2 | 3032 |
| Parameters | Bridge Network | Series-Parallel Network | ||||
|---|---|---|---|---|---|---|
| (a) | (b) | (c) | (d) | (e) | (f) | |
| Capacitance C1 (mF) | 8 | 3 | 8.4 | 6.3 | 2.5 | 7.5 |
| Inductance L1 (mH) | 18.8 | 17.5 | 3.5 | 16 | 13.7 | 15 |
| Resistance R1 (Ω) | 2908 | 2553 | 857 | 2976 | 2856 | 2598 |
| Resistance R2 (Ω) | 2984 | 2824 | 3000 | 2768 | 2708 | 2714 |
| Resistance R3 (Ω) | 2992 | 2996 | 1350 | 2748 | 2158 | 2944 |
| Suspension Performance Index | Passive Suspension | Bridge Network | ||
|---|---|---|---|---|
| (a) | (b) | (c) | ||
| RMS of centroid acceleration (m·s−2) | 1.8792 | 1.7902 | 1.8023 | 1.8010 |
| RMS of body roll angular acceleration (rad·s−2) | 0.1059 | 0.1044 | 0.1037 | 0.1037 |
| RMS of body pitch angular acceleration (rad·s−2) | 1.3827 | 1.3440 | 1.3532 | 1.3539 |
| RMS of working space of left front suspension (m) | 0.0266 | 0.0256 | 0.0257 | 0.0257 |
| RMS of dynamic tire load of left front wheel (kN) | 1.9287 | 1.8665 | 1.8781 | 1.8781 |
| RMS of working space of left rear suspension (m) | 0.0271 | 0.0201 | 0.0202 | 0.0203 |
| RMS of dynamic tire load of left rear wheel (kN) | 1.8907 | 1.7389 | 1.7497 | 1.7495 |
| Suspension Performance Index | Passive Suspension | Series-Parallel Network | ||
|---|---|---|---|---|
| (d) | (e) | (f) | ||
| RMS of centroid acceleration (m·s−2) | 1.8792 | 1.8354 | 1.8378 | 1.8446 |
| RMS of body roll angular acceleration (rad·s−2) | 0.1059 | 0.1131 | 0.1125 | 0.1125 |
| RMS of body pitch angular acceleration (rad·s−2) | 1.3827 | 1.4571 | 1.4591 | 1.4642 |
| RMS of working space of left front suspension (m) | 0.0266 | 0.0253 | 0.0252 | 0.0254 |
| RMS of dynamic tire load of left front wheel (kN) | 1.9287 | 1.8444 | 1.8441 | 1.8528 |
| RMS of working space of left rear suspension (m) | 0.0271 | 0.0229 | 0.0233 | 0.0230 |
| RMS of dynamic tire load of left rear wheel (kN) | 1.8907 | 1.7855 | 1.7897 | 1.7935 |
| Parameter | Value | Parameter | Value |
|---|---|---|---|
| Nominal shaft diameter d0 (mm) | 16 | Rated power P (W) | 2000 |
| Lead P (mm) | 5 | Rated speed ne (r·min−1) | 3000 |
| Center distance of balls on both sides dp (mm) | 16.75 | Maximum speed nm (r·min−1) | 6000 |
| Groove diameter dc (mm) | 13.5 | Rated torque Te (N·m) | 5.88 |
| Number of columns × Number of turns | 1 × 2.65 | Rated voltage Ue (V) | 310 |
| Effective stroke l0 (mm) | 120 | Rated current Ie (A) | 6 |
| Lead screw stiffness kl (N·μm−1) | 130 | Inductive torque constant kt (N·m/A) | 0.98 |
| Dynamic rated load ca (kN) | 5.4 | Inductive voltage constant ke (V·s/rad) | 0.98 |
| Static rated load coa (kN) | 13.3 | Allowable stress σp (N·mm−2) | 150 |
| Dynamic load coefficient ks | 2 | Radius of flywheel r (mm) | 30 |
| Static load coefficient kd | 3 | Thickness of flywheel h (mm) | 20 |
| Performance Index | RMS of Passive Suspension | Bridge Network (a) | |
|---|---|---|---|
| RMS | Improvement (%) | ||
| Centroid acceleration (m·s−2) | 1.2656 | 1.2428 | 1.8 |
| Vehicle body roll angular acceleration (rad·s−2) | 1.1139 | 1.0526 | 5.5 |
| Vehicle body pitch angular acceleration (rad·s−2) | 0.4426 | 0.4643 | −4.9 |
| Working space of left front suspension (m) | 0.0142 | 0.0138 | 2.5 |
| Dynamic tire load of left front wheel (N) | 1022 | 1000 | 2.2 |
| Working space of left rear suspension (m) | 0.0145 | 0.0114 | 21.1 |
| Dynamic tire load of left rear wheel (N) | 981 | 919 | 6.3 |
| Performance Index | Peak to Peak of Passive Suspension | Bridge Network (a) | |
|---|---|---|---|
| Peak to Peak | Improvement (%) | ||
| Centroid acceleration (m·s−2) | 7.2110 | 7.1722 | 0.5 |
| Vehicle body roll angular acceleration (rad·s−2) | 4.9686 | 4.5532 | 8.4 |
| Vehicle body pitch angular acceleration (rad·s−2) | 9.6225 | 10.1903 | -5.9 |
| Working space of left front suspension (m) | 0.1128 | 0.1102 | 2.3 |
| Dynamic tire load of left front wheel (N) | 7200 | 7038 | 2.2 |
| Working space of left rear suspension (m) | 0.1234 | 0.1008 | 18.3 |
| Dynamic tire load of left rear wheel (N) | 7047 | 6568 | 6.8 |
Publisher’s Note: MDPI stays neutral with regard to jurisdictional claims in published maps and institutional affiliations. |
© 2022 by the authors. Licensee MDPI, Basel, Switzerland. This article is an open access article distributed under the terms and conditions of the Creative Commons Attribution (CC BY) license (https://creativecommons.org/licenses/by/4.0/).
Share and Cite
Zhang, T.; Yang, X.; Shen, Y.; Liu, X.; He, T. Performance Enhancement of Vehicle Mechatronic Inertial Suspension, Employing a Bridge Electrical Network. World Electr. Veh. J. 2022, 13, 229. https://doi.org/10.3390/wevj13120229
Zhang T, Yang X, Shen Y, Liu X, He T. Performance Enhancement of Vehicle Mechatronic Inertial Suspension, Employing a Bridge Electrical Network. World Electric Vehicle Journal. 2022; 13(12):229. https://doi.org/10.3390/wevj13120229
Chicago/Turabian StyleZhang, Tianyi, Xiaofeng Yang, Yujie Shen, Xiaofu Liu, and Tao He. 2022. "Performance Enhancement of Vehicle Mechatronic Inertial Suspension, Employing a Bridge Electrical Network" World Electric Vehicle Journal 13, no. 12: 229. https://doi.org/10.3390/wevj13120229
APA StyleZhang, T., Yang, X., Shen, Y., Liu, X., & He, T. (2022). Performance Enhancement of Vehicle Mechatronic Inertial Suspension, Employing a Bridge Electrical Network. World Electric Vehicle Journal, 13(12), 229. https://doi.org/10.3390/wevj13120229

