Next Article in Journal
Testing Scenario Identification for Automated Vehicles Based on Deep Unsupervised Learning
Next Article in Special Issue
Energy Management Strategy for P1 + P3 Plug-In Hybrid Electric Vehicles
Previous Article in Journal
The Impact of Phase-Locked Loop (PLL) Architecture on Sub-Synchronous Control Interactions (SSCI) for Direct-Driven Permanent Magnet Synchronous Generator (PMSG)-Based Type 4 Wind Farms
 
 
Font Type:
Arial Georgia Verdana
Font Size:
Aa Aa Aa
Line Spacing:
Column Width:
Background:
Article

Parameter Matching of Power Systems and Design of Vehicle Control Strategies for Mini-Electric Trucks

1
Department of Automotive Engineering, Hebei Vocational University of Technology and Engineering, Xingtai 054000, China
2
Hebei Special Vehicle Modifification Technology Innovation Center, Xingtai 054000, China
*
Author to whom correspondence should be addressed.
World Electr. Veh. J. 2023, 14(8), 207; https://doi.org/10.3390/wevj14080207
Submission received: 1 July 2023 / Revised: 25 July 2023 / Accepted: 3 August 2023 / Published: 4 August 2023
(This article belongs to the Special Issue Vehicle System Dynamics and Intelligent Control for Electric Vehicles)

Abstract

:
Mini-electric trucks have been widely used because of their high efficiency and zero emission with the rapid development of electronic commerce and express industry. So, improvement of dynamic performance and economy becomes crucial. The research in this field mainly focuses on passenger vehicles at present. However, most passenger vehicles are front−engine, front-drive vehicles; for mini trucks of front−engine and rear-drive, if the dynamics model of passenger vehicles is applied to mini−electric trucks, the dynamic parameters calculated will not be accurate. To enhance the accuracy of the dynamic parameters of mini-electric trucks, by combining the characteristics of mini trucks, the dynamic parameters are designed, and the types of drive motors and power batteries are selected, the dynamic model of mini−electric trucks is established. To improve the economy, control strategies, with five working modes switching, were established. On this basis, the simulation model is established, and the dynamic and economy simulation analysis and performance test were carried out. In applying the method, the error rate of maximum speed, acceleration time, and maximum gradient between simulation results and test results are 0.641% and 5.63% (15.328%), respectively, proving that the dynamic index has reached the expected value and endurance mileage is up to 295 Km under UDC conditions, increased by 5% after the vehicle control strategy was adopted. The results show that the parameter matching is reasonable and the vehicle control strategy is suitable for mini-electric trucks. The research method and conclusions can provide valuable references for the development of power systems for mini−electric trucks.

1. Introduction

With the rapid development of electronic commerce and express delivery industries, mini trucks have been widely used [1,2,3]. Sales of mini trucks were 1.47 million in 2022; mini fuel trucks account for a large proportion of them. They bring a comfortable modern life to human beings, however, they bring emission pollution and serious energy consumption [4,5]. The development of mini−electric trucks with the advantages of high efficiency, and low energy consumption, especially zero−emission can alleviate the current social environment and energy problems [6,7,8].
It has been proven that the establishment of an efficient vehicle control strategy and reasonable matching of the power system parameters play a crucial role in improving the power performance and economy of the electric vehicle, improving the driving experience of the driver, and improving the safety of the vehicle [9,10,11]. Therefore, a parameter of the power system and vehicle control strategy for mini−electric trucks are designed in the paper. There is much research on the parameter matching of the power system, mainly focusing on the research of pure electric passenger cars. However, there are relatively few studies on the dynamic performance of mini−electric trucks, and some specific settings cannot be directly applied to mini−trucks. The parameter design, simulation analysis, and parameter optimization design of the power system of the passenger car were carried out, such as in Wang Wenping et al., where the basic parameters and dynamic performance indexes of the whole car are determined and built a simulation model of a pure electric car with AVL Cruise software and carried out optimized design [12]. P. Prochazka et al. optimized the motor working efficiency by reasonably matching the motor parameters and transmission ratio of mini−electric passenger cars [13]. Kim et al. allocated the two groups of motors reasonably in combination with the motor efficiency MAP characteristics and obtained the operating efficiency of two motor distribution configurations coupled with single and double motors [14]. YangG et al. proposed a multi−objective evolutionary algorithm based on decision space partitioning (DSPEA) and used it to optimize the control strategy and drive system parameters of hybrid electric vehicles, which achieved improvements in vehicle fuel consumption and pollutant emission [15]. However, the research on the parameter matching and optimization of the power system mainly focused on passenger vehicles; for mini−electric trucks, the dynamics model of passenger vehicles is not applicable, because their driving form is different. At present, parameter matching of the power system of mini−electric trucks adopts the dynamics model of passenger vehicles. As a result, the precision of the power system parameters of the mini−electric truck is low. Therefore, parameter matching of power systems of mini−electric trucks is selected as the research object and a dynamic model of mini−electric trucks is established.
At present, much research focuses on the vehicle control strategy of hybrid electric vehicles, energy management of dual−energy pure electric vehicles, and drive control of pure electric vehicles, and most of them focus on the study of drive control strategy, but There is a lack of research on how to improve the economy through reasonable switching of working modes. For example, Qin Datong et al. proposed a control strategy to determine dynamic torque under dynamic intention and steady−state torque under steady−state intention in order to improve power performance based on a fuzzy control algorithm. Simulation experiments show that the strategy can effectively ensure the maneuverability and driving dynamic performance of vehicles [16]. Mao Changhong et al. studied the drive control strategy of mini−electric trucks and divided the drive mode into eight working modes, focusing on the starting mode, power mode, and economic mode [17]. Boukehili A. et al. considered the complexity and nonlinearity of the hybrid power system but did not define the thresholds and rules of the strategy accurately enough in most cases [18]. Niu Jigao et al. compared and analyzed four strategies, namely the thermostat, optimal curve, power shunt, and power following, and conducted in−loop simulations. The results showed that the optimal curve strategy had better effect [19]. To sum up, the control strategies of mini−electric trucks are mainly focused on hybrid energy system vehicles. For the pure electric vehicle, most of the research is focused on the drive control, and the research on the vehicle control strategy is less.
The research in this field mainly focuses on passenger vehicles at present. However, most passenger vehicles are front−engine front−drive vehicles; for mini−trucks of front−engine rear−drive, if the dynamics model of passenger vehicles is applied on mini−electric trucks, the dynamic parameters calculated will not be accurate. The main aim of this paper is to match power system parameters and design control strategies for a reasonable switching of working modes to improve dynamic performance and economy. In this paper, the mini−electric trucks are selected as the research object, the parameters of the power system are designed by applying the automotive theory and the whole vehicle model is established and a simulation analysis is carried out using AVL CRUISE. A set of vehicle control strategies suitable for mini−electric trucks are designed and the implementation process of each function is analyzed. The simulation results and test results show that the parameters designed for the power system meet the design requirements and the economy is promoted by the vehicle control strategy, which has practical guiding significance for the design and development of mini−electric trucks.

2. Power System Parameter Design

2.1. Basic Parameters and Performance Indicators

The basic parameters of the whole vehicle and the expected performance index are the basis for the matching of power system parameters [20]. The FOTON mini truck is converted into an electric truck in the design. Basic parameters of the truck are shown in Table 1.
The performance indexes of mini−electric trucks mainly include maximum speed, maximum climbable gradient, acceleration time, and endurance mileage. The expected performance indexes are shown in Table 2.

2.2. Selection of Operation Conditions

Because mini−electric trucks mainly carry out logistics transportation in cities, the UDC urban cycle condition is chosen [21]. The UDC urban cycle condition is shown in Figure 1. A cycle of UDC condition is 195 s and the maximum speed is 55 km/h, which is more in line with the operation condition of mini−electric trucks.

2.3. Calculation of Motor Parameters

At present, the drive motors that can be used for mini−electric trucks mainly include permanent magnet synchronous motors, AC asynchronous motors, switched reluctance motors, and DC motors. Among them, the permanent magnet synchronous motor has the advantages of high reliability and high−power density, so the permanent magnet synchronous motor is selected as the drive motor [22].
The basic parameters of the drive motor include rated power, peak power, rated speed, maximum speed, rated torque, and maximum torque. Firstly, the driving power required by the vehicle is obtained from the power−resistance balance formula [23].
P veh = 1 3600 η T mgfu a + mgu a sin θ + C D Au a 3 21.15 + δ mu a du dt
where Pveh is the power required to drive the whole vehicle, kW; m is mass, kg; g is gravitational acceleration, m/s2; f is rolling resistance coefficient; ua is speed, km/h; θ is climbing angle, θ=arctan i; CD is drag coefficient; A is the windward area, m2; δ is conversion coefficient of rotating mass; a is acceleration, m/s2; ηT is mechanical transmission efficiency. The air density is taken as 1.29 kg/m3, and to convert the units of vehicle speed from km/h to m/s, it needs to be multiplied by the conversion factor of 1/3.6. Through dimensional analysis of the expression, the value 21.15 is obtained.
When the power required at the maximum speed is calculated, the acceleration resistance and gradient resistance are very small and can be regarded as zero [24]. Therefore, the drive motor only needs to overcome rolling resistance and air resistance. Calculating motor−rated power at the maximum speed is shown in (2).
P u max = 1 3600 η T ( m g f + C D A 21.15 u max 2 ) u max
When the power required is calculated according to the maximum climbing gradient, the speed is very low and the acceleration resistance can be regarded as 0. At this time, the driving motor needs to overcome rolling resistance, air resistance, and gradient resistance. The motor power required is calculated according to (3). In this case, the value of ua is 10 km/h, and climbing gradient is 35%.
P i max = 1 3600 η T ( m g sin α + m g f cos α + C D A 21.15 u a 2 ) u a
When the acceleration performance is calculated, the gradient resistance can be regarded as 0, and the peak power can be calculated according to (4):
P a max = 1 3600 t 1 η T ( δ m g u t 2 2 + m g f u t 1.5 t 1 + C D A u t 3 21.15 × 2.5 t 1 )
where t1 is the acceleration time under full load from 0 to 100 km/h, and ut is the final speed reached after acceleration.
The output power of the driving motor was calculated to be about 183.86 kW at the maximum speed, and the output power of the drive motor was 96.26 kW when the expected maximum climbable gradient was 35%. The output power of the motor calculated according to the acceleration performance is 233.67 kW. Considering that the vehicle should have a certain backup power, the motor with a peak power of 240 kW was selected.
In practice, for electric vehicles, it is the ratio of the maximum power of the drive motor and the total mass of the vehicle [25].
According to (5):
P N = P max λ
where, Pmax is the maximum power of the motor, kW; λ is the overload coefficient of the motor, with its value between 2 and 3. Taking λ as 3, the calculated rated power is 80 kW.
When the output power of the drive motor is constant, the current decreases with the increase of voltage. The lower the current is, the less the loss is in the circuit, and the efficiency of the battery is higher when the battery discharges with a small current. However, if the rated voltage of the motor is too high, the mass and volume of the power battery will increase. As such, the cost will increase and the inconvenience of installation will be caused. Therefore, the rated voltage of the motor is considered 320 V. Based on the above calculation results, a suitable drive motor can be selected from the existing motor models. The parameters of the motor are shown in Table 3.

2.4. Determination of Transmission System Parameters

Compared with the engine, the permanent magnet motor has a wide speed range, so it can regulate speed and start normally without transmission [26]. Therefore, in order to reduce the cost of modification, the original transmission ratio of the main reducer is retained, and transmission ratio i0 is taken as 6.058.

2.5. Determination of Power Battery Parameters

The capacity of a matched battery is about 125 A∙h when endurance mileage is 300 km. The discharge efficiency of the battery is about 0.95 and the discharge depth is 80%. Therefore, the required capacity of the battery is 156 A∙h. The voltage level of the battery pack is the same as the driving motor, it is 320 V. Based on the actual situation, the lithium iron phosphate battery is selected, and power battery parameters are shown in Table 4. In order to meet the requirements of capacity and voltage level, 100 blocks are connected in series and 3 groups are connected in parallel. Therefore, the actual power is 150 A∙h.

3. Establishment of the Power Model Based on CRUISE Software

AVL CRUISE software is favored by researchers in the automotive industry because of its advantages of simple graphical modeling conditions and is a quick and convenient simulation tool for vehicle development requirements [27,28]. The vehicle model adopts rear−wheel drive. According to the power system structure of the vehicle, the vehicle module, drive motor module, battery module, main reducer module, differential module, tire module, and brake module are successively added to work areas of CRUISE software. After the module is added, correct mechanical connection, electrical connection, signal connection between components, and energy transfer are carried out. It is shown in Figure 2.

4. Vehicle Control Strategy Design

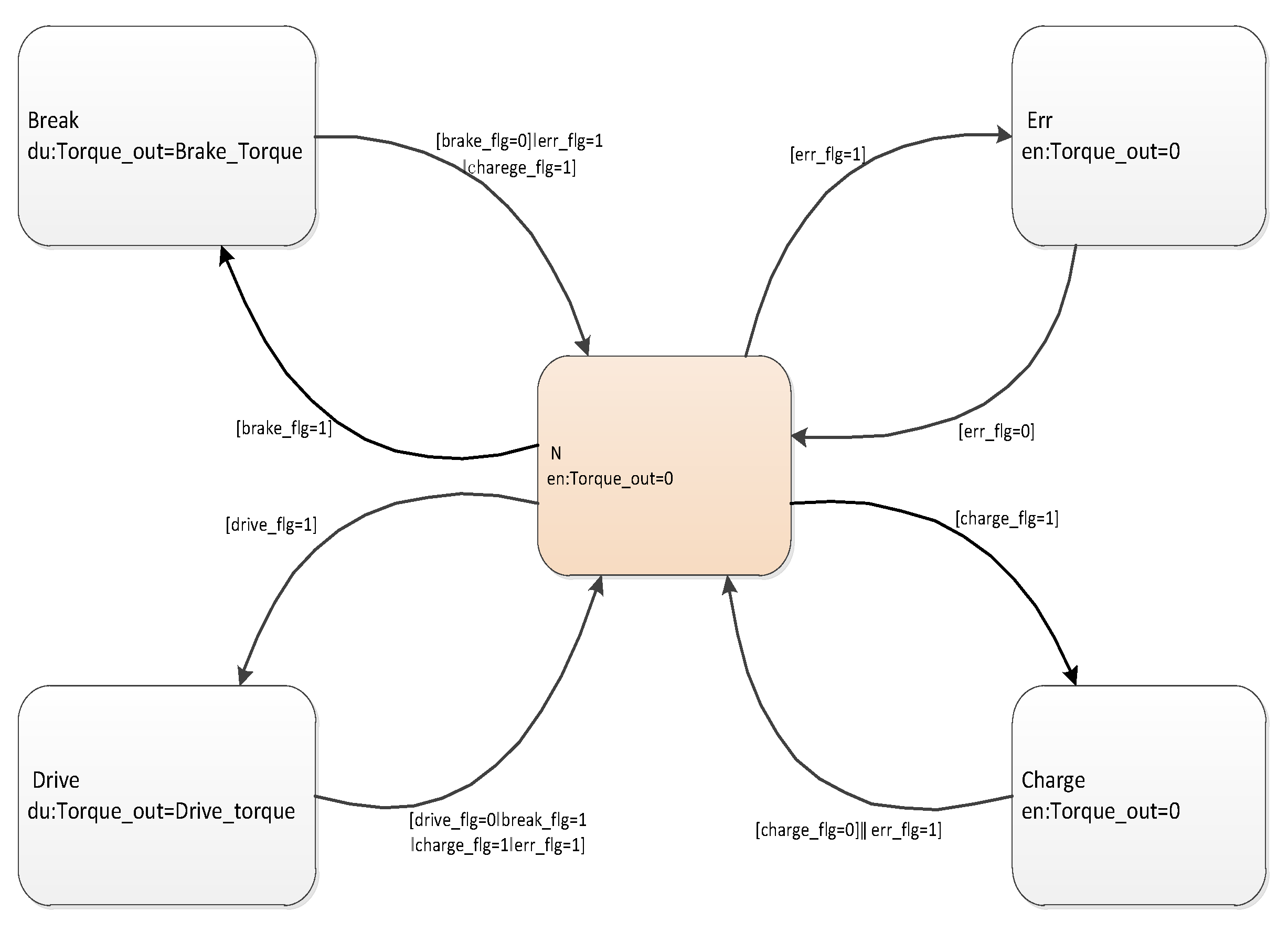
In this paper, the operation mode of mini−electric trucks is set into five modes: neutral mode, motor drive mode, charging mode, fault disposing mode, and braking energy recovery mode. As the software control part of the vehicle controller, the vehicle control strategy can define the current vehicle operation mode and convert the control modes to each other according to the current vehicle operation mode signal and the different signals received [29,30]. The specific transformation relationship between modes is shown in Figure 3.

4.1. Vehicle Control Strategy Modeling

Simulink is a simulation modeling tool in MATLAB that can convert data into graphics or images to be displayed and provides an integrated environment for dynamic system modeling, simulation, and comprehensive analysis [31]. Therefore, according to the above functional requirements of the vehicle, Simulink in MATLAB is used to build the vehicle control strategy model.
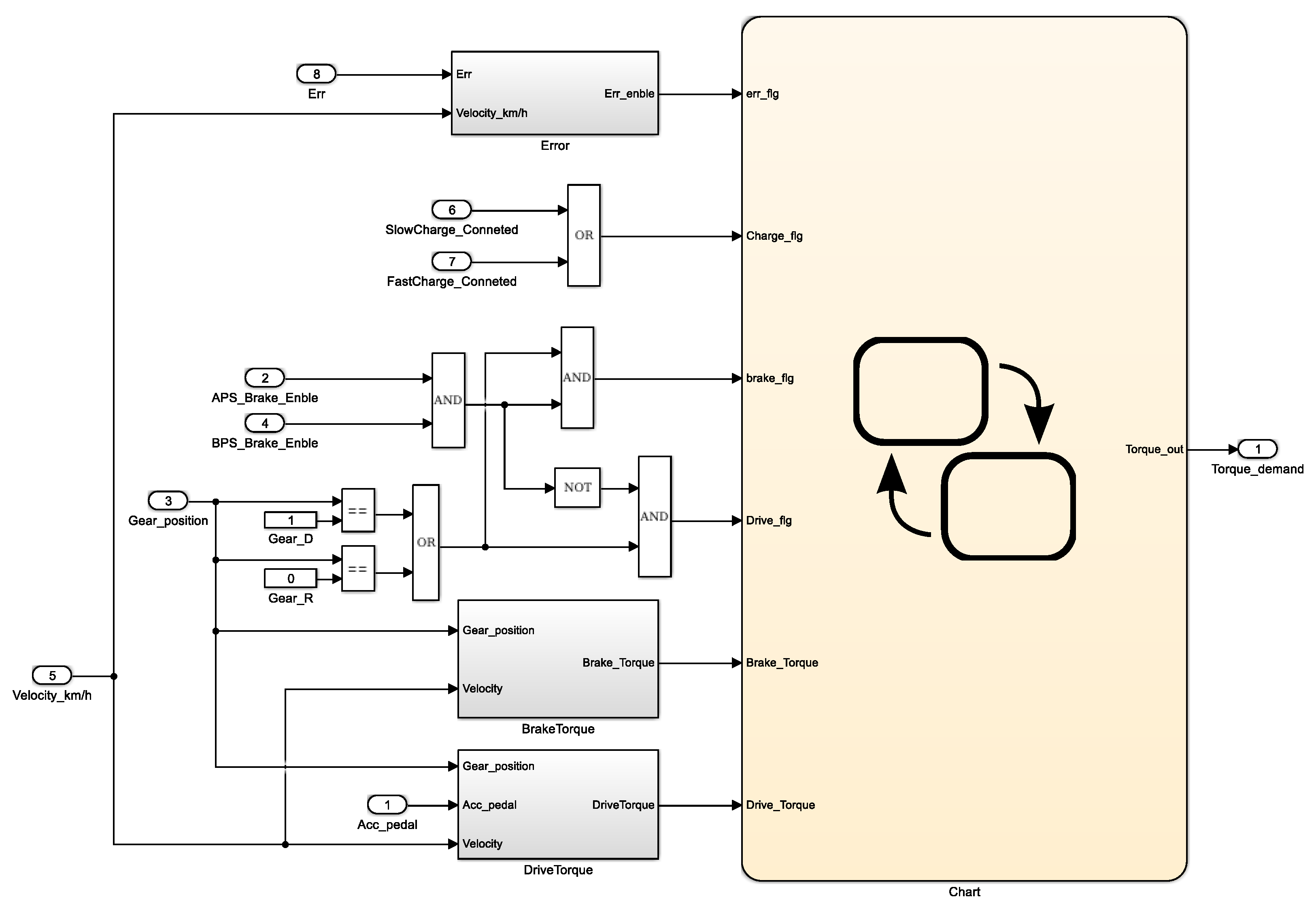
According to the requirements of the vehicle control strategy, the vehicle model is divided into two parts. One part is to analyze and define the current mode of the vehicle, the other part is to directly control the torque output of the motor on the basis of the realization of various functions. The conversion model of the mode is shown in Figure 4.
There are eight signal input terminals in the model, namely ‘In’ module, which are: (1) ‘Acc_pedal’ signal means Acceleration pedal signal is used to input or reflect degree to which a driver pedals the accelerator pedal of a vehicle; (2) ‘PS_Brake_Enble’ means accelerator pedal sensor, is used to reflect whether the driver pedals on the accelerator pedal (there are essential differences between the input signals of signal input terminals 1 and 2. The signal of input terminal 2 reflects yes or no, and the signal of input terminal 1 reflects the degree); (3) ‘Gear_position’ means gear signal, which is to detect the current gear position signal, in this paper position input signal is divided into D gear (forward gear) and R gear (reverse gear); (4) ‘BPS_Brake_Enble’ means brake pedal sensor signal, which is used to reflect whether the driver pedals the brake pedal; (5) ‘Velocity_km/h’ is used to input the current speed signal, the unit is km/h; (6) ‘SlowCharge_Conneted’ means slow charging signal, which is used to detect whether there is a slow charging signal; (7) ‘FastCharge_Conneted’ means fast charging signal, which is used to detect whether there is a fast charging signal. (8) ‘Err’ means fault signal, which is used to detect whether the vehicle is faulty. Except for signal input terminals 1 and 5, the input signal of other input terminals is only 0 or 1, ‘1’ is defined as true, ‘0’ is defined as false, and ‘1’ of gear signal input terminal represents D gear (forward gear), and ‘0’ of gear signal input terminal represents R gear (reverse gear).
In the model, all of the braking priority, charging forbidden on driving, drive control, and brake energy recovery is realized. At the same time, the current mode of the vehicle is also analyzed and defined according to the current state of the vehicle.
In Figure 4, according to the current input signal detected, the current operating mode of the vehicle is analyzed, and the current operating state of the vehicle is speculated. The specific mode transformation conditions are shown in Figure 5.
The default mode is the neutral mode. When the value of the ‘err_flg’ signal is ‘1’, the system enters the fault mode, and the value of Torque_output is ‘0’ at this time. When the value of the ‘err_flg’ signal is ‘0’, the fault signal disappears and the system exits the mode. When the value of the ‘charge_flg’ signal is ‘1’ is detected, the charging signal is detected namely, the system enters the charging mode, and the value of Torque−output is ‘0’. When the ‘charge_flg’ signal disappears, that is, the value of ‘charge_flg’ is ‘0’, it means the charging is complete and the system exits the charging mode. When the value of ‘brake_flg’ signal ‘1’ is detected, the system enters braking energy recovery mode, the ‘Torque_output’ is ‘Brake_Torque’ now. When the value of the ‘brake_flg’ signal is ‘0’, the braking signal disappears or the value of the ‘err_flg’ signal is ‘1’, and the value of the ‘charge_flg’ signal is ‘1’, the system exits the mode. When the value of the ‘drive−flg’ signal is ‘1’, that is, when the acceleration pedal signal is detected, the system enters the motor drive mode. In this mode, the ‘Torque_output’ is ‘Drive_Torque’ at this time. When the value of the ‘Drive_flg’ signal is ‘0’, the acceleration pedal signal disappears or the values of ‘brake_flg’, ‘charge_flg’, and ‘err_flg’ are ‘1’. The system exits this mode. The mode transformation model is built based on the analysis of the driver’s driving intention and vehicle operation mode. It plays a significant role in improving the efficiency of vehicle control strategy, developing efficient vehicle control systems, and improving the driver’s driving experience.
The vehicle mode conversion control strategy model is built in order to analyze the operating mode of the vehicle under various conditions [32]. The mode conversion trigger condition chart is removed and each major function model is built separately, so a motor torque control model can be built, it is shown in Figure 6.

4.2. Implementation of Brake Priority

The brake priority model is isolated from Figure 3 separately; it is shown in Figure 7. In Figure 7a, the part of the model realizes the braking priority processing function required by the vehicle control strategy. When the input signals of ‘APS_Brake_Enble’ and ‘BPS_Brake_Enble’ pass through the logic operation module ‘AND’ at the same time, if both input signals are ‘1’ at the same time, ‘1’ will be output. Because there is only a ‘Drive gear’ signal and a ‘Reverse gear’ signal in ‘Gear_position’ signals, and they pass through the logic operation module ‘OR’, one of the input signals is ‘1’, and the output is ‘1’. Because there are only two ‘Gear_position’ signals, the output must be ‘1’. After that, the output of the two logic operation modules ‘AND’ and ‘OR’ are all ‘1’. After passing the logic operation module ‘AND’ again, the output signal is ‘1’, then the ‘brake_FLG’ signal is ‘1’ and the brake mode is entered.
The realization of this function in the torque−required calculation model is shown in Figure 7b. The input signals of ‘APS_Brake_Enble’ and ‘BPS_Brake_Enble’ still pass through the logic operation module ‘AND’ at the same time, when the signal is ‘1’ at the same time, the output is ‘1’. At this moment, it passes through the Switch module, and the passing condition of the Switch module is set as more than ‘0’. When the output of the previous logic operation module ‘AND’ is ‘1’, since ‘1’ is more than ‘0’, the constant ‘0’ passes, and the signal of the ‘Acc_pedal’ is ‘0’, the accelerator pedal sensor fails. On the contrary, when the signal of ‘APS_Brake_Enble’ is ‘1’, the signal of ‘BPS_Brake_Enble’ is ‘0’, the output of the logical operation module ‘AND’ is ‘0’; ‘0’ does not meet the condition of more than ‘0’, and the signal of ‘Acc_pedal’ passes so that the vehicle can run normally. When the signal of ‘APS_Brake_Enble’ is ‘0’ and the signal of ‘BPS_Brake_Enble’ is ‘1’, the signal of ‘Acc_pedal’ also passes, but because the signal of ‘APS_Brake_Enble’ is ‘0’, the signal of ‘Acc_pedal’ must be ‘0’, which is equivalent to constant ‘0’.

4.3. Implementation of Prohibiting Vehicle Driving on Charging

The module prohibiting vehicle driving on charging is separated from the whole vehicle operation mode, it is shown in Figure 8. Because there are only two modes of fast charging and slow charging when a pure electric vehicle is charged, the slow charging signal ‘SlowCharge_Conneted’ and fast charging signal ‘FastCharge_Conneted’ pass through the logic operation module ‘OR’. If at least one input signal of ‘SlowCharge_Conneted’ and ‘FastCharge_Conneted’ is ‘1’, the output is ‘1’, the signal of ‘Charge_flg’ is ‘1’, and the vehicle enters charge mode. Similarly, the part of prohibited vehicle driving on charging in the torque required calculation model is similar to this part of the model.

4.4. Implementation of Vehicle Driving

The implementation of vehicle driving is shown in Figure 9. The part realizes the normal driving of the vehicle. Compared with the model in Figure 7, which realizes braking priority, a logic operation module ‘NOT’ is added after input signals of ‘APS_Brake_Enble’ and ‘BPS_Brake_Enble’ pass through the logic operation module ‘AND’. On normal driving, the ‘APS_Brake_Enble’ signal of the acceleration pedal sensor is effective, because of the existence of the brake priority function, so the ‘BPS_Brake_Enble’ signal of the brake pedal sensor must be ‘0’, after passing the logic operation module ‘AND’, it still is ‘0’, then passing the logic operation module ‘NOT’, it becomes ‘1’, because the signal of gear must be ‘1’. Then passing through the logic operation module ‘AND’, the output signal of ‘Drive_flg’ is ‘1’, and the vehicle enters normal drive mode.

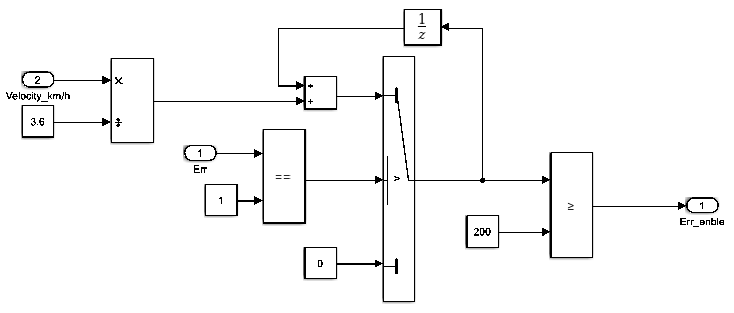
4.5. Implementation of Fault Handling

The fault handling model is shown in Figure 10. There are two signal inputs in the model, namely the speed signal ‘Velocity_km/h’ and fault detection signal ‘Err’. In the model, the signal of ‘Err’ controls the Switch module. When a fault is detected, it is judged by the relational operation module and the output is ‘1’, which meets the judgment conditions of the Switch module. Then it passes through the above fault integral, whereas the constant ‘0’ passes, and there is no fault or the fault disappears. After meeting the failure conditions. The input signal is ‘Velocity_km/h’ because its unit is km/h; the unit is converted into meters per second after passing the first operation module, and then the Unit Delay module is used to delay the signal for one sampling cycle and accumulate by the operation module in order to achieve the purpose of integration, when the integral value accumulated reaches 200, after meeting the following relational operational logic, ‘Err_enble’ signal is output.

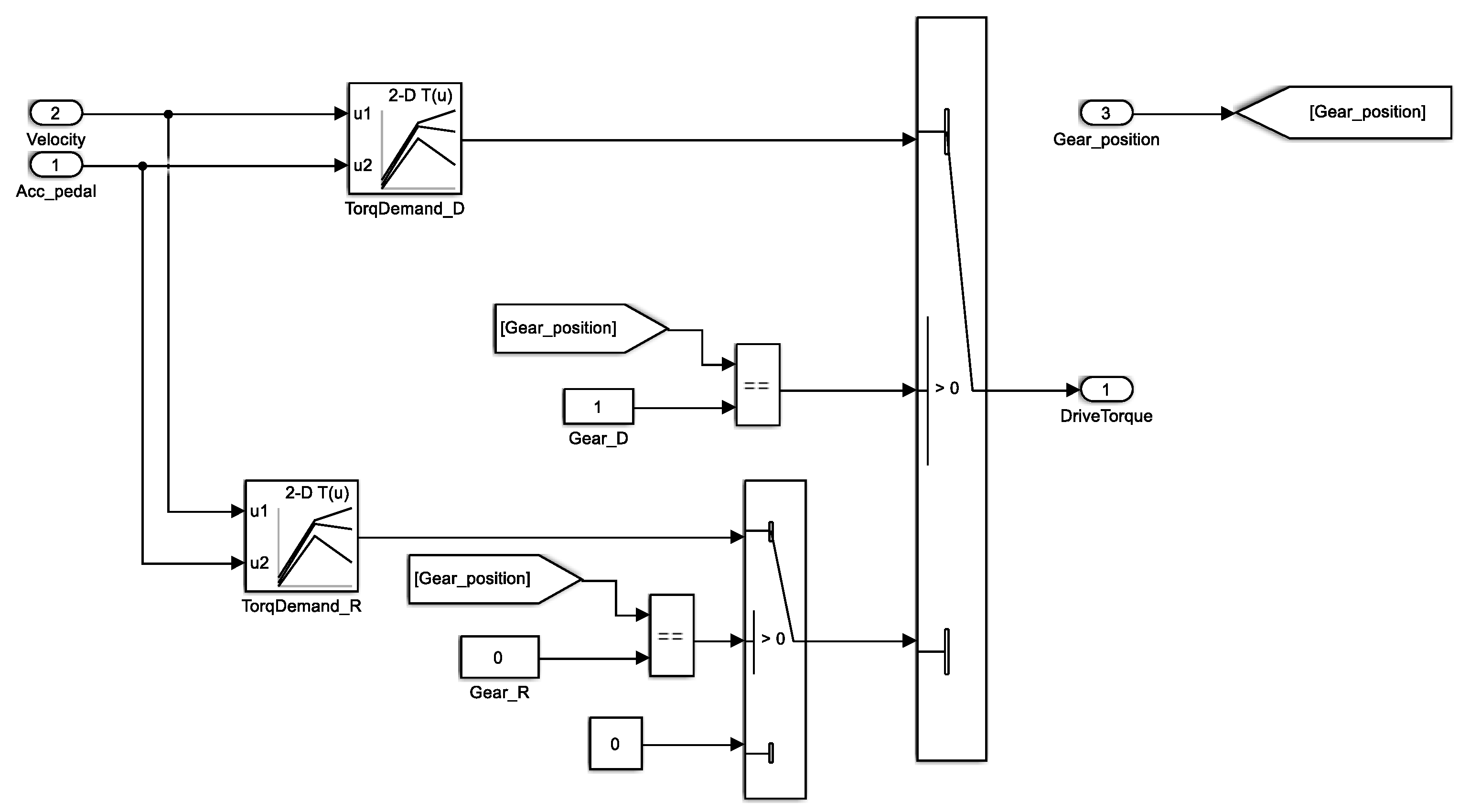
4.6. Implementation of Drive Control

The driving control model of the vehicle control strategy is shown in Figure 11. The model reflected the function of the motor’s output torque by analyzing the current speed signal and pedal signal. There are three signal inputs in the model: acceleration pedal degree signal ‘Acc_pedal’, velocity signal ‘Velocity_km/h’, and gear signal ‘Gear_position’. The output end is the motor torque. The gear signal of the vehicle is determined by the three input signals, and the gear signal controls the two Switch modules respectively to realize the motor torque calculation of the forward gear and reverse gear. The specific value of torque corresponding to the speed is obtained by looking up a two-dimensional Table.

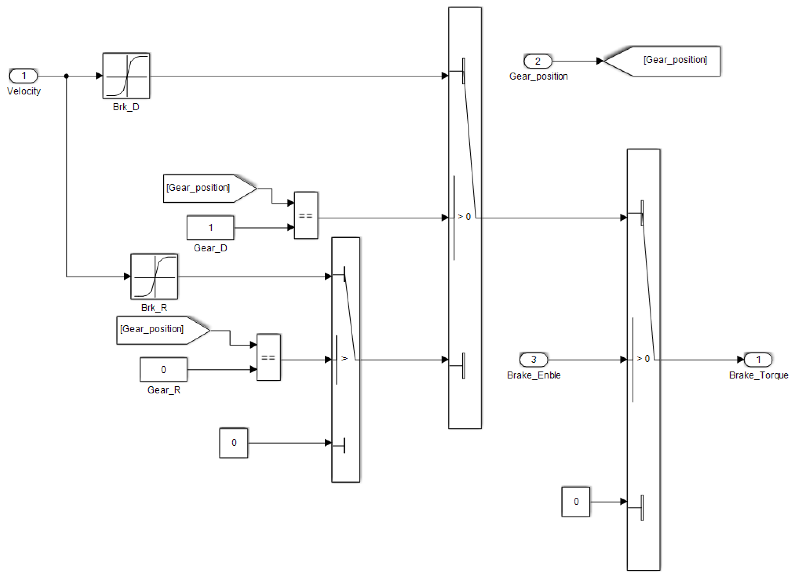
4.7. Implementation of Braking Energy Recovery

The braking energy recovery model is shown in Figure 12. The model realizes the recovery of braking energy. There are three signal inputs in the model, namely the ‘Gear_position’ signal, the ‘Velocity speed’ signal, and ‘BPS_Brake_Enble’. The output end is braking recovery torque. The braking energy recovery model is established.

5. Analysis of Simulation Results

After completing the task settings, the simulation can be executed in the CRUISE Computing Center. The simulation results of the maximum climbable gradient are shown in Figure 13, the simulation results of acceleration performance are shown in Figure 14, and the simulation results of the drive motor are shown in Figure 15. The ideal mechanical characteristic curve of the drive motor is shown in Figure 16.
From the simulation results, it can be seen that the maximum speed of the electric mini truck is 187.31 km/h.
It can be seen from Figure 13, that the maximum climbable gradient of the mini−electric trucks is 35%, which meets the dynamic performance requirements: the maximum climbable gradient is no less than 35%.
The acceleration time curve is shown in Figure 14, acceleration performance of the vehicle can be comprehensively analyzed from Figure 14. It can be seen that the acceleration time from 0 to 50 km/h and from 0 to 100 km/h is 4.7 s and 11.59 s, respectively. The acceleration time from 0 to 50 km/h is less than 6 s and the acceleration time from 0 to 100 km/h is less than 14 s, which meets design requirements.
The speed of mini−electric trucks is proportional to the speed of the drive motor. The faster the speed of the motor is, the higher the speed of the vehicle. Therefore, the horizontal coordinate can be used as the speed of the motor when observing or analyzing the curve changes of torque and power in Figure 15. From Figure 15, it can be seen that the curve changes of torque and power are similar to the ideal mechanical characteristic curve. The ideal mechanical characteristic curve of the drive motor is shown in Figure 16. It also verifies that the performance of the drive motor in the simulation model is close to that of the ideal drive motor, so the setting and selection of the motor are reasonable.

6. Performance Test

6.1. Maximum Speed Test

According to the GB/T 18385-2005 ‘Test methods for dynamic performance of electric vehicles’, a flat road of at least 1 km is firstly selected as the dynamic performance measurement area. Before the sample vehicle enters the measurement area, the test road should have enough distance for the sample vehicle to maintain the accelerator pedal at the extreme position, accelerate to the highest speed, and pass the measurement area at the maximum speed. The forward and reverse tests were performed once, and the recorded time is t1 and t2, respectively. The Formula for the maximum speed is as follows.
V = 7200 t 1 + t 2
where V is the maximum speed of the sample vehicle, km/h. The actual maximum speed on the test is shown in Table 5.

6.2. Acceleration Test

The sample vehicle is loaded to the rated load and the load is evenly arranged to ensure that the load is evenly distributed to each wheel [30]. The vehicle is started at the initial position of the test, and then the accelerator pedal is quickly pushed to the maximum and then maintained [33]. At the same time, the start time is recorded, the speed reaches 50 km/h and 100 km/h, respectively, with the maximum acceleration, and the end time is recorded. The test results are shown in Table 6 and Table 7.

7. Theoretical Calculation of Dynamic Performance

The maximum speed is calculated by (7):
u max = 0.377 × n r i g i 0
where umax is the maximum speed, n is the speed of the drive motor, i0 is the ratio of the main reducer, ig ratio of the transmission, and ig = 1. The calculation results show that the maximum speed of the mini−electric trucks is 186.69 km/h, which is close to the simulation results in CRUISE simulation software, which proves that the simulation results are accurate. At the same time, it is proved that the design is reasonable and meets the requirements of dynamic performance indicators.
α max = arcsin   ( T t q i g i 0 η T m g r f )
tan ( α max ) × 100 % = 39.8 %
where αmax is the maximum climbing angle, Ttq is the torque of the motor, i0 is the ratio of the main reducer, ig ratio of the transmission, ig = 1, f is the coefficient of rolling resistance, m is mass, g is the acceleration of gravity, and r is Radius of the wheel. The calculated maximum climbable gradient is 39.8%, which is close to 40.34 calculated by simulation software, and meets the requirement that the maximum climb climbable gradient is no less than 35%.

8. Analysis of Dynamic Performance

Lastly, the comparison between results is shown in Table 8.

9. Analysis of Economy

The Simulink model is compiled into a.DLL file and a dynamic link library is generated, and generated. The DLL file is imported into the AVL CRUISE model, the signal connection and data transmission are completed and then co−simulation is achieved. The signal connection of the Matlab DLL control strategy is shown in Figure 17. Operation mode conversion under UDC conditions is shown in Table 9. Running economic tasks under typical urban working conditions. The economic index of electric vehicles is the endurance mileage [34,35]. Based on the vehicle control strategy in Table 9. Endurance mileage simulation results of endurance mileage under UDC work conditions are shown in Figure 17. SOC is a state of charge, which means the residual capacity of the battery.
From Figure 18, it can be seen that the endurance mileage is 295 Km under UDC conditions, it is higher than the expected performance index by 5%, which satisfies the design requirements.

10. Conclusions

The rapid development of e-commerce and express industries has promoted the wide application of mini trucks, and mini−electric trucks are important ways to reduce pollution and serious energy consumption. The reasonable optimization of the power system and the development of a set of efficient and perfect vehicle control strategies play a key role in the overall performance of mini−electric trucks.
(1)
According to the power demand of the whole vehicle, to enhance the accuracy of dynamic parameters of mini−electric trucks, combining the characteristics of mini trucks, the parameters of the driving motor, power battery, and the transmission ratio of the main reducer are designed using the automobile theory and the types of drive motors and power batteries are selected, the dynamic model of mini−electric trucks is established.
(2)
The vehicle control strategy including how working condition switching is developed according to the work conditions of mini−electric trucks, and the control strategy model is built using the simulation software, and the realization method of each function of the control strategy and the realization process of each function are analyzed.
(3)
According to the matched parameters of the power system, the power performance is calculated theoretically.
(4)
The dynamic performance is analyzed through the simulation results were compared with theoretical calculation and performance tests results respectively, the comparison results show an error rate of maximum speed, acceleration time and maximum gradient between simulation results and test results are 0.641% and 5.63% (15.328%), respectively, the dynamic index have reached the expected value, it proves that the design method of dynamic parameters is reasonable, and the dynamic performance is analyzed through co−simulation, endurance mileage is up to 295 Km under UDC conditions, increased by 5% after the vehicle control strategy adopted. The economy is improved. It has practical guiding significance for the power system design of mini−electric trucks.

Author Contributions

Conceptualization, J.M.; methodology, J.M.; software, F.G.; validation, S.Z.; formal analysis, F.G.; investigation, S.Z.; resources, Z.F.; data curation, F.G.; writing original draft preparation, J.M.; writing−review and editing, J.M.; visualization, Z.F.; supervision, S.Z.; project administration, Z.F.; funding acquisition, J.M. All authors have read and agreed to the published version of the manuscript.

Funding

We received funding from Xingtai Youth Talent Plan Project (Grant No. 2021ZZ034) and Science Research Project of Hebei Education Department (Grant No. QN2023116).

Data Availability Statement

The data that support the findings of this study are available from the corresponding author upon reasonable request. The data are not publicly available due to privacy.

Conflicts of Interest

The authors declare no conflict of interest.

References

  1. Yang, G. Development trend of mini truck products. Automob. Parts 2016, 21, 52–53. [Google Scholar]
  2. Lu, Y.; Liu, L. Risk identification and prevention of vertical fresh e-commerce logistics supply chain operation. J. Commer. Econ. 2023, 6, 88–89. [Google Scholar]
  3. Ma, R.C. Study on the construction of cross-border e-commerce logistics service system in the new retail era. Trade Fair Econ. 2023, 4, 58–60. [Google Scholar]
  4. Jiang, D.L.; Song, L.Y.; Wang, L. Analysis on Impact of Energy Consumption and Carbon Emission of New Energy Vehicles Based on GREET Software. Automob. Appl. Technol. 2022, 47, 15–21. [Google Scholar]
  5. Han, J. China’s new energy vehicle development present situation and explored. Auto Time 2019, 15, 75–76. [Google Scholar]
  6. Zhu, J. Development prospects of new energy vehicles. Auto Time 2021, 17, 75–76. [Google Scholar]
  7. Zhai, J.X.; Liu, X.M.; Li, C.D.; Yang, X.J. Matching design of power system of pure electric truck. Heavy Truck 2022, 5, 15–17. [Google Scholar]
  8. Li, X. Debate on development route of pure electric vehicle. Commer. Automob. News 2018, 9, 26–29. [Google Scholar]
  9. Guo, D.; Zhang, H.H.; Zheng, C.Y. Future development forecast of Chinese automobile and benefits analysis of energy saving and emission reduction. Syst. Eng. Theory Pract. 2016, 36, 7–11. [Google Scholar]
  10. Lin, X.; Feng, Q.; Mo, L.; Li, H. Optimal adaptation equivalent factor of energy management strategy for plug-in CVT HEV. Proc. Inst. Mech. Eng. Part D J. Automob. Eng. 2019, 233, 877–889. [Google Scholar] [CrossRef]
  11. Ritari, A.; Vepsäläinen, J.; Kivekäs, K.; Tammi, K.; Laitinen, H. Energy consumption and lifecycle cost analysis of electric city buses with multispeed gearboxes. Energies 2020, 13, 2117–2124. [Google Scholar] [CrossRef]
  12. Qu, J.Y.; Liu, D.C. Parameter Matching and Simulation of Pure Electric Bus Power System. Bull. Sci. Technol. 2022, 38, 93–97. [Google Scholar]
  13. Prochazka, P.; Pazdera, I.; Vorel, P. Design of Small Electric Car. In Proceedings of the International Symposium on Power Electrical Drives, Automation and Motion, Anacapri, Capri Island, Italy, 11–13 June 2018; pp. 359–364. [Google Scholar]
  14. Kim, J. Optimal power distribution of front and rear motors for minimizing energy consumption of 4-wheel-drive electric vehicles. Int. J. Automot. Technol. 2016, 17, 319–326. [Google Scholar] [CrossRef]
  15. Yang, G.; Zhang, A.; Li, S.; Wang, Y.; Wang, Y.; Xie, Q.; He, L. Multi-objective evolutionary algorithm based on decision space partition and its application in hybrid power system optimization. Appl. Intell. 2017, 46, 827–844. [Google Scholar] [CrossRef]
  16. Qin, D. Dynamic Drive Control Strategy for Pure Electric Vehicle Based on Driver Intention Recognition. Automot. Eng. 2015, 37, 26–32. [Google Scholar]
  17. Lian, J.; Li, L.H.; Liu, X.Z.; Huang, H.; Zhou, Y.; Han, H. Research on adaptive control strategy optimization of hybrid electric vehicle. J. Intell. Fuzzy Syst. 2016, 30, 2581–2592. [Google Scholar] [CrossRef]
  18. Boukehili, A.; Zhang, Y.T.; Zhao, Q.; Ni, C.Q.; Su, H.F.; Huang, G.J. Hybrid Vehicle Power Management Modeling and Refinement. Int. J. Automot. Technol. 2012, 13, 987–998. [Google Scholar]
  19. Niu, J.G.; Xu, C.H.; Niu, D.T.; Pei, F.L. Comparison of regular energy management strategies for extended range electric vehicles. J. Jiangsu Univ. (Nat. Sci. Ed.) 2018, 39, 266–272+295. [Google Scholar]
  20. Liu, H.W.; Lei, Y.L.; Fu, Y.; Li, X.Z. Parameter matching and optimization for power system of range-extended electric vehicle based on requirements. Proc. Inst. Mech. Eng. Part D–J. Automot. Eng. 2020, 234, 3316–3328. [Google Scholar] [CrossRef]
  21. Li, Z.Y. Energy Recovery of Electric Vehicle Base on NEDC Cycle. Automob. Appl. Technol. 2021, 46, 1–4. [Google Scholar]
  22. Ma, J.A. Parameter matching study for power system of electric sweeping vehicle based on AVL CRUISE. Int. J. Electr. Hybrid Veh. 2020, 12, 144–157. [Google Scholar]
  23. Yu, Z. Automobile Theory; Machinery Industry Press: Beijing, China, 2009. [Google Scholar]
  24. Zhao, Y.Q.; Lin, F. Automotive System Dynamics; Science Press: Beijing, China, 2017. [Google Scholar]
  25. Xu, Z. Driving scheme analysis and parameter matching of a pure electric vehicle based on AVL CRUISE. Automob. Pract. Technol. 2019, 23, 41–45. [Google Scholar]
  26. You, Y.; Sun, D.Y.; Qin, D.T.; Wu, B.Z.; Feng, J.H. A new continuously variable transmission system parameters matching and optimization based on wheel loader. Mach. Mach. Theory 2020, 150, 103876. [Google Scholar]
  27. Kui, H.L.; Wang, Z.Z.; Zhang, J.Z.; Liu, Y. Transmission ratio and energy management strategy of fuel cell vehicle based on AVL-Cruise. J. Jilin Univ. (Eng. Technol. Ed.) 2022, 52, 2119–2129. [Google Scholar]
  28. Guo, H.L.; Kong, W.S.; Yan, Y.C.; Chen, F.; Zhang, C.Z. Parameter Matching Analysis of Energy-Saving Vehicle Power System Based on AVL-Cruise. Agric. Equip. Veh. Eng. 2022, 60, 44–49. [Google Scholar]
  29. Tian, Y.; Yao, Q.; Hang, P.; Wang, S. Adaptive Coordinated Path Tracking Control Strategy for Autonomous Vehicles with Direct Yaw Moment Control. Chin. J. Mech. Eng. 2022, 35, 1. [Google Scholar] [CrossRef]
  30. Gong, C.Z.; Wu, D.; Yu, Y.; Zhang, Y. Research on Power Performance Test and Data Analysis Method of Electric Vehicle. China Auto 2022, 12, 44–52. [Google Scholar]
  31. Jiang, Z. Control System Modeling and Simulation-Analysis and Implementation Based on MATLAB/Simulink; Tsinghua University Press: Beijing, China, 2020. [Google Scholar]
  32. Wang, Z.; Zang, L.G.; Jiao, J.; Mao, Y.L. Research on Hierarchical Control Strategy of Automatic Emergency Braking System. World Electr. Veh. J. 2023, 14, 97. [Google Scholar] [CrossRef]
  33. Agyeman, P.K.; Tan, G.F.; Alex, F.J.; Valiev, F.J.; Owosu-Ansah, P.; Olayode, I.O.; Hassan, M.A. Parameter Matching, Optimization, and Classification of Hybrid Electric Emergency Rescue Vehicles Based on Support Vector Machines. Energies 2022, 15, 7071. [Google Scholar] [CrossRef]
  34. Liao, Y.T.; Wu, L.; Hou, T.T. Comparative Study on Battery Electric Vehicles and Fuel Vehicles. Automot. Eng. 2021, 28, 40–44. [Google Scholar]
  35. Zhai, X.Z.; Han, T.Q. Analysis of Economic and Power Performance of Electric Vehicle Based on Cruise–Carsim Joint Simulation. J. Hubei Univ. Automot. 2021, 35, 40–43+80. [Google Scholar]
Figure 1. Condition map of UDC.
Figure 1. Condition map of UDC.
Wevj 14 00207 g001
Figure 2. Simulation model of the mini-electric trucks.
Figure 2. Simulation model of the mini-electric trucks.
Wevj 14 00207 g002
Figure 3. Transformation relationships between each mode.
Figure 3. Transformation relationships between each mode.
Wevj 14 00207 g003
Figure 4. The conversion model of mode.
Figure 4. The conversion model of mode.
Wevj 14 00207 g004
Figure 5. Pattern conversion chart in the control strategy.
Figure 5. Pattern conversion chart in the control strategy.
Wevj 14 00207 g005
Figure 6. Motor torque control model.
Figure 6. Motor torque control model.
Wevj 14 00207 g006
Figure 7. Braking priority part model: (a) braking priority processing; (b) torque required calculation model.
Figure 7. Braking priority part model: (a) braking priority processing; (b) torque required calculation model.
Wevj 14 00207 g007
Figure 8. Prohibiting vehicle driving model on charging.
Figure 8. Prohibiting vehicle driving model on charging.
Wevj 14 00207 g008
Figure 9. Vehicle driving model.
Figure 9. Vehicle driving model.
Wevj 14 00207 g009
Figure 10. Fault handling model.
Figure 10. Fault handling model.
Wevj 14 00207 g010
Figure 11. Drive control model.
Figure 11. Drive control model.
Wevj 14 00207 g011
Figure 12. Braking energy recovery model.
Figure 12. Braking energy recovery model.
Wevj 14 00207 g012
Figure 13. Simulation results of the maximum climbable gradient.
Figure 13. Simulation results of the maximum climbable gradient.
Wevj 14 00207 g013
Figure 14. Simulation results of acceleration time.
Figure 14. Simulation results of acceleration time.
Wevj 14 00207 g014
Figure 15. Simulation results of the drive motor.
Figure 15. Simulation results of the drive motor.
Wevj 14 00207 g015
Figure 16. The ideal mechanical characteristic curve of the drive motor.
Figure 16. The ideal mechanical characteristic curve of the drive motor.
Wevj 14 00207 g016
Figure 17. Signal connection of Matlab DLL control strategy section.
Figure 17. Signal connection of Matlab DLL control strategy section.
Wevj 14 00207 g017
Figure 18. Simulation results of endurance mileage.
Figure 18. Simulation results of endurance mileage.
Wevj 14 00207 g018
Table 1. Basic parameters of the mini trucks.
Table 1. Basic parameters of the mini trucks.
ItemsLength/Width/Height (mm)Curb Weight (kg)Max Total
Mass (kg)
Air
Resistance
Coefficient
Windward Area (m2)Rolling
Radius (m)
Rolling
Resistance
Coefficient
Transmission
Efficiency (%)
Index4995/2050/1900118525050.82.50.3010.01694
Table 2. Expected performance index of the electric-mini trucks.
Table 2. Expected performance index of the electric-mini trucks.
Performance IndicatorsMaximum SpeedMaximum Climbable GradientAcceleration TimeEndurance Mileage
0–50 km/h0–100 km/h
Value of
parameter
180 km/h35%6 s14 s280
Table 3. Main Parameters of the drive motor.
Table 3. Main Parameters of the drive motor.
ParametersRated
Power
(kW)
Peak Power
(kW)
Rated Torque
(N∙m)
Peak Torque
(N∙m)
Rated Speed
(r/min)
Peak Speed
(r/min)
Rated Voltage (V)Efficiency
(%)
Value8024090240300010,0003200.9
Table 4. Parameters of power battery.
Table 4. Parameters of power battery.
ItemsBattery TypeNominal VoltageCapacityMax Continuous
Charging/Discharge Current
Max Transient Charging/Discharge CurrentMonomer MassCyclic-Life (80%)
IndexLithium iron phosphate3.2 V50 Ah15 A/50 A50 A/50 A1.5 kg2000
times
Table 5. Maximum speed on the test.
Table 5. Maximum speed on the test.
Serial NumberDirectionDriving Distance (m)Time (s)Average Speed (km/h)
1Positive100019.37185.86
2Reverse100019.37
Table 6. Results of accelerated test (from 0 to 50 km/h).
Table 6. Results of accelerated test (from 0 to 50 km/h).
Serial NumberDirectionTime (s)Average Time (s)
1Positive4.954.965
2Reverse4.98
Table 7. Results of accelerated test (from 0 to 100 km/h).
Table 7. Results of accelerated test (from 0 to 100 km/h).
Serial NumberDirectionTime (s)Average Time (s)
1Positive13.69213.688
2Reverse13.685
Table 8. The comparison between simulation and theoretical calculations, test results.
Table 8. The comparison between simulation and theoretical calculations, test results.
Maximum Speed (km/h)Acceleration Time from 0 to 50 km/h (s)Acceleration Time from 0 to 100 km/h (s)Maximum Gradient (%)
Simulation results1874.711.5940.34
Theoretical calculation results186.6939.8
Test results 185.84.96513.688
Error rate (%) between simulation results and theoretical calculation results 0.1661.35
Error rate (%) between simulation results and test results 0.6415.6315.328
Table 9. Operation mode conversion under UDC conditions.
Table 9. Operation mode conversion under UDC conditions.
Time (s)Signal statusMode
0–12err_flg = 0; BPS_Brake_Enble = 1; APS_Brake_Enble = 0Neutral
13–28err_flg = 0; APS_Brake_Enble = 0; Gear_position = 1;
Acc_pedal = 1
Motor drive
29–32BPS_Brake_Enble = 1; Gear_position = 0; Acc_pedal = 0Brake energy recovery
32–45err_flg = 0; BPS_Brake_Enble = 1; APS_Brake_Enble = 0Neutral mode
45–74err_flg = 0; APS_Brake_Enble = 0; Gear_position = 1;
Acc_pedal = 1
Motor drive mode
74–82err_flg = 0; BPS_Brake_Enble = 1; Gear_position = 0;
Acc_pedal = 0
Brake energy recovery
82–117err_flg = 0; BPS_Brake_Enble = 1; APS_Brake_Enble = 0Neutral
117–154err_flg = 0; APS_Brake_Enble = 0; Gear_position = 1;
Acc_pedal = 1
Motor drive
160–165err_flg = 0; BPS_Brake_Enble = 1; APS_Brake_Enble = 0Neutral
165–175err_flg = 0; APS_Brake_Enble = 0; Gear_position = 1;
Acc_pedal = 1
Motor drive
175–188err_flg = 0; BPS_Brake_Enble = 1; Gear_position = 0;
Acc_pedal = 0
Brake energy recovery
Disclaimer/Publisher’s Note: The statements, opinions and data contained in all publications are solely those of the individual author(s) and contributor(s) and not of MDPI and/or the editor(s). MDPI and/or the editor(s) disclaim responsibility for any injury to people or property resulting from any ideas, methods, instructions or products referred to in the content.

Share and Cite

MDPI and ACS Style

Ma, J.; Gu, F.; Feng, Z.; Zhang, S. Parameter Matching of Power Systems and Design of Vehicle Control Strategies for Mini-Electric Trucks. World Electr. Veh. J. 2023, 14, 207. https://doi.org/10.3390/wevj14080207

AMA Style

Ma J, Gu F, Feng Z, Zhang S. Parameter Matching of Power Systems and Design of Vehicle Control Strategies for Mini-Electric Trucks. World Electric Vehicle Journal. 2023; 14(8):207. https://doi.org/10.3390/wevj14080207

Chicago/Turabian Style

Ma, Jianwei, Fengyi Gu, Ziliang Feng, and Shaohang Zhang. 2023. "Parameter Matching of Power Systems and Design of Vehicle Control Strategies for Mini-Electric Trucks" World Electric Vehicle Journal 14, no. 8: 207. https://doi.org/10.3390/wevj14080207

APA Style

Ma, J., Gu, F., Feng, Z., & Zhang, S. (2023). Parameter Matching of Power Systems and Design of Vehicle Control Strategies for Mini-Electric Trucks. World Electric Vehicle Journal, 14(8), 207. https://doi.org/10.3390/wevj14080207

Article Metrics

Back to TopTop