Research on Metal and Living Foreign Object Detection Method for Electric Vehicle Wireless Charging System
Abstract
1. Introduction
2. Principle Analysis of Living Organisms and Metal Foreign Object Detection Technology
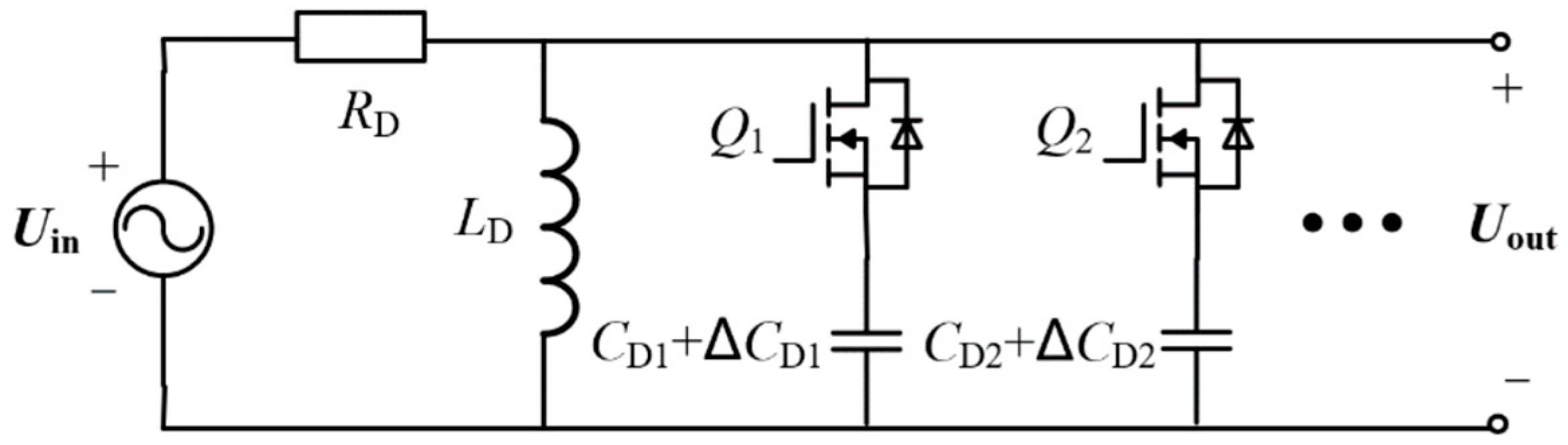
2.1. Principle Analysis of Comb Capacitor-Based Foreign Object Detection Technology for Living Organisms
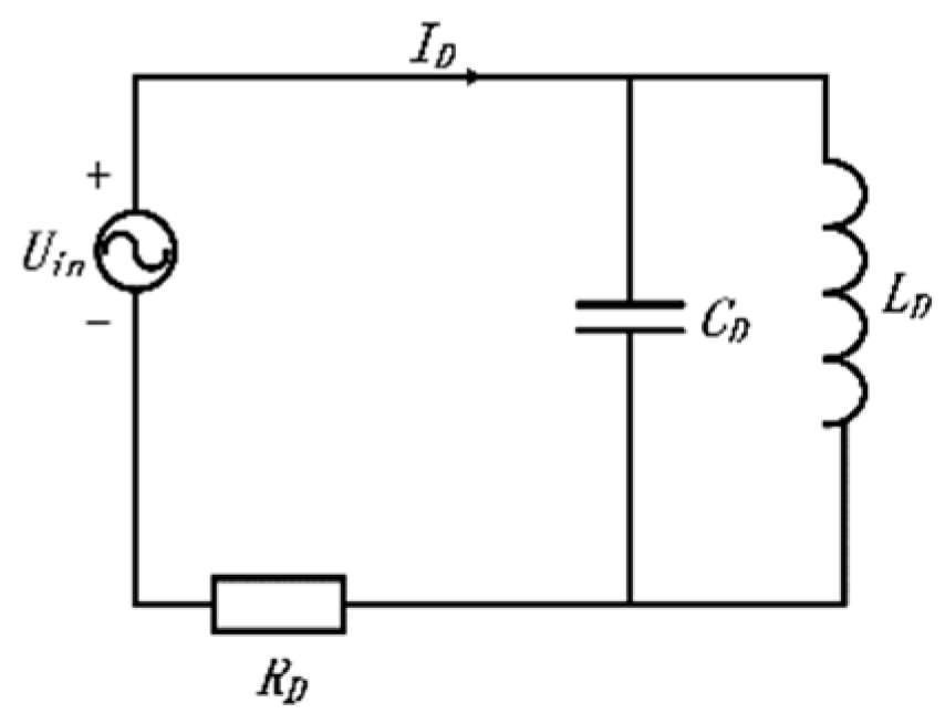
2.2. Principle Analysis of Metal Foreign Object Detection Technology Based on Detection Coil
3. Foreign Object Detection System Parameter Design
3.1. Parameter Design and Simulation Analysis of Comb Capacitor
3.2. Detection Coil Parameter Design and Simulation Analysis
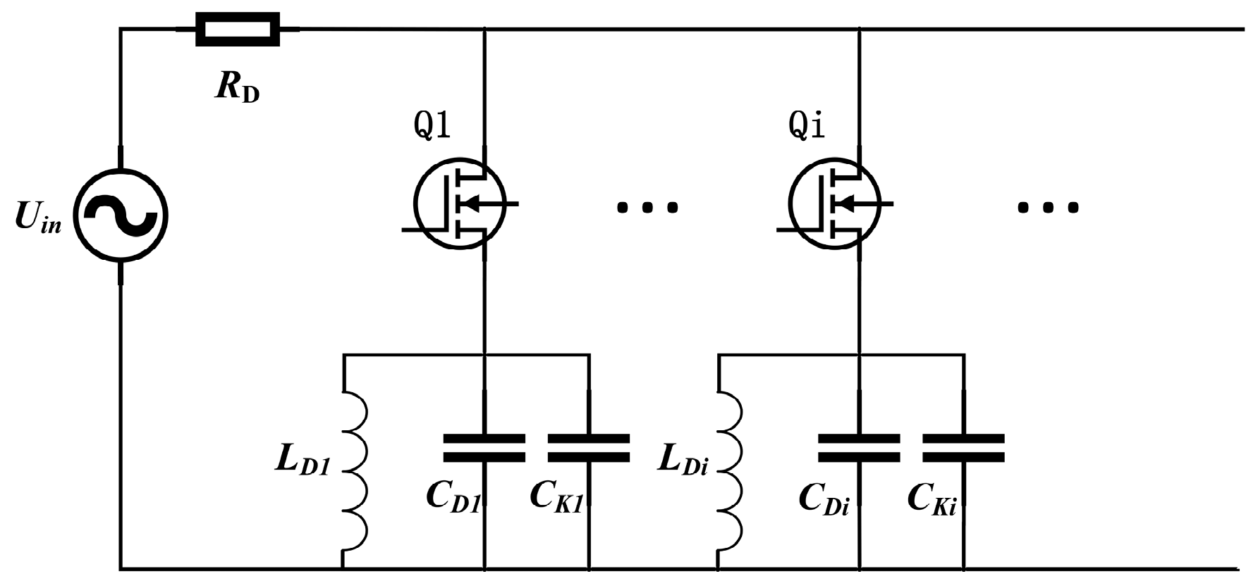
4. Combined Comb Capacitor and Detection Coil Mode
5. Foreign Object Detection System Experiment
6. Conclusions
Author Contributions
Funding
Data Availability Statement
Conflicts of Interest
References
- Xiang, L.; Zhu, Z.; Tian, J.; Tian, Y. Foreign Object Detection in a Wireless Power Transfer System Using Symmetrical Coil Sets. IEEE Access 2019, 7, 44622–44631. [Google Scholar] [CrossRef]
- Pahlavan, S.; Ashtiani, S.J. Rotation-Tolerant Wireless Power Transmission Scheme with Smart Positioning for Cognitive Research on Moving Animals. IEEE Trans. Biomed. Circuits Syst. 2023. [Google Scholar] [CrossRef] [PubMed]
- Pahlavan, S.; Shooshtari, M.; Maleki, M.; Ashtiani, S.J. Using Overlapped Resonators in Wireless Power Transfer for Uniform Electromagnetic Field and Removing Blank Spots in Free Moving Applications. Electronics 2022, 11, 1204. [Google Scholar] [CrossRef]
- Wang, Y. Development Status and Application of Wireless Charging System for Electric Vehicles. Pract. Automot. Technol. 2023, 48, 6–14. [Google Scholar]
- Zhang, X.; Fu, Z.; Xue, M.; Ren, N.; Wang, F. Method of detecting metal foreign object in arrayed differential coil for wireless energy transmission. New Technol. Electr. Energy Electr. 2020, 39, 9–17. [Google Scholar]
- Du, K.; Zhu, G.; Lu, J.; Pang, M. Detection method of metal foreign object in wireless charging system of electric vehicle. J. Zhejiang Univ. 2022, 56, 56–62, 74. [Google Scholar]
- Zhou, Z.; Zhai, Z. Power Loss Based Detection of Metal Foreign Objects in LCC Wireless Energy Transmission System. Electron. Prod. 2022, 30, 18–22. [Google Scholar]
- Sun, Y.; Wei, G.; Qian, K.; He, P.; Zhu, C.; Song, K. A Foreign Object Detection Method Based on Variation of Quality Factor of Detection Coil at Multi-frequency. In Proceedings of the 2021 IEEE 12th Energy Conversion Congress & Exposition—Asia (ECCE-Asia), Singapore, 24–27 May 2021; pp. 1578–1582. [Google Scholar]
- Wang, J.; Gao, J.; Yang, A.; Zhou, J. Impedance Identification-Based Foreign Object Detection for Wireless Power Transfer System. In Proceedings of the 2022 IEEE 31st International Symposium on Industrial Electronics (ISIE), Anchorage, AK, USA, 1–3 June 2022; pp. 895–898. [Google Scholar]
- Su, Y.; Hou, X.; Dai, X. A Review of Foreign Object Detection Techniques for Magnetically Coupled Wireless Energy Transmission Systems. Chin. J. Electr. Eng. 2021, 41, 715–728. [Google Scholar]
- Zhang, X.; Xing, Z.; Xue, M.; Yang, Q.; Sun, Y. A Review of Foreign Object Detection Techniques for Wireless Energy Transmission Systems. J. Electrotechnol. 2022, 37, 793–807. [Google Scholar]
- Lu, J.; Zhu, G.; Mi, C.C. Foreign Object Detection in Wireless Power Transfer Systems. IEEE Trans. Ind. Appl. 2022, 58, 1340–1354. [Google Scholar] [CrossRef]
- Sun, Y.; Song, K.; Zhou, T.; Wei, G.; Cheng, Z.; Zhu, C. A Shared Method of Metal Object Detection and Living Object Detection Based on the Quality Factor of Detection Coils for Electric Vehicle Wireless Charging. IEEE Trans. Instrum. Meas. 2023, 72, 1–17. [Google Scholar] [CrossRef]
- Kwon, J.-S.; Lee, J.-M.; Kim, W.-Y. Real-time detection of foreign objects using X-ray imaging for dry food manufacturing line. In Proceedings of the 2008 IEEE International Symposium on Consumer Electronics, Vilamoura, Portugal, 14–16 April 2008; pp. 1–4. [Google Scholar]
- Sonnenberg, T.; Stevens, A.; Dayerizadeh, A.; Lukic, S. Combined Foreign Object Detection and Live Object Protection in Wireless Power Transfer Systems via Real-Time Thermal Camera Analysis. In Proceedings of the 2019 IEEE Applied Power Electronics Conference and Exposition (APEC), Anaheim, CA, USA, 17–21 March 2019; pp. 1547–1552. [Google Scholar]
- Tian, Y.; Yang, H.; Hu, C.; Tian, J. Detection and tracking of foreign objects in electric vehicle wireless charging motion based on millimetre wave radar. J. Electrotechnol. 2023, 38, 297–308. [Google Scholar]
- Thai, V.X.; Park, J.H.; Jeong, S.Y.; Rim, C.T. Multiple Comb Pattern Based Living Object Detection with Enhanced Resolution Design for Wireless Electric Vehicle Chargers. In Proceedings of the PCIM Europe 2018, International Exhibition and Conference for Power Electronics, Intelligent Motion, Renewable Energy and Energy Management, Nuremberg, Germany, 5–7 June 2018; pp. 1–6. [Google Scholar]
- Jeong, S.Y.; Kwak, H.G.; Jang, G.C.; Rim, C.T. Living object detection system based on comb pattern capacitive sensor for wireless EV chargers. In Proceedings of the 2016 IEEE 2nd Annual Southern Power Electronics Conference (SPEC), Auckland, New Zealand, 5–8 December 2016; pp. 1–6. [Google Scholar]
- Jeong, S.Y.; Kwak, H.G.; Jang, G.C.; Choi, S.Y.; Rim, C.T. Dual-Purpose Nonoverlapping Coil Sets as Metal Object and Vehicle Position Detections for Wireless Stationary EV Chargers. IEEE Trans. Power Electron. 2018, 33, 7387–7397. [Google Scholar] [CrossRef]
- Thai, V.X.; Jang, G.C.; Jeong, S.Y.; Park, J.H.; Kim, Y.-S.; Rim, C.T. Symmetric Sensing Coil Design for the Blind-Zone Free Metal Object Detection of a Stationary Wireless Electric Vehicles Charger. IEEE Trans. Power Electron. 2020, 35, 3466–3477. [Google Scholar] [CrossRef]
- Thai, V.X.; Park, J.H.; Jeong, S.Y.; Rim, C.T.; Kim, Y.-S. Equivalent-Circuit-Based Design of Symmetric Sensing Coil for Self-Inductance-Based Metal Object Detection. IEEE Access 2020, 8, 94190–94203. [Google Scholar] [CrossRef]
- Li, L.; Yang, L.; Cai, C.; Zhang, F.; Chen, H. Impedance variation based metal foreign object detection scheme for active wireless charging system. Electr. Meas. Instrum. 2022, 59, 172–179. [Google Scholar]
- Niu, S.; Zhang, C.; Shi, Y.; Niu, S.; Jian, L. Foreign object detection considering misalignment effect for wireless EV charging system. ISA Trans. 2022, 130, 655–666. [Google Scholar] [CrossRef] [PubMed]
- Niu, S.; Zhao, Q.; Chen, H.; Niu, S.; Jian, L. Noncooperative Metal Object Detection Using Pole-to-Pole EM Distribution Characteristics for Wireless EV Charger Employing DD Coils. IEEE Trans. Ind. Electron. 2023. [Google Scholar] [CrossRef]
- Gabriel, C. Compilation of the Dielectric Properties of Body Tissues at RF and Microwave Frequencies, Report N.AL/OE-TR-1996-0037, Occupational and Environmental Health Directorate, Radiofrequency Radiation Division; Brooks Air Force Base: San Antonio, TX, USA, 1996. [Google Scholar]

















| Comb Capacitor | Detector Coil | ||
|---|---|---|---|
| Parametric | Numerical Value | Parametric | Numerical Value | 
| Capacitor length l/mm | 100 | Inside warp of the coil D/mm | 10 | 
| Electrode spacing d/mm | 3 | Number of turns of coil N | 10 | 
| Capacitance Width w/mm | 50 | Spacing of lines S/mm | 1 | 
| Electrode thickness r/mm | 1 | ||
| Capacitor spacing g/mm | 7 | ||
| Disclaimer/Publisher’s Note: The statements, opinions and data contained in all publications are solely those of the individual author(s) and contributor(s) and not of MDPI and/or the editor(s). MDPI and/or the editor(s) disclaim responsibility for any injury to people or property resulting from any ideas, methods, instructions or products referred to in the content. | 
© 2024 by the authors. Licensee MDPI, Basel, Switzerland. This article is an open access article distributed under the terms and conditions of the Creative Commons Attribution (CC BY) license (https://creativecommons.org/licenses/by/4.0/).
Share and Cite
Cai, S.; Liu, Z.; Luo, X.; Shi, Z.; Xie, Y.; Wang, J.; Li, X.; Hou, S.; Zhao, Q. Research on Metal and Living Foreign Object Detection Method for Electric Vehicle Wireless Charging System. World Electr. Veh. J. 2024, 15, 34. https://doi.org/10.3390/wevj15010034
Cai S, Liu Z, Luo X, Shi Z, Xie Y, Wang J, Li X, Hou S, Zhao Q. Research on Metal and Living Foreign Object Detection Method for Electric Vehicle Wireless Charging System. World Electric Vehicle Journal. 2024; 15(1):34. https://doi.org/10.3390/wevj15010034
Chicago/Turabian StyleCai, Shengkun, Zhizhen Liu, Xueqing Luo, Zhuoqun Shi, Yuxin Xie, Jintao Wang, Xianglin Li, Siyu Hou, and Qingyun Zhao. 2024. "Research on Metal and Living Foreign Object Detection Method for Electric Vehicle Wireless Charging System" World Electric Vehicle Journal 15, no. 1: 34. https://doi.org/10.3390/wevj15010034
APA StyleCai, S., Liu, Z., Luo, X., Shi, Z., Xie, Y., Wang, J., Li, X., Hou, S., & Zhao, Q. (2024). Research on Metal and Living Foreign Object Detection Method for Electric Vehicle Wireless Charging System. World Electric Vehicle Journal, 15(1), 34. https://doi.org/10.3390/wevj15010034
 
        

 
       