Analysis of Energy Consumption of the Lyophilizer System Using Solar Absorption Refrigeration
Abstract
1. Introduction
2. Energy Saving Improvement Strategy of Vacuum Freeze Dryer
3. Utilization of Waste Heat in the Refrigeration System of a Vacuum Freeze-Dryer
3.1. Utilization Status of Condensation Heat in the Refrigeration System of a Vacuum Freeze-Dryer
3.2. The Utility Model Relates to an Energy Saving System for a Lyophilization Machine Using Solar Energy Absorption Refrigeration
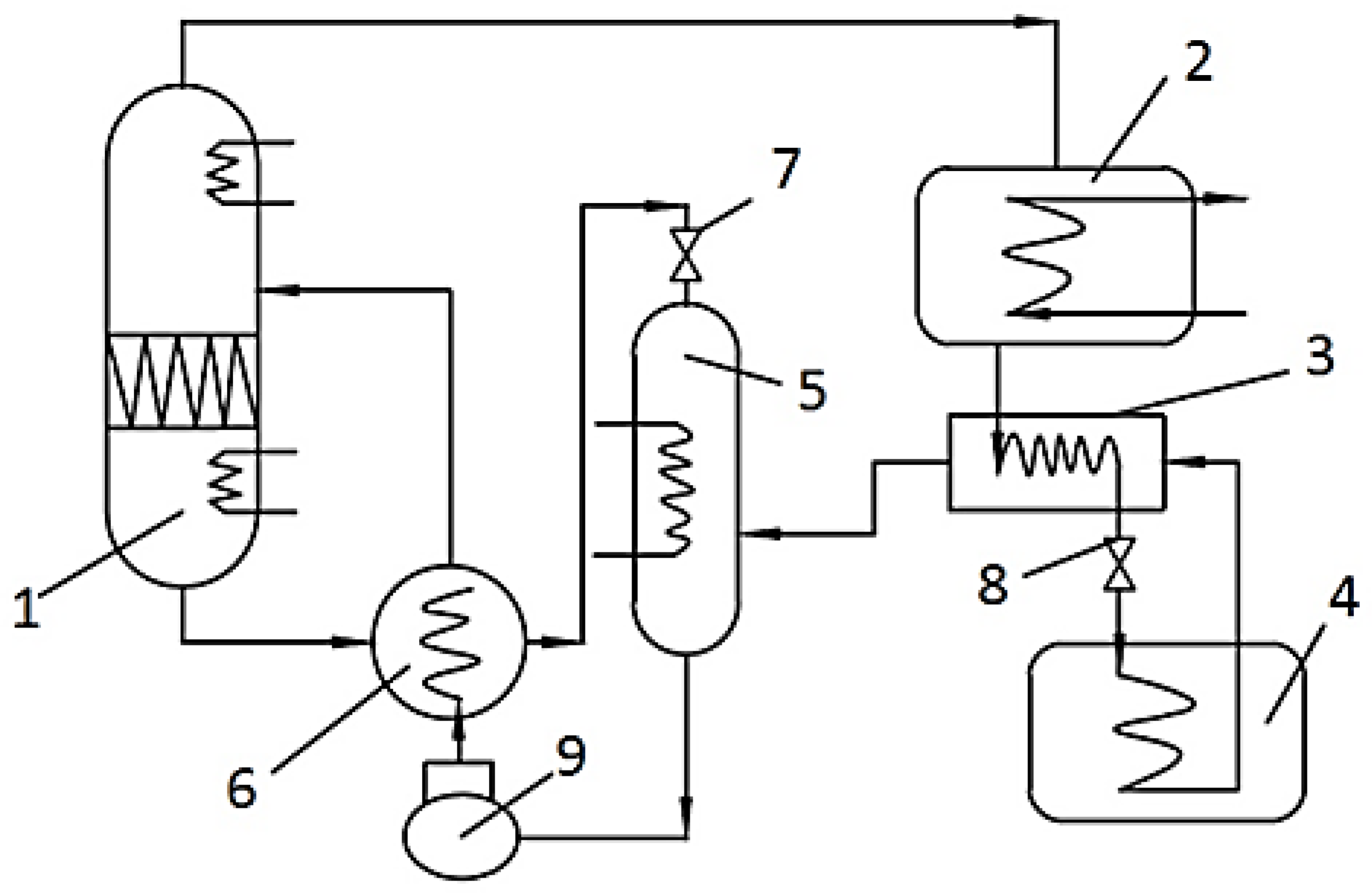
3.2.1. Composition of the System
3.2.2. The Connection Mode of Each Component
3.2.3. System Operation Scheme
- When the absorption refrigeration unit is working, the waste heat generated by condenser 2 and absorbent 4 is connected to the waste heat exchanger 19 of the air conditioning in the defrost storage tank 12 through the waste heat recovery pump 20, and the waste heat of the air conditioning is used as the heat source to heat the water in defrost storage tank 12. The hot water prepared in defrost storage tank 12 can promote the heat collection cycle of refrigeration hot water tank 10 and solar collector 8. There are two states according to whether the cold trap 14 of the lyophilizer needs defrosting:
- If the lyophilizer is not running, the defrosting valve 13 is closed at this time. The heated water in the defrosting water storage tank 12 circulates between the defrosting water storage tank 12 and the solar collector 8 under the action of the solar heat collection circulating pump 9. At the same time, it exchanges heat with the hot water cooled by the generator 1 in the cooling hot water tank 10 to reduce the load of the solar collector 8.
- When the lyophilizer is in operation, frost will form in the cold trap 14 of the lyophilizer, which needs to be defrosted. At this time, the defrost valve 13 is opened. At this time, the moisture of 12 in the defrost storage tank exits a branch, and under the action of the waste heat circulation pump 21, it enters the cold trap 14 of the lyophilizer through the defrost valve 13, and the high temperature defrost water removes the frosting on the coil 15 of the cold trap. At this point, the defrosting water recovery valve 17 opens, and the melted low-temperature defrosting water enters the defrosting storage tank 12 again under the action of the defrosting water recovery pump and is heated by the waste heat exchanger 19 of the air conditioning with the waste heat of the air conditioning, thus forming a defrosting water cycle. Because defrost storage tank 12 is connected with refrigeration hot water tank 10 and solar energy collector 8 by solar energy heat collection circulation pump 9, defrost water can play a good defrost effect under the heating of double heat sources. When the defrost is finished, defrost valve 13 and defrost water recovery valve 17 are closed. At this point, the water in the defrost storage tank 12 will circulate in the solar heat collection cycle circuit again, and the auxiliary heating cycle will be carried out on the refrigeration hot water tank 10.
- When the absorption refrigeration unit stops working, the solar heat collection unit heats the defrosted water in the defrost storage tank 12, and the electric heating of the solar heat collection unit itself can also meet the heat required by the defrost storage tank 12. If it is necessary to defrost the cold trap 14 of the lyophilizer, the defrost water circulation pipeline is opened and the defrosted water is used to defrost.
4. System Energy Saving Calculation
4.1. Establishment of Trnsys Simulation Model
4.2. Energy Saving Calculation
4.3. Result Analysis
- The whole system is simulated by TRNSYS software, and the probability of the system is calculated. It can be seen from the calculation results that, compared with the freeze dryer using only electric heater as heat source, the freeze dryer system using solar absorption refrigeration can save energy significantly. On a typical day, the solar energy guarantee rate is 74.96%, which can save about 236.8 kg of coal. In a typical month, the solar energy guarantee rate is 53.48%, which can save about 4790.9 kg of coal. The annual solar energy guarantee rate is 39.06%, which can save about 40,657.1 kg of coal.
- The solar absorption refrigeration system can not only use the waste heat to defrost the cold trap, but can also combine with the building. The excess cooling capacity of the lyophilizer is used for building air conditioning refrigeration, which shows that the application prospect of the system is huge.
5. Discussion and Analysis
- Using this system, the freeze-dryer can not only stably absorb and store the heat discharged by each system during the operation of indoor air conditioning, but can also apply this heat to the defrosting system that needs to provide heat during the operation of the freeze-dryer, make full use of the system’s waste heat, save the investment of cooling tower, reduce the energy consumption of the freeze dryer, and reduce the freeze-drying cost. In calculating the total energy consumption of the 20 m2 vacuum freeze dryer, Shi and Lou [7] concluded that the refrigeration system accounts for 70% of the total energy consumption, and the sublimation electric heating system accounts for 17%. The freeze-drying cycle using the waste heat of the refrigeration system can theoretically save nearly 17% of the energy, with great energy-saving potential.
- As the main energy supply of the system, solar energy can greatly reduce the consumption of conventional energy and then play the role of energy conservation and environmental protection. In the heat collection system, the solar collector is used as the heat source of the system, and the vacuum tube collector is used to eliminate the convective heat loss and reduce the heat conduction loss. Vacuum tubes have large heat capacity and can obtain heat in a short time. In addition, vacuum tubes have excellent frost resistance and can be widely used in many fields. However, the initial investment of solar energy systems is generally high. As a new energy utilization technology, the economy of the whole system needs to be further analyzed.
- Both the system and Zhou’s system adopt solar absorption refrigeration. The difference is that Zhou’s system adds a heat exchange unit composed of waste heat exchanger, building an air conditioning heat exchanger and other components. The heat exchange unit is connected with the cold trap coil of the lyophilizer unit to replace the original refrigeration system of the lyophilizer unit, providing the required cooling capacity for the lyophilizer unit, and is connected with the water collector and water separator of the building air conditioning unit, The excess cooling capacity from the lyophilizer unit is used for the refrigeration of the building air conditioning unit. The cooling capacity can be used step by step, which greatly saves energy consumption. Compared with his system, the system adds a heat storage unit composed of a defrosting water storage tank and an air conditioning waste heat exchange mechanism. The defrosting water storage tank is connected with the condenser and absorber of the absorption refrigeration unit through the air conditioning waste heat recovery mechanism for recovering the waste heat of the condenser and absorber, and the defrosting water storage tank is connected with the solar heat collection unit for heat and mass exchange. The defrosting valve connected with the defrosting water storage tank can supply the heated defrosting water to the cold well for defrosting, so as to reduce energy consumption.
- Taking the process with evaporation temperature of −38 °C and load of 28.2 × 106 kJ/h as an example, Shi and Zhang [26] compare the energy consumption of compression refrigeration and absorption refrigeration. It is concluded that the power consumption of compression refrigeration is more than 12 times that of absorption refrigeration, and the advantages will become more prominent with the increase of scale and refrigeration depth. This shows that compared with compression refrigeration, absorption refrigeration has good economic benefits.
- The technical scheme of the system is suitable for any lyophilizer, especially for large lyophilizers. At the same time, the technical scheme of the system can not only be applied in a single machine, but also a set of heat storage systems can be shared by multiple lyophilizers to form a composite application of heat storage stations. The technical details of this multi system joint operation and its regional expansion need to be further analyzed.
Author Contributions
Funding
Conflicts of Interest
References
- Shingisov, A.U.; Alibekov, R.S. Analysis of the moisture evaporation process during vacuum freeze-drying of koumiss and shubat. Heat Mass Transf. 2007, 53, 1571–1578. [Google Scholar] [CrossRef]
- Zdravko, Š.; Aleksandra, T.; Senka, V.; Jelena, V.; Branimir, P. Drying of shiitake mushrooms in a vacuum dryer and optimization of the process by response surface methodology. J. Food Meas. Charact. 2016, 10, 425–433. [Google Scholar]
- Ding, Z.; Ke, L.; Jia, F.-L. Brief introduction of refrigeration system design of freeze-drying device. Refrig. Technol. 1996, 3, 33–38. [Google Scholar]
- Zheng, X.; Lin, X.; Zhao, H. The progress of freeze drying technology in China. Refrig. Technol. 2003, 1, 13–15. [Google Scholar]
- Petitti, M.; Barresi, A.A.; Marchisio, D.L. CFD modelling of condensers for freeze-drying processes. Therm. Eng. 2013, 65, 972–979. [Google Scholar] [CrossRef][Green Version]
- An, F.; Chen, G.; Feng, J.; Gao, B.; Wu, X.; Zhang, J.; Wang, Z.; Zhang, X. Energy saving ways of vacuum freeze dryer. Vacuum 2012, 49, 9–13. [Google Scholar]
- Xu, Y.; Xiao, B. Analysis of energy consumption in the process of freeze-dried food processing. Refrig. Technol. 1998, 01, 21–23. [Google Scholar]
- Li, X. Discussion on energy saving measures of food vacuum freeze drying. J. Southwest Univ. Sci. Technol. 2003, 18, 61–64. [Google Scholar]
- Xie, K.; Chen, T. Analysis of operation characteristics and energy saving of freeze-drying machine. Cereals Oils Process. 2008, 8, 128–130. [Google Scholar]
- Hu, J.; Pu, B.; He, J. Discussion on energy-saving measures in vacuum freeze-drying process. Food Mach. 2007, 23, 122–125. [Google Scholar]
- Xu, C.; Zhang, Z.; Liu, J.; Peng, R. Discussion on energy-saving direction of freeze-vacuum drying equipment. In Proceedings of the Ninth National Symposium on Freeze-drying, Shanghai, China, 1 December 2008. [Google Scholar]
- Shi, W.; Lou, W.; Wang, Y. Discussion on energy-saving improvement of vacuum freeze-drying equipment. Dry. Technol. Equip. 2010, 8, 141–144. [Google Scholar]
- Huang, L.; He, G.; Zheng, X.; Xiao, X. Discussion on Energy Saving of Vacuum Freeze Dryer. In Proceedings of the Tenth National Symposium on Freeze-Drying, Shanghai, China, 16 October 2010. [Google Scholar]
- Sinyavsky, V.V. Development and experimental research on the electromagnetic induction lithium coolant transfer pump of a high-power space-based NPP high-temperature cooling system. Refrig. Technol. 1996, 3, 33–38. [Google Scholar] [CrossRef]
- Wenzel, T.; Gieseler, M.; Abdul-Fattah, A. Cycle Development in a Mini-Freeze Dryer: Evaluation of Manometric Temperature Measurement in Small-Scale Equipment. AAPS PharmSciTech 2021, 22, 1–11. [Google Scholar] [CrossRef] [PubMed]
- Onur, T. Evaluation of Freeze Drying for Whole, Half Cut and Puree Black Chokeberry. Heat Mass Transf. Wärme-Und-Stoffübertragung 2020, 56, 2503–2513. [Google Scholar]
- Wang, L.; Xie, G. Development status and trend of vacuum freeze dryer. Chem. Equip. Technol. 2003, 6, 8–11. [Google Scholar]
- Lu, X.; Hou, H.; Fang, D.; Hu, Q.; Chen, J.; Zhao, L. Identification and characterization of volatile compounds in Lentinula edodes during vacuum freeze-drying. J. Food Biochem. 2021. [Google Scholar] [CrossRef]
- Fissore, D.; Harguindeguy, M.; Ramirez, D.V.; Thompson, T.N. Development of Freeze-Drying Cycles for Pharmaceutical Products Using a Micro Freeze-Dryer. J. Pharm. Sci. 2020, 109, 797–806. [Google Scholar] [CrossRef]
- He, T.; Chen, P. Analysis and treatment of common faults in refrigeration system of freeze drying machine. Electromechanical Inf. 2021, 9, 20–21. [Google Scholar]
- Lin, Y.; Zhang, B. Discussion on condensation heat recovery mode of vacuum freeze dryer. Vacuum 2008, 5, 10–13. [Google Scholar]
- Zhou, L. Prospect of application of solar absorption air conditioning. Clean. Air Cond. Technol. 2015, 1, 35–36+40. [Google Scholar]
- Man, X.; Gu, W.; Yi, X.; Yan, W.; Ma, J. Research progress and application of heat pipe vacuum tube solar collector. J. Vac. Sci. Technol. 2021, 4, 318–325. [Google Scholar]
- Bian, E. Discussion on the use of ammonia absorption refrigeration in refrigerated vehicles. Enterp. Technol. Dev. 2019, 38, 6–8. [Google Scholar]
- Zhou, Z.; Guo, Y.; Lin, Y. Energy-saving evaluation of a solar integrated vacuum freeze-dryer and building air conditioning system. Energy Explor. Exploit. 2021, 39, 608–619. [Google Scholar] [CrossRef]
- FSC; Shi, W.; Zhang, Y. Analysis of ammonia absorption refrigeration process. Chem. Prog. 2012, 31, 265–268. [Google Scholar]







| Parameter Name | Unit | Value |
|---|---|---|
| condensation pressure | kpa | 10.09 |
| evaporation pressure | kpa | 0.87 |
| cooling water inlet temperature | °C | 32 |
| chilled water inlet temperature | °C | 12 |
| chilled water outlet temperature | °C | 7 |
| absorber cooling water outlet temperature | °C | 37 |
| condenser cooling water outlet temperature | °C | 41 |
| Parameter Name | Unit | Value |
|---|---|---|
| Solar system design inlet water temperature | °C | 20 |
| solar system design outlet water temperature | °C | 60 |
| collector area | m | 411.9 |
| collector inclination angle | ° | 22 |
| water tank heat loss | W/(m2·K) | 0.4 |
| water tank capacity | m3 | 30 |
| water tank height | m | 3 |
| Pump power | kW | 7.5 |
| Time | Total Solar Radiation Energy (MJ) | Available Energy (MJ) | System Load Requirement (MJ) | Solar Fraction (%) |
|---|---|---|---|---|
| July 28th | 9733.48 | 6927.98 | 9242.24 | 74.96 |
| July | 233,982.72 | 140,181.49 | 262,119.46 | 53.48 |
| Annual | 1,867,376.18 | 1,189,624.64 | 3,045,428.36 | 39.06 |
Publisher’s Note: MDPI stays neutral with regard to jurisdictional claims in published maps and institutional affiliations. |
© 2021 by the authors. Licensee MDPI, Basel, Switzerland. This article is an open access article distributed under the terms and conditions of the Creative Commons Attribution (CC BY) license (https://creativecommons.org/licenses/by/4.0/).
Share and Cite
Zhang, H.; Guo, Y.; Lin, Y. Analysis of Energy Consumption of the Lyophilizer System Using Solar Absorption Refrigeration. Sustainability 2021, 13, 12063. https://doi.org/10.3390/su132112063
Zhang H, Guo Y, Lin Y. Analysis of Energy Consumption of the Lyophilizer System Using Solar Absorption Refrigeration. Sustainability. 2021; 13(21):12063. https://doi.org/10.3390/su132112063
Chicago/Turabian StyleZhang, Hong, Yun Guo, and Yaolin Lin. 2021. "Analysis of Energy Consumption of the Lyophilizer System Using Solar Absorption Refrigeration" Sustainability 13, no. 21: 12063. https://doi.org/10.3390/su132112063
APA StyleZhang, H., Guo, Y., & Lin, Y. (2021). Analysis of Energy Consumption of the Lyophilizer System Using Solar Absorption Refrigeration. Sustainability, 13(21), 12063. https://doi.org/10.3390/su132112063

